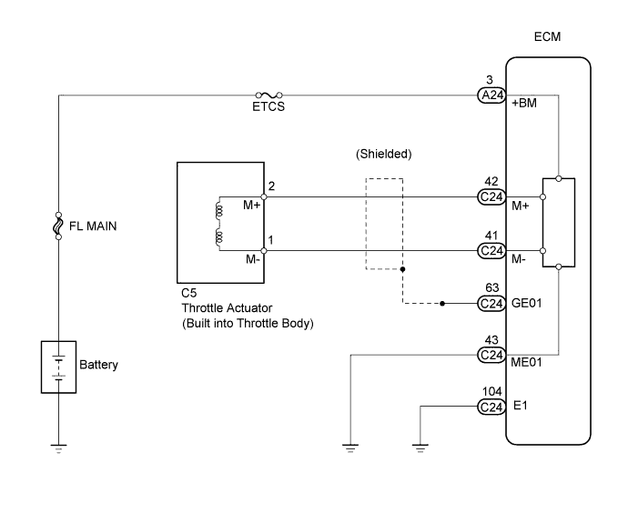
P2118 Toyota Throttle Actuator 'A' Control Motor Current Range/Performance . a toyota p2118 code is related to the throttle body but the cause is most often a blown fuse. A p2118 code refers to. Throttle actuator control motor current range / performance. Throttle actuator control motor current range/performance.
from www.walmart.com
Throttle actuator control motor current range/performance. a toyota p2118 code is related to the throttle body but the cause is most often a blown fuse. Throttle actuator control motor current range / performance. A p2118 code refers to.
Standard TH369 Throttle Control Actuator, Intermotor
P2118 Toyota Throttle Actuator 'A' Control Motor Current Range/Performance Throttle actuator control motor current range/performance. Throttle actuator control motor current range / performance. A p2118 code refers to. a toyota p2118 code is related to the throttle body but the cause is most often a blown fuse. Throttle actuator control motor current range/performance.
From www.pakwheels.com
Toyota Passo 2015 P2118 engine error code (Throttle Actuator Control P2118 Toyota Throttle Actuator 'A' Control Motor Current Range/Performance Throttle actuator control motor current range/performance. a toyota p2118 code is related to the throttle body but the cause is most often a blown fuse. Throttle actuator control motor current range / performance. A p2118 code refers to. P2118 Toyota Throttle Actuator 'A' Control Motor Current Range/Performance.
From www.youtube.com
How to To Fix Error Code P2118 Throttle Actator Controls Performance On P2118 Toyota Throttle Actuator 'A' Control Motor Current Range/Performance a toyota p2118 code is related to the throttle body but the cause is most often a blown fuse. A p2118 code refers to. Throttle actuator control motor current range/performance. Throttle actuator control motor current range / performance. P2118 Toyota Throttle Actuator 'A' Control Motor Current Range/Performance.
From www.carparts.com
P2101 Code Throttle Actuator “A” Control Motor Circuit Range P2118 Toyota Throttle Actuator 'A' Control Motor Current Range/Performance Throttle actuator control motor current range / performance. a toyota p2118 code is related to the throttle body but the cause is most often a blown fuse. Throttle actuator control motor current range/performance. A p2118 code refers to. P2118 Toyota Throttle Actuator 'A' Control Motor Current Range/Performance.
From www.youtube.com
diagnosis codes p2118 throttle actuator control motor YouTube P2118 Toyota Throttle Actuator 'A' Control Motor Current Range/Performance a toyota p2118 code is related to the throttle body but the cause is most often a blown fuse. Throttle actuator control motor current range / performance. Throttle actuator control motor current range/performance. A p2118 code refers to. P2118 Toyota Throttle Actuator 'A' Control Motor Current Range/Performance.
From www.pakwheels.com
Toyota Passo 2015 P2118 engine error code (Throttle Actuator Control P2118 Toyota Throttle Actuator 'A' Control Motor Current Range/Performance Throttle actuator control motor current range/performance. Throttle actuator control motor current range / performance. A p2118 code refers to. a toyota p2118 code is related to the throttle body but the cause is most often a blown fuse. P2118 Toyota Throttle Actuator 'A' Control Motor Current Range/Performance.
From www.youtube.com
P2118 Throttle actuator control motor current range/performance Toyota P2118 Toyota Throttle Actuator 'A' Control Motor Current Range/Performance A p2118 code refers to. Throttle actuator control motor current range / performance. Throttle actuator control motor current range/performance. a toyota p2118 code is related to the throttle body but the cause is most often a blown fuse. P2118 Toyota Throttle Actuator 'A' Control Motor Current Range/Performance.
From www.youtube.com
2007 Toyota forerunner p2118 Fuse number 10 Throttle actuator; control P2118 Toyota Throttle Actuator 'A' Control Motor Current Range/Performance a toyota p2118 code is related to the throttle body but the cause is most often a blown fuse. A p2118 code refers to. Throttle actuator control motor current range / performance. Throttle actuator control motor current range/performance. P2118 Toyota Throttle Actuator 'A' Control Motor Current Range/Performance.
From www.tovenza.com
Toyota Venza Throttle Actuator Control Motor Current Range P2118 Toyota Throttle Actuator 'A' Control Motor Current Range/Performance Throttle actuator control motor current range / performance. A p2118 code refers to. Throttle actuator control motor current range/performance. a toyota p2118 code is related to the throttle body but the cause is most often a blown fuse. P2118 Toyota Throttle Actuator 'A' Control Motor Current Range/Performance.
From www.youtube.com
Toyota Corolla, No Throttle Response, P2118 Code, Easy Fix! YouTube P2118 Toyota Throttle Actuator 'A' Control Motor Current Range/Performance a toyota p2118 code is related to the throttle body but the cause is most often a blown fuse. Throttle actuator control motor current range/performance. Throttle actuator control motor current range / performance. A p2118 code refers to. P2118 Toyota Throttle Actuator 'A' Control Motor Current Range/Performance.
From www.carparts.com
P2118 Code Throttle Actuator Control Motor Current Range / Performance P2118 Toyota Throttle Actuator 'A' Control Motor Current Range/Performance A p2118 code refers to. Throttle actuator control motor current range/performance. a toyota p2118 code is related to the throttle body but the cause is most often a blown fuse. Throttle actuator control motor current range / performance. P2118 Toyota Throttle Actuator 'A' Control Motor Current Range/Performance.
From www.ttundra.com
Toyota Tundra Service Manual Throttle Actuator Control Motor Current P2118 Toyota Throttle Actuator 'A' Control Motor Current Range/Performance Throttle actuator control motor current range / performance. A p2118 code refers to. a toyota p2118 code is related to the throttle body but the cause is most often a blown fuse. Throttle actuator control motor current range/performance. P2118 Toyota Throttle Actuator 'A' Control Motor Current Range/Performance.
From www.youtube.com
P2118 Throttle Actuator Easy Fix (Check fuse box) YouTube P2118 Toyota Throttle Actuator 'A' Control Motor Current Range/Performance Throttle actuator control motor current range / performance. a toyota p2118 code is related to the throttle body but the cause is most often a blown fuse. Throttle actuator control motor current range/performance. A p2118 code refers to. P2118 Toyota Throttle Actuator 'A' Control Motor Current Range/Performance.
From motormeter.app
Toyota P2118 P2118 Toyota Throttle Actuator 'A' Control Motor Current Range/Performance Throttle actuator control motor current range/performance. Throttle actuator control motor current range / performance. A p2118 code refers to. a toyota p2118 code is related to the throttle body but the cause is most often a blown fuse. P2118 Toyota Throttle Actuator 'A' Control Motor Current Range/Performance.
From www.carparts.com
P2101 Code Throttle Actuator “A” Control Motor Circuit Range P2118 Toyota Throttle Actuator 'A' Control Motor Current Range/Performance Throttle actuator control motor current range / performance. a toyota p2118 code is related to the throttle body but the cause is most often a blown fuse. Throttle actuator control motor current range/performance. A p2118 code refers to. P2118 Toyota Throttle Actuator 'A' Control Motor Current Range/Performance.
From www.carparts.com
P2101 Code Throttle Actuator “A” Control Motor Circuit Range P2118 Toyota Throttle Actuator 'A' Control Motor Current Range/Performance A p2118 code refers to. Throttle actuator control motor current range / performance. a toyota p2118 code is related to the throttle body but the cause is most often a blown fuse. Throttle actuator control motor current range/performance. P2118 Toyota Throttle Actuator 'A' Control Motor Current Range/Performance.
From www.pakwheels.com
Toyota Passo 2015 P2118 engine error code (Throttle Actuator Control P2118 Toyota Throttle Actuator 'A' Control Motor Current Range/Performance Throttle actuator control motor current range / performance. a toyota p2118 code is related to the throttle body but the cause is most often a blown fuse. Throttle actuator control motor current range/performance. A p2118 code refers to. P2118 Toyota Throttle Actuator 'A' Control Motor Current Range/Performance.
From www.justanswer.com
P2118. Throttle Actuator Control Motor Current. Range/Performance. 2004 P2118 Toyota Throttle Actuator 'A' Control Motor Current Range/Performance A p2118 code refers to. Throttle actuator control motor current range / performance. Throttle actuator control motor current range/performance. a toyota p2118 code is related to the throttle body but the cause is most often a blown fuse. P2118 Toyota Throttle Actuator 'A' Control Motor Current Range/Performance.
From www.automotive-manuals.com
DTC P2118 Throttle Actuator Control Motor Current Range / Performance P2118 Toyota Throttle Actuator 'A' Control Motor Current Range/Performance A p2118 code refers to. a toyota p2118 code is related to the throttle body but the cause is most often a blown fuse. Throttle actuator control motor current range/performance. Throttle actuator control motor current range / performance. P2118 Toyota Throttle Actuator 'A' Control Motor Current Range/Performance.
From estimate.mymitchell.com
2GRFE (ENGINE CONTROL) SFI SYSTEM P2118; Throttle Actuator Control P2118 Toyota Throttle Actuator 'A' Control Motor Current Range/Performance A p2118 code refers to. Throttle actuator control motor current range/performance. a toyota p2118 code is related to the throttle body but the cause is most often a blown fuse. Throttle actuator control motor current range / performance. P2118 Toyota Throttle Actuator 'A' Control Motor Current Range/Performance.
From www.pakwheels.com
Toyota Passo 2015 P2118 engine error code (Throttle Actuator Control P2118 Toyota Throttle Actuator 'A' Control Motor Current Range/Performance a toyota p2118 code is related to the throttle body but the cause is most often a blown fuse. Throttle actuator control motor current range/performance. A p2118 code refers to. Throttle actuator control motor current range / performance. P2118 Toyota Throttle Actuator 'A' Control Motor Current Range/Performance.
From www.walmart.com
Standard TH369 Throttle Control Actuator, Intermotor P2118 Toyota Throttle Actuator 'A' Control Motor Current Range/Performance Throttle actuator control motor current range/performance. A p2118 code refers to. Throttle actuator control motor current range / performance. a toyota p2118 code is related to the throttle body but the cause is most often a blown fuse. P2118 Toyota Throttle Actuator 'A' Control Motor Current Range/Performance.
From www.pakwheels.com
Toyota Passo 2015 P2118 engine error code (Throttle Actuator Control P2118 Toyota Throttle Actuator 'A' Control Motor Current Range/Performance Throttle actuator control motor current range/performance. a toyota p2118 code is related to the throttle body but the cause is most often a blown fuse. A p2118 code refers to. Throttle actuator control motor current range / performance. P2118 Toyota Throttle Actuator 'A' Control Motor Current Range/Performance.
From www.youtube.com
Toyota Rav4 2005 P2118 Throttle Actuator Control Motor Current Range P2118 Toyota Throttle Actuator 'A' Control Motor Current Range/Performance Throttle actuator control motor current range/performance. a toyota p2118 code is related to the throttle body but the cause is most often a blown fuse. A p2118 code refers to. Throttle actuator control motor current range / performance. P2118 Toyota Throttle Actuator 'A' Control Motor Current Range/Performance.
From www.youtube.com
P2101 throttle actuator control circuit range performance YouTube P2118 Toyota Throttle Actuator 'A' Control Motor Current Range/Performance a toyota p2118 code is related to the throttle body but the cause is most often a blown fuse. Throttle actuator control motor current range / performance. Throttle actuator control motor current range/performance. A p2118 code refers to. P2118 Toyota Throttle Actuator 'A' Control Motor Current Range/Performance.
From www.carparts.com
P2101 Code Throttle Actuator “A” Control Motor Circuit Range P2118 Toyota Throttle Actuator 'A' Control Motor Current Range/Performance Throttle actuator control motor current range/performance. a toyota p2118 code is related to the throttle body but the cause is most often a blown fuse. A p2118 code refers to. Throttle actuator control motor current range / performance. P2118 Toyota Throttle Actuator 'A' Control Motor Current Range/Performance.
From www.youtube.com
P2118trotoul actuator motor 2016 model Toyota Corolla YouTube P2118 Toyota Throttle Actuator 'A' Control Motor Current Range/Performance Throttle actuator control motor current range/performance. A p2118 code refers to. a toyota p2118 code is related to the throttle body but the cause is most often a blown fuse. Throttle actuator control motor current range / performance. P2118 Toyota Throttle Actuator 'A' Control Motor Current Range/Performance.
From www.pakwheels.com
Toyota Passo 2015 P2118 engine error code (Throttle Actuator Control P2118 Toyota Throttle Actuator 'A' Control Motor Current Range/Performance A p2118 code refers to. Throttle actuator control motor current range/performance. a toyota p2118 code is related to the throttle body but the cause is most often a blown fuse. Throttle actuator control motor current range / performance. P2118 Toyota Throttle Actuator 'A' Control Motor Current Range/Performance.
From www.slideshare.net
Partsavatar, Canada How do i diagnose P2118 OBD II trouble code P2118 Toyota Throttle Actuator 'A' Control Motor Current Range/Performance A p2118 code refers to. a toyota p2118 code is related to the throttle body but the cause is most often a blown fuse. Throttle actuator control motor current range/performance. Throttle actuator control motor current range / performance. P2118 Toyota Throttle Actuator 'A' Control Motor Current Range/Performance.
From www.youtube.com
هايلوكس بنزين ⛽️ p2118محرك 1TRThrottle Actuator Control Motor Current P2118 Toyota Throttle Actuator 'A' Control Motor Current Range/Performance a toyota p2118 code is related to the throttle body but the cause is most often a blown fuse. A p2118 code refers to. Throttle actuator control motor current range / performance. Throttle actuator control motor current range/performance. P2118 Toyota Throttle Actuator 'A' Control Motor Current Range/Performance.
From www.pakwheels.com
Toyota Passo 2015 P2118 engine error code (Throttle Actuator Control P2118 Toyota Throttle Actuator 'A' Control Motor Current Range/Performance A p2118 code refers to. a toyota p2118 code is related to the throttle body but the cause is most often a blown fuse. Throttle actuator control motor current range/performance. Throttle actuator control motor current range / performance. P2118 Toyota Throttle Actuator 'A' Control Motor Current Range/Performance.
From www.pakwheels.com
Toyota Passo 2015 P2118 engine error code (Throttle Actuator Control P2118 Toyota Throttle Actuator 'A' Control Motor Current Range/Performance Throttle actuator control motor current range / performance. a toyota p2118 code is related to the throttle body but the cause is most often a blown fuse. Throttle actuator control motor current range/performance. A p2118 code refers to. P2118 Toyota Throttle Actuator 'A' Control Motor Current Range/Performance.
From dokumen.tips
(PDF) Toyota Code P2118 · PDF filetoyota code p2118.pdf di0rm19 P2118 Toyota Throttle Actuator 'A' Control Motor Current Range/Performance A p2118 code refers to. Throttle actuator control motor current range / performance. Throttle actuator control motor current range/performance. a toyota p2118 code is related to the throttle body but the cause is most often a blown fuse. P2118 Toyota Throttle Actuator 'A' Control Motor Current Range/Performance.
From es.scribd.com
P2118 TOYOTA Throttle Actuator Control Motor Español PDF Acelerador P2118 Toyota Throttle Actuator 'A' Control Motor Current Range/Performance a toyota p2118 code is related to the throttle body but the cause is most often a blown fuse. Throttle actuator control motor current range / performance. Throttle actuator control motor current range/performance. A p2118 code refers to. P2118 Toyota Throttle Actuator 'A' Control Motor Current Range/Performance.
From www.carparts.com
P0121 Code Throttle/Pedal Position Sensor "A" Circuit Range P2118 Toyota Throttle Actuator 'A' Control Motor Current Range/Performance Throttle actuator control motor current range / performance. Throttle actuator control motor current range/performance. A p2118 code refers to. a toyota p2118 code is related to the throttle body but the cause is most often a blown fuse. P2118 Toyota Throttle Actuator 'A' Control Motor Current Range/Performance.
From www.carparts.com
P2118 Code Throttle Actuator Control Motor Current Range / Performance P2118 Toyota Throttle Actuator 'A' Control Motor Current Range/Performance Throttle actuator control motor current range / performance. Throttle actuator control motor current range/performance. A p2118 code refers to. a toyota p2118 code is related to the throttle body but the cause is most often a blown fuse. P2118 Toyota Throttle Actuator 'A' Control Motor Current Range/Performance.