What Is A 4.2 Engine . Read about general reliability and common problems such as valve seat wear and. Ford 4.2 v6 is a good engine due to its advanced features and significance. This engine is characterized by its displacement of 4.2 liters,. This engine's cylinder bore had a diameter of 3.81. The 4.2 vortec was the first atlas engine to roll out of general motors production line, based on the gmt360 platform. The ford 4.2l engine is a v6 configuration that boasts a strong reputation for delivering substantial power and torque. How reliable is gm's 4.2 vortec engine?
from www.dubizzle.com
This engine's cylinder bore had a diameter of 3.81. How reliable is gm's 4.2 vortec engine? Read about general reliability and common problems such as valve seat wear and. This engine is characterized by its displacement of 4.2 liters,. The 4.2 vortec was the first atlas engine to roll out of general motors production line, based on the gmt360 platform. The ford 4.2l engine is a v6 configuration that boasts a strong reputation for delivering substantial power and torque. Ford 4.2 v6 is a good engine due to its advanced features and significance.
Inline 4 Engine, Functions, Details & More
What Is A 4.2 Engine This engine's cylinder bore had a diameter of 3.81. The 4.2 vortec was the first atlas engine to roll out of general motors production line, based on the gmt360 platform. This engine's cylinder bore had a diameter of 3.81. Ford 4.2 v6 is a good engine due to its advanced features and significance. Read about general reliability and common problems such as valve seat wear and. The ford 4.2l engine is a v6 configuration that boasts a strong reputation for delivering substantial power and torque. This engine is characterized by its displacement of 4.2 liters,. How reliable is gm's 4.2 vortec engine?
From official.bankspower.com
The Three Latest Diesel Engine Projects Banks Power What Is A 4.2 Engine This engine is characterized by its displacement of 4.2 liters,. This engine's cylinder bore had a diameter of 3.81. How reliable is gm's 4.2 vortec engine? The ford 4.2l engine is a v6 configuration that boasts a strong reputation for delivering substantial power and torque. The 4.2 vortec was the first atlas engine to roll out of general motors production. What Is A 4.2 Engine.
From www.actecopowertrain.com
High Quality Cheapest Price Engine for Amphibious AllTerrain Vehicles Chery 2.0L Turbo What Is A 4.2 Engine This engine is characterized by its displacement of 4.2 liters,. Read about general reliability and common problems such as valve seat wear and. Ford 4.2 v6 is a good engine due to its advanced features and significance. The 4.2 vortec was the first atlas engine to roll out of general motors production line, based on the gmt360 platform. How reliable. What Is A 4.2 Engine.
From automotix-gas-engines.blogspot.com
Gas Engines Used car engines available What Is A 4.2 Engine Read about general reliability and common problems such as valve seat wear and. The 4.2 vortec was the first atlas engine to roll out of general motors production line, based on the gmt360 platform. This engine is characterized by its displacement of 4.2 liters,. Ford 4.2 v6 is a good engine due to its advanced features and significance. This engine's. What Is A 4.2 Engine.
From abzlocal.mx
Total 68+ imagen 1988 jeep wrangler 4.2 engine wiring diagram Abzlocal.mx What Is A 4.2 Engine This engine's cylinder bore had a diameter of 3.81. Read about general reliability and common problems such as valve seat wear and. Ford 4.2 v6 is a good engine due to its advanced features and significance. This engine is characterized by its displacement of 4.2 liters,. The 4.2 vortec was the first atlas engine to roll out of general motors. What Is A 4.2 Engine.
From fixlistandreas123.z13.web.core.windows.net
Dodge 4 7 Engine Diagram What Is A 4.2 Engine Ford 4.2 v6 is a good engine due to its advanced features and significance. The 4.2 vortec was the first atlas engine to roll out of general motors production line, based on the gmt360 platform. This engine is characterized by its displacement of 4.2 liters,. This engine's cylinder bore had a diameter of 3.81. Read about general reliability and common. What Is A 4.2 Engine.
From www.ebay.com
Toyan OTTO Motor FSL200AC DIY 4 Stroke 2 Cylinder RC Nitro Engine Kit eBay What Is A 4.2 Engine Ford 4.2 v6 is a good engine due to its advanced features and significance. The ford 4.2l engine is a v6 configuration that boasts a strong reputation for delivering substantial power and torque. This engine's cylinder bore had a diameter of 3.81. The 4.2 vortec was the first atlas engine to roll out of general motors production line, based on. What Is A 4.2 Engine.
From autoseeks.com
Widespread Cadillac 6.2 Engine Problems & Solutions Auto Seeks To Make Your Auto Journey Awesome What Is A 4.2 Engine The 4.2 vortec was the first atlas engine to roll out of general motors production line, based on the gmt360 platform. How reliable is gm's 4.2 vortec engine? Read about general reliability and common problems such as valve seat wear and. The ford 4.2l engine is a v6 configuration that boasts a strong reputation for delivering substantial power and torque.. What Is A 4.2 Engine.
From www.thehemi.com
GEN III HEMI® Engine Quick Reference Guide Part IV Dodge Garage What Is A 4.2 Engine The 4.2 vortec was the first atlas engine to roll out of general motors production line, based on the gmt360 platform. Read about general reliability and common problems such as valve seat wear and. This engine is characterized by its displacement of 4.2 liters,. The ford 4.2l engine is a v6 configuration that boasts a strong reputation for delivering substantial. What Is A 4.2 Engine.
From www.ebay.com
2 Engine Cylinder Head Gasket for GM (2) 126889436 6.2 Escalade Tahoe Yukon eBay What Is A 4.2 Engine Ford 4.2 v6 is a good engine due to its advanced features and significance. The ford 4.2l engine is a v6 configuration that boasts a strong reputation for delivering substantial power and torque. This engine is characterized by its displacement of 4.2 liters,. The 4.2 vortec was the first atlas engine to roll out of general motors production line, based. What Is A 4.2 Engine.
From www.proxyparts.com
Engines with part number 04L103064L stock What Is A 4.2 Engine The ford 4.2l engine is a v6 configuration that boasts a strong reputation for delivering substantial power and torque. How reliable is gm's 4.2 vortec engine? This engine's cylinder bore had a diameter of 3.81. Ford 4.2 v6 is a good engine due to its advanced features and significance. This engine is characterized by its displacement of 4.2 liters,. Read. What Is A 4.2 Engine.
From www.rangerovers.net
4.4 engine removal Range Rovers Forum What Is A 4.2 Engine This engine's cylinder bore had a diameter of 3.81. The ford 4.2l engine is a v6 configuration that boasts a strong reputation for delivering substantial power and torque. How reliable is gm's 4.2 vortec engine? Ford 4.2 v6 is a good engine due to its advanced features and significance. This engine is characterized by its displacement of 4.2 liters,. The. What Is A 4.2 Engine.
From www.youtube.com
Silnik Renault K4J 1.4 16V 9598KM dźwięk i praca silnika. YouTube What Is A 4.2 Engine How reliable is gm's 4.2 vortec engine? Read about general reliability and common problems such as valve seat wear and. This engine is characterized by its displacement of 4.2 liters,. The 4.2 vortec was the first atlas engine to roll out of general motors production line, based on the gmt360 platform. Ford 4.2 v6 is a good engine due to. What Is A 4.2 Engine.
From www.proxyparts.com
Engine Mitsubishi ASX 2.2 DID 16V 4WD AM1245 4N14 What Is A 4.2 Engine This engine is characterized by its displacement of 4.2 liters,. The 4.2 vortec was the first atlas engine to roll out of general motors production line, based on the gmt360 platform. Ford 4.2 v6 is a good engine due to its advanced features and significance. This engine's cylinder bore had a diameter of 3.81. How reliable is gm's 4.2 vortec. What Is A 4.2 Engine.
From skincashier.com
Source 2 Valve's Best Game Engine Explained What Is A 4.2 Engine The ford 4.2l engine is a v6 configuration that boasts a strong reputation for delivering substantial power and torque. This engine's cylinder bore had a diameter of 3.81. This engine is characterized by its displacement of 4.2 liters,. The 4.2 vortec was the first atlas engine to roll out of general motors production line, based on the gmt360 platform. Read. What Is A 4.2 Engine.
From www.emanualonline.com
Mercruiser GM 454 502 7.48.2 Engine 19982001 Full Service & Repair Manual What Is A 4.2 Engine This engine's cylinder bore had a diameter of 3.81. The ford 4.2l engine is a v6 configuration that boasts a strong reputation for delivering substantial power and torque. This engine is characterized by its displacement of 4.2 liters,. How reliable is gm's 4.2 vortec engine? Read about general reliability and common problems such as valve seat wear and. Ford 4.2. What Is A 4.2 Engine.
From schematiccabaistmci1d.z13.web.core.windows.net
Car Engine Parts Names With Diagram In Hindi What Is A 4.2 Engine Ford 4.2 v6 is a good engine due to its advanced features and significance. Read about general reliability and common problems such as valve seat wear and. This engine is characterized by its displacement of 4.2 liters,. How reliable is gm's 4.2 vortec engine? The ford 4.2l engine is a v6 configuration that boasts a strong reputation for delivering substantial. What Is A 4.2 Engine.
From spare.avspart.com
(L779) NH SKID STEER LOADER (7/807/83) (076) FUEL INJECTION PUMP & LINES, PERKINS 4.203.2 What Is A 4.2 Engine This engine is characterized by its displacement of 4.2 liters,. The ford 4.2l engine is a v6 configuration that boasts a strong reputation for delivering substantial power and torque. How reliable is gm's 4.2 vortec engine? The 4.2 vortec was the first atlas engine to roll out of general motors production line, based on the gmt360 platform. Read about general. What Is A 4.2 Engine.
From www.scribd.com
Engine Description 2.1 Model 2.2 Engine Illustration 2.3 Lube Oil Circuit Schematic 2.4 Fuel What Is A 4.2 Engine Ford 4.2 v6 is a good engine due to its advanced features and significance. This engine is characterized by its displacement of 4.2 liters,. How reliable is gm's 4.2 vortec engine? The ford 4.2l engine is a v6 configuration that boasts a strong reputation for delivering substantial power and torque. This engine's cylinder bore had a diameter of 3.81. The. What Is A 4.2 Engine.
From oldeenglishconsortium.org
Different 'V' Engine Configurations Explained V2 to V24 สังเคราะห์ข้อมูลที่เกี่ยวข้องwork v2 What Is A 4.2 Engine This engine's cylinder bore had a diameter of 3.81. The ford 4.2l engine is a v6 configuration that boasts a strong reputation for delivering substantial power and torque. How reliable is gm's 4.2 vortec engine? Ford 4.2 v6 is a good engine due to its advanced features and significance. The 4.2 vortec was the first atlas engine to roll out. What Is A 4.2 Engine.
From saabwisonline.com
System overview 93 2004 SAAB Information System Online What Is A 4.2 Engine Read about general reliability and common problems such as valve seat wear and. The ford 4.2l engine is a v6 configuration that boasts a strong reputation for delivering substantial power and torque. This engine is characterized by its displacement of 4.2 liters,. Ford 4.2 v6 is a good engine due to its advanced features and significance. This engine's cylinder bore. What Is A 4.2 Engine.
From ets3mods.com
Engine Packs and Transmissions v1.0 1.46 ETS 2 mods, Ets2 map, Euro truck simulator 2 mods What Is A 4.2 Engine This engine is characterized by its displacement of 4.2 liters,. Read about general reliability and common problems such as valve seat wear and. This engine's cylinder bore had a diameter of 3.81. How reliable is gm's 4.2 vortec engine? The ford 4.2l engine is a v6 configuration that boasts a strong reputation for delivering substantial power and torque. Ford 4.2. What Is A 4.2 Engine.
From www.emanualonline.com
Mercruiser GM 454 502 7.48.2 Engine 19982001 Full Service & Repair Manual What Is A 4.2 Engine Ford 4.2 v6 is a good engine due to its advanced features and significance. This engine's cylinder bore had a diameter of 3.81. How reliable is gm's 4.2 vortec engine? This engine is characterized by its displacement of 4.2 liters,. Read about general reliability and common problems such as valve seat wear and. The 4.2 vortec was the first atlas. What Is A 4.2 Engine.
From www.youtube.com
Learn about every Engine Layout in just one video VWXUH Engines YouTube What Is A 4.2 Engine This engine's cylinder bore had a diameter of 3.81. Ford 4.2 v6 is a good engine due to its advanced features and significance. This engine is characterized by its displacement of 4.2 liters,. How reliable is gm's 4.2 vortec engine? The 4.2 vortec was the first atlas engine to roll out of general motors production line, based on the gmt360. What Is A 4.2 Engine.
From www.dubizzle.com
Inline 4 Engine, Functions, Details & More What Is A 4.2 Engine How reliable is gm's 4.2 vortec engine? This engine is characterized by its displacement of 4.2 liters,. This engine's cylinder bore had a diameter of 3.81. The ford 4.2l engine is a v6 configuration that boasts a strong reputation for delivering substantial power and torque. Ford 4.2 v6 is a good engine due to its advanced features and significance. Read. What Is A 4.2 Engine.
From garagerepairinyalas123.z19.web.core.windows.net
Aluminum Small Block Ford Crate Engine What Is A 4.2 Engine Ford 4.2 v6 is a good engine due to its advanced features and significance. Read about general reliability and common problems such as valve seat wear and. This engine's cylinder bore had a diameter of 3.81. This engine is characterized by its displacement of 4.2 liters,. The ford 4.2l engine is a v6 configuration that boasts a strong reputation for. What Is A 4.2 Engine.
From ace-engines.com
600hp LS3 Turnkey crate engine Aspirated Engines ACE Racing What Is A 4.2 Engine The 4.2 vortec was the first atlas engine to roll out of general motors production line, based on the gmt360 platform. Ford 4.2 v6 is a good engine due to its advanced features and significance. This engine's cylinder bore had a diameter of 3.81. The ford 4.2l engine is a v6 configuration that boasts a strong reputation for delivering substantial. What Is A 4.2 Engine.
From fixrepairwirtz55.z19.web.core.windows.net
Rebuilt Ford 4.2 Engine What Is A 4.2 Engine The 4.2 vortec was the first atlas engine to roll out of general motors production line, based on the gmt360 platform. How reliable is gm's 4.2 vortec engine? Read about general reliability and common problems such as valve seat wear and. Ford 4.2 v6 is a good engine due to its advanced features and significance. The ford 4.2l engine is. What Is A 4.2 Engine.
From www.scribd.com
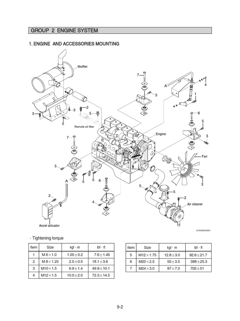
Group 2 Engine System PDF Engines Vehicles What Is A 4.2 Engine The 4.2 vortec was the first atlas engine to roll out of general motors production line, based on the gmt360 platform. How reliable is gm's 4.2 vortec engine? This engine is characterized by its displacement of 4.2 liters,. Read about general reliability and common problems such as valve seat wear and. This engine's cylinder bore had a diameter of 3.81.. What Is A 4.2 Engine.
From www.proformanceunlimited.com
LS3 376CI 540HP Crate Engine Proformance Unlimited Inc. What Is A 4.2 Engine The 4.2 vortec was the first atlas engine to roll out of general motors production line, based on the gmt360 platform. The ford 4.2l engine is a v6 configuration that boasts a strong reputation for delivering substantial power and torque. Ford 4.2 v6 is a good engine due to its advanced features and significance. This engine's cylinder bore had a. What Is A 4.2 Engine.
From workshopmanda14697l0x.z21.web.core.windows.net
Marine Power Marine Engines What Is A 4.2 Engine Read about general reliability and common problems such as valve seat wear and. This engine is characterized by its displacement of 4.2 liters,. The 4.2 vortec was the first atlas engine to roll out of general motors production line, based on the gmt360 platform. How reliable is gm's 4.2 vortec engine? This engine's cylinder bore had a diameter of 3.81.. What Is A 4.2 Engine.
From servicepartmanuals.com
Diagnostic Program JCB ServiceMaster4 V23.4.2 05.2023 What Is A 4.2 Engine Ford 4.2 v6 is a good engine due to its advanced features and significance. The ford 4.2l engine is a v6 configuration that boasts a strong reputation for delivering substantial power and torque. The 4.2 vortec was the first atlas engine to roll out of general motors production line, based on the gmt360 platform. How reliable is gm's 4.2 vortec. What Is A 4.2 Engine.
From h-cpc.cat.com
AP255E HCPC What Is A 4.2 Engine This engine is characterized by its displacement of 4.2 liters,. Ford 4.2 v6 is a good engine due to its advanced features and significance. Read about general reliability and common problems such as valve seat wear and. The ford 4.2l engine is a v6 configuration that boasts a strong reputation for delivering substantial power and torque. How reliable is gm's. What Is A 4.2 Engine.
From sinotrukhowo.cn
Howo 371 Engine100 highest quality product for you What Is A 4.2 Engine How reliable is gm's 4.2 vortec engine? This engine's cylinder bore had a diameter of 3.81. The ford 4.2l engine is a v6 configuration that boasts a strong reputation for delivering substantial power and torque. Read about general reliability and common problems such as valve seat wear and. This engine is characterized by its displacement of 4.2 liters,. Ford 4.2. What Is A 4.2 Engine.
From olddutchdiesel.com
New Diesel Engine PERKINS 4.318 KIT, VALVE TRAIN 4.318 PART PVTK408 For Sale Old Dutch Diesel What Is A 4.2 Engine The ford 4.2l engine is a v6 configuration that boasts a strong reputation for delivering substantial power and torque. Ford 4.2 v6 is a good engine due to its advanced features and significance. The 4.2 vortec was the first atlas engine to roll out of general motors production line, based on the gmt360 platform. This engine's cylinder bore had a. What Is A 4.2 Engine.
From www.scribd.com
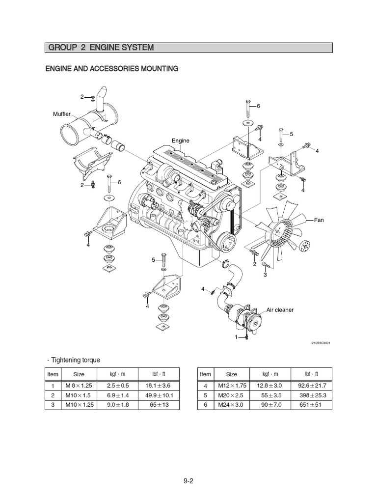
Group 2 Engine System PDF Engines Mechanical Engineering What Is A 4.2 Engine The ford 4.2l engine is a v6 configuration that boasts a strong reputation for delivering substantial power and torque. This engine's cylinder bore had a diameter of 3.81. Ford 4.2 v6 is a good engine due to its advanced features and significance. The 4.2 vortec was the first atlas engine to roll out of general motors production line, based on. What Is A 4.2 Engine.