Compressor Parts Of Ships . Whether it’s starting engines, supporting deck operations, or maintaining temperature control, air compressors play a critical role. The application of a marine air compressor can be divided into four components: Dive into the fascinating world of marine technology with our immersive 3d animated. Air compressors play a vital role in the operation of commercial vessels. Installed in the engine room, they provide compressed air for various. Marine air compressor is an extremely important auxiliary machinery on ships and other ocean going vessels. The air compressors on board ships (which in turn power functional uses and operations of the ships) are an indispensable. The main parts of the marine air compressor are: Let’s explore the different types of air compressors found on ships and their applications. It is made of graded cast iron and is accompanied with water. Each type of marine air compressor has its unique characteristics in terms of design, cooling method, and pressure range, allowing.
from reviewmotors.co
It is made of graded cast iron and is accompanied with water. Installed in the engine room, they provide compressed air for various. Air compressors play a vital role in the operation of commercial vessels. The main parts of the marine air compressor are: Dive into the fascinating world of marine technology with our immersive 3d animated. The application of a marine air compressor can be divided into four components: Let’s explore the different types of air compressors found on ships and their applications. Marine air compressor is an extremely important auxiliary machinery on ships and other ocean going vessels. The air compressors on board ships (which in turn power functional uses and operations of the ships) are an indispensable. Whether it’s starting engines, supporting deck operations, or maintaining temperature control, air compressors play a critical role.
Marine Air Compressor Parts And Function Reviewmotors.co
Compressor Parts Of Ships The application of a marine air compressor can be divided into four components: It is made of graded cast iron and is accompanied with water. The main parts of the marine air compressor are: Air compressors play a vital role in the operation of commercial vessels. The application of a marine air compressor can be divided into four components: Whether it’s starting engines, supporting deck operations, or maintaining temperature control, air compressors play a critical role. Marine air compressor is an extremely important auxiliary machinery on ships and other ocean going vessels. Installed in the engine room, they provide compressed air for various. The air compressors on board ships (which in turn power functional uses and operations of the ships) are an indispensable. Let’s explore the different types of air compressors found on ships and their applications. Dive into the fascinating world of marine technology with our immersive 3d animated. Each type of marine air compressor has its unique characteristics in terms of design, cooling method, and pressure range, allowing.
From maritimeducation.com
Air Compressors in Ships’ Engine Rooms Maritime Education Compressor Parts Of Ships Installed in the engine room, they provide compressed air for various. Air compressors play a vital role in the operation of commercial vessels. Dive into the fascinating world of marine technology with our immersive 3d animated. Each type of marine air compressor has its unique characteristics in terms of design, cooling method, and pressure range, allowing. The air compressors on. Compressor Parts Of Ships.
From marinengcalc.blogspot.com
Marine System Calculation of Air Compressor Compressor Parts Of Ships Installed in the engine room, they provide compressed air for various. Let’s explore the different types of air compressors found on ships and their applications. Air compressors play a vital role in the operation of commercial vessels. The main parts of the marine air compressor are: The application of a marine air compressor can be divided into four components: Marine. Compressor Parts Of Ships.
From www.pinterest.com
The Ultimate Guide to Air Compressors on Ships in 2020 Air compressor Compressor Parts Of Ships Each type of marine air compressor has its unique characteristics in terms of design, cooling method, and pressure range, allowing. Marine air compressor is an extremely important auxiliary machinery on ships and other ocean going vessels. Installed in the engine room, they provide compressed air for various. It is made of graded cast iron and is accompanied with water. The. Compressor Parts Of Ships.
From www.pinterest.com
The Basics of Air Compressor On a Ship Air compressor, Compressor Compressor Parts Of Ships Air compressors play a vital role in the operation of commercial vessels. Installed in the engine room, they provide compressed air for various. Dive into the fascinating world of marine technology with our immersive 3d animated. Whether it’s starting engines, supporting deck operations, or maintaining temperature control, air compressors play a critical role. The application of a marine air compressor. Compressor Parts Of Ships.
From www.marineinsight.com
The Ultimate Guide to Air Compressors on Ships Compressor Parts Of Ships Marine air compressor is an extremely important auxiliary machinery on ships and other ocean going vessels. The main parts of the marine air compressor are: The air compressors on board ships (which in turn power functional uses and operations of the ships) are an indispensable. Whether it’s starting engines, supporting deck operations, or maintaining temperature control, air compressors play a. Compressor Parts Of Ships.
From www.artofit.org
The ultimate guide to air compressors on ships Artofit Compressor Parts Of Ships Dive into the fascinating world of marine technology with our immersive 3d animated. Let’s explore the different types of air compressors found on ships and their applications. Installed in the engine room, they provide compressed air for various. The application of a marine air compressor can be divided into four components: The air compressors on board ships (which in turn. Compressor Parts Of Ships.
From marinetrainers.blogspot.com
Compressed Air Line On Ships A General Overview Compressor Parts Of Ships Dive into the fascinating world of marine technology with our immersive 3d animated. The air compressors on board ships (which in turn power functional uses and operations of the ships) are an indispensable. Air compressors play a vital role in the operation of commercial vessels. Each type of marine air compressor has its unique characteristics in terms of design, cooling. Compressor Parts Of Ships.
From www.pinterest.co.uk
TechnoGraphics Marine Main Air Compressor. For more Info and Techno Compressor Parts Of Ships Let’s explore the different types of air compressors found on ships and their applications. Marine air compressor is an extremely important auxiliary machinery on ships and other ocean going vessels. Each type of marine air compressor has its unique characteristics in terms of design, cooling method, and pressure range, allowing. The air compressors on board ships (which in turn power. Compressor Parts Of Ships.
From www.marineinsight.com
Marine Air Compressor Maintenance Things You Must Know About Compressor Parts Of Ships Whether it’s starting engines, supporting deck operations, or maintaining temperature control, air compressors play a critical role. It is made of graded cast iron and is accompanied with water. Each type of marine air compressor has its unique characteristics in terms of design, cooling method, and pressure range, allowing. The application of a marine air compressor can be divided into. Compressor Parts Of Ships.
From reviewmotors.co
Marine Air Compressor Parts And Function Reviewmotors.co Compressor Parts Of Ships The application of a marine air compressor can be divided into four components: Air compressors play a vital role in the operation of commercial vessels. Marine air compressor is an extremely important auxiliary machinery on ships and other ocean going vessels. Whether it’s starting engines, supporting deck operations, or maintaining temperature control, air compressors play a critical role. The air. Compressor Parts Of Ships.
From 640orfree.com
Parts Of An Air Compressor Diagram Guide Air Compressor Parts List Compressor Parts Of Ships Air compressors play a vital role in the operation of commercial vessels. Installed in the engine room, they provide compressed air for various. The air compressors on board ships (which in turn power functional uses and operations of the ships) are an indispensable. It is made of graded cast iron and is accompanied with water. Each type of marine air. Compressor Parts Of Ships.
From www.youtube.com
How the AIR COMPRESSOR working onboard ship just for view YouTube Compressor Parts Of Ships The application of a marine air compressor can be divided into four components: Let’s explore the different types of air compressors found on ships and their applications. Whether it’s starting engines, supporting deck operations, or maintaining temperature control, air compressors play a critical role. The main parts of the marine air compressor are: Installed in the engine room, they provide. Compressor Parts Of Ships.
From www.marineinsight.com
Different Parts of a Marine Air Compressor used on Ship Compressor Parts Of Ships The air compressors on board ships (which in turn power functional uses and operations of the ships) are an indispensable. Air compressors play a vital role in the operation of commercial vessels. Let’s explore the different types of air compressors found on ships and their applications. Installed in the engine room, they provide compressed air for various. Each type of. Compressor Parts Of Ships.
From www.rasmech.com
Rotary Screw Air Compressor Basics Rasmussen Mechanical Compressor Parts Of Ships The main parts of the marine air compressor are: The air compressors on board ships (which in turn power functional uses and operations of the ships) are an indispensable. Whether it’s starting engines, supporting deck operations, or maintaining temperature control, air compressors play a critical role. Marine air compressor is an extremely important auxiliary machinery on ships and other ocean. Compressor Parts Of Ships.
From www.marineinsight.com
The Basics of Air Compressor On a Ship Compressor Parts Of Ships Marine air compressor is an extremely important auxiliary machinery on ships and other ocean going vessels. Air compressors play a vital role in the operation of commercial vessels. Let’s explore the different types of air compressors found on ships and their applications. Each type of marine air compressor has its unique characteristics in terms of design, cooling method, and pressure. Compressor Parts Of Ships.
From www.marineengineersknowledge.com
Working principles of multistage compressors on board ship Marine Compressor Parts Of Ships Air compressors play a vital role in the operation of commercial vessels. The air compressors on board ships (which in turn power functional uses and operations of the ships) are an indispensable. It is made of graded cast iron and is accompanied with water. Installed in the engine room, they provide compressed air for various. Dive into the fascinating world. Compressor Parts Of Ships.
From www.marineengineersknowledge.com
Working principles of multistage compressors on board ship Marine Compressor Parts Of Ships Let’s explore the different types of air compressors found on ships and their applications. The application of a marine air compressor can be divided into four components: Air compressors play a vital role in the operation of commercial vessels. Installed in the engine room, they provide compressed air for various. The main parts of the marine air compressor are: Marine. Compressor Parts Of Ships.
From reviewmotors.co
Marine Air Compressor Parts And Function Reviewmotors.co Compressor Parts Of Ships Whether it’s starting engines, supporting deck operations, or maintaining temperature control, air compressors play a critical role. The main parts of the marine air compressor are: It is made of graded cast iron and is accompanied with water. Marine air compressor is an extremely important auxiliary machinery on ships and other ocean going vessels. The application of a marine air. Compressor Parts Of Ships.
From reviewmotors.co
Marine Air Compressor Parts And Function Reviewmotors.co Compressor Parts Of Ships Dive into the fascinating world of marine technology with our immersive 3d animated. It is made of graded cast iron and is accompanied with water. The application of a marine air compressor can be divided into four components: Marine air compressor is an extremely important auxiliary machinery on ships and other ocean going vessels. Installed in the engine room, they. Compressor Parts Of Ships.
From www.sauercompressors.com
Sauer WP5000 the naval compressor Sauer Compressors Compressor Parts Of Ships Installed in the engine room, they provide compressed air for various. Let’s explore the different types of air compressors found on ships and their applications. The air compressors on board ships (which in turn power functional uses and operations of the ships) are an indispensable. Each type of marine air compressor has its unique characteristics in terms of design, cooling. Compressor Parts Of Ships.
From www.mechanical-knowledge.com
RECIPROCATING COMPRESSORS DEFINITION, TYPES, WORKING Compressor Parts Of Ships Each type of marine air compressor has its unique characteristics in terms of design, cooling method, and pressure range, allowing. It is made of graded cast iron and is accompanied with water. Dive into the fascinating world of marine technology with our immersive 3d animated. The application of a marine air compressor can be divided into four components: The air. Compressor Parts Of Ships.
From www.marineinsight.com
The Basics of Air Compressor On a Ship Compressor Parts Of Ships The air compressors on board ships (which in turn power functional uses and operations of the ships) are an indispensable. The main parts of the marine air compressor are: It is made of graded cast iron and is accompanied with water. Installed in the engine room, they provide compressed air for various. Dive into the fascinating world of marine technology. Compressor Parts Of Ships.
From thepipingtalk.com
Centrifugal compressor parts & their function The piping talk Compressor Parts Of Ships Whether it’s starting engines, supporting deck operations, or maintaining temperature control, air compressors play a critical role. It is made of graded cast iron and is accompanied with water. The air compressors on board ships (which in turn power functional uses and operations of the ships) are an indispensable. Each type of marine air compressor has its unique characteristics in. Compressor Parts Of Ships.
From dimensipelaut.blogspot.com
Type of Compressor Used in Ships Dimensi pelaut Compressor Parts Of Ships Each type of marine air compressor has its unique characteristics in terms of design, cooling method, and pressure range, allowing. Whether it’s starting engines, supporting deck operations, or maintaining temperature control, air compressors play a critical role. Dive into the fascinating world of marine technology with our immersive 3d animated. The air compressors on board ships (which in turn power. Compressor Parts Of Ships.
From reviewmotors.co
Marine Air Compressor Parts And Function Reviewmotors.co Compressor Parts Of Ships Let’s explore the different types of air compressors found on ships and their applications. The main parts of the marine air compressor are: The air compressors on board ships (which in turn power functional uses and operations of the ships) are an indispensable. Marine air compressor is an extremely important auxiliary machinery on ships and other ocean going vessels. Dive. Compressor Parts Of Ships.
From www.marineengineersknowledge.com
Know about air compressors on board ships Marine engineers knowledge Compressor Parts Of Ships Marine air compressor is an extremely important auxiliary machinery on ships and other ocean going vessels. The air compressors on board ships (which in turn power functional uses and operations of the ships) are an indispensable. Installed in the engine room, they provide compressed air for various. Dive into the fascinating world of marine technology with our immersive 3d animated.. Compressor Parts Of Ships.
From www.youtube.com
Main Air Compressor On Ships, [Part2] YouTube Compressor Parts Of Ships Whether it’s starting engines, supporting deck operations, or maintaining temperature control, air compressors play a critical role. It is made of graded cast iron and is accompanied with water. The application of a marine air compressor can be divided into four components: Each type of marine air compressor has its unique characteristics in terms of design, cooling method, and pressure. Compressor Parts Of Ships.
From www.danfoss.com
Components for air compressors in marine applications Danfoss Compressor Parts Of Ships Let’s explore the different types of air compressors found on ships and their applications. Installed in the engine room, they provide compressed air for various. Whether it’s starting engines, supporting deck operations, or maintaining temperature control, air compressors play a critical role. The air compressors on board ships (which in turn power functional uses and operations of the ships) are. Compressor Parts Of Ships.
From www.artofit.org
Different parts of a marine air compressor used on ship Artofit Compressor Parts Of Ships Each type of marine air compressor has its unique characteristics in terms of design, cooling method, and pressure range, allowing. Let’s explore the different types of air compressors found on ships and their applications. Installed in the engine room, they provide compressed air for various. The application of a marine air compressor can be divided into four components: Marine air. Compressor Parts Of Ships.
From breezemarine.eu
Types of compressors used on ships Compressor Parts Of Ships The air compressors on board ships (which in turn power functional uses and operations of the ships) are an indispensable. The application of a marine air compressor can be divided into four components: Installed in the engine room, they provide compressed air for various. The main parts of the marine air compressor are: Air compressors play a vital role in. Compressor Parts Of Ships.
From www.marineinsight.com
The Basics of Air Compressor On a Ship Compressor Parts Of Ships The main parts of the marine air compressor are: Whether it’s starting engines, supporting deck operations, or maintaining temperature control, air compressors play a critical role. Air compressors play a vital role in the operation of commercial vessels. It is made of graded cast iron and is accompanied with water. The application of a marine air compressor can be divided. Compressor Parts Of Ships.
From www.marineengineersknowledge.com
Working principles of multistage compressors on board ship Marine Compressor Parts Of Ships Installed in the engine room, they provide compressed air for various. It is made of graded cast iron and is accompanied with water. The main parts of the marine air compressor are: The application of a marine air compressor can be divided into four components: Dive into the fascinating world of marine technology with our immersive 3d animated. Air compressors. Compressor Parts Of Ships.
From www.pinterest.pt
A marine air compressor provides compressed air for various purposes on Compressor Parts Of Ships Air compressors play a vital role in the operation of commercial vessels. Dive into the fascinating world of marine technology with our immersive 3d animated. It is made of graded cast iron and is accompanied with water. The main parts of the marine air compressor are: Let’s explore the different types of air compressors found on ships and their applications.. Compressor Parts Of Ships.
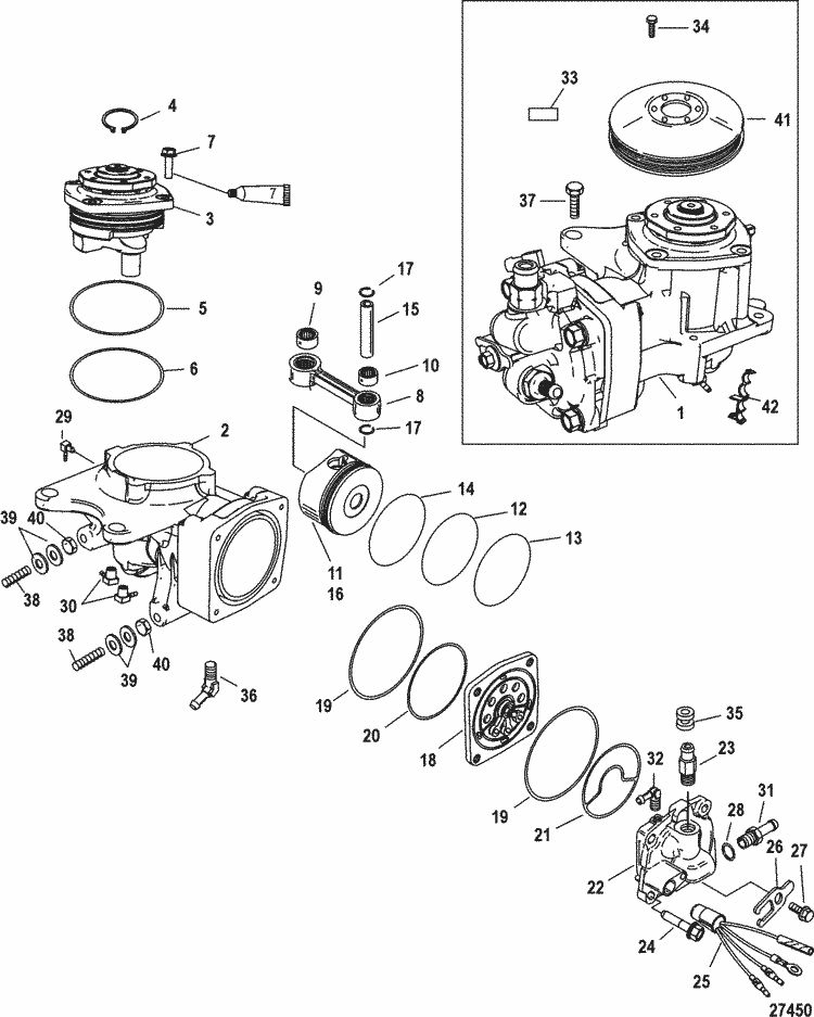
From www.marineengine.com
Mercury Marine 150 HP Pro XS (2.5L) Air Compressor Components Parts Compressor Parts Of Ships Installed in the engine room, they provide compressed air for various. Marine air compressor is an extremely important auxiliary machinery on ships and other ocean going vessels. The main parts of the marine air compressor are: It is made of graded cast iron and is accompanied with water. Each type of marine air compressor has its unique characteristics in terms. Compressor Parts Of Ships.
From www.youtube.com
Marine Air Compressor Parts and Operation Explained 3D Animated Compressor Parts Of Ships The main parts of the marine air compressor are: Let’s explore the different types of air compressors found on ships and their applications. Dive into the fascinating world of marine technology with our immersive 3d animated. Marine air compressor is an extremely important auxiliary machinery on ships and other ocean going vessels. Air compressors play a vital role in the. Compressor Parts Of Ships.