Trunnion Pipe . In support design, there are various types of support in piping that help pipes for their stability and poisonings. A trunnion is a piece of pipe that you weld to vertical piping in order to add support. 1) is the responsibility of the piping team. Without support, vertical piping can lose stability. Trunnions are essentially short sections of pipe welded to the elbow section or side of a pipe that allow it to rest on structural. Pipe trunnions are used in instances where little or no movement occurs in the piping. A trunnion is a dummy pipe branch directly welded to the main pipe, as shown below. A trunnion pipe support is a pipe support that reinforces pipe sections and stabilizes piping systems. Some of the individual support. Pipe supports that are directly attached to the pipe are called primary pipe supports. The other end of the branch is rested on the secondary support. Pipe trunnions could refer to a variety of supports that mainly functionto support the pipe weight and generally used where little or no pipe movement is. For example, shoe support , clamp support, guide support, line stop support, trunnion support , etc. The design and selection of primary pipe support (fig.
from www.youtube.com
The design and selection of primary pipe support (fig. Some of the individual support. A trunnion is a piece of pipe that you weld to vertical piping in order to add support. Pipe trunnions could refer to a variety of supports that mainly functionto support the pipe weight and generally used where little or no pipe movement is. A trunnion pipe support is a pipe support that reinforces pipe sections and stabilizes piping systems. 1) is the responsibility of the piping team. A trunnion is a dummy pipe branch directly welded to the main pipe, as shown below. Trunnions are essentially short sections of pipe welded to the elbow section or side of a pipe that allow it to rest on structural. The other end of the branch is rested on the secondary support. For example, shoe support , clamp support, guide support, line stop support, trunnion support , etc.
ANSYS WORKBENCH PIPE TRUNNION SUPPORT ANALYSISFEA YouTube
Trunnion Pipe 1) is the responsibility of the piping team. Pipe trunnions could refer to a variety of supports that mainly functionto support the pipe weight and generally used where little or no pipe movement is. Pipe trunnions are used in instances where little or no movement occurs in the piping. For example, shoe support , clamp support, guide support, line stop support, trunnion support , etc. Trunnions are essentially short sections of pipe welded to the elbow section or side of a pipe that allow it to rest on structural. A trunnion pipe support is a pipe support that reinforces pipe sections and stabilizes piping systems. A trunnion is a dummy pipe branch directly welded to the main pipe, as shown below. In support design, there are various types of support in piping that help pipes for their stability and poisonings. 1) is the responsibility of the piping team. The design and selection of primary pipe support (fig. A trunnion is a piece of pipe that you weld to vertical piping in order to add support. Pipe supports that are directly attached to the pipe are called primary pipe supports. Without support, vertical piping can lose stability. The other end of the branch is rested on the secondary support. Some of the individual support.
From piping-knowledge.blogspot.com
PIPING SUPPORT PIPINGKNOWLEDGE Trunnion Pipe For example, shoe support , clamp support, guide support, line stop support, trunnion support , etc. 1) is the responsibility of the piping team. Without support, vertical piping can lose stability. Pipe trunnions could refer to a variety of supports that mainly functionto support the pipe weight and generally used where little or no pipe movement is. The design and. Trunnion Pipe.
From www.carrlane.com
What are Trunnions? Carr Lane Mfg. Trunnion Pipe Trunnions are essentially short sections of pipe welded to the elbow section or side of a pipe that allow it to rest on structural. The other end of the branch is rested on the secondary support. A trunnion is a piece of pipe that you weld to vertical piping in order to add support. Pipe supports that are directly attached. Trunnion Pipe.
From rpscomposites.com
Considerations for Proper Support of FRP Piping RPS Composites Trunnion Pipe A trunnion pipe support is a pipe support that reinforces pipe sections and stabilizes piping systems. A trunnion is a piece of pipe that you weld to vertical piping in order to add support. A trunnion is a dummy pipe branch directly welded to the main pipe, as shown below. 1) is the responsibility of the piping team. The design. Trunnion Pipe.
From whatispiping.com
Pipe Trunnion or Dummy Support and Their Stress Calculation What Is Piping Trunnion Pipe 1) is the responsibility of the piping team. Trunnions are essentially short sections of pipe welded to the elbow section or side of a pipe that allow it to rest on structural. In support design, there are various types of support in piping that help pipes for their stability and poisonings. For example, shoe support , clamp support, guide support,. Trunnion Pipe.
From informacionpublica.svet.gob.gt
What Is A Trunnion Support In Piping? Trunnion Pipe In support design, there are various types of support in piping that help pipes for their stability and poisonings. A trunnion pipe support is a pipe support that reinforces pipe sections and stabilizes piping systems. 1) is the responsibility of the piping team. A trunnion is a dummy pipe branch directly welded to the main pipe, as shown below. A. Trunnion Pipe.
From www.scribd.com
StdSpTrunnion PipeModel PDF Trunnion Pipe A trunnion pipe support is a pipe support that reinforces pipe sections and stabilizes piping systems. For example, shoe support , clamp support, guide support, line stop support, trunnion support , etc. Pipe trunnions could refer to a variety of supports that mainly functionto support the pipe weight and generally used where little or no pipe movement is. A trunnion. Trunnion Pipe.
From www.zerust-oilgas.com
Zerion TR Product Details Trunnion Pipe Without support, vertical piping can lose stability. 1) is the responsibility of the piping team. A trunnion is a piece of pipe that you weld to vertical piping in order to add support. Pipe trunnions could refer to a variety of supports that mainly functionto support the pipe weight and generally used where little or no pipe movement is. The. Trunnion Pipe.
From www.eaton.com
Clevis hangers Pipe trunnion Clevis support Eaton Trunnion Pipe A trunnion is a dummy pipe branch directly welded to the main pipe, as shown below. Pipe trunnions are used in instances where little or no movement occurs in the piping. 1) is the responsibility of the piping team. The design and selection of primary pipe support (fig. Without support, vertical piping can lose stability. The other end of the. Trunnion Pipe.
From www.youtube.com
Dummy Support Center Formula & Trunnion Support Center Formula/Dummy Pipe Support Center to Trunnion Pipe Some of the individual support. The design and selection of primary pipe support (fig. Pipe trunnions are used in instances where little or no movement occurs in the piping. A trunnion is a piece of pipe that you weld to vertical piping in order to add support. A trunnion pipe support is a pipe support that reinforces pipe sections and. Trunnion Pipe.
From whatispiping.com
Pipe Trunnion or Dummy Support and Their Stress Calculation What Is Piping Trunnion Pipe Some of the individual support. For example, shoe support , clamp support, guide support, line stop support, trunnion support , etc. A trunnion pipe support is a pipe support that reinforces pipe sections and stabilizes piping systems. Trunnions are essentially short sections of pipe welded to the elbow section or side of a pipe that allow it to rest on. Trunnion Pipe.
From www.teamdeltausa.com
Dummy Legs / Trunnions Delta Machine & Ironworks Trunnion Pipe A trunnion pipe support is a pipe support that reinforces pipe sections and stabilizes piping systems. The design and selection of primary pipe support (fig. Trunnions are essentially short sections of pipe welded to the elbow section or side of a pipe that allow it to rest on structural. A trunnion is a piece of pipe that you weld to. Trunnion Pipe.
From hardhatengineer.com
Types of Pipe Support Use in Oil and Gas Pipeline A Complete Overview Trunnion Pipe The other end of the branch is rested on the secondary support. Pipe trunnions could refer to a variety of supports that mainly functionto support the pipe weight and generally used where little or no pipe movement is. For example, shoe support , clamp support, guide support, line stop support, trunnion support , etc. Some of the individual support. Pipe. Trunnion Pipe.
From delta-fea.co.uk
Pipe Trunnions (Straight pipe) Delta FEA Trunnion Pipe Some of the individual support. A trunnion is a dummy pipe branch directly welded to the main pipe, as shown below. For example, shoe support , clamp support, guide support, line stop support, trunnion support , etc. The design and selection of primary pipe support (fig. A trunnion is a piece of pipe that you weld to vertical piping in. Trunnion Pipe.
From www.appmfg.com
What Is a Trunnion Support in Piping? Trunnion Pipe Some of the individual support. A trunnion is a piece of pipe that you weld to vertical piping in order to add support. In support design, there are various types of support in piping that help pipes for their stability and poisonings. The design and selection of primary pipe support (fig. A trunnion pipe support is a pipe support that. Trunnion Pipe.
From www.flickr.com
Trunnions Designed for a Cryogenic Pipeline at an LNG Faci… Flickr Trunnion Pipe The design and selection of primary pipe support (fig. A trunnion is a dummy pipe branch directly welded to the main pipe, as shown below. Pipe trunnions could refer to a variety of supports that mainly functionto support the pipe weight and generally used where little or no pipe movement is. For example, shoe support , clamp support, guide support,. Trunnion Pipe.
From www.youtube.com
trunnion pipe support YouTube Trunnion Pipe Pipe supports that are directly attached to the pipe are called primary pipe supports. A trunnion is a dummy pipe branch directly welded to the main pipe, as shown below. Some of the individual support. Pipe trunnions are used in instances where little or no movement occurs in the piping. For example, shoe support , clamp support, guide support, line. Trunnion Pipe.
From mungfali.com
Trunnion Pipe Trunnion Pipe Trunnions are essentially short sections of pipe welded to the elbow section or side of a pipe that allow it to rest on structural. The design and selection of primary pipe support (fig. The other end of the branch is rested on the secondary support. Pipe trunnions could refer to a variety of supports that mainly functionto support the pipe. Trunnion Pipe.
From www.youtube.com
HOW TO MODEL THE TRUNNION PIPE SUPPORT/ DUMMY PIPE SUPPORT IN CAESAR II & TRUNNION STRENGTH Trunnion Pipe 1) is the responsibility of the piping team. A trunnion is a piece of pipe that you weld to vertical piping in order to add support. In support design, there are various types of support in piping that help pipes for their stability and poisonings. Pipe trunnions are used in instances where little or no movement occurs in the piping.. Trunnion Pipe.
From delta-fea.co.uk
Pipe Trunnions (Straight pipe) Delta FEA Trunnion Pipe For example, shoe support , clamp support, guide support, line stop support, trunnion support , etc. Without support, vertical piping can lose stability. Pipe supports that are directly attached to the pipe are called primary pipe supports. The design and selection of primary pipe support (fig. The other end of the branch is rested on the secondary support. A trunnion. Trunnion Pipe.
From www.teamdeltausa.com
Dummy Legs / Trunnions Delta Machine & Ironworks Trunnion Pipe Pipe trunnions could refer to a variety of supports that mainly functionto support the pipe weight and generally used where little or no pipe movement is. The other end of the branch is rested on the secondary support. Without support, vertical piping can lose stability. A trunnion is a dummy pipe branch directly welded to the main pipe, as shown. Trunnion Pipe.
From delta-fea.co.uk
Pipe Trunnions (Straight pipe) Delta FEA Trunnion Pipe In support design, there are various types of support in piping that help pipes for their stability and poisonings. A trunnion pipe support is a pipe support that reinforces pipe sections and stabilizes piping systems. The design and selection of primary pipe support (fig. For example, shoe support , clamp support, guide support, line stop support, trunnion support , etc.. Trunnion Pipe.
From www.teamdeltausa.com
Dummy Legs / Trunnions Delta Machine & Ironworks Trunnion Pipe 1) is the responsibility of the piping team. A trunnion is a dummy pipe branch directly welded to the main pipe, as shown below. Pipe trunnions are used in instances where little or no movement occurs in the piping. Trunnions are essentially short sections of pipe welded to the elbow section or side of a pipe that allow it to. Trunnion Pipe.
From a-1sheetmetal.com
Trunnion Pipe Support 24 inch Diameter A1 Sheet Metal and A/C, Inc. Trunnion Pipe Some of the individual support. In support design, there are various types of support in piping that help pipes for their stability and poisonings. Pipe trunnions are used in instances where little or no movement occurs in the piping. Without support, vertical piping can lose stability. The other end of the branch is rested on the secondary support. Pipe supports. Trunnion Pipe.
From delta-fea.co.uk
Pipe Trunnions (Straight pipe) Delta FEA Trunnion Pipe For example, shoe support , clamp support, guide support, line stop support, trunnion support , etc. The other end of the branch is rested on the secondary support. Trunnions are essentially short sections of pipe welded to the elbow section or side of a pipe that allow it to rest on structural. A trunnion is a dummy pipe branch directly. Trunnion Pipe.
From www.eaton.com
Clevis hangers Pipe trunnion Clevis support Eaton Trunnion Pipe 1) is the responsibility of the piping team. Pipe supports that are directly attached to the pipe are called primary pipe supports. A trunnion pipe support is a pipe support that reinforces pipe sections and stabilizes piping systems. For example, shoe support , clamp support, guide support, line stop support, trunnion support , etc. Pipe trunnions could refer to a. Trunnion Pipe.
From mungfali.com
Trunnion Pipe Trunnion Pipe Some of the individual support. A trunnion pipe support is a pipe support that reinforces pipe sections and stabilizes piping systems. 1) is the responsibility of the piping team. A trunnion is a dummy pipe branch directly welded to the main pipe, as shown below. Pipe supports that are directly attached to the pipe are called primary pipe supports. For. Trunnion Pipe.
From www.youtube.com
tunion Support 2 YouTube Trunnion Pipe A trunnion is a dummy pipe branch directly welded to the main pipe, as shown below. Pipe trunnions could refer to a variety of supports that mainly functionto support the pipe weight and generally used where little or no pipe movement is. 1) is the responsibility of the piping team. Some of the individual support. Pipe supports that are directly. Trunnion Pipe.
From www.appmfg.com
FAQ The Difference Between Trunnions and Dummy Legs Trunnion Pipe A trunnion pipe support is a pipe support that reinforces pipe sections and stabilizes piping systems. Pipe supports that are directly attached to the pipe are called primary pipe supports. The design and selection of primary pipe support (fig. Pipe trunnions could refer to a variety of supports that mainly functionto support the pipe weight and generally used where little. Trunnion Pipe.
From www.youtube.com
ANSYS WORKBENCH PIPE TRUNNION SUPPORT ANALYSISFEA YouTube Trunnion Pipe Without support, vertical piping can lose stability. Some of the individual support. Pipe supports that are directly attached to the pipe are called primary pipe supports. The design and selection of primary pipe support (fig. A trunnion pipe support is a pipe support that reinforces pipe sections and stabilizes piping systems. Pipe trunnions could refer to a variety of supports. Trunnion Pipe.
From pipingtech.com
PreInsulated Pipe Supports Piping Technology & Products, Inc. Trunnion Pipe 1) is the responsibility of the piping team. The design and selection of primary pipe support (fig. A trunnion is a piece of pipe that you weld to vertical piping in order to add support. A trunnion pipe support is a pipe support that reinforces pipe sections and stabilizes piping systems. Pipe trunnions could refer to a variety of supports. Trunnion Pipe.
From www.scribd.com
Trunnion Calc r6 Bending Pipe (Fluid Conveyance) Trunnion Pipe 1) is the responsibility of the piping team. In support design, there are various types of support in piping that help pipes for their stability and poisonings. A trunnion pipe support is a pipe support that reinforces pipe sections and stabilizes piping systems. A trunnion is a dummy pipe branch directly welded to the main pipe, as shown below. Pipe. Trunnion Pipe.
From www.pipingtech.com
Adjustable Base Supports and Flanged Trunnions for Cold Piping Trunnion Pipe Some of the individual support. Pipe trunnions are used in instances where little or no movement occurs in the piping. A trunnion is a dummy pipe branch directly welded to the main pipe, as shown below. Pipe trunnions could refer to a variety of supports that mainly functionto support the pipe weight and generally used where little or no pipe. Trunnion Pipe.
From delta-fea.co.uk
Pipe Trunnions (Straight pipe) Delta FEA Trunnion Pipe For example, shoe support , clamp support, guide support, line stop support, trunnion support , etc. The other end of the branch is rested on the secondary support. A trunnion is a piece of pipe that you weld to vertical piping in order to add support. Pipe trunnions could refer to a variety of supports that mainly functionto support the. Trunnion Pipe.
From mungfali.com
Trunnion Pipe Trunnion Pipe Some of the individual support. Pipe supports that are directly attached to the pipe are called primary pipe supports. The design and selection of primary pipe support (fig. Pipe trunnions could refer to a variety of supports that mainly functionto support the pipe weight and generally used where little or no pipe movement is. A trunnion pipe support is a. Trunnion Pipe.
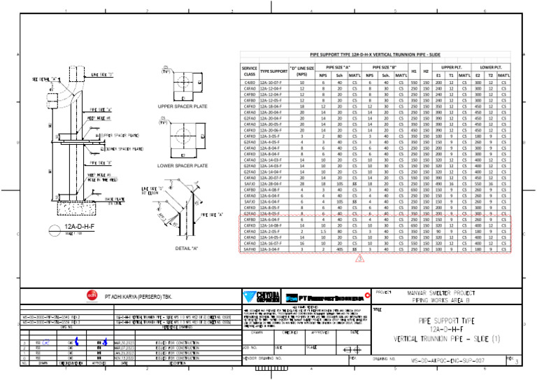
From www.scribd.com
TYPE 12DHX = VERTICAL TRUNNION PIPESLIDE R3_(1 of 10) PDF Trunnion Pipe In support design, there are various types of support in piping that help pipes for their stability and poisonings. 1) is the responsibility of the piping team. A trunnion pipe support is a pipe support that reinforces pipe sections and stabilizes piping systems. A trunnion is a dummy pipe branch directly welded to the main pipe, as shown below. Some. Trunnion Pipe.