Pin The Crank . a crankpin is the part of the crank of a crankshaft to which the connecting rod is attached. the distance between the center of the main journal and the center of the crankshaft pin is called the crank radius, also called the crank throw. This measurement determines the range of piston travel as the crankshaft rotates In contrast to a piston pin, which connects two parts within an individual cylinder, a crank. — what does a crank pin do? — when adding more power to a ls engine, especially a force induction setup. — the crankshaft pin, also known as the wrist pin or gudgeon pin, is a crucial component in internal combustion engines.
from marinersgalaxy.com
— the crankshaft pin, also known as the wrist pin or gudgeon pin, is a crucial component in internal combustion engines. the distance between the center of the main journal and the center of the crankshaft pin is called the crank radius, also called the crank throw. — what does a crank pin do? In contrast to a piston pin, which connects two parts within an individual cylinder, a crank. a crankpin is the part of the crank of a crankshaft to which the connecting rod is attached. — when adding more power to a ls engine, especially a force induction setup. This measurement determines the range of piston travel as the crankshaft rotates
Crank pin Details marinersgalaxy
Pin The Crank the distance between the center of the main journal and the center of the crankshaft pin is called the crank radius, also called the crank throw. — when adding more power to a ls engine, especially a force induction setup. a crankpin is the part of the crank of a crankshaft to which the connecting rod is attached. the distance between the center of the main journal and the center of the crankshaft pin is called the crank radius, also called the crank throw. In contrast to a piston pin, which connects two parts within an individual cylinder, a crank. — the crankshaft pin, also known as the wrist pin or gudgeon pin, is a crucial component in internal combustion engines. — what does a crank pin do? This measurement determines the range of piston travel as the crankshaft rotates
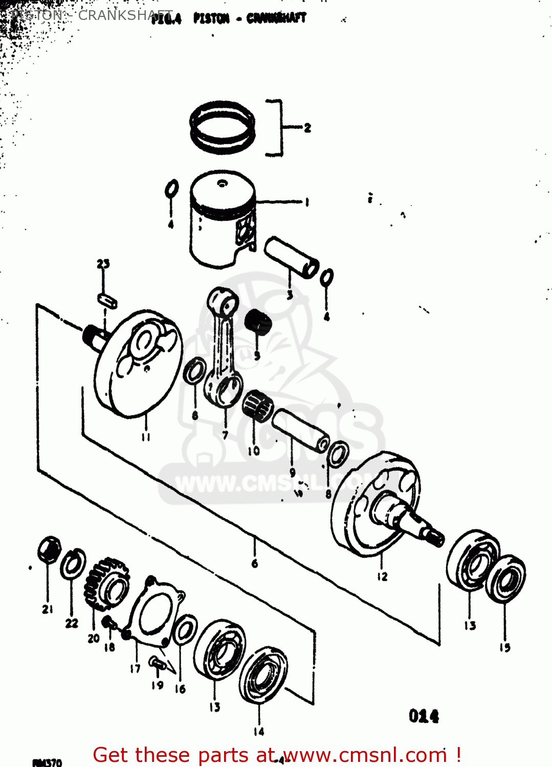
From www.cmsnl.com
1221044B01 Pin,crank Suzuki buy the 1221044B01 at CMSNL Pin The Crank a crankpin is the part of the crank of a crankshaft to which the connecting rod is attached. — the crankshaft pin, also known as the wrist pin or gudgeon pin, is a crucial component in internal combustion engines. This measurement determines the range of piston travel as the crankshaft rotates the distance between the center of. Pin The Crank.
From dir.indiamart.com
Crank Pin at Best Price in India Pin The Crank — when adding more power to a ls engine, especially a force induction setup. a crankpin is the part of the crank of a crankshaft to which the connecting rod is attached. In contrast to a piston pin, which connects two parts within an individual cylinder, a crank. the distance between the center of the main journal. Pin The Crank.
From www.cmsnl.com
13381GR1700 Pin,crank Honda buy the 13381GR1700 at CMSNL Pin The Crank the distance between the center of the main journal and the center of the crankshaft pin is called the crank radius, also called the crank throw. This measurement determines the range of piston travel as the crankshaft rotates — what does a crank pin do? — the crankshaft pin, also known as the wrist pin or gudgeon. Pin The Crank.
From www.indiamart.com
Newtek Auto Industries Bell Crank Pin, Size 20 mm to 50mm at Rs 80 Pin The Crank — what does a crank pin do? This measurement determines the range of piston travel as the crankshaft rotates the distance between the center of the main journal and the center of the crankshaft pin is called the crank radius, also called the crank throw. In contrast to a piston pin, which connects two parts within an individual. Pin The Crank.
From papasleather.com
Crank Pin Pin The Crank — what does a crank pin do? the distance between the center of the main journal and the center of the crankshaft pin is called the crank radius, also called the crank throw. a crankpin is the part of the crank of a crankshaft to which the connecting rod is attached. In contrast to a piston pin,. Pin The Crank.
From www.cmsnl.com
130350013 Pincrank Kawasaki buy the 130350013 at CMSNL Pin The Crank — what does a crank pin do? — the crankshaft pin, also known as the wrist pin or gudgeon pin, is a crucial component in internal combustion engines. In contrast to a piston pin, which connects two parts within an individual cylinder, a crank. This measurement determines the range of piston travel as the crankshaft rotates a. Pin The Crank.
From www.wisegeek.com
What is a Crank Pin? (with pictures) Pin The Crank In contrast to a piston pin, which connects two parts within an individual cylinder, a crank. — the crankshaft pin, also known as the wrist pin or gudgeon pin, is a crucial component in internal combustion engines. a crankpin is the part of the crank of a crankshaft to which the connecting rod is attached. the distance. Pin The Crank.
From www.cmsnl.com
4BN1168100 Pin, Crank 1 Yamaha buy the 4BN1168100 at CMSNL Pin The Crank — when adding more power to a ls engine, especially a force induction setup. a crankpin is the part of the crank of a crankshaft to which the connecting rod is attached. This measurement determines the range of piston travel as the crankshaft rotates — the crankshaft pin, also known as the wrist pin or gudgeon pin,. Pin The Crank.
From www.researchgate.net
The slidercrank mechanism. (a) The physical model of a slidercrank Pin The Crank a crankpin is the part of the crank of a crankshaft to which the connecting rod is attached. This measurement determines the range of piston travel as the crankshaft rotates the distance between the center of the main journal and the center of the crankshaft pin is called the crank radius, also called the crank throw. —. Pin The Crank.
From www.youtube.com
HOW TO PIN THE CRANKSUPERCHARGED LS (NO MORE SLIP = MORE BOOST AND HP Pin The Crank — the crankshaft pin, also known as the wrist pin or gudgeon pin, is a crucial component in internal combustion engines. a crankpin is the part of the crank of a crankshaft to which the connecting rod is attached. In contrast to a piston pin, which connects two parts within an individual cylinder, a crank. the distance. Pin The Crank.
From catalog.zodiac.nl
CRANK PIN FOR 2000 TO PRESENT SPORTSTER AND AIR COOL... Pin The Crank the distance between the center of the main journal and the center of the crankshaft pin is called the crank radius, also called the crank throw. a crankpin is the part of the crank of a crankshaft to which the connecting rod is attached. — when adding more power to a ls engine, especially a force induction. Pin The Crank.
From www.cmsnl.com
13381HA0300 Pin,crank Comp Honda buy the 13381HA0300 at CMSNL Pin The Crank In contrast to a piston pin, which connects two parts within an individual cylinder, a crank. — the crankshaft pin, also known as the wrist pin or gudgeon pin, is a crucial component in internal combustion engines. the distance between the center of the main journal and the center of the crankshaft pin is called the crank radius,. Pin The Crank.
From www.cmsnl.com
1221125H00 Pin,crank Suzuki buy the 1221125H00 at CMSNL Pin The Crank — when adding more power to a ls engine, especially a force induction setup. a crankpin is the part of the crank of a crankshaft to which the connecting rod is attached. — the crankshaft pin, also known as the wrist pin or gudgeon pin, is a crucial component in internal combustion engines. This measurement determines the. Pin The Crank.
From www.youtube.com
CRANK SHAFT CRANK THROWN CRANK WEB FUNCTION OF CRANK SHAFT Pin The Crank a crankpin is the part of the crank of a crankshaft to which the connecting rod is attached. — what does a crank pin do? — when adding more power to a ls engine, especially a force induction setup. This measurement determines the range of piston travel as the crankshaft rotates — the crankshaft pin, also. Pin The Crank.
From www.otomotifstudi.com
Representation of a Crankshaft and its Important Components, Engine Pin The Crank the distance between the center of the main journal and the center of the crankshaft pin is called the crank radius, also called the crank throw. — when adding more power to a ls engine, especially a force induction setup. This measurement determines the range of piston travel as the crankshaft rotates — what does a crank. Pin The Crank.
From www.cmsnl.com
13381GB1900 Pin,crank Honda buy the 13381GB1900 at CMSNL Pin The Crank the distance between the center of the main journal and the center of the crankshaft pin is called the crank radius, also called the crank throw. This measurement determines the range of piston travel as the crankshaft rotates a crankpin is the part of the crank of a crankshaft to which the connecting rod is attached. —. Pin The Crank.
From dxokvikeu.blob.core.windows.net
How Does A Journal Bearing Work at Deborah Davison blog Pin The Crank a crankpin is the part of the crank of a crankshaft to which the connecting rod is attached. — when adding more power to a ls engine, especially a force induction setup. the distance between the center of the main journal and the center of the crankshaft pin is called the crank radius, also called the crank. Pin The Crank.
From catalog.zodiac.nl
MCCLURE/ZODIAC CRANK PIN Zodiac Pin The Crank In contrast to a piston pin, which connects two parts within an individual cylinder, a crank. — what does a crank pin do? This measurement determines the range of piston travel as the crankshaft rotates a crankpin is the part of the crank of a crankshaft to which the connecting rod is attached. — when adding more. Pin The Crank.
From www.cmsnl.com
1221025C01 Pin,crank Suzuki buy the 1221025C01 at CMSNL Pin The Crank — when adding more power to a ls engine, especially a force induction setup. — the crankshaft pin, also known as the wrist pin or gudgeon pin, is a crucial component in internal combustion engines. a crankpin is the part of the crank of a crankshaft to which the connecting rod is attached. — what does. Pin The Crank.
From www.chegg.com
Solved The bellcrank mechanism is in equilibrium for an Pin The Crank — what does a crank pin do? the distance between the center of the main journal and the center of the crankshaft pin is called the crank radius, also called the crank throw. — when adding more power to a ls engine, especially a force induction setup. — the crankshaft pin, also known as the wrist. Pin The Crank.
From www.cmsnl.com
130350030 Pincrank Kawasaki buy the 130350030 at CMSNL Pin The Crank the distance between the center of the main journal and the center of the crankshaft pin is called the crank radius, also called the crank throw. a crankpin is the part of the crank of a crankshaft to which the connecting rod is attached. — the crankshaft pin, also known as the wrist pin or gudgeon pin,. Pin The Crank.
From dxosrbxio.blob.core.windows.net
What Is A Crank Throw at Courtney Gordon blog Pin The Crank — what does a crank pin do? — when adding more power to a ls engine, especially a force induction setup. In contrast to a piston pin, which connects two parts within an individual cylinder, a crank. a crankpin is the part of the crank of a crankshaft to which the connecting rod is attached. This measurement. Pin The Crank.
From marinersgalaxy.com
Crank pin Details marinersgalaxy Pin The Crank the distance between the center of the main journal and the center of the crankshaft pin is called the crank radius, also called the crank throw. This measurement determines the range of piston travel as the crankshaft rotates In contrast to a piston pin, which connects two parts within an individual cylinder, a crank. — when adding more. Pin The Crank.
From vulcanworks.net
Crank Pin 2 Hole, 2396180A, 198199 Big Twins Panhead \ Shovelhead Pin The Crank the distance between the center of the main journal and the center of the crankshaft pin is called the crank radius, also called the crank throw. In contrast to a piston pin, which connects two parts within an individual cylinder, a crank. — when adding more power to a ls engine, especially a force induction setup. This measurement. Pin The Crank.
From dir.indiamart.com
Crank Pin at Best Price in India Pin The Crank — when adding more power to a ls engine, especially a force induction setup. This measurement determines the range of piston travel as the crankshaft rotates — the crankshaft pin, also known as the wrist pin or gudgeon pin, is a crucial component in internal combustion engines. — what does a crank pin do? the distance. Pin The Crank.
From www.cmsnl.com
13381KCS650 Pin,crank Honda buy the 13381KCS650 at CMSNL Pin The Crank — what does a crank pin do? the distance between the center of the main journal and the center of the crankshaft pin is called the crank radius, also called the crank throw. This measurement determines the range of piston travel as the crankshaft rotates In contrast to a piston pin, which connects two parts within an individual. Pin The Crank.
From www.cmsnl.com
1221011H00 Pin,crank Suzuki buy the 1221011H00 at CMSNL Pin The Crank In contrast to a piston pin, which connects two parts within an individual cylinder, a crank. the distance between the center of the main journal and the center of the crankshaft pin is called the crank radius, also called the crank throw. — when adding more power to a ls engine, especially a force induction setup. —. Pin The Crank.
From www.cmsnl.com
1221114501 Pin,crank Suzuki buy the 1221114501 at CMSNL Pin The Crank — when adding more power to a ls engine, especially a force induction setup. the distance between the center of the main journal and the center of the crankshaft pin is called the crank radius, also called the crank throw. — the crankshaft pin, also known as the wrist pin or gudgeon pin, is a crucial component. Pin The Crank.
From www.hellcat.org
Pinning the Crank 'How to', Photos & Service Documents SRT Hellcat Pin The Crank This measurement determines the range of piston travel as the crankshaft rotates — the crankshaft pin, also known as the wrist pin or gudgeon pin, is a crucial component in internal combustion engines. — what does a crank pin do? a crankpin is the part of the crank of a crankshaft to which the connecting rod is. Pin The Crank.
From www.cmsnl.com
8H81168100 Pin, Crank Yamaha buy the 8H81168100 at CMSNL Pin The Crank — the crankshaft pin, also known as the wrist pin or gudgeon pin, is a crucial component in internal combustion engines. — what does a crank pin do? In contrast to a piston pin, which connects two parts within an individual cylinder, a crank. the distance between the center of the main journal and the center of. Pin The Crank.
From circuitengineglisk123.z13.web.core.windows.net
Jeep Crank Position Sensor Wiring Pin The Crank In contrast to a piston pin, which connects two parts within an individual cylinder, a crank. — when adding more power to a ls engine, especially a force induction setup. This measurement determines the range of piston travel as the crankshaft rotates — the crankshaft pin, also known as the wrist pin or gudgeon pin, is a crucial. Pin The Crank.
From rabaolida.en.made-in-china.com
Crank Pin China Crank Pin and pin Pin The Crank the distance between the center of the main journal and the center of the crankshaft pin is called the crank radius, also called the crank throw. In contrast to a piston pin, which connects two parts within an individual cylinder, a crank. — when adding more power to a ls engine, especially a force induction setup. —. Pin The Crank.
From www.cmsnl.com
13381GK4300 Pin,crank Honda buy the 13381GK4300 at CMSNL Pin The Crank In contrast to a piston pin, which connects two parts within an individual cylinder, a crank. This measurement determines the range of piston travel as the crankshaft rotates — the crankshaft pin, also known as the wrist pin or gudgeon pin, is a crucial component in internal combustion engines. the distance between the center of the main journal. Pin The Crank.
From www.cmsnl.com
1221141200A Pin,crank Suzuki buy the 1221141200 at CMSNL Pin The Crank This measurement determines the range of piston travel as the crankshaft rotates — when adding more power to a ls engine, especially a force induction setup. — what does a crank pin do? — the crankshaft pin, also known as the wrist pin or gudgeon pin, is a crucial component in internal combustion engines. the distance. Pin The Crank.
From www.athena.eu
Crankshaft, Pin Ø 12 mm Athena Pin The Crank This measurement determines the range of piston travel as the crankshaft rotates a crankpin is the part of the crank of a crankshaft to which the connecting rod is attached. In contrast to a piston pin, which connects two parts within an individual cylinder, a crank. — when adding more power to a ls engine, especially a force. Pin The Crank.