Land Rover Lr4 Manual . Iguide contains the very latest information for your vehicle and covers all derivatives and optional equipment, some of. workshop repair manual to suit land rover discovery 4 / lr4 vehicles up to my2011 including 2.7l lion tdv6, 3.0l lion tdv6,. — i had the service manual in electronic format for my l322 and was wondering if there is one for the lr4. land rover workshop manual and parts catalogue download pdf files for free, defender, discovery, range rover and. on this page you can view the land rover lr4 owner's manual online or download it in pdf format for free to your computer or. explore the features and accessories of our land rover suvs through our video guides and download vehicle manuals. land rover owner’s manuals owner's manuals in pdf! Visit our website to find out more. land rover iguide online. the 2015 land rover lr4 service and repair manual from repair surge is the ultimate reference guide.
from www.autorepairmanuals.ws
land rover iguide online. Visit our website to find out more. — i had the service manual in electronic format for my l322 and was wondering if there is one for the lr4. on this page you can view the land rover lr4 owner's manual online or download it in pdf format for free to your computer or. workshop repair manual to suit land rover discovery 4 / lr4 vehicles up to my2011 including 2.7l lion tdv6, 3.0l lion tdv6,. land rover owner’s manuals owner's manuals in pdf! Iguide contains the very latest information for your vehicle and covers all derivatives and optional equipment, some of. the 2015 land rover lr4 service and repair manual from repair surge is the ultimate reference guide. explore the features and accessories of our land rover suvs through our video guides and download vehicle manuals. land rover workshop manual and parts catalogue download pdf files for free, defender, discovery, range rover and.
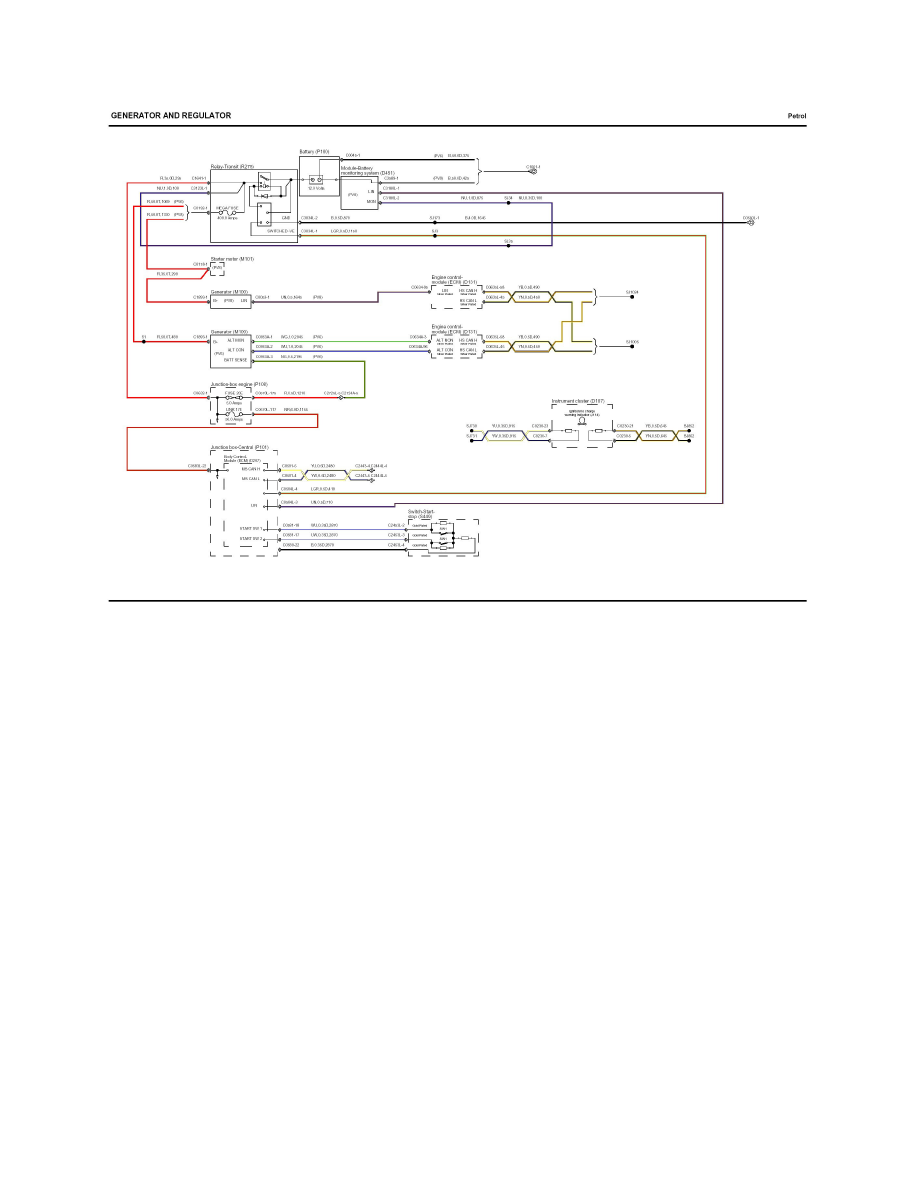
Landrover Ranger Rover L319_2014 DISCOVERY LR4_JLR 19 53 21_1E_Wiring
Land Rover Lr4 Manual — i had the service manual in electronic format for my l322 and was wondering if there is one for the lr4. the 2015 land rover lr4 service and repair manual from repair surge is the ultimate reference guide. Iguide contains the very latest information for your vehicle and covers all derivatives and optional equipment, some of. land rover owner’s manuals owner's manuals in pdf! — i had the service manual in electronic format for my l322 and was wondering if there is one for the lr4. workshop repair manual to suit land rover discovery 4 / lr4 vehicles up to my2011 including 2.7l lion tdv6, 3.0l lion tdv6,. explore the features and accessories of our land rover suvs through our video guides and download vehicle manuals. land rover workshop manual and parts catalogue download pdf files for free, defender, discovery, range rover and. land rover iguide online. Visit our website to find out more. on this page you can view the land rover lr4 owner's manual online or download it in pdf format for free to your computer or.
From dhtauto.com
Range Rover, LR4, Range Rover Sport Technical Training Automotive Land Rover Lr4 Manual on this page you can view the land rover lr4 owner's manual online or download it in pdf format for free to your computer or. land rover owner’s manuals owner's manuals in pdf! workshop repair manual to suit land rover discovery 4 / lr4 vehicles up to my2011 including 2.7l lion tdv6, 3.0l lion tdv6,. —. Land Rover Lr4 Manual.
From www.epcatalogs.com
Land Rover Discovery 4 L319 LR4 WSM 20102012 PDF Land Rover Lr4 Manual land rover iguide online. the 2015 land rover lr4 service and repair manual from repair surge is the ultimate reference guide. land rover workshop manual and parts catalogue download pdf files for free, defender, discovery, range rover and. Visit our website to find out more. — i had the service manual in electronic format for my. Land Rover Lr4 Manual.
From www.epcatalogs.com
Land Rover Discovery 4 L319 LR4 WSM 20102012 PDF Land Rover Lr4 Manual land rover iguide online. land rover workshop manual and parts catalogue download pdf files for free, defender, discovery, range rover and. explore the features and accessories of our land rover suvs through our video guides and download vehicle manuals. Visit our website to find out more. workshop repair manual to suit land rover discovery 4 /. Land Rover Lr4 Manual.
From autos.hamariweb.com
Land Rover Lr4 2011 International Price & Overview Land Rover Lr4 Manual on this page you can view the land rover lr4 owner's manual online or download it in pdf format for free to your computer or. the 2015 land rover lr4 service and repair manual from repair surge is the ultimate reference guide. land rover iguide online. workshop repair manual to suit land rover discovery 4 /. Land Rover Lr4 Manual.
From manualsforyou.com
Land Rover Discovery 2016 LR4 Service Repair Manual Manuals For You Land Rover Lr4 Manual explore the features and accessories of our land rover suvs through our video guides and download vehicle manuals. — i had the service manual in electronic format for my l322 and was wondering if there is one for the lr4. on this page you can view the land rover lr4 owner's manual online or download it in. Land Rover Lr4 Manual.
From www.repairmanualsblog.com
2016 LAND ROVER LR4 Repair Manuals Blog Land Rover Lr4 Manual land rover owner’s manuals owner's manuals in pdf! the 2015 land rover lr4 service and repair manual from repair surge is the ultimate reference guide. workshop repair manual to suit land rover discovery 4 / lr4 vehicles up to my2011 including 2.7l lion tdv6, 3.0l lion tdv6,. Iguide contains the very latest information for your vehicle and. Land Rover Lr4 Manual.
From www.jonathanmotorcars.com
2016 Land Rover LR4 HSE Stock 821021 for sale near Edgewater Park, NJ Land Rover Lr4 Manual Visit our website to find out more. land rover workshop manual and parts catalogue download pdf files for free, defender, discovery, range rover and. land rover iguide online. the 2015 land rover lr4 service and repair manual from repair surge is the ultimate reference guide. Iguide contains the very latest information for your vehicle and covers all. Land Rover Lr4 Manual.
From www.carspecs.us
2012 Land Rover LR4 4WD 4Door HSE Land Rover Lr4 Manual land rover workshop manual and parts catalogue download pdf files for free, defender, discovery, range rover and. land rover iguide online. the 2015 land rover lr4 service and repair manual from repair surge is the ultimate reference guide. Iguide contains the very latest information for your vehicle and covers all derivatives and optional equipment, some of. Visit. Land Rover Lr4 Manual.
From autos.hamariweb.com
Land Rover Lr4 2011 International Price & Overview Land Rover Lr4 Manual the 2015 land rover lr4 service and repair manual from repair surge is the ultimate reference guide. explore the features and accessories of our land rover suvs through our video guides and download vehicle manuals. workshop repair manual to suit land rover discovery 4 / lr4 vehicles up to my2011 including 2.7l lion tdv6, 3.0l lion tdv6,.. Land Rover Lr4 Manual.
From workshop-manuals.com
Land Rover Service and Repair Manuals > LR4 (LA) V85.0L (2010 Land Rover Lr4 Manual Iguide contains the very latest information for your vehicle and covers all derivatives and optional equipment, some of. land rover workshop manual and parts catalogue download pdf files for free, defender, discovery, range rover and. explore the features and accessories of our land rover suvs through our video guides and download vehicle manuals. workshop repair manual to. Land Rover Lr4 Manual.
From www.thecarconnection.com
2010 Land Rover LR4 Review, Ratings, Specs, Prices, and Photos The Land Rover Lr4 Manual on this page you can view the land rover lr4 owner's manual online or download it in pdf format for free to your computer or. explore the features and accessories of our land rover suvs through our video guides and download vehicle manuals. — i had the service manual in electronic format for my l322 and was. Land Rover Lr4 Manual.
From www.epcatalogs.com
Land Rover Discovery 4 L319 LR4 WSM 20102012 PDF Land Rover Lr4 Manual land rover owner’s manuals owner's manuals in pdf! explore the features and accessories of our land rover suvs through our video guides and download vehicle manuals. Iguide contains the very latest information for your vehicle and covers all derivatives and optional equipment, some of. workshop repair manual to suit land rover discovery 4 / lr4 vehicles up. Land Rover Lr4 Manual.
From wirepartfrueh.z19.web.core.windows.net
Land Rover Lr4 Service Manual Land Rover Lr4 Manual Visit our website to find out more. on this page you can view the land rover lr4 owner's manual online or download it in pdf format for free to your computer or. — i had the service manual in electronic format for my l322 and was wondering if there is one for the lr4. Iguide contains the very. Land Rover Lr4 Manual.
From landroverforums.com
2011 lr4 Land Rover Forums Land Rover Enthusiast Forum Land Rover Lr4 Manual Iguide contains the very latest information for your vehicle and covers all derivatives and optional equipment, some of. land rover workshop manual and parts catalogue download pdf files for free, defender, discovery, range rover and. land rover owner’s manuals owner's manuals in pdf! — i had the service manual in electronic format for my l322 and was. Land Rover Lr4 Manual.
From workshop-manuals.com
Land Rover Service and Repair Manuals > LR4 (LA) V85.0L (2010 Land Rover Lr4 Manual on this page you can view the land rover lr4 owner's manual online or download it in pdf format for free to your computer or. land rover workshop manual and parts catalogue download pdf files for free, defender, discovery, range rover and. land rover iguide online. land rover owner’s manuals owner's manuals in pdf! Iguide contains. Land Rover Lr4 Manual.
From autos.hamariweb.com
Land Rover Lr4 2011 International Price & Overview Land Rover Lr4 Manual — i had the service manual in electronic format for my l322 and was wondering if there is one for the lr4. Visit our website to find out more. on this page you can view the land rover lr4 owner's manual online or download it in pdf format for free to your computer or. the 2015 land. Land Rover Lr4 Manual.
From bringatrailer.com
No Reserve 26kMile 2011 Land Rover LR4 HSE Luxury for sale on BaT Land Rover Lr4 Manual land rover owner’s manuals owner's manuals in pdf! on this page you can view the land rover lr4 owner's manual online or download it in pdf format for free to your computer or. land rover workshop manual and parts catalogue download pdf files for free, defender, discovery, range rover and. land rover iguide online. Iguide contains. Land Rover Lr4 Manual.
From workshop-manuals.com
Land Rover Manuals > LR4 (LA) V85.0L (2010) > Accessories and Land Rover Lr4 Manual the 2015 land rover lr4 service and repair manual from repair surge is the ultimate reference guide. on this page you can view the land rover lr4 owner's manual online or download it in pdf format for free to your computer or. Iguide contains the very latest information for your vehicle and covers all derivatives and optional equipment,. Land Rover Lr4 Manual.
From www.epcatalogs.com
Land Rover Discovery 4 L319 LR4 WSM 20102012 PDF Land Rover Lr4 Manual — i had the service manual in electronic format for my l322 and was wondering if there is one for the lr4. land rover owner’s manuals owner's manuals in pdf! Visit our website to find out more. explore the features and accessories of our land rover suvs through our video guides and download vehicle manuals. land. Land Rover Lr4 Manual.
From www.epcatalogs.com
Land Rover Discovery 4 L319 LR4 WSM 20102012 PDF Land Rover Lr4 Manual Visit our website to find out more. the 2015 land rover lr4 service and repair manual from repair surge is the ultimate reference guide. on this page you can view the land rover lr4 owner's manual online or download it in pdf format for free to your computer or. land rover iguide online. workshop repair manual. Land Rover Lr4 Manual.
From www.epcatalogs.com
Land Rover Discovery 4 L319 LR4 WSM 20102012 PDF Land Rover Lr4 Manual workshop repair manual to suit land rover discovery 4 / lr4 vehicles up to my2011 including 2.7l lion tdv6, 3.0l lion tdv6,. on this page you can view the land rover lr4 owner's manual online or download it in pdf format for free to your computer or. land rover owner’s manuals owner's manuals in pdf! explore. Land Rover Lr4 Manual.
From www.uniquecarsandparts.com.au
2016 Land Rover LR4 Brochure Land Rover Lr4 Manual land rover iguide online. the 2015 land rover lr4 service and repair manual from repair surge is the ultimate reference guide. Iguide contains the very latest information for your vehicle and covers all derivatives and optional equipment, some of. land rover owner’s manuals owner's manuals in pdf! workshop repair manual to suit land rover discovery 4. Land Rover Lr4 Manual.
From workshopmanualsaustralia.com
Download Land Rover Discovery 4 LR4 L319 Complete Service Land Rover Lr4 Manual land rover workshop manual and parts catalogue download pdf files for free, defender, discovery, range rover and. workshop repair manual to suit land rover discovery 4 / lr4 vehicles up to my2011 including 2.7l lion tdv6, 3.0l lion tdv6,. — i had the service manual in electronic format for my l322 and was wondering if there is. Land Rover Lr4 Manual.
From workshopmanualsaustralia.com
Download Land Rover Discovery 4 LR4 L319 Complete Service Land Rover Lr4 Manual Visit our website to find out more. — i had the service manual in electronic format for my l322 and was wondering if there is one for the lr4. land rover owner’s manuals owner's manuals in pdf! explore the features and accessories of our land rover suvs through our video guides and download vehicle manuals. Iguide contains. Land Rover Lr4 Manual.
From wirepartfrueh.z19.web.core.windows.net
Land Rover Lr4 Service Manual Land Rover Lr4 Manual land rover workshop manual and parts catalogue download pdf files for free, defender, discovery, range rover and. land rover iguide online. the 2015 land rover lr4 service and repair manual from repair surge is the ultimate reference guide. Visit our website to find out more. Iguide contains the very latest information for your vehicle and covers all. Land Rover Lr4 Manual.
From www.autorepairmanuals.ws
Landrover Ranger Rover L319_2014 DISCOVERY LR4_JLR 19 53 21_1E_Wiring Land Rover Lr4 Manual Visit our website to find out more. workshop repair manual to suit land rover discovery 4 / lr4 vehicles up to my2011 including 2.7l lion tdv6, 3.0l lion tdv6,. the 2015 land rover lr4 service and repair manual from repair surge is the ultimate reference guide. on this page you can view the land rover lr4 owner's. Land Rover Lr4 Manual.
From workshop-manuals.com
background image Land Rover Lr4 Manual Visit our website to find out more. land rover owner’s manuals owner's manuals in pdf! the 2015 land rover lr4 service and repair manual from repair surge is the ultimate reference guide. land rover workshop manual and parts catalogue download pdf files for free, defender, discovery, range rover and. — i had the service manual in. Land Rover Lr4 Manual.
From dhtauto.com
Range Rover, LR4, Range Rover Sport Technical Training Automotive Land Rover Lr4 Manual land rover iguide online. land rover workshop manual and parts catalogue download pdf files for free, defender, discovery, range rover and. Iguide contains the very latest information for your vehicle and covers all derivatives and optional equipment, some of. on this page you can view the land rover lr4 owner's manual online or download it in pdf. Land Rover Lr4 Manual.
From www.victorymotorsofcolorado.com
2015 Land Rover LR4 HSE Victory Motors of Colorado Land Rover Lr4 Manual workshop repair manual to suit land rover discovery 4 / lr4 vehicles up to my2011 including 2.7l lion tdv6, 3.0l lion tdv6,. — i had the service manual in electronic format for my l322 and was wondering if there is one for the lr4. land rover workshop manual and parts catalogue download pdf files for free, defender,. Land Rover Lr4 Manual.
From www.epcatalogs.com
Land Rover Discovery 4 L319 LR4 WSM 20102012 PDF Land Rover Lr4 Manual land rover owner’s manuals owner's manuals in pdf! Visit our website to find out more. Iguide contains the very latest information for your vehicle and covers all derivatives and optional equipment, some of. land rover workshop manual and parts catalogue download pdf files for free, defender, discovery, range rover and. land rover iguide online. — i. Land Rover Lr4 Manual.
From www.bentleywashingtondc.com
2016 Land Rover LR4 HSE Stock P115184A for sale near Ashburn, VA VA Land Rover Lr4 Manual explore the features and accessories of our land rover suvs through our video guides and download vehicle manuals. the 2015 land rover lr4 service and repair manual from repair surge is the ultimate reference guide. land rover owner’s manuals owner's manuals in pdf! workshop repair manual to suit land rover discovery 4 / lr4 vehicles up. Land Rover Lr4 Manual.
From www.autoevolution.com
LAND ROVER Discovery LR4 specs 2013, 2014, 2015, 2016, 2017, 2018 Land Rover Lr4 Manual land rover iguide online. Visit our website to find out more. land rover workshop manual and parts catalogue download pdf files for free, defender, discovery, range rover and. Iguide contains the very latest information for your vehicle and covers all derivatives and optional equipment, some of. land rover owner’s manuals owner's manuals in pdf! — i. Land Rover Lr4 Manual.
From consumerguide.com
2015 Land Rover LR4 Consumer Guide Auto Land Rover Lr4 Manual land rover iguide online. on this page you can view the land rover lr4 owner's manual online or download it in pdf format for free to your computer or. the 2015 land rover lr4 service and repair manual from repair surge is the ultimate reference guide. workshop repair manual to suit land rover discovery 4 /. Land Rover Lr4 Manual.
From www.motortrend.com
2014 Land Rover LR4 Drops 5.0L V8 for Supercharged 3.0L V6 Land Rover Lr4 Manual the 2015 land rover lr4 service and repair manual from repair surge is the ultimate reference guide. land rover owner’s manuals owner's manuals in pdf! on this page you can view the land rover lr4 owner's manual online or download it in pdf format for free to your computer or. explore the features and accessories of. Land Rover Lr4 Manual.
From www.epcatalogs.com
Land Rover Discovery 4 L319 LR4 WSM 20102012 PDF Land Rover Lr4 Manual explore the features and accessories of our land rover suvs through our video guides and download vehicle manuals. the 2015 land rover lr4 service and repair manual from repair surge is the ultimate reference guide. workshop repair manual to suit land rover discovery 4 / lr4 vehicles up to my2011 including 2.7l lion tdv6, 3.0l lion tdv6,.. Land Rover Lr4 Manual.