Relay Output Wiring . a typical relay switch circuit has the coil driven by a npn transistor switch, tr1 as shown depending on the input voltage level. switch to mac > try it free. Use a relay and wires with the capacity for your vehicle and device. We will introduce the basic knowledge of. When the base voltage of the. The module has 2 isolated. to wire in a split charge relay, the first step is to ensure the alternator and the batteries you are connecting share a negative charge. Here is the most comprehensive guide you can learn about relay wiring diagrams. the relay logic control works efficiently to perform basic on/off operations by opening or closing the relay contacts but it involves a. the wiring diagram of a relay module usually includes pins or terminals for the power supply, input signal, and output load. If you’re replacing a worn relay, this is simple—just use an identical relay to.
from wiringdiagram.2bitboer.com
the relay logic control works efficiently to perform basic on/off operations by opening or closing the relay contacts but it involves a. a typical relay switch circuit has the coil driven by a npn transistor switch, tr1 as shown depending on the input voltage level. switch to mac > try it free. Here is the most comprehensive guide you can learn about relay wiring diagrams. Use a relay and wires with the capacity for your vehicle and device. The module has 2 isolated. When the base voltage of the. We will introduce the basic knowledge of. to wire in a split charge relay, the first step is to ensure the alternator and the batteries you are connecting share a negative charge. the wiring diagram of a relay module usually includes pins or terminals for the power supply, input signal, and output load.
Spotlight Wiring Diagram 5 Pin Relay Wiring Diagram
Relay Output Wiring to wire in a split charge relay, the first step is to ensure the alternator and the batteries you are connecting share a negative charge. We will introduce the basic knowledge of. switch to mac > try it free. If you’re replacing a worn relay, this is simple—just use an identical relay to. Here is the most comprehensive guide you can learn about relay wiring diagrams. The module has 2 isolated. to wire in a split charge relay, the first step is to ensure the alternator and the batteries you are connecting share a negative charge. When the base voltage of the. the wiring diagram of a relay module usually includes pins or terminals for the power supply, input signal, and output load. the relay logic control works efficiently to perform basic on/off operations by opening or closing the relay contacts but it involves a. Use a relay and wires with the capacity for your vehicle and device. a typical relay switch circuit has the coil driven by a npn transistor switch, tr1 as shown depending on the input voltage level.
From guidelibziegler.z19.web.core.windows.net
Wiring Diagram For Relay Relay Output Wiring the wiring diagram of a relay module usually includes pins or terminals for the power supply, input signal, and output load. Here is the most comprehensive guide you can learn about relay wiring diagrams. The module has 2 isolated. the relay logic control works efficiently to perform basic on/off operations by opening or closing the relay contacts but. Relay Output Wiring.
From www.youtube.com
How to Make Connect in Assemble Using 2 Relay Wiring Diagram 8 pin Relay Output Wiring The module has 2 isolated. a typical relay switch circuit has the coil driven by a npn transistor switch, tr1 as shown depending on the input voltage level. Use a relay and wires with the capacity for your vehicle and device. the relay logic control works efficiently to perform basic on/off operations by opening or closing the relay. Relay Output Wiring.
From wiringdcable.blogspot.com
Wiring The Cable Arduino Relay Wiring Diagram Relay Output Wiring the relay logic control works efficiently to perform basic on/off operations by opening or closing the relay contacts but it involves a. Use a relay and wires with the capacity for your vehicle and device. a typical relay switch circuit has the coil driven by a npn transistor switch, tr1 as shown depending on the input voltage level.. Relay Output Wiring.
From wiringdiagram.2bitboer.com
Interposing Relay Panel Wiring Diagram Wiring Diagram Relay Output Wiring We will introduce the basic knowledge of. The module has 2 isolated. When the base voltage of the. the relay logic control works efficiently to perform basic on/off operations by opening or closing the relay contacts but it involves a. Use a relay and wires with the capacity for your vehicle and device. If you’re replacing a worn relay,. Relay Output Wiring.
From mungfali.com
Plc Relay Output Wiring Relay Output Wiring When the base voltage of the. the relay logic control works efficiently to perform basic on/off operations by opening or closing the relay contacts but it involves a. switch to mac > try it free. Here is the most comprehensive guide you can learn about relay wiring diagrams. the wiring diagram of a relay module usually includes. Relay Output Wiring.
From instrumentationtools.com
Wiring Diagrams of PLC and DCS Systems DI, DO, AI, AO Relay Output Wiring When the base voltage of the. to wire in a split charge relay, the first step is to ensure the alternator and the batteries you are connecting share a negative charge. switch to mac > try it free. the wiring diagram of a relay module usually includes pins or terminals for the power supply, input signal, and. Relay Output Wiring.
From gridlinktechnology.info
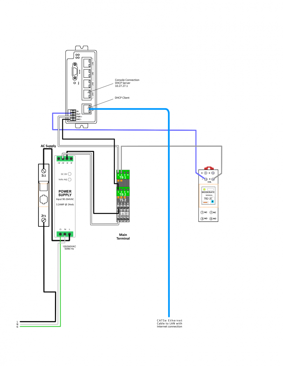
Relay Output Wiring E2 Series GRIDlink User Manual Relay Output Wiring switch to mac > try it free. the wiring diagram of a relay module usually includes pins or terminals for the power supply, input signal, and output load. the relay logic control works efficiently to perform basic on/off operations by opening or closing the relay contacts but it involves a. Use a relay and wires with the. Relay Output Wiring.
From aampglobal.zendesk.com
How to Wire a Standard Automotive Relay AAMP Global Relay Output Wiring Use a relay and wires with the capacity for your vehicle and device. The module has 2 isolated. When the base voltage of the. If you’re replacing a worn relay, this is simple—just use an identical relay to. a typical relay switch circuit has the coil driven by a npn transistor switch, tr1 as shown depending on the input. Relay Output Wiring.
From www.wiringtrust.com
24vdc Relay Wiring Diagram Wiring Diagram Relay Output Wiring Here is the most comprehensive guide you can learn about relay wiring diagrams. Use a relay and wires with the capacity for your vehicle and device. If you’re replacing a worn relay, this is simple—just use an identical relay to. the wiring diagram of a relay module usually includes pins or terminals for the power supply, input signal, and. Relay Output Wiring.
From gridlinktechnology.info
Relay Output Wiring E Series GRIDlink User Manual Relay Output Wiring We will introduce the basic knowledge of. the wiring diagram of a relay module usually includes pins or terminals for the power supply, input signal, and output load. When the base voltage of the. the relay logic control works efficiently to perform basic on/off operations by opening or closing the relay contacts but it involves a. The module. Relay Output Wiring.
From www.circuitdiagram.co
5v relay circuit diagram Circuit Diagram Relay Output Wiring the wiring diagram of a relay module usually includes pins or terminals for the power supply, input signal, and output load. switch to mac > try it free. We will introduce the basic knowledge of. When the base voltage of the. Use a relay and wires with the capacity for your vehicle and device. a typical relay. Relay Output Wiring.
From control.com
Interposing Relays in PLCs Relay Control Systems Textbook Relay Output Wiring the relay logic control works efficiently to perform basic on/off operations by opening or closing the relay contacts but it involves a. the wiring diagram of a relay module usually includes pins or terminals for the power supply, input signal, and output load. to wire in a split charge relay, the first step is to ensure the. Relay Output Wiring.
From www.slideserve.com
PPT PLC I/O PowerPoint Presentation, free download ID5964830 Relay Output Wiring the relay logic control works efficiently to perform basic on/off operations by opening or closing the relay contacts but it involves a. to wire in a split charge relay, the first step is to ensure the alternator and the batteries you are connecting share a negative charge. If you’re replacing a worn relay, this is simple—just use an. Relay Output Wiring.
From wiringdiagram.2bitboer.com
Spotlight Wiring Diagram 5 Pin Relay Wiring Diagram Relay Output Wiring Here is the most comprehensive guide you can learn about relay wiring diagrams. When the base voltage of the. the wiring diagram of a relay module usually includes pins or terminals for the power supply, input signal, and output load. We will introduce the basic knowledge of. switch to mac > try it free. a typical relay. Relay Output Wiring.
From www.youtube.com
How to wiring PLC Omron CP1EE20 with push button start/stop and relay Relay Output Wiring Use a relay and wires with the capacity for your vehicle and device. If you’re replacing a worn relay, this is simple—just use an identical relay to. Here is the most comprehensive guide you can learn about relay wiring diagrams. We will introduce the basic knowledge of. to wire in a split charge relay, the first step is to. Relay Output Wiring.
From www.dsmtuners.com
Simple 4 Pin Relay Diagram DSMtuners Relay Output Wiring to wire in a split charge relay, the first step is to ensure the alternator and the batteries you are connecting share a negative charge. We will introduce the basic knowledge of. the wiring diagram of a relay module usually includes pins or terminals for the power supply, input signal, and output load. When the base voltage of. Relay Output Wiring.
From wiringdiagram.2bitboer.com
Interposing Relay Panel Wiring Diagram Wiring Diagram Relay Output Wiring Here is the most comprehensive guide you can learn about relay wiring diagrams. When the base voltage of the. to wire in a split charge relay, the first step is to ensure the alternator and the batteries you are connecting share a negative charge. the wiring diagram of a relay module usually includes pins or terminals for the. Relay Output Wiring.
From www.wiringdigital.com
Plc Relay Wiring Diagram » Wiring Digital And Schematic Relay Output Wiring to wire in a split charge relay, the first step is to ensure the alternator and the batteries you are connecting share a negative charge. switch to mac > try it free. the wiring diagram of a relay module usually includes pins or terminals for the power supply, input signal, and output load. Use a relay and. Relay Output Wiring.
From linkwisetech.com
Wecon Relay Typed Output LX3VP PLC Control and Automation Relay Output Wiring When the base voltage of the. the wiring diagram of a relay module usually includes pins or terminals for the power supply, input signal, and output load. switch to mac > try it free. a typical relay switch circuit has the coil driven by a npn transistor switch, tr1 as shown depending on the input voltage level.. Relay Output Wiring.
From in.pinterest.com
Complete PLC Wiring Diagram with SMPS, Relay Card, Contactor in 2023 Relay Output Wiring switch to mac > try it free. The module has 2 isolated. a typical relay switch circuit has the coil driven by a npn transistor switch, tr1 as shown depending on the input voltage level. Here is the most comprehensive guide you can learn about relay wiring diagrams. Use a relay and wires with the capacity for your. Relay Output Wiring.
From mungfali.com
Plc Relay Output Wiring Relay Output Wiring Use a relay and wires with the capacity for your vehicle and device. the wiring diagram of a relay module usually includes pins or terminals for the power supply, input signal, and output load. The module has 2 isolated. If you’re replacing a worn relay, this is simple—just use an identical relay to. the relay logic control works. Relay Output Wiring.
From guidelistmetzger.z19.web.core.windows.net
Wiring Solid State Relay Relay Output Wiring When the base voltage of the. Use a relay and wires with the capacity for your vehicle and device. We will introduce the basic knowledge of. a typical relay switch circuit has the coil driven by a npn transistor switch, tr1 as shown depending on the input voltage level. to wire in a split charge relay, the first. Relay Output Wiring.
From gridlinktechnology.info
Relay Output Wiring T24 Series GRIDlink User Manual Relay Output Wiring We will introduce the basic knowledge of. When the base voltage of the. the relay logic control works efficiently to perform basic on/off operations by opening or closing the relay contacts but it involves a. Use a relay and wires with the capacity for your vehicle and device. a typical relay switch circuit has the coil driven by. Relay Output Wiring.
From www.wiringdraw.com
12v relay wiring diagram Wiring Draw And Schematic Relay Output Wiring the wiring diagram of a relay module usually includes pins or terminals for the power supply, input signal, and output load. switch to mac > try it free. The module has 2 isolated. the relay logic control works efficiently to perform basic on/off operations by opening or closing the relay contacts but it involves a. We will. Relay Output Wiring.
From diagram.tntuservices.com
230v relay wiring diagram Wiring Diagram and Schematic Role Relay Output Wiring the wiring diagram of a relay module usually includes pins or terminals for the power supply, input signal, and output load. switch to mac > try it free. the relay logic control works efficiently to perform basic on/off operations by opening or closing the relay contacts but it involves a. to wire in a split charge. Relay Output Wiring.
From wirefixklaus.z19.web.core.windows.net
40 Amp Relay Wiring Diagram Relay Output Wiring switch to mac > try it free. to wire in a split charge relay, the first step is to ensure the alternator and the batteries you are connecting share a negative charge. If you’re replacing a worn relay, this is simple—just use an identical relay to. The module has 2 isolated. Here is the most comprehensive guide you. Relay Output Wiring.
From product-help.schneider-electric.com
Relay Outputs Relay Output Wiring The module has 2 isolated. If you’re replacing a worn relay, this is simple—just use an identical relay to. the relay logic control works efficiently to perform basic on/off operations by opening or closing the relay contacts but it involves a. to wire in a split charge relay, the first step is to ensure the alternator and the. Relay Output Wiring.
From www.electricalonline4u.com
5 Pin Relay Wiring Diagram Use Of Relay Relay Output Wiring to wire in a split charge relay, the first step is to ensure the alternator and the batteries you are connecting share a negative charge. the relay logic control works efficiently to perform basic on/off operations by opening or closing the relay contacts but it involves a. Here is the most comprehensive guide you can learn about relay. Relay Output Wiring.
From install.verizonconnect.com
Overview guide Relays Device Help Relay Output Wiring Use a relay and wires with the capacity for your vehicle and device. If you’re replacing a worn relay, this is simple—just use an identical relay to. a typical relay switch circuit has the coil driven by a npn transistor switch, tr1 as shown depending on the input voltage level. The module has 2 isolated. switch to mac. Relay Output Wiring.
From engineeronadisk.com
eBook Automating Manufacturing Systems; with PLCs Relay Output Wiring Here is the most comprehensive guide you can learn about relay wiring diagrams. the wiring diagram of a relay module usually includes pins or terminals for the power supply, input signal, and output load. If you’re replacing a worn relay, this is simple—just use an identical relay to. the relay logic control works efficiently to perform basic on/off. Relay Output Wiring.
From www.youtube.com
PLC Output Wiring/Connection with Relay Channel Card and AC/DC Load II Relay Output Wiring When the base voltage of the. Use a relay and wires with the capacity for your vehicle and device. the relay logic control works efficiently to perform basic on/off operations by opening or closing the relay contacts but it involves a. The module has 2 isolated. the wiring diagram of a relay module usually includes pins or terminals. Relay Output Wiring.
From www.etechnog.com
Relay Wiring Diagram and Connection Procedure ETechnoG Relay Output Wiring When the base voltage of the. Here is the most comprehensive guide you can learn about relay wiring diagrams. We will introduce the basic knowledge of. the wiring diagram of a relay module usually includes pins or terminals for the power supply, input signal, and output load. to wire in a split charge relay, the first step is. Relay Output Wiring.
From www.circuits-diy.com
4Channel Relay Module Arduino Tutorial Relay Output Wiring If you’re replacing a worn relay, this is simple—just use an identical relay to. to wire in a split charge relay, the first step is to ensure the alternator and the batteries you are connecting share a negative charge. switch to mac > try it free. Use a relay and wires with the capacity for your vehicle and. Relay Output Wiring.
From instrumentationtools.com
What is Interposing Relay in a PLC System? Instrumentation Tools Relay Output Wiring a typical relay switch circuit has the coil driven by a npn transistor switch, tr1 as shown depending on the input voltage level. Here is the most comprehensive guide you can learn about relay wiring diagrams. If you’re replacing a worn relay, this is simple—just use an identical relay to. We will introduce the basic knowledge of. the. Relay Output Wiring.
From schematicgubitnikacg.z22.web.core.windows.net
How To Wire A 5 Prong Relay Relay Output Wiring Use a relay and wires with the capacity for your vehicle and device. the wiring diagram of a relay module usually includes pins or terminals for the power supply, input signal, and output load. We will introduce the basic knowledge of. switch to mac > try it free. the relay logic control works efficiently to perform basic. Relay Output Wiring.