Winch Design Calculations . This calculator provides the calculation of torque and power required for a winch design. Below a brief explanation is given. They consist of a drum around which a rope or. [dietz 1971], [mupende 2001], [henschel 2000]) are based on rotationally. A winch is a mechanical device that is used to wind up or wind out a rope or wire rope. This calculator provides the calculation of torque required to lift a load using a winch. It provides calculations for selecting the appropriate wire rope and determining the drum dimensions based on withstanding the load requirement. Vr = r / r (1) where. The velocity ratio can be calculated as. Winches are mechanical devices used to lift and lower loads. To enable the correct selection of winch, motor and gearbox, it is essential that basic application parameters as load and speed are known and understood. Design manual for winch systems 5 preamble and imprint this design manual is intended to provide a broad overview into the performance.
from www.slideshare.net
This calculator provides the calculation of torque and power required for a winch design. The velocity ratio can be calculated as. To enable the correct selection of winch, motor and gearbox, it is essential that basic application parameters as load and speed are known and understood. [dietz 1971], [mupende 2001], [henschel 2000]) are based on rotationally. They consist of a drum around which a rope or. Winches are mechanical devices used to lift and lower loads. Vr = r / r (1) where. This calculator provides the calculation of torque required to lift a load using a winch. Design manual for winch systems 5 preamble and imprint this design manual is intended to provide a broad overview into the performance. It provides calculations for selecting the appropriate wire rope and determining the drum dimensions based on withstanding the load requirement.
introduction, drawing, calculation for winch design PDF
Winch Design Calculations Winches are mechanical devices used to lift and lower loads. This calculator provides the calculation of torque required to lift a load using a winch. The velocity ratio can be calculated as. They consist of a drum around which a rope or. Vr = r / r (1) where. Design manual for winch systems 5 preamble and imprint this design manual is intended to provide a broad overview into the performance. It provides calculations for selecting the appropriate wire rope and determining the drum dimensions based on withstanding the load requirement. A winch is a mechanical device that is used to wind up or wind out a rope or wire rope. Winches are mechanical devices used to lift and lower loads. Below a brief explanation is given. [dietz 1971], [mupende 2001], [henschel 2000]) are based on rotationally. This calculator provides the calculation of torque and power required for a winch design. To enable the correct selection of winch, motor and gearbox, it is essential that basic application parameters as load and speed are known and understood.
From www.slideshare.net
introduction, drawing, calculation for winch design PDF Winch Design Calculations Vr = r / r (1) where. A winch is a mechanical device that is used to wind up or wind out a rope or wire rope. They consist of a drum around which a rope or. It provides calculations for selecting the appropriate wire rope and determining the drum dimensions based on withstanding the load requirement. Winches are mechanical. Winch Design Calculations.
From www.slideshare.net
introduction, drawing, calculation for winch design PDF Winch Design Calculations A winch is a mechanical device that is used to wind up or wind out a rope or wire rope. Vr = r / r (1) where. They consist of a drum around which a rope or. The velocity ratio can be calculated as. Winches are mechanical devices used to lift and lower loads. This calculator provides the calculation of. Winch Design Calculations.
From www.slideshare.net
introduction, drawing, calculation for winch design PDF Winch Design Calculations This calculator provides the calculation of torque required to lift a load using a winch. A winch is a mechanical device that is used to wind up or wind out a rope or wire rope. The velocity ratio can be calculated as. Vr = r / r (1) where. To enable the correct selection of winch, motor and gearbox, it. Winch Design Calculations.
From www.slideshare.net
introduction, drawing, calculation for winch design PDF Winch Design Calculations To enable the correct selection of winch, motor and gearbox, it is essential that basic application parameters as load and speed are known and understood. They consist of a drum around which a rope or. Vr = r / r (1) where. The velocity ratio can be calculated as. It provides calculations for selecting the appropriate wire rope and determining. Winch Design Calculations.
From www.slideshare.net
introduction, drawing, calculation for winch design PDF Winch Design Calculations They consist of a drum around which a rope or. Below a brief explanation is given. To enable the correct selection of winch, motor and gearbox, it is essential that basic application parameters as load and speed are known and understood. This calculator provides the calculation of torque required to lift a load using a winch. A winch is a. Winch Design Calculations.
From www.slideshare.net
introduction, drawing, calculation for winch design PDF Winch Design Calculations This calculator provides the calculation of torque required to lift a load using a winch. The velocity ratio can be calculated as. Below a brief explanation is given. This calculator provides the calculation of torque and power required for a winch design. Design manual for winch systems 5 preamble and imprint this design manual is intended to provide a broad. Winch Design Calculations.
From www.slideshare.net
introduction, drawing, calculation for winch design Winch Design Calculations The velocity ratio can be calculated as. They consist of a drum around which a rope or. [dietz 1971], [mupende 2001], [henschel 2000]) are based on rotationally. It provides calculations for selecting the appropriate wire rope and determining the drum dimensions based on withstanding the load requirement. This calculator provides the calculation of torque required to lift a load using. Winch Design Calculations.
From www.slideshare.net
introduction, drawing, calculation for winch design PDF Winch Design Calculations They consist of a drum around which a rope or. [dietz 1971], [mupende 2001], [henschel 2000]) are based on rotationally. A winch is a mechanical device that is used to wind up or wind out a rope or wire rope. It provides calculations for selecting the appropriate wire rope and determining the drum dimensions based on withstanding the load requirement.. Winch Design Calculations.
From www.slideshare.net
introduction, drawing, calculation for winch design Winch Design Calculations It provides calculations for selecting the appropriate wire rope and determining the drum dimensions based on withstanding the load requirement. Winches are mechanical devices used to lift and lower loads. To enable the correct selection of winch, motor and gearbox, it is essential that basic application parameters as load and speed are known and understood. The velocity ratio can be. Winch Design Calculations.
From www.slideshare.net
introduction, drawing, calculation for winch design PDF Winch Design Calculations This calculator provides the calculation of torque required to lift a load using a winch. [dietz 1971], [mupende 2001], [henschel 2000]) are based on rotationally. Design manual for winch systems 5 preamble and imprint this design manual is intended to provide a broad overview into the performance. Below a brief explanation is given. It provides calculations for selecting the appropriate. Winch Design Calculations.
From www.slideshare.net
introduction, drawing, calculation for winch design Winch Design Calculations Winches are mechanical devices used to lift and lower loads. Vr = r / r (1) where. This calculator provides the calculation of torque and power required for a winch design. This calculator provides the calculation of torque required to lift a load using a winch. A winch is a mechanical device that is used to wind up or wind. Winch Design Calculations.
From www.slideshare.net
introduction, drawing, calculation for winch design PDF Winch Design Calculations The velocity ratio can be calculated as. Vr = r / r (1) where. A winch is a mechanical device that is used to wind up or wind out a rope or wire rope. They consist of a drum around which a rope or. Design manual for winch systems 5 preamble and imprint this design manual is intended to provide. Winch Design Calculations.
From www.slideshare.net
introduction, drawing, calculation for winch design PDF Winch Design Calculations Vr = r / r (1) where. This calculator provides the calculation of torque required to lift a load using a winch. [dietz 1971], [mupende 2001], [henschel 2000]) are based on rotationally. The velocity ratio can be calculated as. This calculator provides the calculation of torque and power required for a winch design. Winches are mechanical devices used to lift. Winch Design Calculations.
From www.slideshare.net
introduction, drawing, calculation for winch design PDF Winch Design Calculations To enable the correct selection of winch, motor and gearbox, it is essential that basic application parameters as load and speed are known and understood. Below a brief explanation is given. Winches are mechanical devices used to lift and lower loads. This calculator provides the calculation of torque and power required for a winch design. Vr = r / r. Winch Design Calculations.
From www.slideshare.net
introduction, drawing, calculation for winch design PDF Winch Design Calculations A winch is a mechanical device that is used to wind up or wind out a rope or wire rope. The velocity ratio can be calculated as. This calculator provides the calculation of torque required to lift a load using a winch. Design manual for winch systems 5 preamble and imprint this design manual is intended to provide a broad. Winch Design Calculations.
From www.slideshare.net
introduction, drawing, calculation for winch design Winch Design Calculations They consist of a drum around which a rope or. Winches are mechanical devices used to lift and lower loads. A winch is a mechanical device that is used to wind up or wind out a rope or wire rope. This calculator provides the calculation of torque required to lift a load using a winch. Design manual for winch systems. Winch Design Calculations.
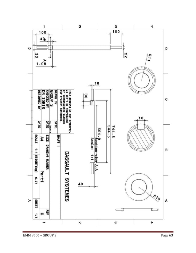
From www.coursehero.com
[Solved] PART F SAMPLE SHAFT DESIGN (Winch Drum Shaft) Bearing Winch Winch Design Calculations Design manual for winch systems 5 preamble and imprint this design manual is intended to provide a broad overview into the performance. A winch is a mechanical device that is used to wind up or wind out a rope or wire rope. [dietz 1971], [mupende 2001], [henschel 2000]) are based on rotationally. Below a brief explanation is given. To enable. Winch Design Calculations.
From www.slideshare.net
introduction, drawing, calculation for winch design Winch Design Calculations This calculator provides the calculation of torque required to lift a load using a winch. Below a brief explanation is given. This calculator provides the calculation of torque and power required for a winch design. A winch is a mechanical device that is used to wind up or wind out a rope or wire rope. The velocity ratio can be. Winch Design Calculations.
From www.slideshare.net
introduction, drawing, calculation for winch design Winch Design Calculations [dietz 1971], [mupende 2001], [henschel 2000]) are based on rotationally. Design manual for winch systems 5 preamble and imprint this design manual is intended to provide a broad overview into the performance. To enable the correct selection of winch, motor and gearbox, it is essential that basic application parameters as load and speed are known and understood. This calculator provides. Winch Design Calculations.
From www.engineeringtoolbox.com
Winches Winch Design Calculations This calculator provides the calculation of torque required to lift a load using a winch. It provides calculations for selecting the appropriate wire rope and determining the drum dimensions based on withstanding the load requirement. This calculator provides the calculation of torque and power required for a winch design. Winches are mechanical devices used to lift and lower loads. A. Winch Design Calculations.
From www.willardsays.com
Winch Installation Winch Design Calculations It provides calculations for selecting the appropriate wire rope and determining the drum dimensions based on withstanding the load requirement. The velocity ratio can be calculated as. This calculator provides the calculation of torque required to lift a load using a winch. A winch is a mechanical device that is used to wind up or wind out a rope or. Winch Design Calculations.
From www.slideshare.net
introduction, drawing, calculation for winch design PDF Winch Design Calculations They consist of a drum around which a rope or. Vr = r / r (1) where. This calculator provides the calculation of torque required to lift a load using a winch. To enable the correct selection of winch, motor and gearbox, it is essential that basic application parameters as load and speed are known and understood. [dietz 1971], [mupende. Winch Design Calculations.
From www.slideshare.net
introduction, drawing, calculation for winch design Winch Design Calculations Winches are mechanical devices used to lift and lower loads. It provides calculations for selecting the appropriate wire rope and determining the drum dimensions based on withstanding the load requirement. A winch is a mechanical device that is used to wind up or wind out a rope or wire rope. Design manual for winch systems 5 preamble and imprint this. Winch Design Calculations.
From www.slideshare.net
introduction, drawing, calculation for winch design PDF Winch Design Calculations This calculator provides the calculation of torque required to lift a load using a winch. This calculator provides the calculation of torque and power required for a winch design. A winch is a mechanical device that is used to wind up or wind out a rope or wire rope. Winches are mechanical devices used to lift and lower loads. The. Winch Design Calculations.
From www.slideshare.net
introduction, drawing, calculation for winch design Winch Design Calculations This calculator provides the calculation of torque and power required for a winch design. The velocity ratio can be calculated as. Vr = r / r (1) where. They consist of a drum around which a rope or. To enable the correct selection of winch, motor and gearbox, it is essential that basic application parameters as load and speed are. Winch Design Calculations.
From www.slideshare.net
introduction, drawing, calculation for winch design Winch Design Calculations Winches are mechanical devices used to lift and lower loads. A winch is a mechanical device that is used to wind up or wind out a rope or wire rope. This calculator provides the calculation of torque and power required for a winch design. They consist of a drum around which a rope or. The velocity ratio can be calculated. Winch Design Calculations.
From www.slideshare.net
introduction, drawing, calculation for winch design Winch Design Calculations A winch is a mechanical device that is used to wind up or wind out a rope or wire rope. They consist of a drum around which a rope or. Below a brief explanation is given. The velocity ratio can be calculated as. It provides calculations for selecting the appropriate wire rope and determining the drum dimensions based on withstanding. Winch Design Calculations.
From www.slideshare.net
introduction, drawing, calculation for winch design PDF Winch Design Calculations [dietz 1971], [mupende 2001], [henschel 2000]) are based on rotationally. Below a brief explanation is given. It provides calculations for selecting the appropriate wire rope and determining the drum dimensions based on withstanding the load requirement. Vr = r / r (1) where. To enable the correct selection of winch, motor and gearbox, it is essential that basic application parameters. Winch Design Calculations.
From www.zollern.com
Winch systems Winch Design Calculations [dietz 1971], [mupende 2001], [henschel 2000]) are based on rotationally. A winch is a mechanical device that is used to wind up or wind out a rope or wire rope. This calculator provides the calculation of torque required to lift a load using a winch. They consist of a drum around which a rope or. Vr = r / r. Winch Design Calculations.
From www.slideshare.net
introduction, drawing, calculation for winch design Winch Design Calculations Winches are mechanical devices used to lift and lower loads. They consist of a drum around which a rope or. Vr = r / r (1) where. A winch is a mechanical device that is used to wind up or wind out a rope or wire rope. The velocity ratio can be calculated as. Below a brief explanation is given.. Winch Design Calculations.
From www.slideshare.net
introduction, drawing, calculation for winch design Winch Design Calculations Below a brief explanation is given. To enable the correct selection of winch, motor and gearbox, it is essential that basic application parameters as load and speed are known and understood. [dietz 1971], [mupende 2001], [henschel 2000]) are based on rotationally. They consist of a drum around which a rope or. This calculator provides the calculation of torque and power. Winch Design Calculations.
From www.slideshare.net
introduction, drawing, calculation for winch design Winch Design Calculations This calculator provides the calculation of torque required to lift a load using a winch. It provides calculations for selecting the appropriate wire rope and determining the drum dimensions based on withstanding the load requirement. Below a brief explanation is given. [dietz 1971], [mupende 2001], [henschel 2000]) are based on rotationally. Winches are mechanical devices used to lift and lower. Winch Design Calculations.
From www.slideshare.net
introduction, drawing, calculation for winch design Winch Design Calculations This calculator provides the calculation of torque and power required for a winch design. Winches are mechanical devices used to lift and lower loads. The velocity ratio can be calculated as. Vr = r / r (1) where. A winch is a mechanical device that is used to wind up or wind out a rope or wire rope. Below a. Winch Design Calculations.
From alldrawings.ru
Calculation of the electric winch drive Download drawings, blueprints Winch Design Calculations The velocity ratio can be calculated as. Design manual for winch systems 5 preamble and imprint this design manual is intended to provide a broad overview into the performance. This calculator provides the calculation of torque required to lift a load using a winch. A winch is a mechanical device that is used to wind up or wind out a. Winch Design Calculations.
From www.slideshare.net
introduction, drawing, calculation for winch design Winch Design Calculations Design manual for winch systems 5 preamble and imprint this design manual is intended to provide a broad overview into the performance. Vr = r / r (1) where. To enable the correct selection of winch, motor and gearbox, it is essential that basic application parameters as load and speed are known and understood. Winches are mechanical devices used to. Winch Design Calculations.