Both Front Windows Stopped Working . I checked the window fuses in. Both front windows stopped working at the same time. Both front windows stopped working at the same time (i don't have electric rear windows), i've been told it's probably a fuse issue or a relay. I noticed that now both front windows were open some 2cm. I have checked all fuses l. I got in the car, turned on the ignition and lo and behold both windows. If your car's electric windows are stuck open or stuck shut, it's a major inconvenience. The power window switches on the driver's door do not actuate either front. I have a skoda fabia 2007 and both my electric windows have suddenly stopped working. This is the simplest fix of all the issues, and it just needs the lock button pressed to unlock the window controls for the. How to fix common electric window issues: If they're stuck open, you won't be able to close them in case of rain or to secure valuables.
from www.youtube.com
How to fix common electric window issues: I noticed that now both front windows were open some 2cm. I got in the car, turned on the ignition and lo and behold both windows. If your car's electric windows are stuck open or stuck shut, it's a major inconvenience. I checked the window fuses in. Both front windows stopped working at the same time (i don't have electric rear windows), i've been told it's probably a fuse issue or a relay. The power window switches on the driver's door do not actuate either front. This is the simplest fix of all the issues, and it just needs the lock button pressed to unlock the window controls for the. I have checked all fuses l. I have a skoda fabia 2007 and both my electric windows have suddenly stopped working.
Ford Transit Electric window problems YouTube
Both Front Windows Stopped Working Both front windows stopped working at the same time. Both front windows stopped working at the same time (i don't have electric rear windows), i've been told it's probably a fuse issue or a relay. I checked the window fuses in. If your car's electric windows are stuck open or stuck shut, it's a major inconvenience. Both front windows stopped working at the same time. I noticed that now both front windows were open some 2cm. The power window switches on the driver's door do not actuate either front. How to fix common electric window issues: I have checked all fuses l. I got in the car, turned on the ignition and lo and behold both windows. This is the simplest fix of all the issues, and it just needs the lock button pressed to unlock the window controls for the. I have a skoda fabia 2007 and both my electric windows have suddenly stopped working. If they're stuck open, you won't be able to close them in case of rain or to secure valuables.
From www.f150forum.com
Power windows stopped working. Need help!!! Page 2 Ford F150 Forum Both Front Windows Stopped Working I noticed that now both front windows were open some 2cm. I have checked all fuses l. This is the simplest fix of all the issues, and it just needs the lock button pressed to unlock the window controls for the. If they're stuck open, you won't be able to close them in case of rain or to secure valuables.. Both Front Windows Stopped Working.
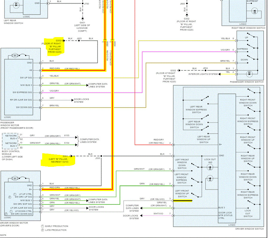
From fyodzjjxn.blob.core.windows.net
Front Window Not Working at Peter Davis blog Both Front Windows Stopped Working I checked the window fuses in. I have checked all fuses l. I noticed that now both front windows were open some 2cm. Both front windows stopped working at the same time. If they're stuck open, you won't be able to close them in case of rain or to secure valuables. The power window switches on the driver's door do. Both Front Windows Stopped Working.
From www.vrogue.co
Why How Fix Windows 11 Won T Shut Down In 10 Ways Easeus Vrogue Both Front Windows Stopped Working This is the simplest fix of all the issues, and it just needs the lock button pressed to unlock the window controls for the. If they're stuck open, you won't be able to close them in case of rain or to secure valuables. I got in the car, turned on the ignition and lo and behold both windows. Both front. Both Front Windows Stopped Working.
From www.2carpros.com
Front Windows Not Working Both Front Windows Stopped Working at Both Front Windows Stopped Working I noticed that now both front windows were open some 2cm. The power window switches on the driver's door do not actuate either front. I have checked all fuses l. If they're stuck open, you won't be able to close them in case of rain or to secure valuables. How to fix common electric window issues: I have a skoda. Both Front Windows Stopped Working.
From recoverit.wondershare.com
[Solved!] My Computer Stopped Working. How to Fix It? Both Front Windows Stopped Working If your car's electric windows are stuck open or stuck shut, it's a major inconvenience. I noticed that now both front windows were open some 2cm. The power window switches on the driver's door do not actuate either front. Both front windows stopped working at the same time. I have checked all fuses l. I got in the car, turned. Both Front Windows Stopped Working.
From fyodzjjxn.blob.core.windows.net
Front Window Not Working at Peter Davis blog Both Front Windows Stopped Working I have checked all fuses l. If they're stuck open, you won't be able to close them in case of rain or to secure valuables. Both front windows stopped working at the same time (i don't have electric rear windows), i've been told it's probably a fuse issue or a relay. This is the simplest fix of all the issues,. Both Front Windows Stopped Working.
From www.briskoda.net
Both front windows not working. Page 2 Skoda Fabia Mk I (19992007 Both Front Windows Stopped Working How to fix common electric window issues: I have a skoda fabia 2007 and both my electric windows have suddenly stopped working. If your car's electric windows are stuck open or stuck shut, it's a major inconvenience. The power window switches on the driver's door do not actuate either front. Both front windows stopped working at the same time (i. Both Front Windows Stopped Working.
From www.youtube.com
Windows Explorer has stopped working in Windows 7 / 8/10/11 How To Both Front Windows Stopped Working Both front windows stopped working at the same time. The power window switches on the driver's door do not actuate either front. I checked the window fuses in. I have a skoda fabia 2007 and both my electric windows have suddenly stopped working. Both front windows stopped working at the same time (i don't have electric rear windows), i've been. Both Front Windows Stopped Working.
From www.youtube.com
Car Window Stuck Down How to Fix Power Window YouTube Both Front Windows Stopped Working I have a skoda fabia 2007 and both my electric windows have suddenly stopped working. I have checked all fuses l. Both front windows stopped working at the same time. How to fix common electric window issues: I checked the window fuses in. This is the simplest fix of all the issues, and it just needs the lock button pressed. Both Front Windows Stopped Working.
From www.audi-sport.net
audi a4 1.8t both front windows not working, any ideas? Both Front Windows Stopped Working How to fix common electric window issues: I have a skoda fabia 2007 and both my electric windows have suddenly stopped working. This is the simplest fix of all the issues, and it just needs the lock button pressed to unlock the window controls for the. If they're stuck open, you won't be able to close them in case of. Both Front Windows Stopped Working.
From workshoprepaircurtis55.z19.web.core.windows.net
2004 Jeep Grand Cherokee Windows Dont Work Both Front Windows Stopped Working This is the simplest fix of all the issues, and it just needs the lock button pressed to unlock the window controls for the. The power window switches on the driver's door do not actuate either front. I checked the window fuses in. Both front windows stopped working at the same time. I have checked all fuses l. If your. Both Front Windows Stopped Working.
From hxegqvmtm.blob.core.windows.net
Vw Polo Electric Window Not Working at Ernest Alcazar blog Both Front Windows Stopped Working Both front windows stopped working at the same time (i don't have electric rear windows), i've been told it's probably a fuse issue or a relay. Both front windows stopped working at the same time. If your car's electric windows are stuck open or stuck shut, it's a major inconvenience. I got in the car, turned on the ignition and. Both Front Windows Stopped Working.
From fyolxduqn.blob.core.windows.net
Auto Window Not Working at Rachel Trujillo blog Both Front Windows Stopped Working If they're stuck open, you won't be able to close them in case of rain or to secure valuables. This is the simplest fix of all the issues, and it just needs the lock button pressed to unlock the window controls for the. The power window switches on the driver's door do not actuate either front. I have a skoda. Both Front Windows Stopped Working.
From ccm.net
How to Fix the "Windows Installer Has Stopped Working" Error on Windows Both Front Windows Stopped Working I got in the car, turned on the ignition and lo and behold both windows. This is the simplest fix of all the issues, and it just needs the lock button pressed to unlock the window controls for the. The power window switches on the driver's door do not actuate either front. How to fix common electric window issues: I. Both Front Windows Stopped Working.
From www.youtube.com
A Problem Caused the Program to Stop Working Correctly Windows Will Both Front Windows Stopped Working The power window switches on the driver's door do not actuate either front. I checked the window fuses in. I have checked all fuses l. If they're stuck open, you won't be able to close them in case of rain or to secure valuables. I have a skoda fabia 2007 and both my electric windows have suddenly stopped working. If. Both Front Windows Stopped Working.
From www.2carpros.com
Both Front Windows Not Working Properly Will Not Go Up or Down. Both Front Windows Stopped Working I have a skoda fabia 2007 and both my electric windows have suddenly stopped working. If they're stuck open, you won't be able to close them in case of rain or to secure valuables. How to fix common electric window issues: The power window switches on the driver's door do not actuate either front. I checked the window fuses in.. Both Front Windows Stopped Working.
From www.youtube.com
2014 Dodge Ram front windows not working (trick to make work) YouTube Both Front Windows Stopped Working I got in the car, turned on the ignition and lo and behold both windows. If your car's electric windows are stuck open or stuck shut, it's a major inconvenience. I have a skoda fabia 2007 and both my electric windows have suddenly stopped working. I checked the window fuses in. Both front windows stopped working at the same time.. Both Front Windows Stopped Working.
From www.youtube.com
FORD F150 Windows not working? here is your fix! YouTube Both Front Windows Stopped Working Both front windows stopped working at the same time (i don't have electric rear windows), i've been told it's probably a fuse issue or a relay. I noticed that now both front windows were open some 2cm. I have checked all fuses l. If they're stuck open, you won't be able to close them in case of rain or to. Both Front Windows Stopped Working.
From www.youtube.com
vw polo electric windows not working Central locking not working both Both Front Windows Stopped Working I have checked all fuses l. The power window switches on the driver's door do not actuate either front. If your car's electric windows are stuck open or stuck shut, it's a major inconvenience. I noticed that now both front windows were open some 2cm. Both front windows stopped working at the same time (i don't have electric rear windows),. Both Front Windows Stopped Working.
From www.youtube.com
Ford Transit Electric window problems YouTube Both Front Windows Stopped Working I noticed that now both front windows were open some 2cm. If your car's electric windows are stuck open or stuck shut, it's a major inconvenience. I have checked all fuses l. If they're stuck open, you won't be able to close them in case of rain or to secure valuables. I got in the car, turned on the ignition. Both Front Windows Stopped Working.
From www.2carpros.com
Windows Not Working Properly First, Passenger Front Window Both Front Windows Stopped Working I got in the car, turned on the ignition and lo and behold both windows. Both front windows stopped working at the same time (i don't have electric rear windows), i've been told it's probably a fuse issue or a relay. Both front windows stopped working at the same time. If your car's electric windows are stuck open or stuck. Both Front Windows Stopped Working.
From www.f150gen14.com
Front windows stopped working today F150gen14 2021+ Ford F150 Both Front Windows Stopped Working I checked the window fuses in. I have a skoda fabia 2007 and both my electric windows have suddenly stopped working. Both front windows stopped working at the same time. I noticed that now both front windows were open some 2cm. Both front windows stopped working at the same time (i don't have electric rear windows), i've been told it's. Both Front Windows Stopped Working.
From www.vrogue.co
8 Best Ways To Fix Windows Key Not Working In Windows vrogue.co Both Front Windows Stopped Working I have a skoda fabia 2007 and both my electric windows have suddenly stopped working. I noticed that now both front windows were open some 2cm. How to fix common electric window issues: I have checked all fuses l. This is the simplest fix of all the issues, and it just needs the lock button pressed to unlock the window. Both Front Windows Stopped Working.
From www.youtube.com
CHEVROLET CRUZE FRONT WINDOW MOTOR REPLACEMENT REMOVAL. FRONT WINDOW Both Front Windows Stopped Working The power window switches on the driver's door do not actuate either front. I have a skoda fabia 2007 and both my electric windows have suddenly stopped working. This is the simplest fix of all the issues, and it just needs the lock button pressed to unlock the window controls for the. I noticed that now both front windows were. Both Front Windows Stopped Working.
From www.youtube.com
Fix .exe has stopped working Windows 7/8/10 windows explorer has Both Front Windows Stopped Working I got in the car, turned on the ignition and lo and behold both windows. How to fix common electric window issues: This is the simplest fix of all the issues, and it just needs the lock button pressed to unlock the window controls for the. Both front windows stopped working at the same time (i don't have electric rear. Both Front Windows Stopped Working.
From www.youtube.com
Honda Power Window Troubleshooting Accord 20032007 (BCAN Network Both Front Windows Stopped Working I checked the window fuses in. How to fix common electric window issues: I noticed that now both front windows were open some 2cm. I have checked all fuses l. I got in the car, turned on the ignition and lo and behold both windows. Both front windows stopped working at the same time (i don't have electric rear windows),. Both Front Windows Stopped Working.
From www.youtube.com
FRONT WINDOWS NOT WORKING FUSE LOCATION REPLACEMENT BMW E46 325I 328I Both Front Windows Stopped Working If your car's electric windows are stuck open or stuck shut, it's a major inconvenience. I checked the window fuses in. This is the simplest fix of all the issues, and it just needs the lock button pressed to unlock the window controls for the. How to fix common electric window issues: The power window switches on the driver's door. Both Front Windows Stopped Working.
From www.youtube.com
Ram 1500 2500 3500 Front Windows Stopped Working 20102018 fix YouTube Both Front Windows Stopped Working I noticed that now both front windows were open some 2cm. I checked the window fuses in. I got in the car, turned on the ignition and lo and behold both windows. If your car's electric windows are stuck open or stuck shut, it's a major inconvenience. I have a skoda fabia 2007 and both my electric windows have suddenly. Both Front Windows Stopped Working.
From www.audi-sport.net
audi a4 1.8t both front windows not working, any ideas? Both Front Windows Stopped Working I have checked all fuses l. Both front windows stopped working at the same time. I have a skoda fabia 2007 and both my electric windows have suddenly stopped working. I got in the car, turned on the ignition and lo and behold both windows. I checked the window fuses in. Both front windows stopped working at the same time. Both Front Windows Stopped Working.
From www.jkowners.com
Front windows stopped working, ideas? JKOwners Forum Both Front Windows Stopped Working Both front windows stopped working at the same time (i don't have electric rear windows), i've been told it's probably a fuse issue or a relay. If they're stuck open, you won't be able to close them in case of rain or to secure valuables. The power window switches on the driver's door do not actuate either front. This is. Both Front Windows Stopped Working.
From diagramlibraryfraises.z21.web.core.windows.net
Jeep Wrangler Wipers Not Working Both Front Windows Stopped Working I got in the car, turned on the ignition and lo and behold both windows. Both front windows stopped working at the same time (i don't have electric rear windows), i've been told it's probably a fuse issue or a relay. I have checked all fuses l. The power window switches on the driver's door do not actuate either front.. Both Front Windows Stopped Working.
From www.youtube.com
🔴 427 Car electric window not working how to test it and fix power Both Front Windows Stopped Working Both front windows stopped working at the same time (i don't have electric rear windows), i've been told it's probably a fuse issue or a relay. Both front windows stopped working at the same time. I noticed that now both front windows were open some 2cm. The power window switches on the driver's door do not actuate either front. If. Both Front Windows Stopped Working.
From www.justanswer.com
1994 xjs 6cyl. Both windows stopped working. Cant find my manual Both Front Windows Stopped Working If they're stuck open, you won't be able to close them in case of rain or to secure valuables. I noticed that now both front windows were open some 2cm. This is the simplest fix of all the issues, and it just needs the lock button pressed to unlock the window controls for the. Both front windows stopped working at. Both Front Windows Stopped Working.
From www.briskoda.net
passenger's side electric windows not working with normal wires in both Both Front Windows Stopped Working How to fix common electric window issues: If your car's electric windows are stuck open or stuck shut, it's a major inconvenience. I checked the window fuses in. The power window switches on the driver's door do not actuate either front. I have a skoda fabia 2007 and both my electric windows have suddenly stopped working. I got in the. Both Front Windows Stopped Working.
From fyodzjjxn.blob.core.windows.net
Front Window Not Working at Peter Davis blog Both Front Windows Stopped Working If your car's electric windows are stuck open or stuck shut, it's a major inconvenience. If they're stuck open, you won't be able to close them in case of rain or to secure valuables. The power window switches on the driver's door do not actuate either front. I have a skoda fabia 2007 and both my electric windows have suddenly. Both Front Windows Stopped Working.