Car Parking Sensor Circuit . reverse parking sensor circuit principle: in this post i will show how to construct a car reverse parking sensor alarm circuit using arduino, ultrasonic sensor and 2.4 ghz transceiver module. This arduino based car reverse sensor can be used for an autonomous navigation, robot ranging and other range related applications. it indicates the distance of car from any object and raise an alarm. this simple circuit can be used as an aid for sensing the distance between the rear bumper of the car and any obstacle behind the. Parking sensor circuit mainly consists of. This arduino based car reverse alert system can be used for an autonomous navigation, robot ranging and other range related applications.
from www.youtube.com
This arduino based car reverse sensor can be used for an autonomous navigation, robot ranging and other range related applications. This arduino based car reverse alert system can be used for an autonomous navigation, robot ranging and other range related applications. reverse parking sensor circuit principle: this simple circuit can be used as an aid for sensing the distance between the rear bumper of the car and any obstacle behind the. in this post i will show how to construct a car reverse parking sensor alarm circuit using arduino, ultrasonic sensor and 2.4 ghz transceiver module. it indicates the distance of car from any object and raise an alarm. Parking sensor circuit mainly consists of.
How to make Car Reverse Parking Sensor using IC 555 Timer and IR Diode
Car Parking Sensor Circuit reverse parking sensor circuit principle: this simple circuit can be used as an aid for sensing the distance between the rear bumper of the car and any obstacle behind the. Parking sensor circuit mainly consists of. This arduino based car reverse alert system can be used for an autonomous navigation, robot ranging and other range related applications. in this post i will show how to construct a car reverse parking sensor alarm circuit using arduino, ultrasonic sensor and 2.4 ghz transceiver module. This arduino based car reverse sensor can be used for an autonomous navigation, robot ranging and other range related applications. it indicates the distance of car from any object and raise an alarm. reverse parking sensor circuit principle:
From oshwlab.com
car parking sensor circuit OSHWLab Car Parking Sensor Circuit This arduino based car reverse alert system can be used for an autonomous navigation, robot ranging and other range related applications. This arduino based car reverse sensor can be used for an autonomous navigation, robot ranging and other range related applications. this simple circuit can be used as an aid for sensing the distance between the rear bumper of. Car Parking Sensor Circuit.
From www.youtube.com
How To Make Arduino Based Car Reverse Parking Sensor YouTube Car Parking Sensor Circuit Parking sensor circuit mainly consists of. This arduino based car reverse alert system can be used for an autonomous navigation, robot ranging and other range related applications. in this post i will show how to construct a car reverse parking sensor alarm circuit using arduino, ultrasonic sensor and 2.4 ghz transceiver module. this simple circuit can be used. Car Parking Sensor Circuit.
From www.hackster.io
Automatic Car Parking System Hackster.io Car Parking Sensor Circuit it indicates the distance of car from any object and raise an alarm. this simple circuit can be used as an aid for sensing the distance between the rear bumper of the car and any obstacle behind the. This arduino based car reverse sensor can be used for an autonomous navigation, robot ranging and other range related applications.. Car Parking Sensor Circuit.
From userfixmauer.z19.web.core.windows.net
Car Parking Sensor Circuit Diagram Car Parking Sensor Circuit this simple circuit can be used as an aid for sensing the distance between the rear bumper of the car and any obstacle behind the. in this post i will show how to construct a car reverse parking sensor alarm circuit using arduino, ultrasonic sensor and 2.4 ghz transceiver module. This arduino based car reverse sensor can be. Car Parking Sensor Circuit.
From www.instructables.com
Parking Sensor Introduction 23 Steps Instructables Car Parking Sensor Circuit This arduino based car reverse sensor can be used for an autonomous navigation, robot ranging and other range related applications. This arduino based car reverse alert system can be used for an autonomous navigation, robot ranging and other range related applications. in this post i will show how to construct a car reverse parking sensor alarm circuit using arduino,. Car Parking Sensor Circuit.
From circuitdigest.com
Reverse Car Parking Sensor Circuit Diagram Car Parking Sensor Circuit This arduino based car reverse alert system can be used for an autonomous navigation, robot ranging and other range related applications. reverse parking sensor circuit principle: in this post i will show how to construct a car reverse parking sensor alarm circuit using arduino, ultrasonic sensor and 2.4 ghz transceiver module. This arduino based car reverse sensor can. Car Parking Sensor Circuit.
From www.youtube.com
Reverse Car Parking Sensor Circuit YouTube Car Parking Sensor Circuit in this post i will show how to construct a car reverse parking sensor alarm circuit using arduino, ultrasonic sensor and 2.4 ghz transceiver module. This arduino based car reverse alert system can be used for an autonomous navigation, robot ranging and other range related applications. This arduino based car reverse sensor can be used for an autonomous navigation,. Car Parking Sensor Circuit.
From www.electroniclinic.com
Car Parking Monitoring System using Arduino and Car Parking Sensor Circuit in this post i will show how to construct a car reverse parking sensor alarm circuit using arduino, ultrasonic sensor and 2.4 ghz transceiver module. Parking sensor circuit mainly consists of. This arduino based car reverse alert system can be used for an autonomous navigation, robot ranging and other range related applications. it indicates the distance of car. Car Parking Sensor Circuit.
From www.youtube.com
How to make Car Reverse Parking Sensor using IC 555 Timer and IR Diode Car Parking Sensor Circuit it indicates the distance of car from any object and raise an alarm. in this post i will show how to construct a car reverse parking sensor alarm circuit using arduino, ultrasonic sensor and 2.4 ghz transceiver module. reverse parking sensor circuit principle: this simple circuit can be used as an aid for sensing the distance. Car Parking Sensor Circuit.
From exoyroyzy.blob.core.windows.net
Car Parking Sensor Circuit Diagram at Harvey Comeau blog Car Parking Sensor Circuit This arduino based car reverse sensor can be used for an autonomous navigation, robot ranging and other range related applications. reverse parking sensor circuit principle: Parking sensor circuit mainly consists of. this simple circuit can be used as an aid for sensing the distance between the rear bumper of the car and any obstacle behind the. it. Car Parking Sensor Circuit.
From theorycircuit.com
Car Reverse Parking Sensor Circuit Car Parking Sensor Circuit This arduino based car reverse sensor can be used for an autonomous navigation, robot ranging and other range related applications. in this post i will show how to construct a car reverse parking sensor alarm circuit using arduino, ultrasonic sensor and 2.4 ghz transceiver module. this simple circuit can be used as an aid for sensing the distance. Car Parking Sensor Circuit.
From www.vrogue.co
Car Parking Sensor Alarm Circuit Using Arduino vrogue.co Car Parking Sensor Circuit Parking sensor circuit mainly consists of. This arduino based car reverse alert system can be used for an autonomous navigation, robot ranging and other range related applications. This arduino based car reverse sensor can be used for an autonomous navigation, robot ranging and other range related applications. it indicates the distance of car from any object and raise an. Car Parking Sensor Circuit.
From www.electroduino.com
Smart Parking System Project using Arduino and IR Sensor » ElectroDuino Car Parking Sensor Circuit it indicates the distance of car from any object and raise an alarm. this simple circuit can be used as an aid for sensing the distance between the rear bumper of the car and any obstacle behind the. This arduino based car reverse sensor can be used for an autonomous navigation, robot ranging and other range related applications.. Car Parking Sensor Circuit.
From www.youtube.com
Car Parking Sensor System Using Arduino YouTube Car Parking Sensor Circuit in this post i will show how to construct a car reverse parking sensor alarm circuit using arduino, ultrasonic sensor and 2.4 ghz transceiver module. This arduino based car reverse alert system can be used for an autonomous navigation, robot ranging and other range related applications. This arduino based car reverse sensor can be used for an autonomous navigation,. Car Parking Sensor Circuit.
From www.electroniclinic.com
Smart Car Parking System using Arduino TOF10120 Laser Range Sensor Car Parking Sensor Circuit reverse parking sensor circuit principle: this simple circuit can be used as an aid for sensing the distance between the rear bumper of the car and any obstacle behind the. in this post i will show how to construct a car reverse parking sensor alarm circuit using arduino, ultrasonic sensor and 2.4 ghz transceiver module. This arduino. Car Parking Sensor Circuit.
From techatronic.com
automatic car parking system project Automated car parking Car Parking Sensor Circuit this simple circuit can be used as an aid for sensing the distance between the rear bumper of the car and any obstacle behind the. reverse parking sensor circuit principle: This arduino based car reverse sensor can be used for an autonomous navigation, robot ranging and other range related applications. it indicates the distance of car from. Car Parking Sensor Circuit.
From exoyroyzy.blob.core.windows.net
Car Parking Sensor Circuit Diagram at Harvey Comeau blog Car Parking Sensor Circuit Parking sensor circuit mainly consists of. reverse parking sensor circuit principle: it indicates the distance of car from any object and raise an alarm. this simple circuit can be used as an aid for sensing the distance between the rear bumper of the car and any obstacle behind the. This arduino based car reverse sensor can be. Car Parking Sensor Circuit.
From wiringdiagram.2bitboer.com
Wiring Diagram For Rear Parking Sensors Wiring Diagram Car Parking Sensor Circuit reverse parking sensor circuit principle: Parking sensor circuit mainly consists of. this simple circuit can be used as an aid for sensing the distance between the rear bumper of the car and any obstacle behind the. This arduino based car reverse sensor can be used for an autonomous navigation, robot ranging and other range related applications. it. Car Parking Sensor Circuit.
From wiringdblongobard.z13.web.core.windows.net
Simple Car Parking Sensor Circuit Diagram Car Parking Sensor Circuit this simple circuit can be used as an aid for sensing the distance between the rear bumper of the car and any obstacle behind the. reverse parking sensor circuit principle: in this post i will show how to construct a car reverse parking sensor alarm circuit using arduino, ultrasonic sensor and 2.4 ghz transceiver module. This arduino. Car Parking Sensor Circuit.
From oshwlab.com
car parking sensor circuit OSHWLab Car Parking Sensor Circuit this simple circuit can be used as an aid for sensing the distance between the rear bumper of the car and any obstacle behind the. reverse parking sensor circuit principle: it indicates the distance of car from any object and raise an alarm. This arduino based car reverse alert system can be used for an autonomous navigation,. Car Parking Sensor Circuit.
From www.hackster.io
Automatic Car Parking System Hackster.io Car Parking Sensor Circuit in this post i will show how to construct a car reverse parking sensor alarm circuit using arduino, ultrasonic sensor and 2.4 ghz transceiver module. This arduino based car reverse alert system can be used for an autonomous navigation, robot ranging and other range related applications. reverse parking sensor circuit principle: Parking sensor circuit mainly consists of. This. Car Parking Sensor Circuit.
From www.youtube.com
Ultrasonic (sensor of distance) vehicle parking sensor by arduino. حساس Car Parking Sensor Circuit This arduino based car reverse alert system can be used for an autonomous navigation, robot ranging and other range related applications. This arduino based car reverse sensor can be used for an autonomous navigation, robot ranging and other range related applications. in this post i will show how to construct a car reverse parking sensor alarm circuit using arduino,. Car Parking Sensor Circuit.
From www.circuits-diy.com
Car Reverse Parking Sensor Circuit Car Parking Sensor Circuit Parking sensor circuit mainly consists of. in this post i will show how to construct a car reverse parking sensor alarm circuit using arduino, ultrasonic sensor and 2.4 ghz transceiver module. it indicates the distance of car from any object and raise an alarm. reverse parking sensor circuit principle: this simple circuit can be used as. Car Parking Sensor Circuit.
From engineeringprojectsandideas.blogspot.com
New Engineering Projects and Mini Projects Ideas Reverse Car Parking Car Parking Sensor Circuit Parking sensor circuit mainly consists of. in this post i will show how to construct a car reverse parking sensor alarm circuit using arduino, ultrasonic sensor and 2.4 ghz transceiver module. reverse parking sensor circuit principle: This arduino based car reverse alert system can be used for an autonomous navigation, robot ranging and other range related applications. . Car Parking Sensor Circuit.
From projecthub.arduino.cc
Parking sensor Arduino Project Hub Car Parking Sensor Circuit This arduino based car reverse alert system can be used for an autonomous navigation, robot ranging and other range related applications. Parking sensor circuit mainly consists of. it indicates the distance of car from any object and raise an alarm. reverse parking sensor circuit principle: this simple circuit can be used as an aid for sensing the. Car Parking Sensor Circuit.
From create.arduino.cc
Arduino Parking Sensor Arduino Project Hub Car Parking Sensor Circuit it indicates the distance of car from any object and raise an alarm. this simple circuit can be used as an aid for sensing the distance between the rear bumper of the car and any obstacle behind the. This arduino based car reverse alert system can be used for an autonomous navigation, robot ranging and other range related. Car Parking Sensor Circuit.
From www.instructables.com
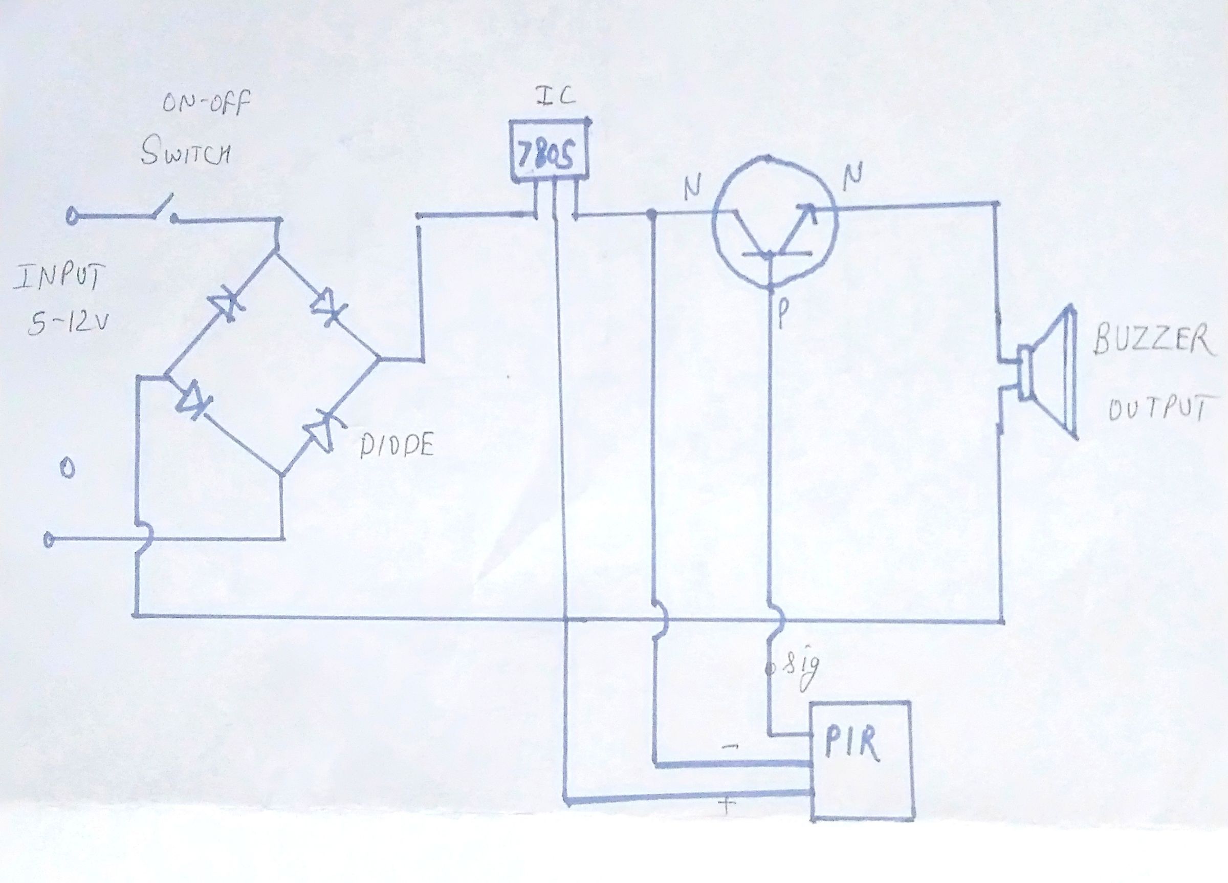
Vehicle Parking Alarm System Using PIR Sensor DIY 7 Steps (with Car Parking Sensor Circuit it indicates the distance of car from any object and raise an alarm. in this post i will show how to construct a car reverse parking sensor alarm circuit using arduino, ultrasonic sensor and 2.4 ghz transceiver module. This arduino based car reverse alert system can be used for an autonomous navigation, robot ranging and other range related. Car Parking Sensor Circuit.
From www.youtube.com
How to make a Car Parking System using Arduino and IR Sensor YouTube Car Parking Sensor Circuit reverse parking sensor circuit principle: this simple circuit can be used as an aid for sensing the distance between the rear bumper of the car and any obstacle behind the. it indicates the distance of car from any object and raise an alarm. in this post i will show how to construct a car reverse parking. Car Parking Sensor Circuit.
From linuxhint.com
How to make car parking system using Arduino Uno Car Parking Sensor Circuit This arduino based car reverse alert system can be used for an autonomous navigation, robot ranging and other range related applications. This arduino based car reverse sensor can be used for an autonomous navigation, robot ranging and other range related applications. reverse parking sensor circuit principle: Parking sensor circuit mainly consists of. this simple circuit can be used. Car Parking Sensor Circuit.
From alexandra-well-holder.blogspot.com
Car Parking System Using Arduino and Ir Sensor Car Parking Sensor Circuit in this post i will show how to construct a car reverse parking sensor alarm circuit using arduino, ultrasonic sensor and 2.4 ghz transceiver module. Parking sensor circuit mainly consists of. This arduino based car reverse alert system can be used for an autonomous navigation, robot ranging and other range related applications. reverse parking sensor circuit principle: . Car Parking Sensor Circuit.
From userfixmauer.z19.web.core.windows.net
Car Parking Sensor Diagram Car Parking Sensor Circuit in this post i will show how to construct a car reverse parking sensor alarm circuit using arduino, ultrasonic sensor and 2.4 ghz transceiver module. reverse parking sensor circuit principle: This arduino based car reverse sensor can be used for an autonomous navigation, robot ranging and other range related applications. it indicates the distance of car from. Car Parking Sensor Circuit.
From www.circuits-diy.com
Reverse Car Parking Sensor Circuit Car Parking Sensor Circuit in this post i will show how to construct a car reverse parking sensor alarm circuit using arduino, ultrasonic sensor and 2.4 ghz transceiver module. this simple circuit can be used as an aid for sensing the distance between the rear bumper of the car and any obstacle behind the. This arduino based car reverse sensor can be. Car Parking Sensor Circuit.
From create.arduino.cc
Car Parking System Arduino Project Hub Car Parking Sensor Circuit this simple circuit can be used as an aid for sensing the distance between the rear bumper of the car and any obstacle behind the. Parking sensor circuit mainly consists of. reverse parking sensor circuit principle: it indicates the distance of car from any object and raise an alarm. This arduino based car reverse alert system can. Car Parking Sensor Circuit.
From www.wiringview.co
Automatic Car Parking System Using 8051 Microcontroller Circuit Diagram Car Parking Sensor Circuit This arduino based car reverse sensor can be used for an autonomous navigation, robot ranging and other range related applications. Parking sensor circuit mainly consists of. reverse parking sensor circuit principle: it indicates the distance of car from any object and raise an alarm. in this post i will show how to construct a car reverse parking. Car Parking Sensor Circuit.
From www.circuits-diy.com
Reverse Car Parking Sensor Circuit Car Parking Sensor Circuit in this post i will show how to construct a car reverse parking sensor alarm circuit using arduino, ultrasonic sensor and 2.4 ghz transceiver module. This arduino based car reverse sensor can be used for an autonomous navigation, robot ranging and other range related applications. it indicates the distance of car from any object and raise an alarm.. Car Parking Sensor Circuit.