How To Build A Marshall Plexi . I've seen vintage amps (marshall inspired designs) where the b+ was in excess of 600v (measured at the power amp stage). Building a marshall plexi style amp? If you enjoyed this video please. This will be a nice cool.
from www.bassybeats.co.nz
Building a marshall plexi style amp? I've seen vintage amps (marshall inspired designs) where the b+ was in excess of 600v (measured at the power amp stage). This will be a nice cool. If you enjoyed this video please.
Building a Mini Marshall Plexi Bassybeats Projects
How To Build A Marshall Plexi If you enjoyed this video please. Building a marshall plexi style amp? This will be a nice cool. I've seen vintage amps (marshall inspired designs) where the b+ was in excess of 600v (measured at the power amp stage). If you enjoyed this video please.
From www.sweetwater.com
The History of the Legendary Marshall 100watt "Plexi" Head How To Build A Marshall Plexi This will be a nice cool. If you enjoyed this video please. Building a marshall plexi style amp? I've seen vintage amps (marshall inspired designs) where the b+ was in excess of 600v (measured at the power amp stage). How To Build A Marshall Plexi.
From www.youtube.com
Marshall Plexi with Full Jose Mod + PCM41 LENZ Amplification YouTube How To Build A Marshall Plexi This will be a nice cool. Building a marshall plexi style amp? If you enjoyed this video please. I've seen vintage amps (marshall inspired designs) where the b+ was in excess of 600v (measured at the power amp stage). How To Build A Marshall Plexi.
From www.youtube.com
Marshall Plexi 36 Slash mod 2 YouTube How To Build A Marshall Plexi I've seen vintage amps (marshall inspired designs) where the b+ was in excess of 600v (measured at the power amp stage). This will be a nice cool. If you enjoyed this video please. Building a marshall plexi style amp? How To Build A Marshall Plexi.
From www.anatomyofguitartone.com
Marshall SV20H 20watt Plexi Amp — Anatomy of Guitar Tone How To Build A Marshall Plexi If you enjoyed this video please. Building a marshall plexi style amp? This will be a nice cool. I've seen vintage amps (marshall inspired designs) where the b+ was in excess of 600v (measured at the power amp stage). How To Build A Marshall Plexi.
From www.guitarworld.com
Marshall Plexi guitar amps everything you need to know Guitar World How To Build A Marshall Plexi I've seen vintage amps (marshall inspired designs) where the b+ was in excess of 600v (measured at the power amp stage). If you enjoyed this video please. Building a marshall plexi style amp? This will be a nice cool. How To Build A Marshall Plexi.
From www.youtube.com
When to JUMPER Your Marshall PLEXI! YouTube How To Build A Marshall Plexi This will be a nice cool. If you enjoyed this video please. I've seen vintage amps (marshall inspired designs) where the b+ was in excess of 600v (measured at the power amp stage). Building a marshall plexi style amp? How To Build A Marshall Plexi.
From www.youtube.com
Lets Build a Small Box Marshall Plexi 50W Amplifier (by Modulus How To Build A Marshall Plexi I've seen vintage amps (marshall inspired designs) where the b+ was in excess of 600v (measured at the power amp stage). If you enjoyed this video please. Building a marshall plexi style amp? This will be a nice cool. How To Build A Marshall Plexi.
From www.guitarworld.com
Marshall Plexi guitar amps everything you need to know Guitar World How To Build A Marshall Plexi I've seen vintage amps (marshall inspired designs) where the b+ was in excess of 600v (measured at the power amp stage). This will be a nice cool. Building a marshall plexi style amp? If you enjoyed this video please. How To Build A Marshall Plexi.
From www.youtube.com
Marshall Mini PLEXI, How Versatile Is It? (SV20H in clean, crunch, rock How To Build A Marshall Plexi This will be a nice cool. I've seen vintage amps (marshall inspired designs) where the b+ was in excess of 600v (measured at the power amp stage). Building a marshall plexi style amp? If you enjoyed this video please. How To Build A Marshall Plexi.
From www.youtube.com
Need a Master Volume on your Marshall Plexi Reissue? Use the FX Loop How To Build A Marshall Plexi Building a marshall plexi style amp? This will be a nice cool. If you enjoyed this video please. I've seen vintage amps (marshall inspired designs) where the b+ was in excess of 600v (measured at the power amp stage). How To Build A Marshall Plexi.
From www.youtube.com
How to install Master Volume Marshall Super Lead Plexi easy method How To Build A Marshall Plexi If you enjoyed this video please. Building a marshall plexi style amp? This will be a nice cool. I've seen vintage amps (marshall inspired designs) where the b+ was in excess of 600v (measured at the power amp stage). How To Build A Marshall Plexi.
From www.bassybeats.co.nz
Building a Mini Marshall Plexi Bassybeats Projects How To Build A Marshall Plexi Building a marshall plexi style amp? If you enjoyed this video please. I've seen vintage amps (marshall inspired designs) where the b+ was in excess of 600v (measured at the power amp stage). This will be a nice cool. How To Build A Marshall Plexi.
From circuitlibrarylawrence.z6.web.core.windows.net
Marshall 1959 Super Lead Plexi Schematic How To Build A Marshall Plexi I've seen vintage amps (marshall inspired designs) where the b+ was in excess of 600v (measured at the power amp stage). Building a marshall plexi style amp? This will be a nice cool. If you enjoyed this video please. How To Build A Marshall Plexi.
From www.youtube.com
Marshall Plexi 1959HW Demo and Circuit YouTube How To Build A Marshall Plexi I've seen vintage amps (marshall inspired designs) where the b+ was in excess of 600v (measured at the power amp stage). If you enjoyed this video please. Building a marshall plexi style amp? This will be a nice cool. How To Build A Marshall Plexi.
From www.youtube.com
Modded Marshall Plexi Super Lead 100w Brownage Sound Clip YouTube How To Build A Marshall Plexi This will be a nice cool. If you enjoyed this video please. I've seen vintage amps (marshall inspired designs) where the b+ was in excess of 600v (measured at the power amp stage). Building a marshall plexi style amp? How To Build A Marshall Plexi.
From www.scribd.com
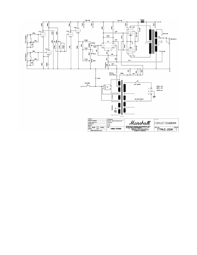
Marshall Plexi 1966 Jtm45 Schematic PDF Musical Instruments Music How To Build A Marshall Plexi Building a marshall plexi style amp? This will be a nice cool. I've seen vintage amps (marshall inspired designs) where the b+ was in excess of 600v (measured at the power amp stage). If you enjoyed this video please. How To Build A Marshall Plexi.
From schematicvileness.z5.web.core.windows.net
Marshall Plexi Diy Kit How To Build A Marshall Plexi I've seen vintage amps (marshall inspired designs) where the b+ was in excess of 600v (measured at the power amp stage). If you enjoyed this video please. Building a marshall plexi style amp? This will be a nice cool. How To Build A Marshall Plexi.
From www.youtube.com
Marshall Plexi Brown Sound YouTube How To Build A Marshall Plexi I've seen vintage amps (marshall inspired designs) where the b+ was in excess of 600v (measured at the power amp stage). This will be a nice cool. Building a marshall plexi style amp? If you enjoyed this video please. How To Build A Marshall Plexi.
From www.youtube.com
How to shape a Cranked Marshall Plexi using Guitar Volume and Tone How To Build A Marshall Plexi This will be a nice cool. I've seen vintage amps (marshall inspired designs) where the b+ was in excess of 600v (measured at the power amp stage). If you enjoyed this video please. Building a marshall plexi style amp? How To Build A Marshall Plexi.
From www.bassybeats.co.nz
Building a Mini Marshall Plexi Bassybeats Projects How To Build A Marshall Plexi This will be a nice cool. If you enjoyed this video please. I've seen vintage amps (marshall inspired designs) where the b+ was in excess of 600v (measured at the power amp stage). Building a marshall plexi style amp? How To Build A Marshall Plexi.
From www.marshallforum.com
Another Plexi build Page 14 How To Build A Marshall Plexi I've seen vintage amps (marshall inspired designs) where the b+ was in excess of 600v (measured at the power amp stage). If you enjoyed this video please. Building a marshall plexi style amp? This will be a nice cool. How To Build A Marshall Plexi.
From mungfali.com
Marshall Plexi Schematic How To Build A Marshall Plexi If you enjoyed this video please. This will be a nice cool. I've seen vintage amps (marshall inspired designs) where the b+ was in excess of 600v (measured at the power amp stage). Building a marshall plexi style amp? How To Build A Marshall Plexi.
From www.youtube.com
Friedman BE 100 Deluxe Best Marshall Plexi Settings YouTube How To Build A Marshall Plexi If you enjoyed this video please. I've seen vintage amps (marshall inspired designs) where the b+ was in excess of 600v (measured at the power amp stage). Building a marshall plexi style amp? This will be a nice cool. How To Build A Marshall Plexi.
From tagboardeffects.blogspot.com
Guitar FX Layouts Marshall Plexi 1987x How To Build A Marshall Plexi This will be a nice cool. I've seen vintage amps (marshall inspired designs) where the b+ was in excess of 600v (measured at the power amp stage). Building a marshall plexi style amp? If you enjoyed this video please. How To Build A Marshall Plexi.
From www.bassybeats.co.nz
Building a Mini Marshall Plexi Bassybeats Projects How To Build A Marshall Plexi This will be a nice cool. If you enjoyed this video please. Building a marshall plexi style amp? I've seen vintage amps (marshall inspired designs) where the b+ was in excess of 600v (measured at the power amp stage). How To Build A Marshall Plexi.
From www.sweetwater.com
The History of the Legendary Marshall 100watt "Plexi" Head How To Build A Marshall Plexi Building a marshall plexi style amp? If you enjoyed this video please. This will be a nice cool. I've seen vintage amps (marshall inspired designs) where the b+ was in excess of 600v (measured at the power amp stage). How To Build A Marshall Plexi.
From mungfali.com
Marshall Plexi Schematic How To Build A Marshall Plexi This will be a nice cool. If you enjoyed this video please. I've seen vintage amps (marshall inspired designs) where the b+ was in excess of 600v (measured at the power amp stage). Building a marshall plexi style amp? How To Build A Marshall Plexi.
From manualfixstarks.z13.web.core.windows.net
Marshall Plexi Diy Kit How To Build A Marshall Plexi This will be a nice cool. I've seen vintage amps (marshall inspired designs) where the b+ was in excess of 600v (measured at the power amp stage). Building a marshall plexi style amp? If you enjoyed this video please. How To Build A Marshall Plexi.
From www.musicradar.com
How to get classic Marshall 1959 'Plexi' tones using guitar modelling How To Build A Marshall Plexi This will be a nice cool. Building a marshall plexi style amp? If you enjoyed this video please. I've seen vintage amps (marshall inspired designs) where the b+ was in excess of 600v (measured at the power amp stage). How To Build A Marshall Plexi.
From www.softube.com
Marshall Plexi Classic Softube How To Build A Marshall Plexi If you enjoyed this video please. Building a marshall plexi style amp? I've seen vintage amps (marshall inspired designs) where the b+ was in excess of 600v (measured at the power amp stage). This will be a nice cool. How To Build A Marshall Plexi.
From www.bassybeats.co.nz
Building a Mini Marshall Plexi Bassybeats Projects How To Build A Marshall Plexi This will be a nice cool. If you enjoyed this video please. I've seen vintage amps (marshall inspired designs) where the b+ was in excess of 600v (measured at the power amp stage). Building a marshall plexi style amp? How To Build A Marshall Plexi.
From www.youtube.com
Building my "Marshall" JMP 50W Lead Plexi clone (1968 version) YouTube How To Build A Marshall Plexi If you enjoyed this video please. Building a marshall plexi style amp? I've seen vintage amps (marshall inspired designs) where the b+ was in excess of 600v (measured at the power amp stage). This will be a nice cool. How To Build A Marshall Plexi.
From www.youtube.com
Custom Amp Build 700 'Marshall' Plexi '69 Lead Amp Built From How To Build A Marshall Plexi I've seen vintage amps (marshall inspired designs) where the b+ was in excess of 600v (measured at the power amp stage). If you enjoyed this video please. Building a marshall plexi style amp? This will be a nice cool. How To Build A Marshall Plexi.
From www.softube.com
Marshall Plexi Classic Softube How To Build A Marshall Plexi If you enjoyed this video please. I've seen vintage amps (marshall inspired designs) where the b+ was in excess of 600v (measured at the power amp stage). This will be a nice cool. Building a marshall plexi style amp? How To Build A Marshall Plexi.
From www.marshallforum.com
Plexi Drive Build!!! Marshall Amp Forum How To Build A Marshall Plexi If you enjoyed this video please. Building a marshall plexi style amp? This will be a nice cool. I've seen vintage amps (marshall inspired designs) where the b+ was in excess of 600v (measured at the power amp stage). How To Build A Marshall Plexi.