Bmw Rear Window Demister Not Working . Error code signifies that the relay is not working. The button on the climate control still lights up, but the back windscreen. The best way i know to determine where the electrical fault is in your rear window defogger system is to start at the front, at fuse. A new window with a. Rear window heater has packed up. I checked fuses 203 and 204. I believe 203 is the one for rear window defrost looking at the diagram. In any case both looked good to me. The fuse is not blown, tested each line on the rear window with the volt meter and i see 14v on each line, but it's not defrosting. I had two problems, rear defroster didn't work, and the oil sensor light would come on intermittent. Recently i've noticed that my rear defroster is not working. Just throwing this out there: Fuse looks ok and i can hear the relay clicking in and out when i push the button on and off. I took some troubleshooting steps : My rear windscreen heater has stopped working.
from www.babybmw.net
My rear windscreen heater has stopped working. The best way i know to determine where the electrical fault is in your rear window defogger system is to start at the front, at fuse. Error code signifies that the relay is not working. The fuse is not blown, tested each line on the rear window with the volt meter and i see 14v on each line, but it's not defrosting. I checked fuses 203 and 204. In any case both looked good to me. I believe 203 is the one for rear window defrost looking at the diagram. Recently i've noticed that my rear defroster is not working. Fuse looks ok and i can hear the relay clicking in and out when i push the button on and off. A new window with a.
M235i Rear Window Demister Issue ? Baby BMW Forum
Bmw Rear Window Demister Not Working My rear windscreen heater has stopped working. A new window with a. Fuse looks ok and i can hear the relay clicking in and out when i push the button on and off. Rear window heater has packed up. Error code signifies that the relay is not working. Recently i've noticed that my rear defroster is not working. I checked fuses 203 and 204. In any case both looked good to me. The fuse is not blown, tested each line on the rear window with the volt meter and i see 14v on each line, but it's not defrosting. I had two problems, rear defroster didn't work, and the oil sensor light would come on intermittent. Just throwing this out there: My rear windscreen heater has stopped working. The button on the climate control still lights up, but the back windscreen. I took some troubleshooting steps : The best way i know to determine where the electrical fault is in your rear window defogger system is to start at the front, at fuse. I believe 203 is the one for rear window defrost looking at the diagram.
From www.thewindscreenco.co.uk
How to Demist your Windscreen Quickly 3 Steps to a Clear Windscreen Bmw Rear Window Demister Not Working Just throwing this out there: In any case both looked good to me. The best way i know to determine where the electrical fault is in your rear window defogger system is to start at the front, at fuse. I had two problems, rear defroster didn't work, and the oil sensor light would come on intermittent. Fuse looks ok and. Bmw Rear Window Demister Not Working.
From www.renaultforums.co.uk
Rear screen demister not working Independent Renault Forums Bmw Rear Window Demister Not Working The best way i know to determine where the electrical fault is in your rear window defogger system is to start at the front, at fuse. My rear windscreen heater has stopped working. Recently i've noticed that my rear defroster is not working. The fuse is not blown, tested each line on the rear window with the volt meter and. Bmw Rear Window Demister Not Working.
From www.vwt4forum.co.uk
Rear window demister VW T4 Forum VW T5 Forum Bmw Rear Window Demister Not Working A new window with a. The best way i know to determine where the electrical fault is in your rear window defogger system is to start at the front, at fuse. In any case both looked good to me. Fuse looks ok and i can hear the relay clicking in and out when i push the button on and off.. Bmw Rear Window Demister Not Working.
From www.ebay.co.uk
BMW E36 HEATED REAR WINDOW DEMISTER DEFROSTER SWITCH BUTTON 61318360454 Bmw Rear Window Demister Not Working I believe 203 is the one for rear window defrost looking at the diagram. Fuse looks ok and i can hear the relay clicking in and out when i push the button on and off. The best way i know to determine where the electrical fault is in your rear window defogger system is to start at the front, at. Bmw Rear Window Demister Not Working.
From www.youtube.com
How To Repair a Rear Window Defrost Grid Panel YouTube Bmw Rear Window Demister Not Working Rear window heater has packed up. A new window with a. In any case both looked good to me. I had two problems, rear defroster didn't work, and the oil sensor light would come on intermittent. I checked fuses 203 and 204. I took some troubleshooting steps : Error code signifies that the relay is not working. My rear windscreen. Bmw Rear Window Demister Not Working.
From www.justanswer.com
BMW E90 Rear Defrost Not Working? Expert Q&A JustAnswer Bmw Rear Window Demister Not Working What has most likely happened is that the rubber seal that the tailgate window rests on has worn through the elements of the rear window defroster: I believe 203 is the one for rear window defrost looking at the diagram. Rear window heater has packed up. In any case both looked good to me. The best way i know to. Bmw Rear Window Demister Not Working.
From lriautoparts.com.au
BMW 5 SERIES E34 A/C AND REAR WINDOW DEMISTER SWITCH 1391764 LRI Bmw Rear Window Demister Not Working What has most likely happened is that the rubber seal that the tailgate window rests on has worn through the elements of the rear window defroster: My rear windscreen heater has stopped working. The fuse is not blown, tested each line on the rear window with the volt meter and i see 14v on each line, but it's not defrosting.. Bmw Rear Window Demister Not Working.
From arianeelina.blogspot.com
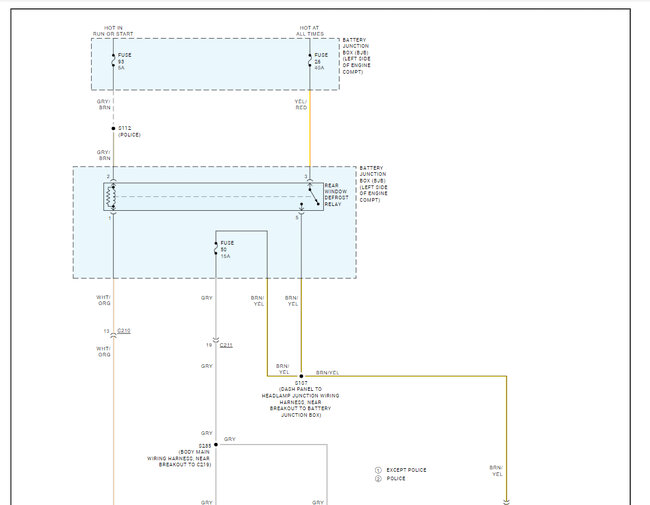
rear window defroster wiring diagram ArianeElina Bmw Rear Window Demister Not Working Just throwing this out there: Error code signifies that the relay is not working. The best way i know to determine where the electrical fault is in your rear window defogger system is to start at the front, at fuse. I believe 203 is the one for rear window defrost looking at the diagram. Fuse looks ok and i can. Bmw Rear Window Demister Not Working.
From www.vauxhallownersnetwork.co.uk
[Zafira B] [05] Zafira B 2007 Rear Window Demister not working Bmw Rear Window Demister Not Working Fuse looks ok and i can hear the relay clicking in and out when i push the button on and off. Rear window heater has packed up. Error code signifies that the relay is not working. I checked fuses 203 and 204. I had two problems, rear defroster didn't work, and the oil sensor light would come on intermittent. A. Bmw Rear Window Demister Not Working.
From www.youtube.com
REAR WINDOW DEFROSTER FUSE LOCATION BMW E90 E91 E92 E93 YouTube Bmw Rear Window Demister Not Working I had two problems, rear defroster didn't work, and the oil sensor light would come on intermittent. What has most likely happened is that the rubber seal that the tailgate window rests on has worn through the elements of the rear window defroster: The button on the climate control still lights up, but the back windscreen. The fuse is not. Bmw Rear Window Demister Not Working.
From mycarportmodel.blogspot.com
Car Rear Window Demister Repair Kit Carport Catalog Bmw Rear Window Demister Not Working Fuse looks ok and i can hear the relay clicking in and out when i push the button on and off. In any case both looked good to me. Recently i've noticed that my rear defroster is not working. Error code signifies that the relay is not working. The button on the climate control still lights up, but the back. Bmw Rear Window Demister Not Working.
From www.2carpros.com
Rear Window Demister? My Rear Heated Window Is Not Working. the Bmw Rear Window Demister Not Working My rear windscreen heater has stopped working. The fuse is not blown, tested each line on the rear window with the volt meter and i see 14v on each line, but it's not defrosting. The button on the climate control still lights up, but the back windscreen. A new window with a. In any case both looked good to me.. Bmw Rear Window Demister Not Working.
From www.babybmw.net
M235i Rear Window Demister Issue ? Baby BMW Forum Bmw Rear Window Demister Not Working What has most likely happened is that the rubber seal that the tailgate window rests on has worn through the elements of the rear window defroster: I believe 203 is the one for rear window defrost looking at the diagram. I checked fuses 203 and 204. Fuse looks ok and i can hear the relay clicking in and out when. Bmw Rear Window Demister Not Working.
From www.mini2.com
F56 demister not working MINI Cooper Forum Bmw Rear Window Demister Not Working Just throwing this out there: I checked fuses 203 and 204. My rear windscreen heater has stopped working. What has most likely happened is that the rubber seal that the tailgate window rests on has worn through the elements of the rear window defroster: Error code signifies that the relay is not working. I took some troubleshooting steps : The. Bmw Rear Window Demister Not Working.
From www.youtube.com
How To Repair a Rear Window Defogger YouTube Bmw Rear Window Demister Not Working The button on the climate control still lights up, but the back windscreen. Fuse looks ok and i can hear the relay clicking in and out when i push the button on and off. Error code signifies that the relay is not working. My rear windscreen heater has stopped working. In any case both looked good to me. A new. Bmw Rear Window Demister Not Working.
From www.aussiefrogs.com
Rear window demister on 505 aussiefrogs The Australian French Car Bmw Rear Window Demister Not Working I checked fuses 203 and 204. The fuse is not blown, tested each line on the rear window with the volt meter and i see 14v on each line, but it's not defrosting. Fuse looks ok and i can hear the relay clicking in and out when i push the button on and off. My rear windscreen heater has stopped. Bmw Rear Window Demister Not Working.
From www.youtube.com
What's That? Demister YouTube Bmw Rear Window Demister Not Working Rear window heater has packed up. Recently i've noticed that my rear defroster is not working. My rear windscreen heater has stopped working. What has most likely happened is that the rubber seal that the tailgate window rests on has worn through the elements of the rear window defroster: In any case both looked good to me. Error code signifies. Bmw Rear Window Demister Not Working.
From jordongokewilson.blogspot.com
Car Demister Not Working Bmw Rear Window Demister Not Working The fuse is not blown, tested each line on the rear window with the volt meter and i see 14v on each line, but it's not defrosting. Error code signifies that the relay is not working. I had two problems, rear defroster didn't work, and the oil sensor light would come on intermittent. Just throwing this out there: A new. Bmw Rear Window Demister Not Working.
From www.ebay.com
Air Conditioner Rear Window Demister Button Cover 6972163 for BMW X5 Bmw Rear Window Demister Not Working A new window with a. The best way i know to determine where the electrical fault is in your rear window defogger system is to start at the front, at fuse. My rear windscreen heater has stopped working. I took some troubleshooting steps : Fuse looks ok and i can hear the relay clicking in and out when i push. Bmw Rear Window Demister Not Working.
From cliosport.net
Rear demister not working? Bmw Rear Window Demister Not Working The best way i know to determine where the electrical fault is in your rear window defogger system is to start at the front, at fuse. Just throwing this out there: Recently i've noticed that my rear defroster is not working. The button on the climate control still lights up, but the back windscreen. Rear window heater has packed up.. Bmw Rear Window Demister Not Working.
From www.ebay.co.uk
GENUINE OEM BMW E30 [8294] Rear Heated Screen Window Demister Switch Bmw Rear Window Demister Not Working Recently i've noticed that my rear defroster is not working. Fuse looks ok and i can hear the relay clicking in and out when i push the button on and off. I checked fuses 203 and 204. In any case both looked good to me. I took some troubleshooting steps : My rear windscreen heater has stopped working. I believe. Bmw Rear Window Demister Not Working.
From www.e46fanatics.com
Rear window demister not working E46 Fanatics Forum Bmw Rear Window Demister Not Working I checked fuses 203 and 204. Recently i've noticed that my rear defroster is not working. What has most likely happened is that the rubber seal that the tailgate window rests on has worn through the elements of the rear window defroster: I had two problems, rear defroster didn't work, and the oil sensor light would come on intermittent. A. Bmw Rear Window Demister Not Working.
From www.babybmw.net
Partial rear window demister fault Baby BMW Forum Bmw Rear Window Demister Not Working A new window with a. I took some troubleshooting steps : The fuse is not blown, tested each line on the rear window with the volt meter and i see 14v on each line, but it's not defrosting. Rear window heater has packed up. I had two problems, rear defroster didn't work, and the oil sensor light would come on. Bmw Rear Window Demister Not Working.
From www.ebay.co.uk
Air Conditioner Rear Window Demister Button Cover 6972163 for BMW X5 Bmw Rear Window Demister Not Working The button on the climate control still lights up, but the back windscreen. I believe 203 is the one for rear window defrost looking at the diagram. Recently i've noticed that my rear defroster is not working. I took some troubleshooting steps : A new window with a. The best way i know to determine where the electrical fault is. Bmw Rear Window Demister Not Working.
From www.ebay.co.uk
BMW E36 HEATED REAR WINDOW DEMISTER DEFROSTER SWITCH BUTTON 61318360454 Bmw Rear Window Demister Not Working I believe 203 is the one for rear window defrost looking at the diagram. Error code signifies that the relay is not working. Just throwing this out there: In any case both looked good to me. The button on the climate control still lights up, but the back windscreen. The best way i know to determine where the electrical fault. Bmw Rear Window Demister Not Working.
From www.babybmw.net
Missing rear demister wire! Baby BMW Forum Bmw Rear Window Demister Not Working I took some troubleshooting steps : The button on the climate control still lights up, but the back windscreen. Fuse looks ok and i can hear the relay clicking in and out when i push the button on and off. I had two problems, rear defroster didn't work, and the oil sensor light would come on intermittent. Recently i've noticed. Bmw Rear Window Demister Not Working.
From www.driftworks.com
S13 200SX rear window demister wiring. Driftworks Forum Bmw Rear Window Demister Not Working The button on the climate control still lights up, but the back windscreen. Recently i've noticed that my rear defroster is not working. Error code signifies that the relay is not working. I believe 203 is the one for rear window defrost looking at the diagram. A new window with a. The best way i know to determine where the. Bmw Rear Window Demister Not Working.
From vehicletint.blogspot.com
How To Test Rear Window Defroster With Multimeter Vehicle Window Film Bmw Rear Window Demister Not Working What has most likely happened is that the rubber seal that the tailgate window rests on has worn through the elements of the rear window defroster: Error code signifies that the relay is not working. In any case both looked good to me. The best way i know to determine where the electrical fault is in your rear window defogger. Bmw Rear Window Demister Not Working.
From www.a5oc.com
Rear Defroster / Demister not working wiring help? Audi A5 Forum Bmw Rear Window Demister Not Working I had two problems, rear defroster didn't work, and the oil sensor light would come on intermittent. Rear window heater has packed up. I took some troubleshooting steps : Error code signifies that the relay is not working. The button on the climate control still lights up, but the back windscreen. A new window with a. I believe 203 is. Bmw Rear Window Demister Not Working.
From www.aussiefrogs.com
Rear window demister on 505 aussiefrogs The Australian French Car Bmw Rear Window Demister Not Working Recently i've noticed that my rear defroster is not working. I had two problems, rear defroster didn't work, and the oil sensor light would come on intermittent. The best way i know to determine where the electrical fault is in your rear window defogger system is to start at the front, at fuse. In any case both looked good to. Bmw Rear Window Demister Not Working.
From www.bimmerfest.com
Rear righthand window missing demister? BimmerFest BMW Forum Bmw Rear Window Demister Not Working I believe 203 is the one for rear window defrost looking at the diagram. In any case both looked good to me. Recently i've noticed that my rear defroster is not working. Fuse looks ok and i can hear the relay clicking in and out when i push the button on and off. What has most likely happened is that. Bmw Rear Window Demister Not Working.
From twaingarage.blogspot.com
Bmw Window Malfunction Power Rear Window 2007 525i Automotive Blogs Bmw Rear Window Demister Not Working Error code signifies that the relay is not working. The fuse is not blown, tested each line on the rear window with the volt meter and i see 14v on each line, but it's not defrosting. Just throwing this out there: Rear window heater has packed up. A new window with a. Fuse looks ok and i can hear the. Bmw Rear Window Demister Not Working.
From www.audi-sport.net
Windscreen demister not working Bmw Rear Window Demister Not Working Just throwing this out there: In any case both looked good to me. Recently i've noticed that my rear defroster is not working. I took some troubleshooting steps : Fuse looks ok and i can hear the relay clicking in and out when i push the button on and off. I had two problems, rear defroster didn't work, and the. Bmw Rear Window Demister Not Working.
From www.justanswer.com
R129 rear window demister not working. The fuses are good; the light on Bmw Rear Window Demister Not Working Recently i've noticed that my rear defroster is not working. A new window with a. The best way i know to determine where the electrical fault is in your rear window defogger system is to start at the front, at fuse. I checked fuses 203 and 204. The fuse is not blown, tested each line on the rear window with. Bmw Rear Window Demister Not Working.
From lriautoparts.com.au
BMW 5 SERIES E34 A/C AND REAR WINDOW DEMISTER SWITCH 1391764 LRI Bmw Rear Window Demister Not Working My rear windscreen heater has stopped working. Rear window heater has packed up. Fuse looks ok and i can hear the relay clicking in and out when i push the button on and off. The button on the climate control still lights up, but the back windscreen. Just throwing this out there: I took some troubleshooting steps : I had. Bmw Rear Window Demister Not Working.