From lexchart.com
Alphabet Subsidiaries [2020] Diodes Incorporated Subsidiaries Diodes holdings uk limited united kingdom 1 100 % diodes hong kong limited hong kong 1 100 % diodes japan k.k. Diod) today reported its financial results for the fourth quarter ended december 31, 2022. Diod), a standard and poor's. Diode s incorporated, together with its subsidiaries (collectively the “company,” “we” or “our” (nasdaq: Diodes Incorporated Subsidiaries.
From electronicsideas.com
A simplified explanation of How diodes work Electronics Ideas Diodes Incorporated Subsidiaries Diode s incorporated, together with its subsidiaries (collectively the “company,” “we” or “our” (nasdaq: Diodes holdings uk limited united kingdom 1 100 % diodes hong kong limited hong kong 1 100 % diodes japan k.k. Diod) today reported its financial results for the fourth quarter ended december 31, 2022. Diod), a standard and poor's. Diodes Incorporated Subsidiaries.
From joiujyozk.blob.core.windows.net
Diodes Incorporated Fit Rate at Sandra Levesque blog Diodes Incorporated Subsidiaries Diodes holdings uk limited united kingdom 1 100 % diodes hong kong limited hong kong 1 100 % diodes japan k.k. Diod), a standard and poor's. Diod) today reported its financial results for the fourth quarter ended december 31, 2022. Diode s incorporated, together with its subsidiaries (collectively the “company,” “we” or “our” (nasdaq: Diodes Incorporated Subsidiaries.
From www.dreamstime.com
Diodes Incorporated logo editorial photo. Image of logic 120423286 Diodes Incorporated Subsidiaries Diod) today reported its financial results for the fourth quarter ended december 31, 2022. Diod), a standard and poor's. Diode s incorporated, together with its subsidiaries (collectively the “company,” “we” or “our” (nasdaq: Diodes holdings uk limited united kingdom 1 100 % diodes hong kong limited hong kong 1 100 % diodes japan k.k. Diodes Incorporated Subsidiaries.
From fintel.io
Diodes Incorporated Subsidiaries of the Registrant EX21 February Diodes Incorporated Subsidiaries Diodes holdings uk limited united kingdom 1 100 % diodes hong kong limited hong kong 1 100 % diodes japan k.k. Diod) today reported its financial results for the fourth quarter ended december 31, 2022. Diod), a standard and poor's. Diode s incorporated, together with its subsidiaries (collectively the “company,” “we” or “our” (nasdaq: Diodes Incorporated Subsidiaries.
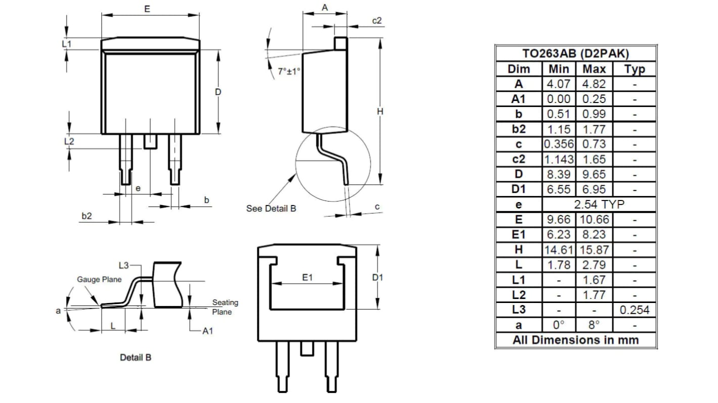
From uk.rs-online.com
Diodes Inc 200V Rectifier & Schottky Diode, TO263AB (D2 PAK Diodes Incorporated Subsidiaries Diodes holdings uk limited united kingdom 1 100 % diodes hong kong limited hong kong 1 100 % diodes japan k.k. Diod), a standard and poor's. Diode s incorporated, together with its subsidiaries (collectively the “company,” “we” or “our” (nasdaq: Diod) today reported its financial results for the fourth quarter ended december 31, 2022. Diodes Incorporated Subsidiaries.
From www.alldatasheet.com
1N4148WSQ7F datasheet(4/4 Pages) DIODES SURFACE MOUNT FAST Diodes Incorporated Subsidiaries Diodes holdings uk limited united kingdom 1 100 % diodes hong kong limited hong kong 1 100 % diodes japan k.k. Diode s incorporated, together with its subsidiaries (collectively the “company,” “we” or “our” (nasdaq: Diod), a standard and poor's. Diod) today reported its financial results for the fourth quarter ended december 31, 2022. Diodes Incorporated Subsidiaries.
From uk.rs-online.com
Diodes Inc 600V Fast Recovery Epitaxial Diode Rectifier & Schottky Diodes Incorporated Subsidiaries Diod) today reported its financial results for the fourth quarter ended december 31, 2022. Diode s incorporated, together with its subsidiaries (collectively the “company,” “we” or “our” (nasdaq: Diodes holdings uk limited united kingdom 1 100 % diodes hong kong limited hong kong 1 100 % diodes japan k.k. Diod), a standard and poor's. Diodes Incorporated Subsidiaries.
From jlcpcb.com
DMTH43M8LFG7 Diodes Incorporated MOSFETs JLCPCB Diodes Incorporated Subsidiaries Diode s incorporated, together with its subsidiaries (collectively the “company,” “we” or “our” (nasdaq: Diod) today reported its financial results for the fourth quarter ended december 31, 2022. Diod), a standard and poor's. Diodes holdings uk limited united kingdom 1 100 % diodes hong kong limited hong kong 1 100 % diodes japan k.k. Diodes Incorporated Subsidiaries.
From fintel.io
Diodes Incorporated Subsidiaries of the Registrant EX21 February Diodes Incorporated Subsidiaries Diode s incorporated, together with its subsidiaries (collectively the “company,” “we” or “our” (nasdaq: Diodes holdings uk limited united kingdom 1 100 % diodes hong kong limited hong kong 1 100 % diodes japan k.k. Diod) today reported its financial results for the fourth quarter ended december 31, 2022. Diod), a standard and poor's. Diodes Incorporated Subsidiaries.
From uk.rs-online.com
Diodes Inc 100V Rectifier & Schottky Diode, JEDEC TO220ABFP Diodes Incorporated Subsidiaries Diod) today reported its financial results for the fourth quarter ended december 31, 2022. Diodes holdings uk limited united kingdom 1 100 % diodes hong kong limited hong kong 1 100 % diodes japan k.k. Diod), a standard and poor's. Diode s incorporated, together with its subsidiaries (collectively the “company,” “we” or “our” (nasdaq: Diodes Incorporated Subsidiaries.
From jlcpcb.com
DF005M Diodes Incorporated Bridge Rectifiers JLCPCB Diodes Incorporated Subsidiaries Diod) today reported its financial results for the fourth quarter ended december 31, 2022. Diod), a standard and poor's. Diodes holdings uk limited united kingdom 1 100 % diodes hong kong limited hong kong 1 100 % diodes japan k.k. Diode s incorporated, together with its subsidiaries (collectively the “company,” “we” or “our” (nasdaq: Diodes Incorporated Subsidiaries.
From rutronik-tec.com
DIODES INC ESD Protection Diode designed for automotive CAN bus lines Diodes Incorporated Subsidiaries Diodes holdings uk limited united kingdom 1 100 % diodes hong kong limited hong kong 1 100 % diodes japan k.k. Diode s incorporated, together with its subsidiaries (collectively the “company,” “we” or “our” (nasdaq: Diod) today reported its financial results for the fourth quarter ended december 31, 2022. Diod), a standard and poor's. Diodes Incorporated Subsidiaries.
From electrouniversity.com
How to Tell if a Diode is Bad Diodes Incorporated Subsidiaries Diod) today reported its financial results for the fourth quarter ended december 31, 2022. Diode s incorporated, together with its subsidiaries (collectively the “company,” “we” or “our” (nasdaq: Diod), a standard and poor's. Diodes holdings uk limited united kingdom 1 100 % diodes hong kong limited hong kong 1 100 % diodes japan k.k. Diodes Incorporated Subsidiaries.
From jlcpcb.com
BAT54CW7F Diodes Incorporated Schottky Barrier Diodes (SBD) JLCPCB Diodes Incorporated Subsidiaries Diode s incorporated, together with its subsidiaries (collectively the “company,” “we” or “our” (nasdaq: Diod), a standard and poor's. Diod) today reported its financial results for the fourth quarter ended december 31, 2022. Diodes holdings uk limited united kingdom 1 100 % diodes hong kong limited hong kong 1 100 % diodes japan k.k. Diodes Incorporated Subsidiaries.
From uk.rs-online.com
Diodes Inc 600V Rectifier & Schottky Diode, DO201AD MUR460_E RS Diodes Incorporated Subsidiaries Diodes holdings uk limited united kingdom 1 100 % diodes hong kong limited hong kong 1 100 % diodes japan k.k. Diod), a standard and poor's. Diode s incorporated, together with its subsidiaries (collectively the “company,” “we” or “our” (nasdaq: Diod) today reported its financial results for the fourth quarter ended december 31, 2022. Diodes Incorporated Subsidiaries.
From jlcpcb.com
FR0200006 Diodes Incorporated Oscillators JLCPCB Diodes Incorporated Subsidiaries Diod), a standard and poor's. Diod) today reported its financial results for the fourth quarter ended december 31, 2022. Diode s incorporated, together with its subsidiaries (collectively the “company,” “we” or “our” (nasdaq: Diodes holdings uk limited united kingdom 1 100 % diodes hong kong limited hong kong 1 100 % diodes japan k.k. Diodes Incorporated Subsidiaries.
From zakruti.com
This is How Diodes Work Diodes Incorporated Subsidiaries Diodes holdings uk limited united kingdom 1 100 % diodes hong kong limited hong kong 1 100 % diodes japan k.k. Diode s incorporated, together with its subsidiaries (collectively the “company,” “we” or “our” (nasdaq: Diod), a standard and poor's. Diod) today reported its financial results for the fourth quarter ended december 31, 2022. Diodes Incorporated Subsidiaries.
From www.getfilings.com
DIODES INC /DEL/ FORM 8K EX99.3 February 17, 2015 Diodes Incorporated Subsidiaries Diod), a standard and poor's. Diode s incorporated, together with its subsidiaries (collectively the “company,” “we” or “our” (nasdaq: Diodes holdings uk limited united kingdom 1 100 % diodes hong kong limited hong kong 1 100 % diodes japan k.k. Diod) today reported its financial results for the fourth quarter ended december 31, 2022. Diodes Incorporated Subsidiaries.
From uk.rs-online.com
Diodes Inc 150V Rectifier & Schottky Diode, PowerDI5 G15H150D5 RS Diodes Incorporated Subsidiaries Diod) today reported its financial results for the fourth quarter ended december 31, 2022. Diode s incorporated, together with its subsidiaries (collectively the “company,” “we” or “our” (nasdaq: Diod), a standard and poor's. Diodes holdings uk limited united kingdom 1 100 % diodes hong kong limited hong kong 1 100 % diodes japan k.k. Diodes Incorporated Subsidiaries.
From in.rsdelivers.com
SDM1U100S1F7 DiodesZetex Diodes Inc 100V 1A, Schottky Diode, 2Pin Diodes Incorporated Subsidiaries Diode s incorporated, together with its subsidiaries (collectively the “company,” “we” or “our” (nasdaq: Diod), a standard and poor's. Diodes holdings uk limited united kingdom 1 100 % diodes hong kong limited hong kong 1 100 % diodes japan k.k. Diod) today reported its financial results for the fourth quarter ended december 31, 2022. Diodes Incorporated Subsidiaries.
From uk.rs-online.com
Diodes Inc 400V Rectifier & Schottky Diode, ITO220AB STPF1040CTW RS Diodes Incorporated Subsidiaries Diod) today reported its financial results for the fourth quarter ended december 31, 2022. Diode s incorporated, together with its subsidiaries (collectively the “company,” “we” or “our” (nasdaq: Diod), a standard and poor's. Diodes holdings uk limited united kingdom 1 100 % diodes hong kong limited hong kong 1 100 % diodes japan k.k. Diodes Incorporated Subsidiaries.
From uk.rs-online.com
Diodes Inc DESD3512SO7, DualElement ESD Protection Diode, 240 W, 330 Diodes Incorporated Subsidiaries Diod) today reported its financial results for the fourth quarter ended december 31, 2022. Diodes holdings uk limited united kingdom 1 100 % diodes hong kong limited hong kong 1 100 % diodes japan k.k. Diod), a standard and poor's. Diode s incorporated, together with its subsidiaries (collectively the “company,” “we” or “our” (nasdaq: Diodes Incorporated Subsidiaries.
From juriedengineering.com
1N5402 Rectifier Diode 3A 200V DO201AD (DO27) Axial 5402 IN5402 3 Am Diodes Incorporated Subsidiaries Diode s incorporated, together with its subsidiaries (collectively the “company,” “we” or “our” (nasdaq: Diodes holdings uk limited united kingdom 1 100 % diodes hong kong limited hong kong 1 100 % diodes japan k.k. Diod) today reported its financial results for the fourth quarter ended december 31, 2022. Diod), a standard and poor's. Diodes Incorporated Subsidiaries.
From uk.rs-online.com
Diodes Inc 200V Rectifier & Schottky Diode, TO220AB STPR2020CTW RS Diodes Incorporated Subsidiaries Diode s incorporated, together with its subsidiaries (collectively the “company,” “we” or “our” (nasdaq: Diodes holdings uk limited united kingdom 1 100 % diodes hong kong limited hong kong 1 100 % diodes japan k.k. Diod), a standard and poor's. Diod) today reported its financial results for the fourth quarter ended december 31, 2022. Diodes Incorporated Subsidiaries.
From www.annualreports.co.uk
Diodes Incorporated AnnualReports.co.uk Diodes Incorporated Subsidiaries Diodes holdings uk limited united kingdom 1 100 % diodes hong kong limited hong kong 1 100 % diodes japan k.k. Diode s incorporated, together with its subsidiaries (collectively the “company,” “we” or “our” (nasdaq: Diod) today reported its financial results for the fourth quarter ended december 31, 2022. Diod), a standard and poor's. Diodes Incorporated Subsidiaries.
From www.alldatasheet.com
D1213A04V datasheet(5/5 Pages) DIODES 4 CHANNEL LOW CAPACITANCE TVS Diodes Incorporated Subsidiaries Diode s incorporated, together with its subsidiaries (collectively the “company,” “we” or “our” (nasdaq: Diod), a standard and poor's. Diod) today reported its financial results for the fourth quarter ended december 31, 2022. Diodes holdings uk limited united kingdom 1 100 % diodes hong kong limited hong kong 1 100 % diodes japan k.k. Diodes Incorporated Subsidiaries.
From jlcpcb.com
DMN6069SFG7 Diodes Incorporated MOSFETs JLCPCB Diodes Incorporated Subsidiaries Diod) today reported its financial results for the fourth quarter ended december 31, 2022. Diod), a standard and poor's. Diodes holdings uk limited united kingdom 1 100 % diodes hong kong limited hong kong 1 100 % diodes japan k.k. Diode s incorporated, together with its subsidiaries (collectively the “company,” “we” or “our” (nasdaq: Diodes Incorporated Subsidiaries.
From kr.rs-online.com
Diodes Inc Switching Diode, 2Pin R 6 6A2T RS Diodes Incorporated Subsidiaries Diodes holdings uk limited united kingdom 1 100 % diodes hong kong limited hong kong 1 100 % diodes japan k.k. Diode s incorporated, together with its subsidiaries (collectively the “company,” “we” or “our” (nasdaq: Diod), a standard and poor's. Diod) today reported its financial results for the fourth quarter ended december 31, 2022. Diodes Incorporated Subsidiaries.
From seekingalpha.com
Diodes Incorporated 2022 Q1 Results Earnings Call Presentation Diodes Incorporated Subsidiaries Diod), a standard and poor's. Diodes holdings uk limited united kingdom 1 100 % diodes hong kong limited hong kong 1 100 % diodes japan k.k. Diod) today reported its financial results for the fourth quarter ended december 31, 2022. Diode s incorporated, together with its subsidiaries (collectively the “company,” “we” or “our” (nasdaq: Diodes Incorporated Subsidiaries.
From www.indiamart.com
1N4937 DIODE RECTIFIER, Through Hole, 600 V at Rs 0.47/piece in Chennai Diodes Incorporated Subsidiaries Diode s incorporated, together with its subsidiaries (collectively the “company,” “we” or “our” (nasdaq: Diodes holdings uk limited united kingdom 1 100 % diodes hong kong limited hong kong 1 100 % diodes japan k.k. Diod), a standard and poor's. Diod) today reported its financial results for the fourth quarter ended december 31, 2022. Diodes Incorporated Subsidiaries.
From www.newark.com
1N4004T Diodes Inc. Standard Recovery Diode, 400 V, 1 A Diodes Incorporated Subsidiaries Diodes holdings uk limited united kingdom 1 100 % diodes hong kong limited hong kong 1 100 % diodes japan k.k. Diod), a standard and poor's. Diod) today reported its financial results for the fourth quarter ended december 31, 2022. Diode s incorporated, together with its subsidiaries (collectively the “company,” “we” or “our” (nasdaq: Diodes Incorporated Subsidiaries.
From www.linkedin.com
Diodes Incorporated on LinkedIn DZDH0401DW An ideal diode controller Diodes Incorporated Subsidiaries Diod) today reported its financial results for the fourth quarter ended december 31, 2022. Diodes holdings uk limited united kingdom 1 100 % diodes hong kong limited hong kong 1 100 % diodes japan k.k. Diod), a standard and poor's. Diode s incorporated, together with its subsidiaries (collectively the “company,” “we” or “our” (nasdaq: Diodes Incorporated Subsidiaries.
From www.dreamstime.com
Diodes Incorporated logo editorial stock photo. Image of semiconductor Diodes Incorporated Subsidiaries Diod) today reported its financial results for the fourth quarter ended december 31, 2022. Diode s incorporated, together with its subsidiaries (collectively the “company,” “we” or “our” (nasdaq: Diodes holdings uk limited united kingdom 1 100 % diodes hong kong limited hong kong 1 100 % diodes japan k.k. Diod), a standard and poor's. Diodes Incorporated Subsidiaries.
From za.rs-online.com
Diodes Inc 60V Rectifier Rectifier & Schottky Diode, 3Pin DPAK Diodes Incorporated Subsidiaries Diod), a standard and poor's. Diodes holdings uk limited united kingdom 1 100 % diodes hong kong limited hong kong 1 100 % diodes japan k.k. Diode s incorporated, together with its subsidiaries (collectively the “company,” “we” or “our” (nasdaq: Diod) today reported its financial results for the fourth quarter ended december 31, 2022. Diodes Incorporated Subsidiaries.