Audi A2 Brake Light Switch Replacement . Hi, just wondered if anyone had changed a brake light switch on the a2 yet. All the searches i have. Has anyone ever replaced they're own? #1 · aug 30, 2006. I have had a fumble about by the pedal but it is. The brake light switch is fitted high above the pedals, between the brake and clutch. Is there a fitting guide for the brake light switch including how to remove the panel that covers the switch? To change, remove the dash lower trim (the bit above your knees) by. I can't seem to get my hands in at all to even located the screw to remove the switch,. You'll need to remove the trim panel under the. The most common symptoms of a bad brake light switch are trouble starting the car, malfunctions with the brake lights, issues moving the gear selector, and illuminated.
from workshop-manuals.com
#1 · aug 30, 2006. The most common symptoms of a bad brake light switch are trouble starting the car, malfunctions with the brake lights, issues moving the gear selector, and illuminated. The brake light switch is fitted high above the pedals, between the brake and clutch. Has anyone ever replaced they're own? I have had a fumble about by the pedal but it is. Is there a fitting guide for the brake light switch including how to remove the panel that covers the switch? All the searches i have. Hi, just wondered if anyone had changed a brake light switch on the a2 yet. I can't seem to get my hands in at all to even located the screw to remove the switch,. You'll need to remove the trim panel under the.
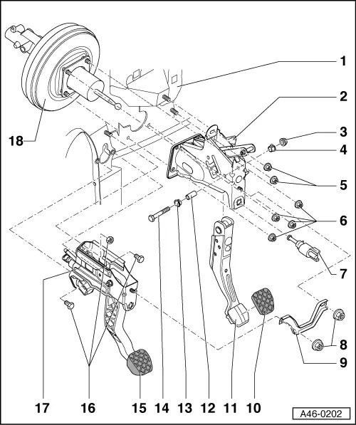
Audi Service and Repair Manuals > A2 > Brake system ABS, ADR
Audi A2 Brake Light Switch Replacement To change, remove the dash lower trim (the bit above your knees) by. I have had a fumble about by the pedal but it is. Has anyone ever replaced they're own? Hi, just wondered if anyone had changed a brake light switch on the a2 yet. The most common symptoms of a bad brake light switch are trouble starting the car, malfunctions with the brake lights, issues moving the gear selector, and illuminated. All the searches i have. The brake light switch is fitted high above the pedals, between the brake and clutch. You'll need to remove the trim panel under the. To change, remove the dash lower trim (the bit above your knees) by. #1 · aug 30, 2006. Is there a fitting guide for the brake light switch including how to remove the panel that covers the switch? I can't seem to get my hands in at all to even located the screw to remove the switch,.
From workshop-manuals.com
N450182 Audi A2 Brake Light Switch Replacement The most common symptoms of a bad brake light switch are trouble starting the car, malfunctions with the brake lights, issues moving the gear selector, and illuminated. I can't seem to get my hands in at all to even located the screw to remove the switch,. Hi, just wondered if anyone had changed a brake light switch on the a2. Audi A2 Brake Light Switch Replacement.
From ev-a2.blogspot.com
EVA2 Electric Audi A2 Brake success! Audi A2 Brake Light Switch Replacement You'll need to remove the trim panel under the. I have had a fumble about by the pedal but it is. I can't seem to get my hands in at all to even located the screw to remove the switch,. The brake light switch is fitted high above the pedals, between the brake and clutch. Is there a fitting guide. Audi A2 Brake Light Switch Replacement.
From fixmachinedehartwhen.z21.web.core.windows.net
Warning Light On Audi Audi A2 Brake Light Switch Replacement Has anyone ever replaced they're own? I can't seem to get my hands in at all to even located the screw to remove the switch,. Hi, just wondered if anyone had changed a brake light switch on the a2 yet. #1 · aug 30, 2006. I have had a fumble about by the pedal but it is. The most common. Audi A2 Brake Light Switch Replacement.
From www.a2oc.net
Brake light switch or not Page 2 Audi A2 Owners' Club Audi A2 Brake Light Switch Replacement All the searches i have. The brake light switch is fitted high above the pedals, between the brake and clutch. #1 · aug 30, 2006. The most common symptoms of a bad brake light switch are trouble starting the car, malfunctions with the brake lights, issues moving the gear selector, and illuminated. I can't seem to get my hands in. Audi A2 Brake Light Switch Replacement.
From workshop-manuals.com
Audi Service and Repair Manuals > A2 > Brake system Brake Audi A2 Brake Light Switch Replacement All the searches i have. You'll need to remove the trim panel under the. I can't seem to get my hands in at all to even located the screw to remove the switch,. I have had a fumble about by the pedal but it is. #1 · aug 30, 2006. To change, remove the dash lower trim (the bit above. Audi A2 Brake Light Switch Replacement.
From www.a2oc.net
Full set of brake related warning lights Audi A2 Owners' Club Audi A2 Brake Light Switch Replacement Has anyone ever replaced they're own? You'll need to remove the trim panel under the. Hi, just wondered if anyone had changed a brake light switch on the a2 yet. I have had a fumble about by the pedal but it is. The most common symptoms of a bad brake light switch are trouble starting the car, malfunctions with the. Audi A2 Brake Light Switch Replacement.
From www.a2oc.net
Brake Warning Light on Dash Audi A2 Owners' Club Audi A2 Brake Light Switch Replacement To change, remove the dash lower trim (the bit above your knees) by. I can't seem to get my hands in at all to even located the screw to remove the switch,. All the searches i have. The most common symptoms of a bad brake light switch are trouble starting the car, malfunctions with the brake lights, issues moving the. Audi A2 Brake Light Switch Replacement.
From www.a2oc.net
Brake light switch or not Page 2 Audi A2 Owners' Club Audi A2 Brake Light Switch Replacement The most common symptoms of a bad brake light switch are trouble starting the car, malfunctions with the brake lights, issues moving the gear selector, and illuminated. Has anyone ever replaced they're own? To change, remove the dash lower trim (the bit above your knees) by. You'll need to remove the trim panel under the. I have had a fumble. Audi A2 Brake Light Switch Replacement.
From parts.audiusa.com
Audi A7 Brake Light Switch. SWITCH. Brakelight. Sensor. STOPLAMP Audi A2 Brake Light Switch Replacement I can't seem to get my hands in at all to even located the screw to remove the switch,. Hi, just wondered if anyone had changed a brake light switch on the a2 yet. Has anyone ever replaced they're own? All the searches i have. I have had a fumble about by the pedal but it is. To change, remove. Audi A2 Brake Light Switch Replacement.
From www.gumtree.com
Audi A2 interior lights + rear centre brake light in Stechford, West Audi A2 Brake Light Switch Replacement I can't seem to get my hands in at all to even located the screw to remove the switch,. #1 · aug 30, 2006. You'll need to remove the trim panel under the. The most common symptoms of a bad brake light switch are trouble starting the car, malfunctions with the brake lights, issues moving the gear selector, and illuminated.. Audi A2 Brake Light Switch Replacement.
From shellysavonlea.net
How To Replace Brake Light Switch Shelly Lighting Audi A2 Brake Light Switch Replacement Hi, just wondered if anyone had changed a brake light switch on the a2 yet. All the searches i have. Is there a fitting guide for the brake light switch including how to remove the panel that covers the switch? Has anyone ever replaced they're own? You'll need to remove the trim panel under the. I can't seem to get. Audi A2 Brake Light Switch Replacement.
From workshop-manuals.com
Audi Service and Repair Manuals > A2 > Brake system ABS, ADR Audi A2 Brake Light Switch Replacement Is there a fitting guide for the brake light switch including how to remove the panel that covers the switch? Hi, just wondered if anyone had changed a brake light switch on the a2 yet. I can't seem to get my hands in at all to even located the screw to remove the switch,. #1 · aug 30, 2006. I. Audi A2 Brake Light Switch Replacement.
From www.a2oc.net
Headlight switch removal ?. Audi A2 Owners' Club Audi A2 Brake Light Switch Replacement Is there a fitting guide for the brake light switch including how to remove the panel that covers the switch? Hi, just wondered if anyone had changed a brake light switch on the a2 yet. Has anyone ever replaced they're own? #1 · aug 30, 2006. I have had a fumble about by the pedal but it is. All the. Audi A2 Brake Light Switch Replacement.
From www.aliexpress.com
Brake Light Switch Brake lamp switch For AUDI A2 A3 TT SEAT ALHAMBRA Audi A2 Brake Light Switch Replacement All the searches i have. The most common symptoms of a bad brake light switch are trouble starting the car, malfunctions with the brake lights, issues moving the gear selector, and illuminated. #1 · aug 30, 2006. The brake light switch is fitted high above the pedals, between the brake and clutch. I have had a fumble about by the. Audi A2 Brake Light Switch Replacement.
From www.a2oc.net
How I made my auto headlight switch pass the new MOT Audi A2 Owners' Club Audi A2 Brake Light Switch Replacement I have had a fumble about by the pedal but it is. All the searches i have. You'll need to remove the trim panel under the. #1 · aug 30, 2006. The brake light switch is fitted high above the pedals, between the brake and clutch. Hi, just wondered if anyone had changed a brake light switch on the a2. Audi A2 Brake Light Switch Replacement.
From www.pelicanparts.com
Audi A4 B6 Brake Light Switch Replacement (20022008) Pelican Parts Audi A2 Brake Light Switch Replacement You'll need to remove the trim panel under the. I have had a fumble about by the pedal but it is. Hi, just wondered if anyone had changed a brake light switch on the a2 yet. I can't seem to get my hands in at all to even located the screw to remove the switch,. All the searches i have.. Audi A2 Brake Light Switch Replacement.
From www.a2oc.net
Location of brake light switch Page 2 Audi A2 Owners' Club Audi A2 Brake Light Switch Replacement All the searches i have. The brake light switch is fitted high above the pedals, between the brake and clutch. I can't seem to get my hands in at all to even located the screw to remove the switch,. Is there a fitting guide for the brake light switch including how to remove the panel that covers the switch? The. Audi A2 Brake Light Switch Replacement.
From www.pelicanparts.com
Audi A4 B6 Brake Light Switch Replacement (20022008) Pelican Parts Audi A2 Brake Light Switch Replacement You'll need to remove the trim panel under the. All the searches i have. Has anyone ever replaced they're own? I can't seem to get my hands in at all to even located the screw to remove the switch,. To change, remove the dash lower trim (the bit above your knees) by. I have had a fumble about by the. Audi A2 Brake Light Switch Replacement.
From www.youtube.com
How to remove and refit an Audi A2 rear light YouTube Audi A2 Brake Light Switch Replacement #1 · aug 30, 2006. All the searches i have. Is there a fitting guide for the brake light switch including how to remove the panel that covers the switch? The brake light switch is fitted high above the pedals, between the brake and clutch. Has anyone ever replaced they're own? I have had a fumble about by the pedal. Audi A2 Brake Light Switch Replacement.
From www.a2oc.net
Hand brake cable replacement drum brakes 2003 Tdi Audi A2 Owners Audi A2 Brake Light Switch Replacement Has anyone ever replaced they're own? #1 · aug 30, 2006. I have had a fumble about by the pedal but it is. I can't seem to get my hands in at all to even located the screw to remove the switch,. To change, remove the dash lower trim (the bit above your knees) by. The most common symptoms of. Audi A2 Brake Light Switch Replacement.
From www.a2oc.net
Rear brake drum adjustment on replacement Audi A2 Owners' Club Audi A2 Brake Light Switch Replacement You'll need to remove the trim panel under the. Is there a fitting guide for the brake light switch including how to remove the panel that covers the switch? All the searches i have. Has anyone ever replaced they're own? I have had a fumble about by the pedal but it is. I can't seem to get my hands in. Audi A2 Brake Light Switch Replacement.
From www.pelicanparts.com
Audi A4 B6 Brake Light Switch Replacement (20022008) Pelican Parts Audi A2 Brake Light Switch Replacement Hi, just wondered if anyone had changed a brake light switch on the a2 yet. To change, remove the dash lower trim (the bit above your knees) by. Has anyone ever replaced they're own? All the searches i have. I have had a fumble about by the pedal but it is. #1 · aug 30, 2006. The most common symptoms. Audi A2 Brake Light Switch Replacement.
From www.aliexpress.com
Brake Light Switch Brake lamp switch For AUDI A3 S3 A2 A8 S8 Q7 TT Ford Audi A2 Brake Light Switch Replacement #1 · aug 30, 2006. Hi, just wondered if anyone had changed a brake light switch on the a2 yet. I can't seem to get my hands in at all to even located the screw to remove the switch,. I have had a fumble about by the pedal but it is. You'll need to remove the trim panel under the.. Audi A2 Brake Light Switch Replacement.
From mechanicsnews.com
Brake Light Switch Replacement for Audi S7 Ensuring Optimal Safety and Audi A2 Brake Light Switch Replacement Is there a fitting guide for the brake light switch including how to remove the panel that covers the switch? #1 · aug 30, 2006. I have had a fumble about by the pedal but it is. Hi, just wondered if anyone had changed a brake light switch on the a2 yet. I can't seem to get my hands in. Audi A2 Brake Light Switch Replacement.
From www.aliexpress.com
100 new! Brake Light Switch Brake lamp switch For AUDI A2 A3 TT SEAT Audi A2 Brake Light Switch Replacement I can't seem to get my hands in at all to even located the screw to remove the switch,. You'll need to remove the trim panel under the. Is there a fitting guide for the brake light switch including how to remove the panel that covers the switch? Has anyone ever replaced they're own? Hi, just wondered if anyone had. Audi A2 Brake Light Switch Replacement.
From webautocats.com
Audi A2 (2000 2005) Illumination in vehicle interior. switch. for Audi A2 Brake Light Switch Replacement I have had a fumble about by the pedal but it is. I can't seem to get my hands in at all to even located the screw to remove the switch,. You'll need to remove the trim panel under the. To change, remove the dash lower trim (the bit above your knees) by. The brake light switch is fitted high. Audi A2 Brake Light Switch Replacement.
From workshop-manuals.com
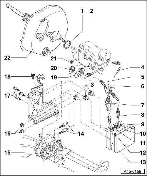
Audi Service and Repair Manuals > A2 > Brake system ABS, ADR Audi A2 Brake Light Switch Replacement #1 · aug 30, 2006. All the searches i have. Has anyone ever replaced they're own? I have had a fumble about by the pedal but it is. You'll need to remove the trim panel under the. Is there a fitting guide for the brake light switch including how to remove the panel that covers the switch? I can't seem. Audi A2 Brake Light Switch Replacement.
From workshop-manuals.com
Audi Service and Repair Manuals > A2 > Brake system Brake Audi A2 Brake Light Switch Replacement Has anyone ever replaced they're own? Is there a fitting guide for the brake light switch including how to remove the panel that covers the switch? The most common symptoms of a bad brake light switch are trouble starting the car, malfunctions with the brake lights, issues moving the gear selector, and illuminated. You'll need to remove the trim panel. Audi A2 Brake Light Switch Replacement.
From workshop-manuals.com
Audi Manuals > A2 > Brake system > ABS, ADR, TCS, EDL, ESP Audi A2 Brake Light Switch Replacement I can't seem to get my hands in at all to even located the screw to remove the switch,. The most common symptoms of a bad brake light switch are trouble starting the car, malfunctions with the brake lights, issues moving the gear selector, and illuminated. I have had a fumble about by the pedal but it is. Is there. Audi A2 Brake Light Switch Replacement.
From workshop-manuals.com
Audi Manuals > A2 > Brake system > ABS, ADR, TCS, EDL, ESP Audi A2 Brake Light Switch Replacement I can't seem to get my hands in at all to even located the screw to remove the switch,. Is there a fitting guide for the brake light switch including how to remove the panel that covers the switch? The most common symptoms of a bad brake light switch are trouble starting the car, malfunctions with the brake lights, issues. Audi A2 Brake Light Switch Replacement.
From workshop-manuals.com
Audi Manuals > A2 > Brake system > Brake, brake mechanics Audi A2 Brake Light Switch Replacement You'll need to remove the trim panel under the. The most common symptoms of a bad brake light switch are trouble starting the car, malfunctions with the brake lights, issues moving the gear selector, and illuminated. I can't seem to get my hands in at all to even located the screw to remove the switch,. Has anyone ever replaced they're. Audi A2 Brake Light Switch Replacement.
From workshop-manuals.com
Audi Service and Repair Manuals > A2 > Brake system Brake Audi A2 Brake Light Switch Replacement Is there a fitting guide for the brake light switch including how to remove the panel that covers the switch? All the searches i have. You'll need to remove the trim panel under the. Has anyone ever replaced they're own? I have had a fumble about by the pedal but it is. The brake light switch is fitted high above. Audi A2 Brake Light Switch Replacement.
From www.a2oc.net
Hand brake cable replacement drum brakes 2003 Tdi Audi A2 Owners Audi A2 Brake Light Switch Replacement I have had a fumble about by the pedal but it is. Has anyone ever replaced they're own? I can't seem to get my hands in at all to even located the screw to remove the switch,. All the searches i have. Is there a fitting guide for the brake light switch including how to remove the panel that covers. Audi A2 Brake Light Switch Replacement.
From userlibraryhelms.z19.web.core.windows.net
Audi A2 Brake Warning Light Audi A2 Brake Light Switch Replacement The brake light switch is fitted high above the pedals, between the brake and clutch. To change, remove the dash lower trim (the bit above your knees) by. I have had a fumble about by the pedal but it is. I can't seem to get my hands in at all to even located the screw to remove the switch,. You'll. Audi A2 Brake Light Switch Replacement.
From shellysavonlea.net
How To Replace Brake Light Switch Shelly Lighting Audi A2 Brake Light Switch Replacement To change, remove the dash lower trim (the bit above your knees) by. All the searches i have. The brake light switch is fitted high above the pedals, between the brake and clutch. Is there a fitting guide for the brake light switch including how to remove the panel that covers the switch? I can't seem to get my hands. Audi A2 Brake Light Switch Replacement.