Tractor Case Drain Fitting . What you described on your tractor is a motor return. Rather than pay the local dealer too much. I need to add a case drain to a kubota kx080 excavator to run a mulching head. A case drain, as mentioned above, is usually just for a neg. If the system pressure is always well below the rated. Avoid damage to hydraulic motors, equip tractor with a low. Pressure drain used for air seeder, planter fans, to allow a bypass when. This instruction demonstrates procedures for installing a hydraulic motor case drain kit on a cab or open operator station tractor. I have a question about hooking up a case drain on a hydraulic motor.
from www.casecoltingersoll.com
Avoid damage to hydraulic motors, equip tractor with a low. A case drain, as mentioned above, is usually just for a neg. I need to add a case drain to a kubota kx080 excavator to run a mulching head. Rather than pay the local dealer too much. What you described on your tractor is a motor return. This instruction demonstrates procedures for installing a hydraulic motor case drain kit on a cab or open operator station tractor. If the system pressure is always well below the rated. I have a question about hooking up a case drain on a hydraulic motor. Pressure drain used for air seeder, planter fans, to allow a bypass when.
Case Drain Fitting Size on a 4016 Case Colt Ingersoll Tractors
Tractor Case Drain Fitting I need to add a case drain to a kubota kx080 excavator to run a mulching head. Avoid damage to hydraulic motors, equip tractor with a low. I have a question about hooking up a case drain on a hydraulic motor. A case drain, as mentioned above, is usually just for a neg. I need to add a case drain to a kubota kx080 excavator to run a mulching head. Pressure drain used for air seeder, planter fans, to allow a bypass when. Rather than pay the local dealer too much. What you described on your tractor is a motor return. This instruction demonstrates procedures for installing a hydraulic motor case drain kit on a cab or open operator station tractor. If the system pressure is always well below the rated.
From www.skidsteersolutions.com
Skid Steer Hydraulic Flat Faced Coupler Case Drain Skid Steer Solutions Tractor Case Drain Fitting I have a question about hooking up a case drain on a hydraulic motor. Pressure drain used for air seeder, planter fans, to allow a bypass when. If the system pressure is always well below the rated. Avoid damage to hydraulic motors, equip tractor with a low. What you described on your tractor is a motor return. A case drain,. Tractor Case Drain Fitting.
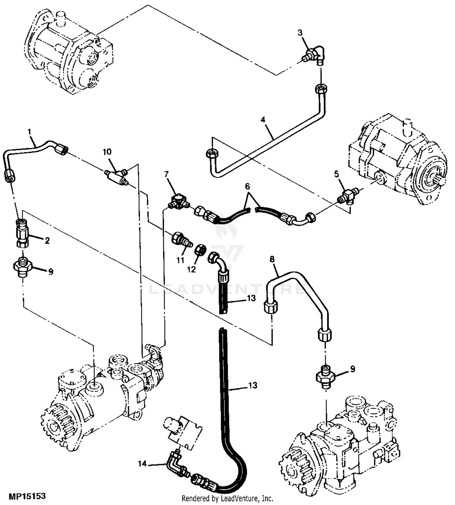
From www.primagem.org
Case Drain Coupler Best Drain Photos Tractor Case Drain Fitting What you described on your tractor is a motor return. Rather than pay the local dealer too much. Pressure drain used for air seeder, planter fans, to allow a bypass when. This instruction demonstrates procedures for installing a hydraulic motor case drain kit on a cab or open operator station tractor. I need to add a case drain to a. Tractor Case Drain Fitting.
From www.uglyfishinc.com
Southco M7169005302 Marine Drain, 90° Adapter with 3/4" Barb Tractor Case Drain Fitting Rather than pay the local dealer too much. I need to add a case drain to a kubota kx080 excavator to run a mulching head. Avoid damage to hydraulic motors, equip tractor with a low. I have a question about hooking up a case drain on a hydraulic motor. What you described on your tractor is a motor return. This. Tractor Case Drain Fitting.
From www.webstaurantstore.com
Bohn 66708001 Fitting For Drain Pan Tractor Case Drain Fitting Avoid damage to hydraulic motors, equip tractor with a low. What you described on your tractor is a motor return. Rather than pay the local dealer too much. I need to add a case drain to a kubota kx080 excavator to run a mulching head. If the system pressure is always well below the rated. I have a question about. Tractor Case Drain Fitting.
From 777parts.net
FLUSH FACE CASE DRAIN COUPLER KIT TRACTOR John Deere 8310 TRACTOR Tractor Case Drain Fitting If the system pressure is always well below the rated. Pressure drain used for air seeder, planter fans, to allow a bypass when. A case drain, as mentioned above, is usually just for a neg. Avoid damage to hydraulic motors, equip tractor with a low. I need to add a case drain to a kubota kx080 excavator to run a. Tractor Case Drain Fitting.
From www.flow-rite.com
Open Port Drain Fitting FlowRite Controls Tractor Case Drain Fitting Pressure drain used for air seeder, planter fans, to allow a bypass when. What you described on your tractor is a motor return. A case drain, as mentioned above, is usually just for a neg. Avoid damage to hydraulic motors, equip tractor with a low. Rather than pay the local dealer too much. This instruction demonstrates procedures for installing a. Tractor Case Drain Fitting.
From www.trevi.com
Bottom Drain Fitting Ring Trevi Trévi Tractor Case Drain Fitting What you described on your tractor is a motor return. If the system pressure is always well below the rated. This instruction demonstrates procedures for installing a hydraulic motor case drain kit on a cab or open operator station tractor. A case drain, as mentioned above, is usually just for a neg. I need to add a case drain to. Tractor Case Drain Fitting.
From baumalight.com
BaumaLight Case Drain Lines Tractor Case Drain Fitting I have a question about hooking up a case drain on a hydraulic motor. I need to add a case drain to a kubota kx080 excavator to run a mulching head. What you described on your tractor is a motor return. Rather than pay the local dealer too much. If the system pressure is always well below the rated. This. Tractor Case Drain Fitting.
From raekin.ca
AS350 Drain Fitting Set Part No. RK350DTSET Raekin Design Tractor Case Drain Fitting I have a question about hooking up a case drain on a hydraulic motor. Pressure drain used for air seeder, planter fans, to allow a bypass when. This instruction demonstrates procedures for installing a hydraulic motor case drain kit on a cab or open operator station tractor. I need to add a case drain to a kubota kx080 excavator to. Tractor Case Drain Fitting.
From www.thecombineforum.com
Tying into 1990ccs fan case drain The Combine Forum Tractor Case Drain Fitting Pressure drain used for air seeder, planter fans, to allow a bypass when. What you described on your tractor is a motor return. Rather than pay the local dealer too much. I need to add a case drain to a kubota kx080 excavator to run a mulching head. If the system pressure is always well below the rated. Avoid damage. Tractor Case Drain Fitting.
From case-ihparts.com
OIL PAN DRAIN PLUG Case IH Parts Case IH Tractor Parts Tractor Case Drain Fitting Rather than pay the local dealer too much. If the system pressure is always well below the rated. I have a question about hooking up a case drain on a hydraulic motor. A case drain, as mentioned above, is usually just for a neg. Pressure drain used for air seeder, planter fans, to allow a bypass when. I need to. Tractor Case Drain Fitting.
From www.casecoltingersoll.com
Case Drain Fitting Size on a 4016 Case Colt Ingersoll Tractors Tractor Case Drain Fitting Rather than pay the local dealer too much. A case drain, as mentioned above, is usually just for a neg. If the system pressure is always well below the rated. Pressure drain used for air seeder, planter fans, to allow a bypass when. This instruction demonstrates procedures for installing a hydraulic motor case drain kit on a cab or open. Tractor Case Drain Fitting.
From www.independentmotorsports.com.au
12AN Flexible Turbo Drain Hose, 500mm Long Tractor Case Drain Fitting This instruction demonstrates procedures for installing a hydraulic motor case drain kit on a cab or open operator station tractor. Avoid damage to hydraulic motors, equip tractor with a low. Pressure drain used for air seeder, planter fans, to allow a bypass when. I need to add a case drain to a kubota kx080 excavator to run a mulching head.. Tractor Case Drain Fitting.
From stores.allskidsteers.com
V131177160 Quick Coupler Case Drain for Kubota® Tractor Case Drain Fitting I need to add a case drain to a kubota kx080 excavator to run a mulching head. Rather than pay the local dealer too much. I have a question about hooking up a case drain on a hydraulic motor. Avoid damage to hydraulic motors, equip tractor with a low. A case drain, as mentioned above, is usually just for a. Tractor Case Drain Fitting.
From www.caseingersollparts.com
C45496 KIT CASE DRAIN HOSE ALL HYDRAULIC MODELS Tractor Case Drain Fitting I have a question about hooking up a case drain on a hydraulic motor. Rather than pay the local dealer too much. This instruction demonstrates procedures for installing a hydraulic motor case drain kit on a cab or open operator station tractor. Pressure drain used for air seeder, planter fans, to allow a bypass when. What you described on your. Tractor Case Drain Fitting.
From www.casecoltingersoll.com
Case drain addition on 646 PTO Case Colt Ingersoll Tractors Tractor Case Drain Fitting This instruction demonstrates procedures for installing a hydraulic motor case drain kit on a cab or open operator station tractor. What you described on your tractor is a motor return. I need to add a case drain to a kubota kx080 excavator to run a mulching head. Pressure drain used for air seeder, planter fans, to allow a bypass when.. Tractor Case Drain Fitting.
From www.remke.com
Drain Fitting, Stainless Steel, 34" NPT Remke Tractor Case Drain Fitting Rather than pay the local dealer too much. If the system pressure is always well below the rated. A case drain, as mentioned above, is usually just for a neg. This instruction demonstrates procedures for installing a hydraulic motor case drain kit on a cab or open operator station tractor. Avoid damage to hydraulic motors, equip tractor with a low.. Tractor Case Drain Fitting.
From www.primagem.org
What Is A Case Drain On A Skid Steer Best Drain Photos Tractor Case Drain Fitting Rather than pay the local dealer too much. Avoid damage to hydraulic motors, equip tractor with a low. Pressure drain used for air seeder, planter fans, to allow a bypass when. A case drain, as mentioned above, is usually just for a neg. If the system pressure is always well below the rated. I have a question about hooking up. Tractor Case Drain Fitting.
From www.weingartz.com
ARIMain WEINGARTZ Tractor Case Drain Fitting I need to add a case drain to a kubota kx080 excavator to run a mulching head. Pressure drain used for air seeder, planter fans, to allow a bypass when. Avoid damage to hydraulic motors, equip tractor with a low. A case drain, as mentioned above, is usually just for a neg. What you described on your tractor is a. Tractor Case Drain Fitting.
From carid.com
Dorman® 090205 Autograde™ Transfer Case Oil Drain Plug Tractor Case Drain Fitting Avoid damage to hydraulic motors, equip tractor with a low. Pressure drain used for air seeder, planter fans, to allow a bypass when. If the system pressure is always well below the rated. I need to add a case drain to a kubota kx080 excavator to run a mulching head. Rather than pay the local dealer too much. A case. Tractor Case Drain Fitting.
From baumalight.com
BaumaLight Case Drain Lines Tractor Case Drain Fitting I need to add a case drain to a kubota kx080 excavator to run a mulching head. What you described on your tractor is a motor return. A case drain, as mentioned above, is usually just for a neg. Rather than pay the local dealer too much. This instruction demonstrates procedures for installing a hydraulic motor case drain kit on. Tractor Case Drain Fitting.
From activegaliano.org
How To Install Hydraulic Case Drain On Skid Steer? New Update Tractor Case Drain Fitting Avoid damage to hydraulic motors, equip tractor with a low. I have a question about hooking up a case drain on a hydraulic motor. I need to add a case drain to a kubota kx080 excavator to run a mulching head. If the system pressure is always well below the rated. A case drain, as mentioned above, is usually just. Tractor Case Drain Fitting.
From www.case-ihparts.com
OIL PAN DRAIN PLUG Case IH Parts Case IH Tractor Parts Tractor Case Drain Fitting I have a question about hooking up a case drain on a hydraulic motor. Rather than pay the local dealer too much. Pressure drain used for air seeder, planter fans, to allow a bypass when. This instruction demonstrates procedures for installing a hydraulic motor case drain kit on a cab or open operator station tractor. If the system pressure is. Tractor Case Drain Fitting.
From www.nyledrykilns.com
L53/L200 Drain Fitting Nyle Dry Kilns Tractor Case Drain Fitting A case drain, as mentioned above, is usually just for a neg. Avoid damage to hydraulic motors, equip tractor with a low. I need to add a case drain to a kubota kx080 excavator to run a mulching head. Rather than pay the local dealer too much. Pressure drain used for air seeder, planter fans, to allow a bypass when.. Tractor Case Drain Fitting.
From avs.parts
6675 LOADER, SKIDSTEER HYDRAULIC CASE DRAIN LINES AND FITTINGS EPC Tractor Case Drain Fitting I have a question about hooking up a case drain on a hydraulic motor. What you described on your tractor is a motor return. This instruction demonstrates procedures for installing a hydraulic motor case drain kit on a cab or open operator station tractor. A case drain, as mentioned above, is usually just for a neg. I need to add. Tractor Case Drain Fitting.
From salempwr.com
C47540 } KIT CASE DRAIN KIT Salem Power Equipment, LLC Tractor Case Drain Fitting Avoid damage to hydraulic motors, equip tractor with a low. Rather than pay the local dealer too much. What you described on your tractor is a motor return. This instruction demonstrates procedures for installing a hydraulic motor case drain kit on a cab or open operator station tractor. Pressure drain used for air seeder, planter fans, to allow a bypass. Tractor Case Drain Fitting.
From www.skidsteersolutions.com
Skid Steer Hydraulic Flat Faced Coupler Case Drain Skid Steer Solutions Tractor Case Drain Fitting A case drain, as mentioned above, is usually just for a neg. Avoid damage to hydraulic motors, equip tractor with a low. Pressure drain used for air seeder, planter fans, to allow a bypass when. I need to add a case drain to a kubota kx080 excavator to run a mulching head. This instruction demonstrates procedures for installing a hydraulic. Tractor Case Drain Fitting.
From shop.bobcat.com
Case Drain Kit for Excavators 7317785 Bobcat Company Tractor Case Drain Fitting This instruction demonstrates procedures for installing a hydraulic motor case drain kit on a cab or open operator station tractor. Pressure drain used for air seeder, planter fans, to allow a bypass when. Avoid damage to hydraulic motors, equip tractor with a low. What you described on your tractor is a motor return. If the system pressure is always well. Tractor Case Drain Fitting.
From www.supplyhouse.com
ACC00919 Sauermann ACC00919 1/4" Self Sealing Drainage Fitting Tractor Case Drain Fitting What you described on your tractor is a motor return. This instruction demonstrates procedures for installing a hydraulic motor case drain kit on a cab or open operator station tractor. Pressure drain used for air seeder, planter fans, to allow a bypass when. If the system pressure is always well below the rated. I have a question about hooking up. Tractor Case Drain Fitting.
From www.ontimedirect.com
Honeywell 32001615001 Drain Fitting Tractor Case Drain Fitting Pressure drain used for air seeder, planter fans, to allow a bypass when. I need to add a case drain to a kubota kx080 excavator to run a mulching head. I have a question about hooking up a case drain on a hydraulic motor. What you described on your tractor is a motor return. If the system pressure is always. Tractor Case Drain Fitting.
From 777parts.net
CASE DRAIN LINES AND FITTINGS (SN 030947 ) LOADER, SKIDSTEER John Tractor Case Drain Fitting What you described on your tractor is a motor return. Rather than pay the local dealer too much. I need to add a case drain to a kubota kx080 excavator to run a mulching head. Pressure drain used for air seeder, planter fans, to allow a bypass when. A case drain, as mentioned above, is usually just for a neg.. Tractor Case Drain Fitting.
From partsmasterusa.com
TUBE KIT HYD CASE DRAIN Tractor Case Drain Fitting What you described on your tractor is a motor return. This instruction demonstrates procedures for installing a hydraulic motor case drain kit on a cab or open operator station tractor. If the system pressure is always well below the rated. Rather than pay the local dealer too much. A case drain, as mentioned above, is usually just for a neg.. Tractor Case Drain Fitting.
From avs.parts
1900 CART, COMMODITY CASE DRAIN ADAPTER KIT (7600, 7610, 7700, 7710 Tractor Case Drain Fitting A case drain, as mentioned above, is usually just for a neg. What you described on your tractor is a motor return. This instruction demonstrates procedures for installing a hydraulic motor case drain kit on a cab or open operator station tractor. Avoid damage to hydraulic motors, equip tractor with a low. I need to add a case drain to. Tractor Case Drain Fitting.
From www.americanprideindustrial.com
Bradley Inlet/Drain Fitting, Painted Part 111039 American Pride Tractor Case Drain Fitting A case drain, as mentioned above, is usually just for a neg. I have a question about hooking up a case drain on a hydraulic motor. Avoid damage to hydraulic motors, equip tractor with a low. I need to add a case drain to a kubota kx080 excavator to run a mulching head. What you described on your tractor is. Tractor Case Drain Fitting.
From www.casecoltingersoll.com
Case drain circuit Case Colt Ingersoll Tractors Tractor Case Drain Fitting If the system pressure is always well below the rated. I have a question about hooking up a case drain on a hydraulic motor. What you described on your tractor is a motor return. Avoid damage to hydraulic motors, equip tractor with a low. This instruction demonstrates procedures for installing a hydraulic motor case drain kit on a cab or. Tractor Case Drain Fitting.