Windows Cooling Fan Control . Windows 11's power plans allow you to customize how your machine works by letting you adjust aspects like display timeout,. Cpu fan control is one of the best ways to make your pc run better, cooler, and quieter. This is the release repository for fan control, a highly customizable fan controlling software for windows. There are a few ways to access the. Topics control cpu curves gpu temperature speed fan pwm. From the power plan settings. With fan control, you can track your cpu, gpu, motherboard, and storage device temperatures, fully control all of the fans in. How to control fan speed on windows 11/10. You can check, control, increase, monitor. Fan control is a free software that allows the user to control his cpu, gpu and case fans using temperatures.
from www.wikihow.com
You can check, control, increase, monitor. How to control fan speed on windows 11/10. From the power plan settings. Fan control is a free software that allows the user to control his cpu, gpu and case fans using temperatures. Topics control cpu curves gpu temperature speed fan pwm. Cpu fan control is one of the best ways to make your pc run better, cooler, and quieter. There are a few ways to access the. With fan control, you can track your cpu, gpu, motherboard, and storage device temperatures, fully control all of the fans in. Windows 11's power plans allow you to customize how your machine works by letting you adjust aspects like display timeout,. This is the release repository for fan control, a highly customizable fan controlling software for windows.
How to Use Window Fans for Home Cooling 12 Steps (with Pictures)
Windows Cooling Fan Control From the power plan settings. From the power plan settings. Windows 11's power plans allow you to customize how your machine works by letting you adjust aspects like display timeout,. Topics control cpu curves gpu temperature speed fan pwm. There are a few ways to access the. You can check, control, increase, monitor. How to control fan speed on windows 11/10. Fan control is a free software that allows the user to control his cpu, gpu and case fans using temperatures. With fan control, you can track your cpu, gpu, motherboard, and storage device temperatures, fully control all of the fans in. This is the release repository for fan control, a highly customizable fan controlling software for windows. Cpu fan control is one of the best ways to make your pc run better, cooler, and quieter.
From s3.amazonaws.com
Best Floor Fans Windows Cooling Fan Control Windows 11's power plans allow you to customize how your machine works by letting you adjust aspects like display timeout,. From the power plan settings. With fan control, you can track your cpu, gpu, motherboard, and storage device temperatures, fully control all of the fans in. You can check, control, increase, monitor. This is the release repository for fan control,. Windows Cooling Fan Control.
From auskol.weebly.com
Best way to control fan speed auskol Windows Cooling Fan Control Fan control is a free software that allows the user to control his cpu, gpu and case fans using temperatures. Windows 11's power plans allow you to customize how your machine works by letting you adjust aspects like display timeout,. Cpu fan control is one of the best ways to make your pc run better, cooler, and quieter. This is. Windows Cooling Fan Control.
From www.makeuseof.com
How to Use Fan Control to Manage Your Windows PC's Fan Windows Cooling Fan Control Windows 11's power plans allow you to customize how your machine works by letting you adjust aspects like display timeout,. From the power plan settings. Fan control is a free software that allows the user to control his cpu, gpu and case fans using temperatures. With fan control, you can track your cpu, gpu, motherboard, and storage device temperatures, fully. Windows Cooling Fan Control.
From gioezkxol.blob.core.windows.net
Cooling Fan Relay Sensor at Bowling blog Windows Cooling Fan Control Cpu fan control is one of the best ways to make your pc run better, cooler, and quieter. How to control fan speed on windows 11/10. Windows 11's power plans allow you to customize how your machine works by letting you adjust aspects like display timeout,. This is the release repository for fan control, a highly customizable fan controlling software. Windows Cooling Fan Control.
From www.homedit.com
5 Best Window Fan for Multi Use Efficient Ways To Circulate Air Windows Cooling Fan Control Fan control is a free software that allows the user to control his cpu, gpu and case fans using temperatures. How to control fan speed on windows 11/10. You can check, control, increase, monitor. With fan control, you can track your cpu, gpu, motherboard, and storage device temperatures, fully control all of the fans in. This is the release repository. Windows Cooling Fan Control.
From www.thesleepjudge.com
Best Window Cooling Fan Reviews 2022 The Sleep Judge Windows Cooling Fan Control From the power plan settings. How to control fan speed on windows 11/10. Windows 11's power plans allow you to customize how your machine works by letting you adjust aspects like display timeout,. There are a few ways to access the. You can check, control, increase, monitor. Fan control is a free software that allows the user to control his. Windows Cooling Fan Control.
From www.argusmonitor.com
Best Fan Control Software for Windows Windows Cooling Fan Control With fan control, you can track your cpu, gpu, motherboard, and storage device temperatures, fully control all of the fans in. Windows 11's power plans allow you to customize how your machine works by letting you adjust aspects like display timeout,. Fan control is a free software that allows the user to control his cpu, gpu and case fans using. Windows Cooling Fan Control.
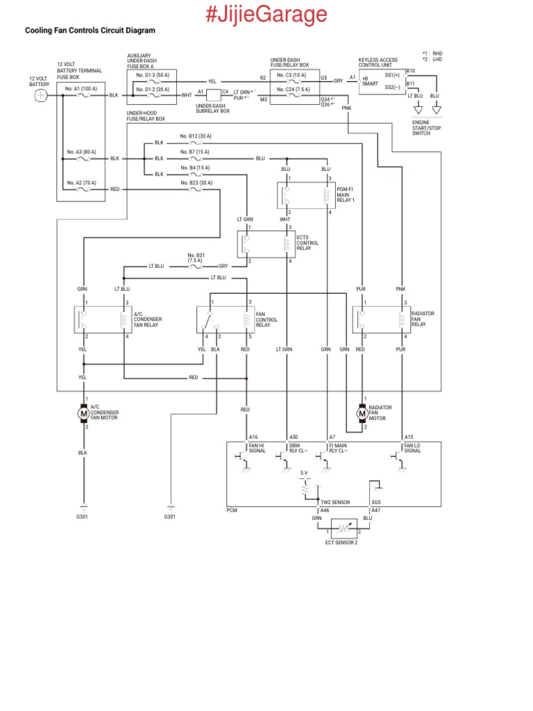
From www.scribd.com
HRV RU5 Cooling Fan Controls Circuit Diagram With Keyless PDF Windows Cooling Fan Control Cpu fan control is one of the best ways to make your pc run better, cooler, and quieter. How to control fan speed on windows 11/10. Fan control is a free software that allows the user to control his cpu, gpu and case fans using temperatures. Topics control cpu curves gpu temperature speed fan pwm. From the power plan settings.. Windows Cooling Fan Control.
From guidebarbolasblogv4.z13.web.core.windows.net
Cooling Fan Wiring Diagram Auto Windows Cooling Fan Control With fan control, you can track your cpu, gpu, motherboard, and storage device temperatures, fully control all of the fans in. There are a few ways to access the. This is the release repository for fan control, a highly customizable fan controlling software for windows. You can check, control, increase, monitor. How to control fan speed on windows 11/10. Cpu. Windows Cooling Fan Control.
From www.desertcart.com.kw
Buy LG 18,000 BTU Window Air Conditioner, Cools 1,000 Sq.Ft. (25' x 40 Windows Cooling Fan Control Cpu fan control is one of the best ways to make your pc run better, cooler, and quieter. With fan control, you can track your cpu, gpu, motherboard, and storage device temperatures, fully control all of the fans in. How to control fan speed on windows 11/10. You can check, control, increase, monitor. This is the release repository for fan. Windows Cooling Fan Control.
From lmkamagical.weebly.com
Windows 10 control fan speed lmkamagical Windows Cooling Fan Control From the power plan settings. With fan control, you can track your cpu, gpu, motherboard, and storage device temperatures, fully control all of the fans in. Windows 11's power plans allow you to customize how your machine works by letting you adjust aspects like display timeout,. Cpu fan control is one of the best ways to make your pc run. Windows Cooling Fan Control.
From www.aliexpress.com
120mm CPU Cooling Fan Controller Remote RGB Adjustable LED Computer Windows Cooling Fan Control Cpu fan control is one of the best ways to make your pc run better, cooler, and quieter. There are a few ways to access the. With fan control, you can track your cpu, gpu, motherboard, and storage device temperatures, fully control all of the fans in. How to control fan speed on windows 11/10. Windows 11's power plans allow. Windows Cooling Fan Control.
From hvacseer.com
How To Make A Fan Blow Cold Air [7 Things To Try!] Windows Cooling Fan Control You can check, control, increase, monitor. How to control fan speed on windows 11/10. With fan control, you can track your cpu, gpu, motherboard, and storage device temperatures, fully control all of the fans in. From the power plan settings. Fan control is a free software that allows the user to control his cpu, gpu and case fans using temperatures.. Windows Cooling Fan Control.
From www.eeweb.com
PWM CoolingFAN Controller Device for Temperature Protection EE Windows Cooling Fan Control There are a few ways to access the. Fan control is a free software that allows the user to control his cpu, gpu and case fans using temperatures. You can check, control, increase, monitor. From the power plan settings. Topics control cpu curves gpu temperature speed fan pwm. Windows 11's power plans allow you to customize how your machine works. Windows Cooling Fan Control.
From www.youtube.com
ASUS Fan Xpert 2 handson shows how to do PC cooling fan control right Windows Cooling Fan Control From the power plan settings. Fan control is a free software that allows the user to control his cpu, gpu and case fans using temperatures. Cpu fan control is one of the best ways to make your pc run better, cooler, and quieter. This is the release repository for fan control, a highly customizable fan controlling software for windows. You. Windows Cooling Fan Control.
From winbuzzer.com
How to Use SpeedFan for Fan Speed Control in Windows 10 WinBuzzer Windows Cooling Fan Control Fan control is a free software that allows the user to control his cpu, gpu and case fans using temperatures. From the power plan settings. How to control fan speed on windows 11/10. Cpu fan control is one of the best ways to make your pc run better, cooler, and quieter. You can check, control, increase, monitor. With fan control,. Windows Cooling Fan Control.
From www.pcworld.idg.com.au
How to set up your PC's fans for maximum system cooling PC World Windows Cooling Fan Control There are a few ways to access the. With fan control, you can track your cpu, gpu, motherboard, and storage device temperatures, fully control all of the fans in. This is the release repository for fan control, a highly customizable fan controlling software for windows. Fan control is a free software that allows the user to control his cpu, gpu. Windows Cooling Fan Control.
From kinsunny.com
The 4 Best Cooling Fan Control Module Commander Life Sunny Windows Cooling Fan Control Windows 11's power plans allow you to customize how your machine works by letting you adjust aspects like display timeout,. This is the release repository for fan control, a highly customizable fan controlling software for windows. Cpu fan control is one of the best ways to make your pc run better, cooler, and quieter. From the power plan settings. Fan. Windows Cooling Fan Control.
From userfixfrey.z19.web.core.windows.net
Cooling Fan Circuit Diagram Windows Cooling Fan Control Cpu fan control is one of the best ways to make your pc run better, cooler, and quieter. There are a few ways to access the. This is the release repository for fan control, a highly customizable fan controlling software for windows. From the power plan settings. How to control fan speed on windows 11/10. You can check, control, increase,. Windows Cooling Fan Control.
From todaytonew.over-blog.com
Vista Cooling Fan Control Windows Cooling Fan Control Windows 11's power plans allow you to customize how your machine works by letting you adjust aspects like display timeout,. From the power plan settings. With fan control, you can track your cpu, gpu, motherboard, and storage device temperatures, fully control all of the fans in. Cpu fan control is one of the best ways to make your pc run. Windows Cooling Fan Control.
From windowsreport.com
How to Control Your Fan Speed in Windows 11 [4 Ways] Windows Cooling Fan Control Fan control is a free software that allows the user to control his cpu, gpu and case fans using temperatures. How to control fan speed on windows 11/10. This is the release repository for fan control, a highly customizable fan controlling software for windows. From the power plan settings. Topics control cpu curves gpu temperature speed fan pwm. You can. Windows Cooling Fan Control.
From silentpcreview.com
Fan Control open source windows fan control software SPCR Windows Cooling Fan Control From the power plan settings. You can check, control, increase, monitor. Topics control cpu curves gpu temperature speed fan pwm. This is the release repository for fan control, a highly customizable fan controlling software for windows. How to control fan speed on windows 11/10. Cpu fan control is one of the best ways to make your pc run better, cooler,. Windows Cooling Fan Control.
From www.lifewire.com
How to Control the CPU Fan on Windows 10 Windows Cooling Fan Control Cpu fan control is one of the best ways to make your pc run better, cooler, and quieter. You can check, control, increase, monitor. Fan control is a free software that allows the user to control his cpu, gpu and case fans using temperatures. There are a few ways to access the. With fan control, you can track your cpu,. Windows Cooling Fan Control.
From schematiclistgaur55.z22.web.core.windows.net
Electric Cooling Fan Control Wiring Diagram Windows Cooling Fan Control Windows 11's power plans allow you to customize how your machine works by letting you adjust aspects like display timeout,. Cpu fan control is one of the best ways to make your pc run better, cooler, and quieter. Topics control cpu curves gpu temperature speed fan pwm. You can check, control, increase, monitor. How to control fan speed on windows. Windows Cooling Fan Control.
From marylandcrimson939.weebly.com
Cooling Tech Software Windows 10 marylandcrimson Windows Cooling Fan Control Topics control cpu curves gpu temperature speed fan pwm. With fan control, you can track your cpu, gpu, motherboard, and storage device temperatures, fully control all of the fans in. Cpu fan control is one of the best ways to make your pc run better, cooler, and quieter. You can check, control, increase, monitor. How to control fan speed on. Windows Cooling Fan Control.
From www.intel.com
Cooling and Fan Controls in IntelĀ® NUC Products with Aptio V BIOS Windows Cooling Fan Control Windows 11's power plans allow you to customize how your machine works by letting you adjust aspects like display timeout,. Topics control cpu curves gpu temperature speed fan pwm. Fan control is a free software that allows the user to control his cpu, gpu and case fans using temperatures. With fan control, you can track your cpu, gpu, motherboard, and. Windows Cooling Fan Control.
From techcult.com
How to Control Fan Speed in Windows 10 TechCult Windows Cooling Fan Control This is the release repository for fan control, a highly customizable fan controlling software for windows. With fan control, you can track your cpu, gpu, motherboard, and storage device temperatures, fully control all of the fans in. From the power plan settings. How to control fan speed on windows 11/10. Windows 11's power plans allow you to customize how your. Windows Cooling Fan Control.
From www.desertcart.co.ke
Buy MIDEA EasyCool Window Air Conditioner Cooling, Dehumidifier, Fan Windows Cooling Fan Control You can check, control, increase, monitor. Cpu fan control is one of the best ways to make your pc run better, cooler, and quieter. Fan control is a free software that allows the user to control his cpu, gpu and case fans using temperatures. There are a few ways to access the. This is the release repository for fan control,. Windows Cooling Fan Control.
From www.wikihow.com
How to Use Window Fans for Home Cooling 12 Steps (with Pictures) Windows Cooling Fan Control From the power plan settings. There are a few ways to access the. How to control fan speed on windows 11/10. With fan control, you can track your cpu, gpu, motherboard, and storage device temperatures, fully control all of the fans in. Cpu fan control is one of the best ways to make your pc run better, cooler, and quieter.. Windows Cooling Fan Control.
From www.addictivetips.com
How to Control Fan Speed on Windows 10 Windows Cooling Fan Control Windows 11's power plans allow you to customize how your machine works by letting you adjust aspects like display timeout,. You can check, control, increase, monitor. This is the release repository for fan control, a highly customizable fan controlling software for windows. How to control fan speed on windows 11/10. With fan control, you can track your cpu, gpu, motherboard,. Windows Cooling Fan Control.
From h30434.www3.hp.com
cooling fan not operating correctly HP Support Community 3271195 Windows Cooling Fan Control This is the release repository for fan control, a highly customizable fan controlling software for windows. You can check, control, increase, monitor. Cpu fan control is one of the best ways to make your pc run better, cooler, and quieter. Windows 11's power plans allow you to customize how your machine works by letting you adjust aspects like display timeout,.. Windows Cooling Fan Control.
From www.thesleepjudge.com
Best Window Cooling Fan Reviews 2022 The Sleep Judge Windows Cooling Fan Control Cpu fan control is one of the best ways to make your pc run better, cooler, and quieter. With fan control, you can track your cpu, gpu, motherboard, and storage device temperatures, fully control all of the fans in. There are a few ways to access the. Windows 11's power plans allow you to customize how your machine works by. Windows Cooling Fan Control.
From www.thesleepjudge.com
Best Window Cooling Fan Reviews 2022 The Sleep Judge Windows Cooling Fan Control You can check, control, increase, monitor. How to control fan speed on windows 11/10. This is the release repository for fan control, a highly customizable fan controlling software for windows. From the power plan settings. With fan control, you can track your cpu, gpu, motherboard, and storage device temperatures, fully control all of the fans in. There are a few. Windows Cooling Fan Control.
From www.wikihow.com
How to Use Window Fans for Home Cooling 12 Steps (with Pictures) Windows Cooling Fan Control Topics control cpu curves gpu temperature speed fan pwm. Fan control is a free software that allows the user to control his cpu, gpu and case fans using temperatures. From the power plan settings. This is the release repository for fan control, a highly customizable fan controlling software for windows. There are a few ways to access the. How to. Windows Cooling Fan Control.
From www.ebay.com
Holmes Dual Blade Digital Window Fan with Programmable Thermostat Windows Cooling Fan Control Windows 11's power plans allow you to customize how your machine works by letting you adjust aspects like display timeout,. How to control fan speed on windows 11/10. This is the release repository for fan control, a highly customizable fan controlling software for windows. Fan control is a free software that allows the user to control his cpu, gpu and. Windows Cooling Fan Control.