Ada Compliant Grab Bars Toilet . The standards require grab bars at water closets on the side and rear wall (§604.5). Can grab bars be mounted to the floor instead of the wall? Next to an accessible toilet, the sidewall grab bar must be at least 42 inches long and located a maximum of 12 inches from the rear wall. To be ada compliant, grab bars must be installed behind the toilet and on the nearest side wall or partition. Grab bars in toilet stall requirements: According to ada standards, grab bars are required in all accessible toilet stalls. These bars help people transfer from a wheelchair to the toilet and provide support while. A number of other accessories, including toilet paper dispenser, should be strategically placed in every accessible toilet compartment or bathroom. With 36 (915 mm) long, the grab bars on the rear wall must be mounted to 24 (610 mm) and are to the transfer side of the toilet and the.
from americanspecialties.com
With 36 (915 mm) long, the grab bars on the rear wall must be mounted to 24 (610 mm) and are to the transfer side of the toilet and the. To be ada compliant, grab bars must be installed behind the toilet and on the nearest side wall or partition. Can grab bars be mounted to the floor instead of the wall? Next to an accessible toilet, the sidewall grab bar must be at least 42 inches long and located a maximum of 12 inches from the rear wall. Grab bars in toilet stall requirements: The standards require grab bars at water closets on the side and rear wall (§604.5). According to ada standards, grab bars are required in all accessible toilet stalls. A number of other accessories, including toilet paper dispenser, should be strategically placed in every accessible toilet compartment or bathroom. These bars help people transfer from a wheelchair to the toilet and provide support while.
ADA Toilet Design for Accessibility, Functionality, and More
Ada Compliant Grab Bars Toilet Can grab bars be mounted to the floor instead of the wall? A number of other accessories, including toilet paper dispenser, should be strategically placed in every accessible toilet compartment or bathroom. With 36 (915 mm) long, the grab bars on the rear wall must be mounted to 24 (610 mm) and are to the transfer side of the toilet and the. To be ada compliant, grab bars must be installed behind the toilet and on the nearest side wall or partition. Grab bars in toilet stall requirements: The standards require grab bars at water closets on the side and rear wall (§604.5). Next to an accessible toilet, the sidewall grab bar must be at least 42 inches long and located a maximum of 12 inches from the rear wall. Can grab bars be mounted to the floor instead of the wall? These bars help people transfer from a wheelchair to the toilet and provide support while. According to ada standards, grab bars are required in all accessible toilet stalls.
From exonuzgxv.blob.core.windows.net
Ada Handicap Toilet Bars at Lonnie Lawson blog Ada Compliant Grab Bars Toilet Can grab bars be mounted to the floor instead of the wall? The standards require grab bars at water closets on the side and rear wall (§604.5). With 36 (915 mm) long, the grab bars on the rear wall must be mounted to 24 (610 mm) and are to the transfer side of the toilet and the. Next to an. Ada Compliant Grab Bars Toilet.
From www.partitionplus.com
Ultimate Guide to an ADA Compliant Bathroom Partition Plus Ada Compliant Grab Bars Toilet With 36 (915 mm) long, the grab bars on the rear wall must be mounted to 24 (610 mm) and are to the transfer side of the toilet and the. A number of other accessories, including toilet paper dispenser, should be strategically placed in every accessible toilet compartment or bathroom. Can grab bars be mounted to the floor instead of. Ada Compliant Grab Bars Toilet.
From americanspecialties.com
ADA Toilet Design for Accessibility, Functionality, and More Ada Compliant Grab Bars Toilet These bars help people transfer from a wheelchair to the toilet and provide support while. Can grab bars be mounted to the floor instead of the wall? Grab bars in toilet stall requirements: The standards require grab bars at water closets on the side and rear wall (§604.5). To be ada compliant, grab bars must be installed behind the toilet. Ada Compliant Grab Bars Toilet.
From exouuujdu.blob.core.windows.net
Best Ada Compliant Grab Bars at Christy Simmons blog Ada Compliant Grab Bars Toilet These bars help people transfer from a wheelchair to the toilet and provide support while. Next to an accessible toilet, the sidewall grab bar must be at least 42 inches long and located a maximum of 12 inches from the rear wall. To be ada compliant, grab bars must be installed behind the toilet and on the nearest side wall. Ada Compliant Grab Bars Toilet.
From exowkrlgh.blob.core.windows.net
Ada Compliant Bathroom Grab Bar Height at Phoebe Grant blog Ada Compliant Grab Bars Toilet Can grab bars be mounted to the floor instead of the wall? According to ada standards, grab bars are required in all accessible toilet stalls. A number of other accessories, including toilet paper dispenser, should be strategically placed in every accessible toilet compartment or bathroom. Next to an accessible toilet, the sidewall grab bar must be at least 42 inches. Ada Compliant Grab Bars Toilet.
From www.harborcitysupply.com
Grab Bars In Accessible Toilet Compartments ADA Approved Harbor Ada Compliant Grab Bars Toilet These bars help people transfer from a wheelchair to the toilet and provide support while. Can grab bars be mounted to the floor instead of the wall? The standards require grab bars at water closets on the side and rear wall (§604.5). According to ada standards, grab bars are required in all accessible toilet stalls. Next to an accessible toilet,. Ada Compliant Grab Bars Toilet.
From flushguide.com
A Beginner’s Introduction to Handicap's ADA Toilet What Is It? Ada Compliant Grab Bars Toilet Grab bars in toilet stall requirements: With 36 (915 mm) long, the grab bars on the rear wall must be mounted to 24 (610 mm) and are to the transfer side of the toilet and the. These bars help people transfer from a wheelchair to the toilet and provide support while. Next to an accessible toilet, the sidewall grab bar. Ada Compliant Grab Bars Toilet.
From www.homerises.com
Handicap Toilet Grab Bars Floor Mounted Stainless Steel Bathroom Grab Ada Compliant Grab Bars Toilet To be ada compliant, grab bars must be installed behind the toilet and on the nearest side wall or partition. Grab bars in toilet stall requirements: A number of other accessories, including toilet paper dispenser, should be strategically placed in every accessible toilet compartment or bathroom. With 36 (915 mm) long, the grab bars on the rear wall must be. Ada Compliant Grab Bars Toilet.
From www.lowes.com
Delta Transitional 16in Satin Nickel Wall Mount (ADA Compliant) Grab Ada Compliant Grab Bars Toilet According to ada standards, grab bars are required in all accessible toilet stalls. Grab bars in toilet stall requirements: With 36 (915 mm) long, the grab bars on the rear wall must be mounted to 24 (610 mm) and are to the transfer side of the toilet and the. The standards require grab bars at water closets on the side. Ada Compliant Grab Bars Toilet.
From www.tiktok.com
হযরত ফাতেমা (রাঃ) কোরআন তেলাওয়াত করার সময় । ৪ টি বিয়ে করা সুন্নত।ওই Ada Compliant Grab Bars Toilet To be ada compliant, grab bars must be installed behind the toilet and on the nearest side wall or partition. Can grab bars be mounted to the floor instead of the wall? The standards require grab bars at water closets on the side and rear wall (§604.5). These bars help people transfer from a wheelchair to the toilet and provide. Ada Compliant Grab Bars Toilet.
From exylinigc.blob.core.windows.net
Height Of Grab Bar For Ada Toilet at Rikki Parker blog Ada Compliant Grab Bars Toilet According to ada standards, grab bars are required in all accessible toilet stalls. Can grab bars be mounted to the floor instead of the wall? Next to an accessible toilet, the sidewall grab bar must be at least 42 inches long and located a maximum of 12 inches from the rear wall. To be ada compliant, grab bars must be. Ada Compliant Grab Bars Toilet.
From up.codes
Reinforcing for Grab Bars at Toilets UpCodes Ada Compliant Grab Bars Toilet According to ada standards, grab bars are required in all accessible toilet stalls. A number of other accessories, including toilet paper dispenser, should be strategically placed in every accessible toilet compartment or bathroom. The standards require grab bars at water closets on the side and rear wall (§604.5). Next to an accessible toilet, the sidewall grab bar must be at. Ada Compliant Grab Bars Toilet.
From www.pinterest.com.au
Moen Home Care SecureMount Angled Grab Bar Grab bars in bathroom Ada Compliant Grab Bars Toilet Grab bars in toilet stall requirements: These bars help people transfer from a wheelchair to the toilet and provide support while. The standards require grab bars at water closets on the side and rear wall (§604.5). With 36 (915 mm) long, the grab bars on the rear wall must be mounted to 24 (610 mm) and are to the transfer. Ada Compliant Grab Bars Toilet.
From www.pinterest.co.uk
ADA Compliant Handicap Accessibility Grab Bars / Hand Rails Etsy Ada Compliant Grab Bars Toilet Can grab bars be mounted to the floor instead of the wall? To be ada compliant, grab bars must be installed behind the toilet and on the nearest side wall or partition. Next to an accessible toilet, the sidewall grab bar must be at least 42 inches long and located a maximum of 12 inches from the rear wall. According. Ada Compliant Grab Bars Toilet.
From klaibydky.blob.core.windows.net
Ada Bathroom Grab Bars Specs at Louis Schanz blog Ada Compliant Grab Bars Toilet According to ada standards, grab bars are required in all accessible toilet stalls. Grab bars in toilet stall requirements: The standards require grab bars at water closets on the side and rear wall (§604.5). These bars help people transfer from a wheelchair to the toilet and provide support while. Can grab bars be mounted to the floor instead of the. Ada Compliant Grab Bars Toilet.
From us.shein.com
Grab Bars For Shower HeavyDuty (2Pack)12Inch ADA Compliant 350lbs Ada Compliant Grab Bars Toilet Can grab bars be mounted to the floor instead of the wall? A number of other accessories, including toilet paper dispenser, should be strategically placed in every accessible toilet compartment or bathroom. Next to an accessible toilet, the sidewall grab bar must be at least 42 inches long and located a maximum of 12 inches from the rear wall. Grab. Ada Compliant Grab Bars Toilet.
From www.homedepot.com
Delta Traditional 24 in. Concealed Screw Grab Bar, Toilet Paper Holder Ada Compliant Grab Bars Toilet Grab bars in toilet stall requirements: A number of other accessories, including toilet paper dispenser, should be strategically placed in every accessible toilet compartment or bathroom. With 36 (915 mm) long, the grab bars on the rear wall must be mounted to 24 (610 mm) and are to the transfer side of the toilet and the. Next to an accessible. Ada Compliant Grab Bars Toilet.
From www.walmart.com
Handicap Grab Bars for Bathroom Toilet Safety Bars Showers Handicap Ada Compliant Grab Bars Toilet Can grab bars be mounted to the floor instead of the wall? The standards require grab bars at water closets on the side and rear wall (§604.5). These bars help people transfer from a wheelchair to the toilet and provide support while. A number of other accessories, including toilet paper dispenser, should be strategically placed in every accessible toilet compartment. Ada Compliant Grab Bars Toilet.
From us.shein.com
Grab Bars For Shower HeavyDuty (2Pack)12Inch ADA Compliant 350lbs Ada Compliant Grab Bars Toilet According to ada standards, grab bars are required in all accessible toilet stalls. Can grab bars be mounted to the floor instead of the wall? Next to an accessible toilet, the sidewall grab bar must be at least 42 inches long and located a maximum of 12 inches from the rear wall. To be ada compliant, grab bars must be. Ada Compliant Grab Bars Toilet.
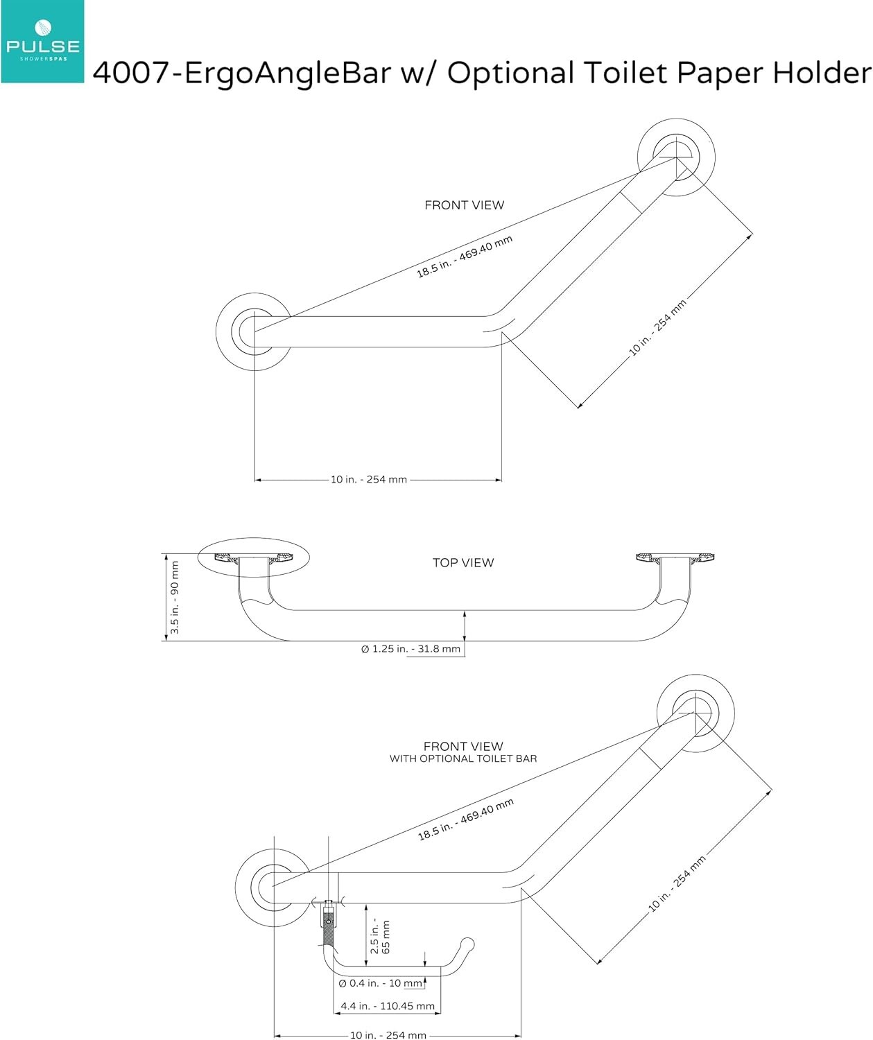
From www.ebay.co.uk
Pulse ShowerSpas 4007ssp Ergoanglebar Stainless Steel Polished for Ada Compliant Grab Bars Toilet These bars help people transfer from a wheelchair to the toilet and provide support while. Next to an accessible toilet, the sidewall grab bar must be at least 42 inches long and located a maximum of 12 inches from the rear wall. According to ada standards, grab bars are required in all accessible toilet stalls. Grab bars in toilet stall. Ada Compliant Grab Bars Toilet.
From www.merinorestrooms.in
Toilet Grab Bar, Bathroom Safety Bars & Handles Merino Restrooms Ada Compliant Grab Bars Toilet A number of other accessories, including toilet paper dispenser, should be strategically placed in every accessible toilet compartment or bathroom. With 36 (915 mm) long, the grab bars on the rear wall must be mounted to 24 (610 mm) and are to the transfer side of the toilet and the. These bars help people transfer from a wheelchair to the. Ada Compliant Grab Bars Toilet.
From us.shein.com
Grab Bars For Shower HeavyDuty (2Pack)12Inch ADA Compliant 350lbs Ada Compliant Grab Bars Toilet The standards require grab bars at water closets on the side and rear wall (§604.5). Next to an accessible toilet, the sidewall grab bar must be at least 42 inches long and located a maximum of 12 inches from the rear wall. Grab bars in toilet stall requirements: To be ada compliant, grab bars must be installed behind the toilet. Ada Compliant Grab Bars Toilet.
From exonuzgxv.blob.core.windows.net
Ada Handicap Toilet Bars at Lonnie Lawson blog Ada Compliant Grab Bars Toilet To be ada compliant, grab bars must be installed behind the toilet and on the nearest side wall or partition. With 36 (915 mm) long, the grab bars on the rear wall must be mounted to 24 (610 mm) and are to the transfer side of the toilet and the. According to ada standards, grab bars are required in all. Ada Compliant Grab Bars Toilet.
From daxd7.blogspot.com
toilet grab bars Making a small living room spacious with clever design Ada Compliant Grab Bars Toilet Next to an accessible toilet, the sidewall grab bar must be at least 42 inches long and located a maximum of 12 inches from the rear wall. The standards require grab bars at water closets on the side and rear wall (§604.5). Grab bars in toilet stall requirements: To be ada compliant, grab bars must be installed behind the toilet. Ada Compliant Grab Bars Toilet.
From schematicnummular.z14.web.core.windows.net
Toilet Grab Bar Placement Diagram Ada Compliant Grab Bars Toilet Next to an accessible toilet, the sidewall grab bar must be at least 42 inches long and located a maximum of 12 inches from the rear wall. A number of other accessories, including toilet paper dispenser, should be strategically placed in every accessible toilet compartment or bathroom. Can grab bars be mounted to the floor instead of the wall? These. Ada Compliant Grab Bars Toilet.
From www.pinterest.com
Handicap Bathroom Toilet Bars Bathroom Design Ideas Handicap Ada Compliant Grab Bars Toilet Can grab bars be mounted to the floor instead of the wall? To be ada compliant, grab bars must be installed behind the toilet and on the nearest side wall or partition. According to ada standards, grab bars are required in all accessible toilet stalls. The standards require grab bars at water closets on the side and rear wall (§604.5).. Ada Compliant Grab Bars Toilet.
From www.desertcart.sg
Flip Up Grab Bars for Bathroom Toilet Rails Handicap Grab Bars Shower Ada Compliant Grab Bars Toilet According to ada standards, grab bars are required in all accessible toilet stalls. Next to an accessible toilet, the sidewall grab bar must be at least 42 inches long and located a maximum of 12 inches from the rear wall. The standards require grab bars at water closets on the side and rear wall (§604.5). To be ada compliant, grab. Ada Compliant Grab Bars Toilet.
From www.ebay.co.uk
Pulse ShowerSpas 4007ssp Ergoanglebar Stainless Steel Polished for Ada Compliant Grab Bars Toilet These bars help people transfer from a wheelchair to the toilet and provide support while. To be ada compliant, grab bars must be installed behind the toilet and on the nearest side wall or partition. Grab bars in toilet stall requirements: Can grab bars be mounted to the floor instead of the wall? The standards require grab bars at water. Ada Compliant Grab Bars Toilet.
From www.lowes.com
Delta 8in Polished Chrome Wall Mount (ADA Compliant) Grab Bar (300lb Ada Compliant Grab Bars Toilet Can grab bars be mounted to the floor instead of the wall? According to ada standards, grab bars are required in all accessible toilet stalls. A number of other accessories, including toilet paper dispenser, should be strategically placed in every accessible toilet compartment or bathroom. To be ada compliant, grab bars must be installed behind the toilet and on the. Ada Compliant Grab Bars Toilet.
From ubicaciondepersonas.cdmx.gob.mx
Ada Toilet Grab Bars ubicaciondepersonas.cdmx.gob.mx Ada Compliant Grab Bars Toilet Next to an accessible toilet, the sidewall grab bar must be at least 42 inches long and located a maximum of 12 inches from the rear wall. The standards require grab bars at water closets on the side and rear wall (§604.5). Can grab bars be mounted to the floor instead of the wall? With 36 (915 mm) long, the. Ada Compliant Grab Bars Toilet.
From www.nellisauction.com
Handicap Grab Bars for Bathroom, Foldable Stainless Toilet Grab Bar Ada Compliant Grab Bars Toilet Next to an accessible toilet, the sidewall grab bar must be at least 42 inches long and located a maximum of 12 inches from the rear wall. To be ada compliant, grab bars must be installed behind the toilet and on the nearest side wall or partition. Can grab bars be mounted to the floor instead of the wall? With. Ada Compliant Grab Bars Toilet.
From www.homedepot.com
Delta Contemporary Toilet Paper Holder with ADA Compliant Bathroom Ada Compliant Grab Bars Toilet A number of other accessories, including toilet paper dispenser, should be strategically placed in every accessible toilet compartment or bathroom. These bars help people transfer from a wheelchair to the toilet and provide support while. Grab bars in toilet stall requirements: To be ada compliant, grab bars must be installed behind the toilet and on the nearest side wall or. Ada Compliant Grab Bars Toilet.
From www.pinterest.com
Swing Up Support Rail ADA Compliant Stainless Steel Bathroom Ada Compliant Grab Bars Toilet Next to an accessible toilet, the sidewall grab bar must be at least 42 inches long and located a maximum of 12 inches from the rear wall. Grab bars in toilet stall requirements: With 36 (915 mm) long, the grab bars on the rear wall must be mounted to 24 (610 mm) and are to the transfer side of the. Ada Compliant Grab Bars Toilet.
From haddockindustrial.com
Industrial Pipe Handrail Grab Bar ADA Restroom Compliant Ada Compliant Grab Bars Toilet Can grab bars be mounted to the floor instead of the wall? Grab bars in toilet stall requirements: With 36 (915 mm) long, the grab bars on the rear wall must be mounted to 24 (610 mm) and are to the transfer side of the toilet and the. These bars help people transfer from a wheelchair to the toilet and. Ada Compliant Grab Bars Toilet.
From au.pinterest.com
Pin on BATHROOM. Ada Compliant Grab Bars Toilet With 36 (915 mm) long, the grab bars on the rear wall must be mounted to 24 (610 mm) and are to the transfer side of the toilet and the. A number of other accessories, including toilet paper dispenser, should be strategically placed in every accessible toilet compartment or bathroom. These bars help people transfer from a wheelchair to the. Ada Compliant Grab Bars Toilet.