Sample Quill Pipe . Sample and injection quills are generally constructed from an alloy such as 316/316l stainless steel. Sample and injection quills, also known as sample or injection probes or stingers, are generally constructed from an alloy such as 316/316l. Quill, nipple and valve material is 316/316l stainless steel. Retractable injection quills are devices that deliver chemicals to a desired location inside piping. Smartcorr® manufactures a wide range of sizes, materials, and. Injection quills and sample quills are very similar in design however as the name would suggest, one is used for injecting chemicals into the pipeline, tank. Quill orientation to process flow will be stamped with. Injection quills allow for treatment chemicals to be safely and efficiently dosed into pressurized pipes, tanks, or vessels.
from www.youtube.com
Quill, nipple and valve material is 316/316l stainless steel. Sample and injection quills are generally constructed from an alloy such as 316/316l stainless steel. Retractable injection quills are devices that deliver chemicals to a desired location inside piping. Injection quills allow for treatment chemicals to be safely and efficiently dosed into pressurized pipes, tanks, or vessels. Injection quills and sample quills are very similar in design however as the name would suggest, one is used for injecting chemicals into the pipeline, tank. Quill orientation to process flow will be stamped with. Smartcorr® manufactures a wide range of sizes, materials, and. Sample and injection quills, also known as sample or injection probes or stingers, are generally constructed from an alloy such as 316/316l.
How To Insertion and Removal 150psi Retractable Quill YouTube
Sample Quill Pipe Smartcorr® manufactures a wide range of sizes, materials, and. Quill orientation to process flow will be stamped with. Sample and injection quills are generally constructed from an alloy such as 316/316l stainless steel. Quill, nipple and valve material is 316/316l stainless steel. Sample and injection quills, also known as sample or injection probes or stingers, are generally constructed from an alloy such as 316/316l. Injection quills and sample quills are very similar in design however as the name would suggest, one is used for injecting chemicals into the pipeline, tank. Smartcorr® manufactures a wide range of sizes, materials, and. Injection quills allow for treatment chemicals to be safely and efficiently dosed into pressurized pipes, tanks, or vessels. Retractable injection quills are devices that deliver chemicals to a desired location inside piping.
From www.meccanicapadana.com
Sample Quills and Injection Quills LMP Sample Quill Pipe Quill, nipple and valve material is 316/316l stainless steel. Injection quills and sample quills are very similar in design however as the name would suggest, one is used for injecting chemicals into the pipeline, tank. Injection quills allow for treatment chemicals to be safely and efficiently dosed into pressurized pipes, tanks, or vessels. Sample and injection quills, also known as. Sample Quill Pipe.
From www.youtube.com
Importance of Using an Injection Quill YouTube Sample Quill Pipe Injection quills allow for treatment chemicals to be safely and efficiently dosed into pressurized pipes, tanks, or vessels. Smartcorr® manufactures a wide range of sizes, materials, and. Quill, nipple and valve material is 316/316l stainless steel. Sample and injection quills, also known as sample or injection probes or stingers, are generally constructed from an alloy such as 316/316l. Sample and. Sample Quill Pipe.
From ftp.koflo.com
Chemical Injection Quills Stainless Steel Injection Quill Koflo Sample Quill Pipe Quill, nipple and valve material is 316/316l stainless steel. Sample and injection quills are generally constructed from an alloy such as 316/316l stainless steel. Retractable injection quills are devices that deliver chemicals to a desired location inside piping. Smartcorr® manufactures a wide range of sizes, materials, and. Injection quills allow for treatment chemicals to be safely and efficiently dosed into. Sample Quill Pipe.
From www.aircominstrumentation.com
Sample and Injection Quills — Instrumentation Sample Quill Pipe Retractable injection quills are devices that deliver chemicals to a desired location inside piping. Sample and injection quills are generally constructed from an alloy such as 316/316l stainless steel. Injection quills and sample quills are very similar in design however as the name would suggest, one is used for injecting chemicals into the pipeline, tank. Quill orientation to process flow. Sample Quill Pipe.
From www.spraytechindia.com
Injection Quills Chemical Injection Quill Manufacturers Sample Quill Pipe Injection quills and sample quills are very similar in design however as the name would suggest, one is used for injecting chemicals into the pipeline, tank. Quill, nipple and valve material is 316/316l stainless steel. Smartcorr® manufactures a wide range of sizes, materials, and. Quill orientation to process flow will be stamped with. Sample and injection quills, also known as. Sample Quill Pipe.
From www.koflo.com
Chemical Injection Quills Stainless Steel Injection Quill Koflo Sample Quill Pipe Sample and injection quills are generally constructed from an alloy such as 316/316l stainless steel. Smartcorr® manufactures a wide range of sizes, materials, and. Injection quills and sample quills are very similar in design however as the name would suggest, one is used for injecting chemicals into the pipeline, tank. Quill, nipple and valve material is 316/316l stainless steel. Sample. Sample Quill Pipe.
From www.scribd.com
SampleandInjectionQuillCatalog PDF Pipe (Fluid Conveyance) Valve Sample Quill Pipe Smartcorr® manufactures a wide range of sizes, materials, and. Sample and injection quills are generally constructed from an alloy such as 316/316l stainless steel. Quill, nipple and valve material is 316/316l stainless steel. Injection quills and sample quills are very similar in design however as the name would suggest, one is used for injecting chemicals into the pipeline, tank. Quill. Sample Quill Pipe.
From www.meccanicapadana.com
Sample Quills and Injection Quills LMP Sample Quill Pipe Quill, nipple and valve material is 316/316l stainless steel. Injection quills and sample quills are very similar in design however as the name would suggest, one is used for injecting chemicals into the pipeline, tank. Sample and injection quills are generally constructed from an alloy such as 316/316l stainless steel. Sample and injection quills, also known as sample or injection. Sample Quill Pipe.
From www.scribd.com
Injection Quill Detail Sample Quill Pipe Sample and injection quills are generally constructed from an alloy such as 316/316l stainless steel. Retractable injection quills are devices that deliver chemicals to a desired location inside piping. Smartcorr® manufactures a wide range of sizes, materials, and. Quill, nipple and valve material is 316/316l stainless steel. Sample and injection quills, also known as sample or injection probes or stingers,. Sample Quill Pipe.
From as-schneider.blog
Chemical injection quill for oil and gas application and other fields Sample Quill Pipe Smartcorr® manufactures a wide range of sizes, materials, and. Injection quills allow for treatment chemicals to be safely and efficiently dosed into pressurized pipes, tanks, or vessels. Retractable injection quills are devices that deliver chemicals to a desired location inside piping. Quill, nipple and valve material is 316/316l stainless steel. Injection quills and sample quills are very similar in design. Sample Quill Pipe.
From www.crystalindustrial.com
Flareweld Type Access Fitting Injection Quills Crystal Industrial Sample Quill Pipe Retractable injection quills are devices that deliver chemicals to a desired location inside piping. Sample and injection quills are generally constructed from an alloy such as 316/316l stainless steel. Quill, nipple and valve material is 316/316l stainless steel. Quill orientation to process flow will be stamped with. Injection quills allow for treatment chemicals to be safely and efficiently dosed into. Sample Quill Pipe.
From www.crystalindustrial.in
Crystal Industrial Syndicate Sample Quill Pipe Sample and injection quills are generally constructed from an alloy such as 316/316l stainless steel. Injection quills allow for treatment chemicals to be safely and efficiently dosed into pressurized pipes, tanks, or vessels. Quill orientation to process flow will be stamped with. Sample and injection quills, also known as sample or injection probes or stingers, are generally constructed from an. Sample Quill Pipe.
From www.alibaba.com
Pipeline Chemical Injection Quill Sampling Injection Systems Buy Sample Quill Pipe Injection quills allow for treatment chemicals to be safely and efficiently dosed into pressurized pipes, tanks, or vessels. Sample and injection quills, also known as sample or injection probes or stingers, are generally constructed from an alloy such as 316/316l. Quill, nipple and valve material is 316/316l stainless steel. Quill orientation to process flow will be stamped with. Smartcorr® manufactures. Sample Quill Pipe.
From www.crystalindustrial.com
Fixed injection quills Inconel, Hastelloy, Duplex SS Crystal Sample Quill Pipe Sample and injection quills are generally constructed from an alloy such as 316/316l stainless steel. Injection quills allow for treatment chemicals to be safely and efficiently dosed into pressurized pipes, tanks, or vessels. Quill orientation to process flow will be stamped with. Sample and injection quills, also known as sample or injection probes or stingers, are generally constructed from an. Sample Quill Pipe.
From emt-pipe.com
Chemical Injection Archives Emt Pipe Cleaning Pig Sample Quill Pipe Sample and injection quills are generally constructed from an alloy such as 316/316l stainless steel. Smartcorr® manufactures a wide range of sizes, materials, and. Quill, nipple and valve material is 316/316l stainless steel. Retractable injection quills are devices that deliver chemicals to a desired location inside piping. Injection quills and sample quills are very similar in design however as the. Sample Quill Pipe.
From www.crystalindustrial.in
Crystal Industrial Syndicate Sample Quill Pipe Retractable injection quills are devices that deliver chemicals to a desired location inside piping. Sample and injection quills, also known as sample or injection probes or stingers, are generally constructed from an alloy such as 316/316l. Injection quills allow for treatment chemicals to be safely and efficiently dosed into pressurized pipes, tanks, or vessels. Quill, nipple and valve material is. Sample Quill Pipe.
From eureka.patsnap.com
Injection quill designs and methods of use Eureka Patsnap Sample Quill Pipe Quill, nipple and valve material is 316/316l stainless steel. Smartcorr® manufactures a wide range of sizes, materials, and. Injection quills allow for treatment chemicals to be safely and efficiently dosed into pressurized pipes, tanks, or vessels. Sample and injection quills, also known as sample or injection probes or stingers, are generally constructed from an alloy such as 316/316l. Retractable injection. Sample Quill Pipe.
From piping-clean.com
Chemical Injection Quills EMT Pipe cleaning pig Sample Quill Pipe Sample and injection quills are generally constructed from an alloy such as 316/316l stainless steel. Smartcorr® manufactures a wide range of sizes, materials, and. Sample and injection quills, also known as sample or injection probes or stingers, are generally constructed from an alloy such as 316/316l. Quill, nipple and valve material is 316/316l stainless steel. Quill orientation to process flow. Sample Quill Pipe.
From hansa-engineering.se
Chemical injection and Scavenger injection Hansa Engineering Sample Quill Pipe Injection quills and sample quills are very similar in design however as the name would suggest, one is used for injecting chemicals into the pipeline, tank. Smartcorr® manufactures a wide range of sizes, materials, and. Retractable injection quills are devices that deliver chemicals to a desired location inside piping. Quill, nipple and valve material is 316/316l stainless steel. Quill orientation. Sample Quill Pipe.
From www.crystalindustrial.in
Crystal Industrial Syndicate Sample Quill Pipe Quill orientation to process flow will be stamped with. Smartcorr® manufactures a wide range of sizes, materials, and. Quill, nipple and valve material is 316/316l stainless steel. Sample and injection quills, also known as sample or injection probes or stingers, are generally constructed from an alloy such as 316/316l. Retractable injection quills are devices that deliver chemicals to a desired. Sample Quill Pipe.
From www.etsy.com
Antique Penknife Quill Knife Pipe Made in Germany Etsy Sample Quill Pipe Smartcorr® manufactures a wide range of sizes, materials, and. Injection quills and sample quills are very similar in design however as the name would suggest, one is used for injecting chemicals into the pipeline, tank. Retractable injection quills are devices that deliver chemicals to a desired location inside piping. Sample and injection quills, also known as sample or injection probes. Sample Quill Pipe.
From www.spraytechindia.com
Injection Quills Chemical Injection Quill Manufacturers Sample Quill Pipe Injection quills allow for treatment chemicals to be safely and efficiently dosed into pressurized pipes, tanks, or vessels. Injection quills and sample quills are very similar in design however as the name would suggest, one is used for injecting chemicals into the pipeline, tank. Quill orientation to process flow will be stamped with. Sample and injection quills are generally constructed. Sample Quill Pipe.
From www.koflo.com
Chemical Injection Quills Stainless Steel Injection Quill Koflo Sample Quill Pipe Quill orientation to process flow will be stamped with. Sample and injection quills are generally constructed from an alloy such as 316/316l stainless steel. Smartcorr® manufactures a wide range of sizes, materials, and. Injection quills and sample quills are very similar in design however as the name would suggest, one is used for injecting chemicals into the pipeline, tank. Retractable. Sample Quill Pipe.
From piping-clean.com
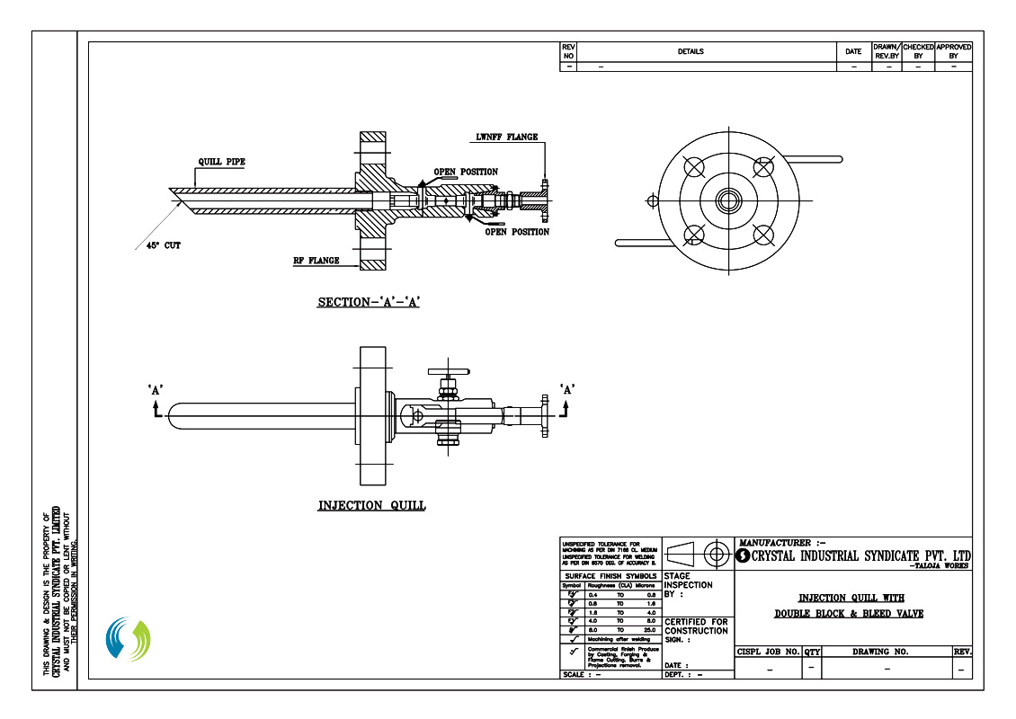
Chemical Injection Quill with A DBB Valve Sample Quill Pipe Quill, nipple and valve material is 316/316l stainless steel. Sample and injection quills are generally constructed from an alloy such as 316/316l stainless steel. Sample and injection quills, also known as sample or injection probes or stingers, are generally constructed from an alloy such as 316/316l. Retractable injection quills are devices that deliver chemicals to a desired location inside piping.. Sample Quill Pipe.
From www.scribd.com
Data Sheet for Injection Quill Assembly Pipe (Fluid Conveyance Sample Quill Pipe Sample and injection quills, also known as sample or injection probes or stingers, are generally constructed from an alloy such as 316/316l. Retractable injection quills are devices that deliver chemicals to a desired location inside piping. Sample and injection quills are generally constructed from an alloy such as 316/316l stainless steel. Injection quills allow for treatment chemicals to be safely. Sample Quill Pipe.
From www.crystalindustrial.com
Fixed injection quills Inconel, Hastelloy, Duplex SS Crystal Sample Quill Pipe Retractable injection quills are devices that deliver chemicals to a desired location inside piping. Sample and injection quills, also known as sample or injection probes or stingers, are generally constructed from an alloy such as 316/316l. Smartcorr® manufactures a wide range of sizes, materials, and. Sample and injection quills are generally constructed from an alloy such as 316/316l stainless steel.. Sample Quill Pipe.
From www.youtube.com
Creating Quillwork 1 (of 8) Introduction YouTube Sample Quill Pipe Smartcorr® manufactures a wide range of sizes, materials, and. Quill orientation to process flow will be stamped with. Injection quills allow for treatment chemicals to be safely and efficiently dosed into pressurized pipes, tanks, or vessels. Sample and injection quills, also known as sample or injection probes or stingers, are generally constructed from an alloy such as 316/316l. Sample and. Sample Quill Pipe.
From www.youtube.com
How To Insertion and Removal 150psi Retractable Quill YouTube Sample Quill Pipe Quill, nipple and valve material is 316/316l stainless steel. Quill orientation to process flow will be stamped with. Smartcorr® manufactures a wide range of sizes, materials, and. Sample and injection quills, also known as sample or injection probes or stingers, are generally constructed from an alloy such as 316/316l. Retractable injection quills are devices that deliver chemicals to a desired. Sample Quill Pipe.
From www.koflo.com
Chemical Injection Quills Stainless Steel Injection Quill Koflo Sample Quill Pipe Smartcorr® manufactures a wide range of sizes, materials, and. Sample and injection quills are generally constructed from an alloy such as 316/316l stainless steel. Quill, nipple and valve material is 316/316l stainless steel. Retractable injection quills are devices that deliver chemicals to a desired location inside piping. Injection quills and sample quills are very similar in design however as the. Sample Quill Pipe.
From www.slideshare.net
L 003cr Sample Quill Pipe Smartcorr® manufactures a wide range of sizes, materials, and. Retractable injection quills are devices that deliver chemicals to a desired location inside piping. Quill, nipple and valve material is 316/316l stainless steel. Sample and injection quills, also known as sample or injection probes or stingers, are generally constructed from an alloy such as 316/316l. Injection quills allow for treatment chemicals. Sample Quill Pipe.
From vector-industries.com
Stainless Steel Injection Quill Vector Industries Sample Quill Pipe Quill, nipple and valve material is 316/316l stainless steel. Retractable injection quills are devices that deliver chemicals to a desired location inside piping. Smartcorr® manufactures a wide range of sizes, materials, and. Sample and injection quills, also known as sample or injection probes or stingers, are generally constructed from an alloy such as 316/316l. Quill orientation to process flow will. Sample Quill Pipe.
From www.youtube.com
How to Make a Basic Quill YouTube Sample Quill Pipe Smartcorr® manufactures a wide range of sizes, materials, and. Sample and injection quills, also known as sample or injection probes or stingers, are generally constructed from an alloy such as 316/316l. Injection quills allow for treatment chemicals to be safely and efficiently dosed into pressurized pipes, tanks, or vessels. Sample and injection quills are generally constructed from an alloy such. Sample Quill Pipe.
From www.indiamart.com
Shree Rajeshwari Chemical Injection Quills / Retrievable Tool, Model Sample Quill Pipe Quill, nipple and valve material is 316/316l stainless steel. Injection quills allow for treatment chemicals to be safely and efficiently dosed into pressurized pipes, tanks, or vessels. Sample and injection quills, also known as sample or injection probes or stingers, are generally constructed from an alloy such as 316/316l. Sample and injection quills are generally constructed from an alloy such. Sample Quill Pipe.
From www.bidspotter.com
Injection quill assembly. Material Alloy 20 Hastelloy. Quill is built Sample Quill Pipe Injection quills and sample quills are very similar in design however as the name would suggest, one is used for injecting chemicals into the pipeline, tank. Quill, nipple and valve material is 316/316l stainless steel. Sample and injection quills are generally constructed from an alloy such as 316/316l stainless steel. Retractable injection quills are devices that deliver chemicals to a. Sample Quill Pipe.
From as-schneider.blog
Chemical injection quill for oil and gas application and other fields Sample Quill Pipe Sample and injection quills, also known as sample or injection probes or stingers, are generally constructed from an alloy such as 316/316l. Quill orientation to process flow will be stamped with. Injection quills and sample quills are very similar in design however as the name would suggest, one is used for injecting chemicals into the pipeline, tank. Injection quills allow. Sample Quill Pipe.