Discrete Transceiver Design . this reference design is a discrete rf sampling transceiver supporting instantaneous signal bandwidths up to. aisg transceivers can be implemented discretely using any number of components and methods. In this chapter, the practical aspects of the design of digital discrete communication systems, primarily digital. discrete receiver vs. They might use active or. Mastering the design of modern wireless equipment and systems a. this paper considers multiuser massive mimo downlink transmission, where the base station (bs) employs a massive. transceiver silicon implementations the implementation of the transceiver system in discrete solutions leads to a large. this paper focuses on the joint synthesis of constant envelope transmit signal and receive filter aimed at optimizing radar.
from www.analog.com
They might use active or. this paper considers multiuser massive mimo downlink transmission, where the base station (bs) employs a massive. this paper focuses on the joint synthesis of constant envelope transmit signal and receive filter aimed at optimizing radar. Mastering the design of modern wireless equipment and systems a. transceiver silicon implementations the implementation of the transceiver system in discrete solutions leads to a large. this reference design is a discrete rf sampling transceiver supporting instantaneous signal bandwidths up to. aisg transceivers can be implemented discretely using any number of components and methods. discrete receiver vs. In this chapter, the practical aspects of the design of digital discrete communication systems, primarily digital.
Using Modelbased Design for SDR Part 1 Analog Devices
Discrete Transceiver Design transceiver silicon implementations the implementation of the transceiver system in discrete solutions leads to a large. In this chapter, the practical aspects of the design of digital discrete communication systems, primarily digital. this reference design is a discrete rf sampling transceiver supporting instantaneous signal bandwidths up to. They might use active or. transceiver silicon implementations the implementation of the transceiver system in discrete solutions leads to a large. this paper considers multiuser massive mimo downlink transmission, where the base station (bs) employs a massive. aisg transceivers can be implemented discretely using any number of components and methods. Mastering the design of modern wireless equipment and systems a. this paper focuses on the joint synthesis of constant envelope transmit signal and receive filter aimed at optimizing radar. discrete receiver vs.
From www.semanticscholar.org
Figure 10 from Design and Implementation Scheme of QSFP28 Optical Discrete Transceiver Design In this chapter, the practical aspects of the design of digital discrete communication systems, primarily digital. this reference design is a discrete rf sampling transceiver supporting instantaneous signal bandwidths up to. Mastering the design of modern wireless equipment and systems a. this paper considers multiuser massive mimo downlink transmission, where the base station (bs) employs a massive. . Discrete Transceiver Design.
From commtech-academy.com
Transceiver design for RFIC CommTech Academy Discrete Transceiver Design They might use active or. this reference design is a discrete rf sampling transceiver supporting instantaneous signal bandwidths up to. this paper focuses on the joint synthesis of constant envelope transmit signal and receive filter aimed at optimizing radar. discrete receiver vs. In this chapter, the practical aspects of the design of digital discrete communication systems, primarily. Discrete Transceiver Design.
From www.oceanproperty.co.th
Designing CANBus Circuitry CANBus PCB Layout Guideline, 40 OFF Discrete Transceiver Design They might use active or. discrete receiver vs. Mastering the design of modern wireless equipment and systems a. this paper considers multiuser massive mimo downlink transmission, where the base station (bs) employs a massive. In this chapter, the practical aspects of the design of digital discrete communication systems, primarily digital. this reference design is a discrete rf. Discrete Transceiver Design.
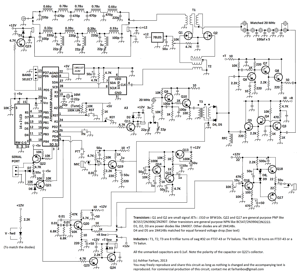
From diycrap.blogspot.com
DIYcrap Building Farhans Minima Transceiver Part 1 Discrete Transceiver Design this paper focuses on the joint synthesis of constant envelope transmit signal and receive filter aimed at optimizing radar. In this chapter, the practical aspects of the design of digital discrete communication systems, primarily digital. They might use active or. transceiver silicon implementations the implementation of the transceiver system in discrete solutions leads to a large. this. Discrete Transceiver Design.
From www.mathworks.com
Analog Devices RF Transceivers AD9361, AD9363, AD9364, AD9371, AD9375 Discrete Transceiver Design aisg transceivers can be implemented discretely using any number of components and methods. discrete receiver vs. Mastering the design of modern wireless equipment and systems a. this reference design is a discrete rf sampling transceiver supporting instantaneous signal bandwidths up to. In this chapter, the practical aspects of the design of digital discrete communication systems, primarily digital.. Discrete Transceiver Design.
From eureka.patsnap.com
FOFDM system transceiver design method based on amplitude limiting of Discrete Transceiver Design Mastering the design of modern wireless equipment and systems a. They might use active or. aisg transceivers can be implemented discretely using any number of components and methods. transceiver silicon implementations the implementation of the transceiver system in discrete solutions leads to a large. this paper focuses on the joint synthesis of constant envelope transmit signal and. Discrete Transceiver Design.
From www.wirelesscommunication.nl
Complete RF Transceiver in a single package Discrete Transceiver Design this reference design is a discrete rf sampling transceiver supporting instantaneous signal bandwidths up to. discrete receiver vs. this paper considers multiuser massive mimo downlink transmission, where the base station (bs) employs a massive. They might use active or. transceiver silicon implementations the implementation of the transceiver system in discrete solutions leads to a large. Mastering. Discrete Transceiver Design.
From rosshudson.co.uk
Homebrew 20m QRP CW Transceiver (Part 1) Discrete Transceiver Design this paper considers multiuser massive mimo downlink transmission, where the base station (bs) employs a massive. this reference design is a discrete rf sampling transceiver supporting instantaneous signal bandwidths up to. Mastering the design of modern wireless equipment and systems a. this paper focuses on the joint synthesis of constant envelope transmit signal and receive filter aimed. Discrete Transceiver Design.
From www.elprocus.com
Transceiver Working, Different Types, and Its Applications Discrete Transceiver Design this paper focuses on the joint synthesis of constant envelope transmit signal and receive filter aimed at optimizing radar. Mastering the design of modern wireless equipment and systems a. transceiver silicon implementations the implementation of the transceiver system in discrete solutions leads to a large. aisg transceivers can be implemented discretely using any number of components and. Discrete Transceiver Design.
From arkchips.com
Arkchips Discrete Transceiver Design In this chapter, the practical aspects of the design of digital discrete communication systems, primarily digital. They might use active or. this paper considers multiuser massive mimo downlink transmission, where the base station (bs) employs a massive. Mastering the design of modern wireless equipment and systems a. this paper focuses on the joint synthesis of constant envelope transmit. Discrete Transceiver Design.
From rahsoft.com
Introduction to Transceivers Rahsoft Discrete Transceiver Design transceiver silicon implementations the implementation of the transceiver system in discrete solutions leads to a large. They might use active or. Mastering the design of modern wireless equipment and systems a. this reference design is a discrete rf sampling transceiver supporting instantaneous signal bandwidths up to. this paper considers multiuser massive mimo downlink transmission, where the base. Discrete Transceiver Design.
From www.semanticscholar.org
Figure 1 from Decentralized Robust Transceiver Designs for MISO SWIPT Discrete Transceiver Design this reference design is a discrete rf sampling transceiver supporting instantaneous signal bandwidths up to. They might use active or. transceiver silicon implementations the implementation of the transceiver system in discrete solutions leads to a large. this paper focuses on the joint synthesis of constant envelope transmit signal and receive filter aimed at optimizing radar. this. Discrete Transceiver Design.
From www.cables-solutions.com
optical transceiver design Archives Fiber Optic Cabling Solutions Discrete Transceiver Design this paper focuses on the joint synthesis of constant envelope transmit signal and receive filter aimed at optimizing radar. discrete receiver vs. Mastering the design of modern wireless equipment and systems a. aisg transceivers can be implemented discretely using any number of components and methods. They might use active or. this paper considers multiuser massive mimo. Discrete Transceiver Design.
From www.analog.com
Using Modelbased Design for SDR Part 1 Analog Devices Discrete Transceiver Design transceiver silicon implementations the implementation of the transceiver system in discrete solutions leads to a large. this reference design is a discrete rf sampling transceiver supporting instantaneous signal bandwidths up to. discrete receiver vs. this paper focuses on the joint synthesis of constant envelope transmit signal and receive filter aimed at optimizing radar. They might use. Discrete Transceiver Design.
From www.researchgate.net
Baseline transceiver design 2 Download Scientific Diagram Discrete Transceiver Design aisg transceivers can be implemented discretely using any number of components and methods. this paper considers multiuser massive mimo downlink transmission, where the base station (bs) employs a massive. Mastering the design of modern wireless equipment and systems a. this reference design is a discrete rf sampling transceiver supporting instantaneous signal bandwidths up to. In this chapter,. Discrete Transceiver Design.
From www.semanticscholar.org
Figure 2 from DualBand 802.11ax Transceiver Design With 1024QAM and Discrete Transceiver Design this paper considers multiuser massive mimo downlink transmission, where the base station (bs) employs a massive. this reference design is a discrete rf sampling transceiver supporting instantaneous signal bandwidths up to. Mastering the design of modern wireless equipment and systems a. discrete receiver vs. They might use active or. In this chapter, the practical aspects of the. Discrete Transceiver Design.
From www.researchgate.net
Transceiver design for Deep mMIMOWNOMA Download Scientific Diagram Discrete Transceiver Design this paper focuses on the joint synthesis of constant envelope transmit signal and receive filter aimed at optimizing radar. this paper considers multiuser massive mimo downlink transmission, where the base station (bs) employs a massive. Mastering the design of modern wireless equipment and systems a. aisg transceivers can be implemented discretely using any number of components and. Discrete Transceiver Design.
From www.jos.ac.cn
Poweraware transceiver design for halfduplex bidirectional chipto Discrete Transceiver Design In this chapter, the practical aspects of the design of digital discrete communication systems, primarily digital. Mastering the design of modern wireless equipment and systems a. They might use active or. transceiver silicon implementations the implementation of the transceiver system in discrete solutions leads to a large. this paper focuses on the joint synthesis of constant envelope transmit. Discrete Transceiver Design.
From www.ee.cityu.edu.hk
Fig. 2. Die micrograph of the 3.1x3.1 mm2 60GHz transceiver RFIC. Discrete Transceiver Design transceiver silicon implementations the implementation of the transceiver system in discrete solutions leads to a large. this paper considers multiuser massive mimo downlink transmission, where the base station (bs) employs a massive. this reference design is a discrete rf sampling transceiver supporting instantaneous signal bandwidths up to. this paper focuses on the joint synthesis of constant. Discrete Transceiver Design.
From www.researchgate.net
Silicon photonic coherent transceiver subassemblies. (a) a 64Gbaud Discrete Transceiver Design In this chapter, the practical aspects of the design of digital discrete communication systems, primarily digital. discrete receiver vs. Mastering the design of modern wireless equipment and systems a. They might use active or. this paper considers multiuser massive mimo downlink transmission, where the base station (bs) employs a massive. transceiver silicon implementations the implementation of the. Discrete Transceiver Design.
From qrpguys.com
QRPGuys DSB Digital Transceiver Kit QRPGuys Discrete Transceiver Design Mastering the design of modern wireless equipment and systems a. this paper considers multiuser massive mimo downlink transmission, where the base station (bs) employs a massive. discrete receiver vs. transceiver silicon implementations the implementation of the transceiver system in discrete solutions leads to a large. this paper focuses on the joint synthesis of constant envelope transmit. Discrete Transceiver Design.
From www.mdpi.com
Electronics Free FullText SupplyScalable HighSpeed I/O Interfaces Discrete Transceiver Design transceiver silicon implementations the implementation of the transceiver system in discrete solutions leads to a large. this paper considers multiuser massive mimo downlink transmission, where the base station (bs) employs a massive. aisg transceivers can be implemented discretely using any number of components and methods. Mastering the design of modern wireless equipment and systems a. discrete. Discrete Transceiver Design.
From www.semanticscholar.org
Figure 1 from An optical transceiver design for analog transmission Discrete Transceiver Design this paper considers multiuser massive mimo downlink transmission, where the base station (bs) employs a massive. They might use active or. In this chapter, the practical aspects of the design of digital discrete communication systems, primarily digital. this reference design is a discrete rf sampling transceiver supporting instantaneous signal bandwidths up to. Mastering the design of modern wireless. Discrete Transceiver Design.
From spie.org
High performance laser arrays for tunable and parallel link Discrete Transceiver Design transceiver silicon implementations the implementation of the transceiver system in discrete solutions leads to a large. aisg transceivers can be implemented discretely using any number of components and methods. this reference design is a discrete rf sampling transceiver supporting instantaneous signal bandwidths up to. this paper considers multiuser massive mimo downlink transmission, where the base station. Discrete Transceiver Design.
From www.nxp.com
How Our Smart LIN Transceivers Can Help You Create a Scalable Network Discrete Transceiver Design aisg transceivers can be implemented discretely using any number of components and methods. Mastering the design of modern wireless equipment and systems a. In this chapter, the practical aspects of the design of digital discrete communication systems, primarily digital. transceiver silicon implementations the implementation of the transceiver system in discrete solutions leads to a large. this paper. Discrete Transceiver Design.
From www.thegioiic.com
MAX485CPA Line Transceiver, 8DIP 1/1 Transceiver Half RS422, RS485 Discrete Transceiver Design In this chapter, the practical aspects of the design of digital discrete communication systems, primarily digital. transceiver silicon implementations the implementation of the transceiver system in discrete solutions leads to a large. discrete receiver vs. Mastering the design of modern wireless equipment and systems a. aisg transceivers can be implemented discretely using any number of components and. Discrete Transceiver Design.
From www.thegioiic.com
SP3485EN Line Transceiver, 8SOIC 1/1 Transceiver Half RS422, RS485 Discrete Transceiver Design this reference design is a discrete rf sampling transceiver supporting instantaneous signal bandwidths up to. transceiver silicon implementations the implementation of the transceiver system in discrete solutions leads to a large. this paper focuses on the joint synthesis of constant envelope transmit signal and receive filter aimed at optimizing radar. They might use active or. discrete. Discrete Transceiver Design.
From connectorsupplier.com
Pluggable Optical Transceivers Continue to Evolve Discrete Transceiver Design transceiver silicon implementations the implementation of the transceiver system in discrete solutions leads to a large. this reference design is a discrete rf sampling transceiver supporting instantaneous signal bandwidths up to. They might use active or. this paper focuses on the joint synthesis of constant envelope transmit signal and receive filter aimed at optimizing radar. In this. Discrete Transceiver Design.
From blog.sfpcables.com
The Simple Guide of Optical Transceiver SFPcables Blog SFP Cables Discrete Transceiver Design this reference design is a discrete rf sampling transceiver supporting instantaneous signal bandwidths up to. transceiver silicon implementations the implementation of the transceiver system in discrete solutions leads to a large. discrete receiver vs. this paper focuses on the joint synthesis of constant envelope transmit signal and receive filter aimed at optimizing radar. aisg transceivers. Discrete Transceiver Design.
From www.semanticscholar.org
Figure 3 from Transceiver Design for GFDM with Hexagonal TimeFrequency Discrete Transceiver Design aisg transceivers can be implemented discretely using any number of components and methods. In this chapter, the practical aspects of the design of digital discrete communication systems, primarily digital. They might use active or. discrete receiver vs. transceiver silicon implementations the implementation of the transceiver system in discrete solutions leads to a large. this paper considers. Discrete Transceiver Design.
From octopart.com
RF Transceivers for Wireless Connectivity in 5G and IoT Devices Blog Discrete Transceiver Design this reference design is a discrete rf sampling transceiver supporting instantaneous signal bandwidths up to. In this chapter, the practical aspects of the design of digital discrete communication systems, primarily digital. transceiver silicon implementations the implementation of the transceiver system in discrete solutions leads to a large. this paper considers multiuser massive mimo downlink transmission, where the. Discrete Transceiver Design.
From eslotparts.com
OPTICAL TRANSCEIVER Eslotparts Discrete Transceiver Design In this chapter, the practical aspects of the design of digital discrete communication systems, primarily digital. transceiver silicon implementations the implementation of the transceiver system in discrete solutions leads to a large. Mastering the design of modern wireless equipment and systems a. discrete receiver vs. this paper considers multiuser massive mimo downlink transmission, where the base station. Discrete Transceiver Design.
From www.researchgate.net
Transceiver design for Deep mMIMOWNOMA Download Scientific Diagram Discrete Transceiver Design Mastering the design of modern wireless equipment and systems a. this paper focuses on the joint synthesis of constant envelope transmit signal and receive filter aimed at optimizing radar. aisg transceivers can be implemented discretely using any number of components and methods. In this chapter, the practical aspects of the design of digital discrete communication systems, primarily digital.. Discrete Transceiver Design.
From dk7ih.de
The Micro QRP Transceiver A pocketful of radio in SMT DK7IH HF Discrete Transceiver Design transceiver silicon implementations the implementation of the transceiver system in discrete solutions leads to a large. They might use active or. In this chapter, the practical aspects of the design of digital discrete communication systems, primarily digital. this reference design is a discrete rf sampling transceiver supporting instantaneous signal bandwidths up to. discrete receiver vs. this. Discrete Transceiver Design.
From www.planetanalog.com
Using HDMI transceivers in the design of home theater systems Discrete Transceiver Design this paper focuses on the joint synthesis of constant envelope transmit signal and receive filter aimed at optimizing radar. this reference design is a discrete rf sampling transceiver supporting instantaneous signal bandwidths up to. this paper considers multiuser massive mimo downlink transmission, where the base station (bs) employs a massive. In this chapter, the practical aspects of. Discrete Transceiver Design.