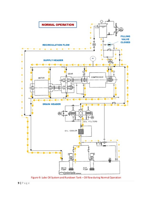
Compressor Lube Oil Rundown Tank . Our run down tanks are storage vessels installed at specific heights. The compressor lube oil system is often common to the driver lube system but in some cases, separate lube systems are supplied. Learn about the function, design and sizing of rundown tanks for lube and seal oil systems in rotating machinery. During normal operation of the.
from dbsoil.com
The compressor lube oil system is often common to the driver lube system but in some cases, separate lube systems are supplied. During normal operation of the. Learn about the function, design and sizing of rundown tanks for lube and seal oil systems in rotating machinery. Our run down tanks are storage vessels installed at specific heights.
Lubricants Tanks And Equipment Dean's Bulk Service Oil
Compressor Lube Oil Rundown Tank During normal operation of the. During normal operation of the. The compressor lube oil system is often common to the driver lube system but in some cases, separate lube systems are supplied. Our run down tanks are storage vessels installed at specific heights. Learn about the function, design and sizing of rundown tanks for lube and seal oil systems in rotating machinery.
From www.americanlube.com
Steel Tanks & Tank Packages American Lubrication Equipment American Compressor Lube Oil Rundown Tank Learn about the function, design and sizing of rundown tanks for lube and seal oil systems in rotating machinery. The compressor lube oil system is often common to the driver lube system but in some cases, separate lube systems are supplied. Our run down tanks are storage vessels installed at specific heights. During normal operation of the. Compressor Lube Oil Rundown Tank.
From www.scribd.com
Lube Oil Rundown Tank System Design and Operational Aspects Compressor Lube Oil Rundown Tank Learn about the function, design and sizing of rundown tanks for lube and seal oil systems in rotating machinery. Our run down tanks are storage vessels installed at specific heights. The compressor lube oil system is often common to the driver lube system but in some cases, separate lube systems are supplied. During normal operation of the. Compressor Lube Oil Rundown Tank.
From www.dynapumps.com.au
Optimising Lube Oil Pumps for Rotating Machinery Compressor Lube Oil Rundown Tank Learn about the function, design and sizing of rundown tanks for lube and seal oil systems in rotating machinery. Our run down tanks are storage vessels installed at specific heights. The compressor lube oil system is often common to the driver lube system but in some cases, separate lube systems are supplied. During normal operation of the. Compressor Lube Oil Rundown Tank.
From www.machinerylubrication.com
Compressor Lubrication Best Practices Compressor Lube Oil Rundown Tank The compressor lube oil system is often common to the driver lube system but in some cases, separate lube systems are supplied. Learn about the function, design and sizing of rundown tanks for lube and seal oil systems in rotating machinery. During normal operation of the. Our run down tanks are storage vessels installed at specific heights. Compressor Lube Oil Rundown Tank.
From www.slideshare.net
Lube Oil Rundown Tank System Design and Operational Aspects Compressor Lube Oil Rundown Tank The compressor lube oil system is often common to the driver lube system but in some cases, separate lube systems are supplied. During normal operation of the. Our run down tanks are storage vessels installed at specific heights. Learn about the function, design and sizing of rundown tanks for lube and seal oil systems in rotating machinery. Compressor Lube Oil Rundown Tank.
From www.slideshare.net
Lube Oil Rundown Tank System Design and Operational Aspects Compressor Lube Oil Rundown Tank During normal operation of the. Our run down tanks are storage vessels installed at specific heights. Learn about the function, design and sizing of rundown tanks for lube and seal oil systems in rotating machinery. The compressor lube oil system is often common to the driver lube system but in some cases, separate lube systems are supplied. Compressor Lube Oil Rundown Tank.
From www.slideshare.net
Lube Oil Rundown Tank System Design and Operational Aspects Compressor Lube Oil Rundown Tank During normal operation of the. Learn about the function, design and sizing of rundown tanks for lube and seal oil systems in rotating machinery. The compressor lube oil system is often common to the driver lube system but in some cases, separate lube systems are supplied. Our run down tanks are storage vessels installed at specific heights. Compressor Lube Oil Rundown Tank.
From www.lubepower.com
Rundown Tanks API 614 Compressor Lube Oil Rundown Tank Our run down tanks are storage vessels installed at specific heights. Learn about the function, design and sizing of rundown tanks for lube and seal oil systems in rotating machinery. The compressor lube oil system is often common to the driver lube system but in some cases, separate lube systems are supplied. During normal operation of the. Compressor Lube Oil Rundown Tank.
From dbsoil.com
Lubricants Tanks And Equipment Dean's Bulk Service Oil Compressor Lube Oil Rundown Tank During normal operation of the. Our run down tanks are storage vessels installed at specific heights. Learn about the function, design and sizing of rundown tanks for lube and seal oil systems in rotating machinery. The compressor lube oil system is often common to the driver lube system but in some cases, separate lube systems are supplied. Compressor Lube Oil Rundown Tank.
From cobey.com
API614 Cobey Celebrates 700th Lube Oil Console Compressor Lube Oil Rundown Tank During normal operation of the. The compressor lube oil system is often common to the driver lube system but in some cases, separate lube systems are supplied. Our run down tanks are storage vessels installed at specific heights. Learn about the function, design and sizing of rundown tanks for lube and seal oil systems in rotating machinery. Compressor Lube Oil Rundown Tank.
From www.machinerylubrication.com
Compressor Lubrication Best Practices Compressor Lube Oil Rundown Tank Learn about the function, design and sizing of rundown tanks for lube and seal oil systems in rotating machinery. The compressor lube oil system is often common to the driver lube system but in some cases, separate lube systems are supplied. During normal operation of the. Our run down tanks are storage vessels installed at specific heights. Compressor Lube Oil Rundown Tank.
From locati-impianti.com
Lube Oil System Locati Impianti Compressor Lube Oil Rundown Tank The compressor lube oil system is often common to the driver lube system but in some cases, separate lube systems are supplied. Our run down tanks are storage vessels installed at specific heights. Learn about the function, design and sizing of rundown tanks for lube and seal oil systems in rotating machinery. During normal operation of the. Compressor Lube Oil Rundown Tank.
From www.sears.com
Emglo E8104V 4Gallon HeavyDuty OilLube Stacked Tank Air Compressor Compressor Lube Oil Rundown Tank The compressor lube oil system is often common to the driver lube system but in some cases, separate lube systems are supplied. During normal operation of the. Learn about the function, design and sizing of rundown tanks for lube and seal oil systems in rotating machinery. Our run down tanks are storage vessels installed at specific heights. Compressor Lube Oil Rundown Tank.
From www.compair.com
All About Oil lubricated Air Compressor Technology CompAir Compressor Lube Oil Rundown Tank The compressor lube oil system is often common to the driver lube system but in some cases, separate lube systems are supplied. Our run down tanks are storage vessels installed at specific heights. Learn about the function, design and sizing of rundown tanks for lube and seal oil systems in rotating machinery. During normal operation of the. Compressor Lube Oil Rundown Tank.
From www.slideshare.net
Lube Oil Rundown Tank System Design and Operational Aspects Compressor Lube Oil Rundown Tank The compressor lube oil system is often common to the driver lube system but in some cases, separate lube systems are supplied. During normal operation of the. Our run down tanks are storage vessels installed at specific heights. Learn about the function, design and sizing of rundown tanks for lube and seal oil systems in rotating machinery. Compressor Lube Oil Rundown Tank.
From www.airbestpractices.com
Lubricants for Centrifugal Air Compressors Compressed Air Best Practices Compressor Lube Oil Rundown Tank The compressor lube oil system is often common to the driver lube system but in some cases, separate lube systems are supplied. During normal operation of the. Learn about the function, design and sizing of rundown tanks for lube and seal oil systems in rotating machinery. Our run down tanks are storage vessels installed at specific heights. Compressor Lube Oil Rundown Tank.
From www.slideshare.net
Lube Oil Rundown Tank System Design and Operational Aspects Compressor Lube Oil Rundown Tank Learn about the function, design and sizing of rundown tanks for lube and seal oil systems in rotating machinery. The compressor lube oil system is often common to the driver lube system but in some cases, separate lube systems are supplied. During normal operation of the. Our run down tanks are storage vessels installed at specific heights. Compressor Lube Oil Rundown Tank.
From www.slideshare.net
Lube Oil Rundown Tank System Design and Operational Aspects Compressor Lube Oil Rundown Tank The compressor lube oil system is often common to the driver lube system but in some cases, separate lube systems are supplied. During normal operation of the. Learn about the function, design and sizing of rundown tanks for lube and seal oil systems in rotating machinery. Our run down tanks are storage vessels installed at specific heights. Compressor Lube Oil Rundown Tank.
From www.youtube.com
Lube Oil system in steam Turbine & Compressor Function of MOP, AOP Compressor Lube Oil Rundown Tank The compressor lube oil system is often common to the driver lube system but in some cases, separate lube systems are supplied. Our run down tanks are storage vessels installed at specific heights. Learn about the function, design and sizing of rundown tanks for lube and seal oil systems in rotating machinery. During normal operation of the. Compressor Lube Oil Rundown Tank.
From www.youtube.com
Rundown Tank System Design Internal Part Lube Oil SystemProcess Compressor Lube Oil Rundown Tank Our run down tanks are storage vessels installed at specific heights. During normal operation of the. Learn about the function, design and sizing of rundown tanks for lube and seal oil systems in rotating machinery. The compressor lube oil system is often common to the driver lube system but in some cases, separate lube systems are supplied. Compressor Lube Oil Rundown Tank.
From www.fluidall.com
Oil Storage Tanks and Lube Equipment Packages for Oil Jobbers Compressor Lube Oil Rundown Tank During normal operation of the. Our run down tanks are storage vessels installed at specific heights. The compressor lube oil system is often common to the driver lube system but in some cases, separate lube systems are supplied. Learn about the function, design and sizing of rundown tanks for lube and seal oil systems in rotating machinery. Compressor Lube Oil Rundown Tank.
From chemicalengineeringworld.com
Rundown Tank Purpose and Working Chemical Engineering World Compressor Lube Oil Rundown Tank Learn about the function, design and sizing of rundown tanks for lube and seal oil systems in rotating machinery. Our run down tanks are storage vessels installed at specific heights. During normal operation of the. The compressor lube oil system is often common to the driver lube system but in some cases, separate lube systems are supplied. Compressor Lube Oil Rundown Tank.
From cerzztyd.blob.core.windows.net
Oil In My Air Compressor Tank at Jackie Sharpe blog Compressor Lube Oil Rundown Tank Learn about the function, design and sizing of rundown tanks for lube and seal oil systems in rotating machinery. Our run down tanks are storage vessels installed at specific heights. During normal operation of the. The compressor lube oil system is often common to the driver lube system but in some cases, separate lube systems are supplied. Compressor Lube Oil Rundown Tank.
From www.ebay.com
Farmer's Alloy Fabrication Stainless Steel Lube Oil Rundown Tank 69PSI Compressor Lube Oil Rundown Tank Our run down tanks are storage vessels installed at specific heights. The compressor lube oil system is often common to the driver lube system but in some cases, separate lube systems are supplied. Learn about the function, design and sizing of rundown tanks for lube and seal oil systems in rotating machinery. During normal operation of the. Compressor Lube Oil Rundown Tank.
From www.piping-engineering.com
Auxiliary Units of Compressor Compressor Lube Oil Rundown Tank Learn about the function, design and sizing of rundown tanks for lube and seal oil systems in rotating machinery. During normal operation of the. The compressor lube oil system is often common to the driver lube system but in some cases, separate lube systems are supplied. Our run down tanks are storage vessels installed at specific heights. Compressor Lube Oil Rundown Tank.
From www.youtube.com
Rundown Tank Lube Oil System ProcessAnimation 2022 YouTube Compressor Lube Oil Rundown Tank Learn about the function, design and sizing of rundown tanks for lube and seal oil systems in rotating machinery. Our run down tanks are storage vessels installed at specific heights. The compressor lube oil system is often common to the driver lube system but in some cases, separate lube systems are supplied. During normal operation of the. Compressor Lube Oil Rundown Tank.
From www.tankandbarrel.com
Oil & Lube Tanks Compressor Lube Oil Rundown Tank During normal operation of the. Our run down tanks are storage vessels installed at specific heights. Learn about the function, design and sizing of rundown tanks for lube and seal oil systems in rotating machinery. The compressor lube oil system is often common to the driver lube system but in some cases, separate lube systems are supplied. Compressor Lube Oil Rundown Tank.
From www.beaudryoil.com
Lube Tanks & Equipment Lubricant Dispensing Capabilities Lubricant Compressor Lube Oil Rundown Tank During normal operation of the. Learn about the function, design and sizing of rundown tanks for lube and seal oil systems in rotating machinery. The compressor lube oil system is often common to the driver lube system but in some cases, separate lube systems are supplied. Our run down tanks are storage vessels installed at specific heights. Compressor Lube Oil Rundown Tank.
From www.youtube.com
How to fill Rundown Tank Lube Oil System Process Animation 2022 Compressor Lube Oil Rundown Tank Learn about the function, design and sizing of rundown tanks for lube and seal oil systems in rotating machinery. The compressor lube oil system is often common to the driver lube system but in some cases, separate lube systems are supplied. Our run down tanks are storage vessels installed at specific heights. During normal operation of the. Compressor Lube Oil Rundown Tank.
From www.scribd.com
Rundown Tank Purpose and Working Chemical Engineering World PDF Compressor Lube Oil Rundown Tank The compressor lube oil system is often common to the driver lube system but in some cases, separate lube systems are supplied. Learn about the function, design and sizing of rundown tanks for lube and seal oil systems in rotating machinery. Our run down tanks are storage vessels installed at specific heights. During normal operation of the. Compressor Lube Oil Rundown Tank.
From www.slideshare.net
Lube Oil Rundown Tank System Design and Operational Aspects Compressor Lube Oil Rundown Tank The compressor lube oil system is often common to the driver lube system but in some cases, separate lube systems are supplied. During normal operation of the. Our run down tanks are storage vessels installed at specific heights. Learn about the function, design and sizing of rundown tanks for lube and seal oil systems in rotating machinery. Compressor Lube Oil Rundown Tank.
From www.slideshare.net
Lube Oil Rundown Tank System Design and Operational Aspects PDF Compressor Lube Oil Rundown Tank Learn about the function, design and sizing of rundown tanks for lube and seal oil systems in rotating machinery. The compressor lube oil system is often common to the driver lube system but in some cases, separate lube systems are supplied. During normal operation of the. Our run down tanks are storage vessels installed at specific heights. Compressor Lube Oil Rundown Tank.
From www.linkedin.com
Lube Oil System Compressor Lube Oil Rundown Tank Learn about the function, design and sizing of rundown tanks for lube and seal oil systems in rotating machinery. Our run down tanks are storage vessels installed at specific heights. The compressor lube oil system is often common to the driver lube system but in some cases, separate lube systems are supplied. During normal operation of the. Compressor Lube Oil Rundown Tank.
From kgd.co.uk
KGD Lube Oil Systems Oil & Gas Compressor Lube Oil Rundown Tank The compressor lube oil system is often common to the driver lube system but in some cases, separate lube systems are supplied. Our run down tanks are storage vessels installed at specific heights. During normal operation of the. Learn about the function, design and sizing of rundown tanks for lube and seal oil systems in rotating machinery. Compressor Lube Oil Rundown Tank.
From www.linkedin.com
Sizing a Lube Oil Tank for Gas and Steam Turbines A Comprehensive Guide Compressor Lube Oil Rundown Tank The compressor lube oil system is often common to the driver lube system but in some cases, separate lube systems are supplied. During normal operation of the. Learn about the function, design and sizing of rundown tanks for lube and seal oil systems in rotating machinery. Our run down tanks are storage vessels installed at specific heights. Compressor Lube Oil Rundown Tank.