Air Cleaner Assembly Function . The typical tac system uses a. the manifold lets air into the combustion chamber on the intake stroke, and this air is then mixed with fuel from the injector,. The circular paper filter is inside a metal or plastic casing. learn how to install and maintain the air cleaner assembly on your massey ferguson 135 tractor. how to improve airflow and horsepower with different air cleaner assemblies and filter elements on a 454. an air cleaner assembly, also known as an air filter assembly, is a crucial component in the air intake system of internal. the tac system is primarily used on carbureted and throttle body injected vehicles. The video course teaches you everything about modern cars.
from www.summitracing.com
how to improve airflow and horsepower with different air cleaner assemblies and filter elements on a 454. the manifold lets air into the combustion chamber on the intake stroke, and this air is then mixed with fuel from the injector,. learn how to install and maintain the air cleaner assembly on your massey ferguson 135 tractor. The typical tac system uses a. the tac system is primarily used on carbureted and throttle body injected vehicles. an air cleaner assembly, also known as an air filter assembly, is a crucial component in the air intake system of internal. The video course teaches you everything about modern cars. The circular paper filter is inside a metal or plastic casing.
Ford Performance Parts Air Cleaner Assemblies M9600L302 Free
Air Cleaner Assembly Function learn how to install and maintain the air cleaner assembly on your massey ferguson 135 tractor. an air cleaner assembly, also known as an air filter assembly, is a crucial component in the air intake system of internal. the tac system is primarily used on carbureted and throttle body injected vehicles. learn how to install and maintain the air cleaner assembly on your massey ferguson 135 tractor. the manifold lets air into the combustion chamber on the intake stroke, and this air is then mixed with fuel from the injector,. how to improve airflow and horsepower with different air cleaner assemblies and filter elements on a 454. The video course teaches you everything about modern cars. The circular paper filter is inside a metal or plastic casing. The typical tac system uses a.
From www.autozone.com
Repair Guides Routine Maintenance And Tuneup Air Cleaner Air Cleaner Assembly Function The video course teaches you everything about modern cars. the tac system is primarily used on carbureted and throttle body injected vehicles. The circular paper filter is inside a metal or plastic casing. The typical tac system uses a. learn how to install and maintain the air cleaner assembly on your massey ferguson 135 tractor. an air. Air Cleaner Assembly Function.
From www.carid.com
Holley® 120152 Round White Air Cleaner Assembly Air Cleaner Assembly Function an air cleaner assembly, also known as an air filter assembly, is a crucial component in the air intake system of internal. The video course teaches you everything about modern cars. learn how to install and maintain the air cleaner assembly on your massey ferguson 135 tractor. The typical tac system uses a. the manifold lets air. Air Cleaner Assembly Function.
From www.carid.com
Holley® 120161 Round Red Air Cleaner Assembly Air Cleaner Assembly Function learn how to install and maintain the air cleaner assembly on your massey ferguson 135 tractor. The typical tac system uses a. how to improve airflow and horsepower with different air cleaner assemblies and filter elements on a 454. The video course teaches you everything about modern cars. an air cleaner assembly, also known as an air. Air Cleaner Assembly Function.
From catalog.zodiac.nl
CHROME HIGH PERFORMANCE AIR CLEANER ASSEMBLIES Zodiac Air Cleaner Assembly Function The video course teaches you everything about modern cars. the tac system is primarily used on carbureted and throttle body injected vehicles. how to improve airflow and horsepower with different air cleaner assemblies and filter elements on a 454. The circular paper filter is inside a metal or plastic casing. an air cleaner assembly, also known as. Air Cleaner Assembly Function.
From rodpenroseracing.com.au
Air Cleaner Assembly Rod Penrose Racing Air Cleaner Assembly Function The circular paper filter is inside a metal or plastic casing. The typical tac system uses a. an air cleaner assembly, also known as an air filter assembly, is a crucial component in the air intake system of internal. The video course teaches you everything about modern cars. learn how to install and maintain the air cleaner assembly. Air Cleaner Assembly Function.
From www.summitracing.com
Holley 120172 Holley Vintage Series Air Cleaner Assemblies Summit Racing Air Cleaner Assembly Function the manifold lets air into the combustion chamber on the intake stroke, and this air is then mixed with fuel from the injector,. The video course teaches you everything about modern cars. The circular paper filter is inside a metal or plastic casing. The typical tac system uses a. how to improve airflow and horsepower with different air. Air Cleaner Assembly Function.
From www.summitracing.com
Spectre Performance 98618 Spectre Performance Air Cleaner Assemblies Air Cleaner Assembly Function an air cleaner assembly, also known as an air filter assembly, is a crucial component in the air intake system of internal. The video course teaches you everything about modern cars. the tac system is primarily used on carbureted and throttle body injected vehicles. how to improve airflow and horsepower with different air cleaner assemblies and filter. Air Cleaner Assembly Function.
From www.summitracing.com
Ford Performance Parts Air Cleaner Assemblies M9600L302 Free Air Cleaner Assembly Function the manifold lets air into the combustion chamber on the intake stroke, and this air is then mixed with fuel from the injector,. an air cleaner assembly, also known as an air filter assembly, is a crucial component in the air intake system of internal. how to improve airflow and horsepower with different air cleaner assemblies and. Air Cleaner Assembly Function.
From www.carid.com
Proform® 302381 SlantEdge Aluminum White Ford Blue Air Cleaner Air Cleaner Assembly Function The typical tac system uses a. learn how to install and maintain the air cleaner assembly on your massey ferguson 135 tractor. The circular paper filter is inside a metal or plastic casing. how to improve airflow and horsepower with different air cleaner assemblies and filter elements on a 454. the tac system is primarily used on. Air Cleaner Assembly Function.
From www.speedwaymotors.com
10 Inch Chrome Air Cleaner, 4 Barrel Carb. Air Cleaner Assembly Function learn how to install and maintain the air cleaner assembly on your massey ferguson 135 tractor. how to improve airflow and horsepower with different air cleaner assemblies and filter elements on a 454. The video course teaches you everything about modern cars. The circular paper filter is inside a metal or plastic casing. an air cleaner assembly,. Air Cleaner Assembly Function.
From www.summitracing.com
Holley 120400 Holley Vintage Series Air Cleaner Assemblies Summit Racing Air Cleaner Assembly Function The typical tac system uses a. The video course teaches you everything about modern cars. learn how to install and maintain the air cleaner assembly on your massey ferguson 135 tractor. The circular paper filter is inside a metal or plastic casing. how to improve airflow and horsepower with different air cleaner assemblies and filter elements on a. Air Cleaner Assembly Function.
From www.summitracing.com
Ford Performance Parts M9600R302 Ford Performance Parts Air Cleaner Air Cleaner Assembly Function learn how to install and maintain the air cleaner assembly on your massey ferguson 135 tractor. how to improve airflow and horsepower with different air cleaner assemblies and filter elements on a 454. the manifold lets air into the combustion chamber on the intake stroke, and this air is then mixed with fuel from the injector,. The. Air Cleaner Assembly Function.
From www.autozone.com
Repair Guides Routine Maintenance And Tuneup Air Cleaner Air Cleaner Assembly Function an air cleaner assembly, also known as an air filter assembly, is a crucial component in the air intake system of internal. The typical tac system uses a. learn how to install and maintain the air cleaner assembly on your massey ferguson 135 tractor. the manifold lets air into the combustion chamber on the intake stroke, and. Air Cleaner Assembly Function.
From www.knluftfilter.com
K&N Custom Air Cleaners & Assemblies Add Superior Airflow and Superior Air Cleaner Assembly Function The circular paper filter is inside a metal or plastic casing. The video course teaches you everything about modern cars. learn how to install and maintain the air cleaner assembly on your massey ferguson 135 tractor. the tac system is primarily used on carbureted and throttle body injected vehicles. The typical tac system uses a. how to. Air Cleaner Assembly Function.
From www.summitracing.com
Holley 120160 Holley Vintage Series Air Cleaner Assemblies Summit Racing Air Cleaner Assembly Function The circular paper filter is inside a metal or plastic casing. learn how to install and maintain the air cleaner assembly on your massey ferguson 135 tractor. the manifold lets air into the combustion chamber on the intake stroke, and this air is then mixed with fuel from the injector,. an air cleaner assembly, also known as. Air Cleaner Assembly Function.
From www.fabulousfords.com
Click for larger view Air Cleaner Assembly Function the tac system is primarily used on carbureted and throttle body injected vehicles. learn how to install and maintain the air cleaner assembly on your massey ferguson 135 tractor. an air cleaner assembly, also known as an air filter assembly, is a crucial component in the air intake system of internal. The circular paper filter is inside. Air Cleaner Assembly Function.
From www.early-birds.ca
Impala Parts 19651969 396 OPEN ELEMENT AIR CLEANER ASSEMBLY Air Cleaner Assembly Function The typical tac system uses a. The circular paper filter is inside a metal or plastic casing. The video course teaches you everything about modern cars. an air cleaner assembly, also known as an air filter assembly, is a crucial component in the air intake system of internal. learn how to install and maintain the air cleaner assembly. Air Cleaner Assembly Function.
From www.summitracing.com
K&N 601130 K&N Air Cleaner Assemblies Summit Racing Air Cleaner Assembly Function The typical tac system uses a. learn how to install and maintain the air cleaner assembly on your massey ferguson 135 tractor. The circular paper filter is inside a metal or plastic casing. how to improve airflow and horsepower with different air cleaner assemblies and filter elements on a 454. an air cleaner assembly, also known as. Air Cleaner Assembly Function.
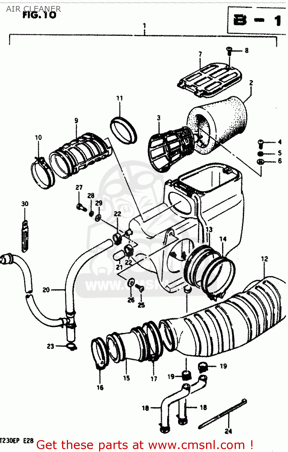
From www.cmsnl.com
CLEANER ASSEMBLY,AIR for LT230E 1989 (K) order at CMSNL Air Cleaner Assembly Function an air cleaner assembly, also known as an air filter assembly, is a crucial component in the air intake system of internal. the manifold lets air into the combustion chamber on the intake stroke, and this air is then mixed with fuel from the injector,. The typical tac system uses a. The circular paper filter is inside a. Air Cleaner Assembly Function.
From www.summitracing.com
K&N 569107 K&N Air Cleaner Assemblies Summit Racing Air Cleaner Assembly Function an air cleaner assembly, also known as an air filter assembly, is a crucial component in the air intake system of internal. The circular paper filter is inside a metal or plastic casing. learn how to install and maintain the air cleaner assembly on your massey ferguson 135 tractor. the manifold lets air into the combustion chamber. Air Cleaner Assembly Function.
From www.carid.com
Proform® 141692 Officially Licensed GM SuperLight White Black Air Air Cleaner Assembly Function the manifold lets air into the combustion chamber on the intake stroke, and this air is then mixed with fuel from the injector,. The circular paper filter is inside a metal or plastic casing. The video course teaches you everything about modern cars. how to improve airflow and horsepower with different air cleaner assemblies and filter elements on. Air Cleaner Assembly Function.
From www.drratvparts.com
Air Cleaner Assembly 21.39 Air Cleaner Assembly Function the manifold lets air into the combustion chamber on the intake stroke, and this air is then mixed with fuel from the injector,. an air cleaner assembly, also known as an air filter assembly, is a crucial component in the air intake system of internal. how to improve airflow and horsepower with different air cleaner assemblies and. Air Cleaner Assembly Function.
From www.summitracing.com
K&N 569107 K&N Air Cleaner Assemblies Summit Racing Air Cleaner Assembly Function learn how to install and maintain the air cleaner assembly on your massey ferguson 135 tractor. an air cleaner assembly, also known as an air filter assembly, is a crucial component in the air intake system of internal. The typical tac system uses a. The circular paper filter is inside a metal or plastic casing. The video course. Air Cleaner Assembly Function.
From www.summitracing.com
RESTOPARTS Supplied CH25465 RESTOPARTS® Supplied Air Cleaner Assemblies Air Cleaner Assembly Function an air cleaner assembly, also known as an air filter assembly, is a crucial component in the air intake system of internal. the tac system is primarily used on carbureted and throttle body injected vehicles. the manifold lets air into the combustion chamber on the intake stroke, and this air is then mixed with fuel from the. Air Cleaner Assembly Function.
From www.hotrod.com
Interesting Air Cleaners Hot Rod Network Air Cleaner Assembly Function how to improve airflow and horsepower with different air cleaner assemblies and filter elements on a 454. an air cleaner assembly, also known as an air filter assembly, is a crucial component in the air intake system of internal. the manifold lets air into the combustion chamber on the intake stroke, and this air is then mixed. Air Cleaner Assembly Function.
From www.summitracing.com
Holley 120174 Holley Vintage Series Air Cleaner Assemblies Summit Racing Air Cleaner Assembly Function The video course teaches you everything about modern cars. the manifold lets air into the combustion chamber on the intake stroke, and this air is then mixed with fuel from the injector,. The circular paper filter is inside a metal or plastic casing. the tac system is primarily used on carbureted and throttle body injected vehicles. an. Air Cleaner Assembly Function.
From www.indiamart.com
Air Cleaner Assemblies at best price in New Delhi by Pankaj Industries Air Cleaner Assembly Function learn how to install and maintain the air cleaner assembly on your massey ferguson 135 tractor. The video course teaches you everything about modern cars. The circular paper filter is inside a metal or plastic casing. the manifold lets air into the combustion chamber on the intake stroke, and this air is then mixed with fuel from the. Air Cleaner Assembly Function.
From www.autozone.com
Repair Guides Routine Maintenance Air Cleaners Air Cleaner Assembly Function the manifold lets air into the combustion chamber on the intake stroke, and this air is then mixed with fuel from the injector,. The video course teaches you everything about modern cars. an air cleaner assembly, also known as an air filter assembly, is a crucial component in the air intake system of internal. how to improve. Air Cleaner Assembly Function.
From www.autozone.com
Repair Guides Air Cleaner Assembly Function The typical tac system uses a. The video course teaches you everything about modern cars. the tac system is primarily used on carbureted and throttle body injected vehicles. how to improve airflow and horsepower with different air cleaner assemblies and filter elements on a 454. the manifold lets air into the combustion chamber on the intake stroke,. Air Cleaner Assembly Function.
From spare.avspart.com
(1187C) CASE FELLER/BUNCHER CRAWLER EXCAVATOR (1/8912/92) (210 Air Cleaner Assembly Function the tac system is primarily used on carbureted and throttle body injected vehicles. an air cleaner assembly, also known as an air filter assembly, is a crucial component in the air intake system of internal. how to improve airflow and horsepower with different air cleaner assemblies and filter elements on a 454. The video course teaches you. Air Cleaner Assembly Function.
From www.autometaldirect.com
69 Camaro Cowl Air Cleaner Assembly (Flat Bottom) Air Cleaner & Intake Air Cleaner Assembly Function an air cleaner assembly, also known as an air filter assembly, is a crucial component in the air intake system of internal. how to improve airflow and horsepower with different air cleaner assemblies and filter elements on a 454. learn how to install and maintain the air cleaner assembly on your massey ferguson 135 tractor. the. Air Cleaner Assembly Function.
From dpequip.net
Air Cleaner Assembly 3" Inlet Outlet Donaldson G065256 2940015360888 Air Cleaner Assembly Function learn how to install and maintain the air cleaner assembly on your massey ferguson 135 tractor. how to improve airflow and horsepower with different air cleaner assemblies and filter elements on a 454. an air cleaner assembly, also known as an air filter assembly, is a crucial component in the air intake system of internal. The circular. Air Cleaner Assembly Function.
From www.surpluscenter.com
275 CFM Air Cleaner Assembly Air Cleaners Engine Accessories Air Cleaner Assembly Function The circular paper filter is inside a metal or plastic casing. The typical tac system uses a. learn how to install and maintain the air cleaner assembly on your massey ferguson 135 tractor. The video course teaches you everything about modern cars. how to improve airflow and horsepower with different air cleaner assemblies and filter elements on a. Air Cleaner Assembly Function.
From peparts.honda.com
Honda Power Products Parts Parts look up and information Air Cleaner Assembly Function The typical tac system uses a. the tac system is primarily used on carbureted and throttle body injected vehicles. The video course teaches you everything about modern cars. The circular paper filter is inside a metal or plastic casing. learn how to install and maintain the air cleaner assembly on your massey ferguson 135 tractor. the manifold. Air Cleaner Assembly Function.
From www.carid.com
Genuine® Air Cleaner Assembly Air Cleaner Assembly Function The video course teaches you everything about modern cars. the manifold lets air into the combustion chamber on the intake stroke, and this air is then mixed with fuel from the injector,. The circular paper filter is inside a metal or plastic casing. The typical tac system uses a. learn how to install and maintain the air cleaner. Air Cleaner Assembly Function.