Steering Shaft Bolt Replacement . usually, a steering column outlives the car. for the upper end of the steering shaft, simply pull it up and connect it to the steering column. Sometimes, wiring can catch fire or you break it trying to change the lock barrel. here's how to replace an intermediate steering shaft on your car.the intermediate steering shaft connects the. install the lower end of the intermediate shaft onto the lower steering. watch this video to learn how to replace a cracked, broken, or wobbly. The only reason you would have to replace one is because someone tried to steal your ride, or you tried to install a steering wheel and busted something inside.
from lmr.com
usually, a steering column outlives the car. install the lower end of the intermediate shaft onto the lower steering. here's how to replace an intermediate steering shaft on your car.the intermediate steering shaft connects the. for the upper end of the steering shaft, simply pull it up and connect it to the steering column. watch this video to learn how to replace a cracked, broken, or wobbly. Sometimes, wiring can catch fire or you break it trying to change the lock barrel. The only reason you would have to replace one is because someone tried to steal your ride, or you tried to install a steering wheel and busted something inside.
Mustang Steering Shaft Bolt Ford W704980S436 (20052014)
Steering Shaft Bolt Replacement install the lower end of the intermediate shaft onto the lower steering. usually, a steering column outlives the car. Sometimes, wiring can catch fire or you break it trying to change the lock barrel. for the upper end of the steering shaft, simply pull it up and connect it to the steering column. install the lower end of the intermediate shaft onto the lower steering. watch this video to learn how to replace a cracked, broken, or wobbly. here's how to replace an intermediate steering shaft on your car.the intermediate steering shaft connects the. The only reason you would have to replace one is because someone tried to steal your ride, or you tried to install a steering wheel and busted something inside.
From www.youtube.com
How to Replace a Steering Shaft YouTube Steering Shaft Bolt Replacement here's how to replace an intermediate steering shaft on your car.the intermediate steering shaft connects the. install the lower end of the intermediate shaft onto the lower steering. usually, a steering column outlives the car. watch this video to learn how to replace a cracked, broken, or wobbly. The only reason you would have to replace. Steering Shaft Bolt Replacement.
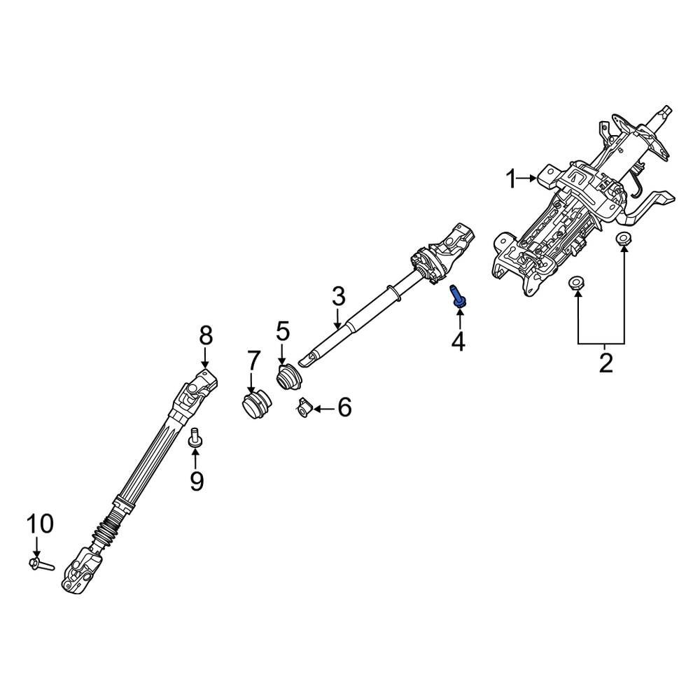
From parts.infinitiusa.com
2008 Infiniti G37 COUPE SPORT PREMIUM Steering Shaft Bolt. Bolt used to fasten the Steering Steering Shaft Bolt Replacement usually, a steering column outlives the car. here's how to replace an intermediate steering shaft on your car.the intermediate steering shaft connects the. install the lower end of the intermediate shaft onto the lower steering. The only reason you would have to replace one is because someone tried to steal your ride, or you tried to install. Steering Shaft Bolt Replacement.
From www.youtube.com
20072012 Nissan Versa Intermediate Steering Shaft Joint Assembly Replacement YouTube Steering Shaft Bolt Replacement usually, a steering column outlives the car. for the upper end of the steering shaft, simply pull it up and connect it to the steering column. Sometimes, wiring can catch fire or you break it trying to change the lock barrel. The only reason you would have to replace one is because someone tried to steal your ride,. Steering Shaft Bolt Replacement.
From www.pelicanparts.com
BMW and MINI Steering Shaft Bolt Genuine BMW and MINI 32.30.6.778.609 32306778609 32 30 6 778 Steering Shaft Bolt Replacement usually, a steering column outlives the car. Sometimes, wiring can catch fire or you break it trying to change the lock barrel. for the upper end of the steering shaft, simply pull it up and connect it to the steering column. The only reason you would have to replace one is because someone tried to steal your ride,. Steering Shaft Bolt Replacement.
From www.carid.com
Dodge OE 6506950AA Lower Steering Shaft Bolt Steering Shaft Bolt Replacement install the lower end of the intermediate shaft onto the lower steering. usually, a steering column outlives the car. watch this video to learn how to replace a cracked, broken, or wobbly. for the upper end of the steering shaft, simply pull it up and connect it to the steering column. The only reason you would. Steering Shaft Bolt Replacement.
From lmr.com
Mustang Steering Shaft Hardware Kit (19942004) LMR Steering Shaft Bolt Replacement Sometimes, wiring can catch fire or you break it trying to change the lock barrel. here's how to replace an intermediate steering shaft on your car.the intermediate steering shaft connects the. install the lower end of the intermediate shaft onto the lower steering. The only reason you would have to replace one is because someone tried to steal. Steering Shaft Bolt Replacement.
From www.carid.com
ACDelco® Genuine GM Parts™ Steering Shaft Bolt Steering Shaft Bolt Replacement here's how to replace an intermediate steering shaft on your car.the intermediate steering shaft connects the. Sometimes, wiring can catch fire or you break it trying to change the lock barrel. for the upper end of the steering shaft, simply pull it up and connect it to the steering column. usually, a steering column outlives the car.. Steering Shaft Bolt Replacement.
From www.amazon.com
Genuine 2.0L Intermediate Steering Column Shaft 20032007 Saturn Ion. 15799676 OEM Steering Shaft Bolt Replacement watch this video to learn how to replace a cracked, broken, or wobbly. here's how to replace an intermediate steering shaft on your car.the intermediate steering shaft connects the. for the upper end of the steering shaft, simply pull it up and connect it to the steering column. The only reason you would have to replace one. Steering Shaft Bolt Replacement.
From suzukipartsusa.com
STEERING UNIVERSAL JOINT / BOLTS SAMURAI '80'95 Suzuki Parts USA Steering Shaft Bolt Replacement watch this video to learn how to replace a cracked, broken, or wobbly. for the upper end of the steering shaft, simply pull it up and connect it to the steering column. install the lower end of the intermediate shaft onto the lower steering. usually, a steering column outlives the car. here's how to replace. Steering Shaft Bolt Replacement.
From www.youtube.com
How to replace intermediate steering shaft! YouTube Steering Shaft Bolt Replacement usually, a steering column outlives the car. watch this video to learn how to replace a cracked, broken, or wobbly. here's how to replace an intermediate steering shaft on your car.the intermediate steering shaft connects the. for the upper end of the steering shaft, simply pull it up and connect it to the steering column. Sometimes,. Steering Shaft Bolt Replacement.
From lmr.com
Mustang Steering Shaft Bolt Ford W714878S450 (20152023) Steering Shaft Bolt Replacement The only reason you would have to replace one is because someone tried to steal your ride, or you tried to install a steering wheel and busted something inside. usually, a steering column outlives the car. Sometimes, wiring can catch fire or you break it trying to change the lock barrel. for the upper end of the steering. Steering Shaft Bolt Replacement.
From rlv.com
P/N VLE1165 0039 Steering Shaft Bolt Assembly Kit RLV Steering Shaft Bolt Replacement Sometimes, wiring can catch fire or you break it trying to change the lock barrel. The only reason you would have to replace one is because someone tried to steal your ride, or you tried to install a steering wheel and busted something inside. for the upper end of the steering shaft, simply pull it up and connect it. Steering Shaft Bolt Replacement.
From lmr.com
Mustang Steering Shaft Hardware Kit (19791993) LMR Steering Shaft Bolt Replacement watch this video to learn how to replace a cracked, broken, or wobbly. here's how to replace an intermediate steering shaft on your car.the intermediate steering shaft connects the. install the lower end of the intermediate shaft onto the lower steering. The only reason you would have to replace one is because someone tried to steal your. Steering Shaft Bolt Replacement.
From www.carid.com
Lincoln OE W714409S439 Upper Steering Shaft Bolt Steering Shaft Bolt Replacement for the upper end of the steering shaft, simply pull it up and connect it to the steering column. The only reason you would have to replace one is because someone tried to steal your ride, or you tried to install a steering wheel and busted something inside. here's how to replace an intermediate steering shaft on your. Steering Shaft Bolt Replacement.
From www.paulstravelpictures.com
20002006GMChevroletTahoeIntermediateSteeringShaftReplacementGuide055 Steering Shaft Bolt Replacement Sometimes, wiring can catch fire or you break it trying to change the lock barrel. usually, a steering column outlives the car. The only reason you would have to replace one is because someone tried to steal your ride, or you tried to install a steering wheel and busted something inside. for the upper end of the steering. Steering Shaft Bolt Replacement.
From www.carid.com
Genuine® W01332321993OES Steering Shaft Bolt Steering Shaft Bolt Replacement The only reason you would have to replace one is because someone tried to steal your ride, or you tried to install a steering wheel and busted something inside. here's how to replace an intermediate steering shaft on your car.the intermediate steering shaft connects the. usually, a steering column outlives the car. watch this video to learn. Steering Shaft Bolt Replacement.
From www.carid.com
Kia OE 564153W000 Upper Steering Shaft Bolt Steering Shaft Bolt Replacement usually, a steering column outlives the car. install the lower end of the intermediate shaft onto the lower steering. for the upper end of the steering shaft, simply pull it up and connect it to the steering column. watch this video to learn how to replace a cracked, broken, or wobbly. here's how to replace. Steering Shaft Bolt Replacement.
From zcardepot.com
Steering Shaft Coupler Bolt Kit 240Z 260Z 280Z Z Car Depot Inc Steering Shaft Bolt Replacement install the lower end of the intermediate shaft onto the lower steering. Sometimes, wiring can catch fire or you break it trying to change the lock barrel. The only reason you would have to replace one is because someone tried to steal your ride, or you tried to install a steering wheel and busted something inside. watch this. Steering Shaft Bolt Replacement.
From lmr.com
Mustang Steering Shaft Bolt Ford W704980S436 (20052014) Steering Shaft Bolt Replacement install the lower end of the intermediate shaft onto the lower steering. Sometimes, wiring can catch fire or you break it trying to change the lock barrel. usually, a steering column outlives the car. watch this video to learn how to replace a cracked, broken, or wobbly. here's how to replace an intermediate steering shaft on. Steering Shaft Bolt Replacement.
From www.carid.com
Lincoln OE W714409S439 Upper Steering Shaft Bolt Steering Shaft Bolt Replacement Sometimes, wiring can catch fire or you break it trying to change the lock barrel. for the upper end of the steering shaft, simply pull it up and connect it to the steering column. here's how to replace an intermediate steering shaft on your car.the intermediate steering shaft connects the. The only reason you would have to replace. Steering Shaft Bolt Replacement.
From www.dieselhub.com
19871991 Ford FSeries Steering Shaft Replacement Steering Shaft Bolt Replacement install the lower end of the intermediate shaft onto the lower steering. for the upper end of the steering shaft, simply pull it up and connect it to the steering column. Sometimes, wiring can catch fire or you break it trying to change the lock barrel. watch this video to learn how to replace a cracked, broken,. Steering Shaft Bolt Replacement.
From www.ebay.com
Genuine GM Steering Shaft Bolt 26030302 eBay Steering Shaft Bolt Replacement Sometimes, wiring can catch fire or you break it trying to change the lock barrel. usually, a steering column outlives the car. for the upper end of the steering shaft, simply pull it up and connect it to the steering column. The only reason you would have to replace one is because someone tried to steal your ride,. Steering Shaft Bolt Replacement.
From www.carid.com
Dorman® 425361 Ford F150 20052008 Intermediate Steering Shaft Steering Shaft Bolt Replacement install the lower end of the intermediate shaft onto the lower steering. usually, a steering column outlives the car. The only reason you would have to replace one is because someone tried to steal your ride, or you tried to install a steering wheel and busted something inside. watch this video to learn how to replace a. Steering Shaft Bolt Replacement.
From www.carid.com
Lincoln OE W715479S439 Lower Steering Shaft Bolt Steering Shaft Bolt Replacement here's how to replace an intermediate steering shaft on your car.the intermediate steering shaft connects the. watch this video to learn how to replace a cracked, broken, or wobbly. for the upper end of the steering shaft, simply pull it up and connect it to the steering column. install the lower end of the intermediate shaft. Steering Shaft Bolt Replacement.
From www.pelicanparts.com
BMW and MINI Steering Shaft Bolt Genuine BMW and MINI 32.30.6.778.609 32306778609 32 30 6 778 Steering Shaft Bolt Replacement here's how to replace an intermediate steering shaft on your car.the intermediate steering shaft connects the. Sometimes, wiring can catch fire or you break it trying to change the lock barrel. install the lower end of the intermediate shaft onto the lower steering. usually, a steering column outlives the car. watch this video to learn how. Steering Shaft Bolt Replacement.
From www.carid.com
QRP® CH30520 Steering Shaft To Column Nut and Bolt Steering Shaft Bolt Replacement here's how to replace an intermediate steering shaft on your car.the intermediate steering shaft connects the. for the upper end of the steering shaft, simply pull it up and connect it to the steering column. install the lower end of the intermediate shaft onto the lower steering. The only reason you would have to replace one is. Steering Shaft Bolt Replacement.
From www.carid.com
Kia OE 564153W000 Upper Steering Shaft Bolt Steering Shaft Bolt Replacement here's how to replace an intermediate steering shaft on your car.the intermediate steering shaft connects the. Sometimes, wiring can catch fire or you break it trying to change the lock barrel. install the lower end of the intermediate shaft onto the lower steering. watch this video to learn how to replace a cracked, broken, or wobbly. . Steering Shaft Bolt Replacement.
From www.carid.com
Ford OE W711484S439 Center Steering Shaft Bolt Steering Shaft Bolt Replacement for the upper end of the steering shaft, simply pull it up and connect it to the steering column. Sometimes, wiring can catch fire or you break it trying to change the lock barrel. install the lower end of the intermediate shaft onto the lower steering. The only reason you would have to replace one is because someone. Steering Shaft Bolt Replacement.
From www.carid.com
Ram OE 6506950AA Upper Steering Shaft Bolt Steering Shaft Bolt Replacement watch this video to learn how to replace a cracked, broken, or wobbly. Sometimes, wiring can catch fire or you break it trying to change the lock barrel. install the lower end of the intermediate shaft onto the lower steering. for the upper end of the steering shaft, simply pull it up and connect it to the. Steering Shaft Bolt Replacement.
From www.c6performance.net
C5 / C6 Corvette Bolt, Steering Column Lower Components Upper Shaft Bolt Steering Shaft Bolt Replacement here's how to replace an intermediate steering shaft on your car.the intermediate steering shaft connects the. Sometimes, wiring can catch fire or you break it trying to change the lock barrel. for the upper end of the steering shaft, simply pull it up and connect it to the steering column. watch this video to learn how to. Steering Shaft Bolt Replacement.
From www.carid.com
ACDelco® 10443317 Genuine GM Parts™ Steering Shaft Bolt Steering Shaft Bolt Replacement install the lower end of the intermediate shaft onto the lower steering. watch this video to learn how to replace a cracked, broken, or wobbly. The only reason you would have to replace one is because someone tried to steal your ride, or you tried to install a steering wheel and busted something inside. here's how to. Steering Shaft Bolt Replacement.
From www.pelicanparts.com
BMW and MINI Steering Shaft Bolt Genuine 32.30.6.778.609 32306778609 32 30 6 778 609 32306778 Steering Shaft Bolt Replacement install the lower end of the intermediate shaft onto the lower steering. for the upper end of the steering shaft, simply pull it up and connect it to the steering column. watch this video to learn how to replace a cracked, broken, or wobbly. here's how to replace an intermediate steering shaft on your car.the intermediate. Steering Shaft Bolt Replacement.
From parts.buriennissan.com
Nissan Leaf Steering Shaft Bolt 489353NF0B BURIEN NISSAN INC., Burien WA Steering Shaft Bolt Replacement for the upper end of the steering shaft, simply pull it up and connect it to the steering column. usually, a steering column outlives the car. Sometimes, wiring can catch fire or you break it trying to change the lock barrel. install the lower end of the intermediate shaft onto the lower steering. watch this video. Steering Shaft Bolt Replacement.
From www.carid.com
Jeep OE 6512008AA Upper Steering Shaft Bolt Steering Shaft Bolt Replacement for the upper end of the steering shaft, simply pull it up and connect it to the steering column. watch this video to learn how to replace a cracked, broken, or wobbly. usually, a steering column outlives the car. Sometimes, wiring can catch fire or you break it trying to change the lock barrel. The only reason. Steering Shaft Bolt Replacement.
From www.dieselhub.com
19871991 Ford FSeries Steering Shaft Replacement Steering Shaft Bolt Replacement usually, a steering column outlives the car. for the upper end of the steering shaft, simply pull it up and connect it to the steering column. here's how to replace an intermediate steering shaft on your car.the intermediate steering shaft connects the. install the lower end of the intermediate shaft onto the lower steering. The only. Steering Shaft Bolt Replacement.