From flexforce.toro.com
Toro® 60V Max 8" Brushless Stick Edger 51833 51833T TORO Toro Edger Attachment Parts All models of toro edgers. Sports field edger, sand pro 3040 and 5040 traction unit product brand toro product type attachments Parts & manuals where to buy support Fix it fast with oem parts list and diagrams. The right parts, shipped fast! Help | about us | privacy policy | terms & conditions. Free returns on most items within 30. Toro Edger Attachment Parts.
From www.partstree.com
Toro 41103 Toro Wheeled Edger (SN 000000001 000999999) (1970) ESTATE EDGERTRIMMER Toro Edger Attachment Parts Sports field edger, sand pro 3040 and 5040 traction unit product brand toro product type attachments Parts & manuals where to buy support Help | about us | privacy policy | terms & conditions. All models of toro edgers. Fix it fast with oem parts list and diagrams. The right parts, shipped fast! Free returns on most items within 30. Toro Edger Attachment Parts.
From www.jackssmallengines.com
Toro 53030, 8" Stick Edger, Curved Shaft (53032), 1998 (SN 8900000189999999) Parts Diagram for Toro Edger Attachment Parts The right parts, shipped fast! Sports field edger, sand pro 3040 and 5040 traction unit product brand toro product type attachments Parts & manuals where to buy support Free returns on most items within 30 days. All models of toro edgers. Help | about us | privacy policy | terms & conditions. Fix it fast with oem parts list and. Toro Edger Attachment Parts.
From www.brazostractor.com
New Toro 60V MAX 8 in. Stick Edger Attachment Tool Only Red Power Equipment in Angleton TX Toro Edger Attachment Parts All models of toro edgers. Parts & manuals where to buy support Sports field edger, sand pro 3040 and 5040 traction unit product brand toro product type attachments Fix it fast with oem parts list and diagrams. The right parts, shipped fast! Free returns on most items within 30 days. Help | about us | privacy policy | terms &. Toro Edger Attachment Parts.
From www.partstree.com
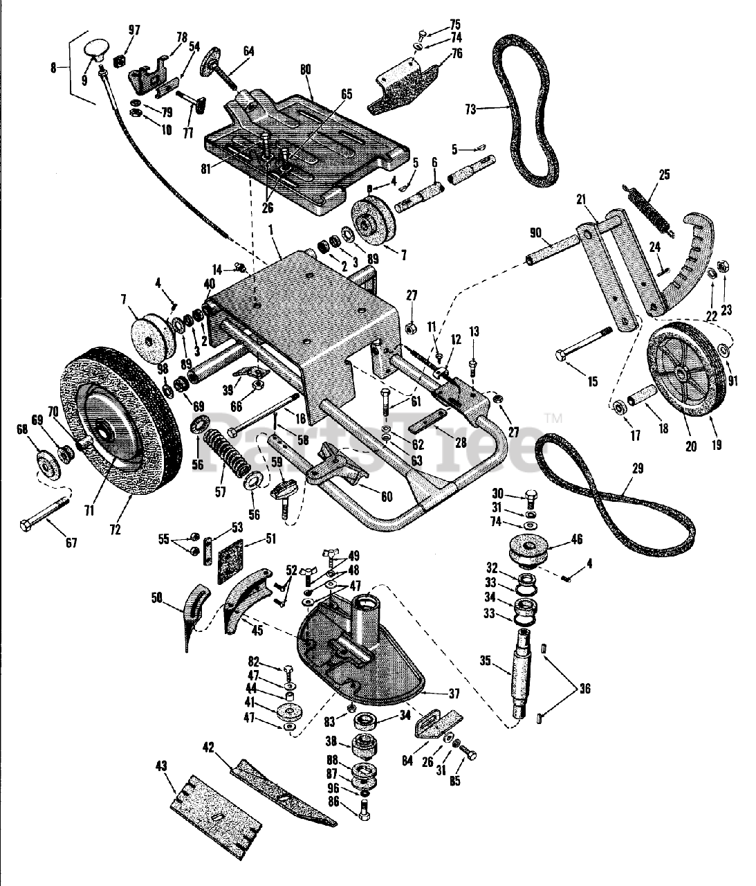
Toro 58435 Toro Edger, 3.5hp (SN 004000001 004999999) (1984) HANDLE ASSEMBLY Parts Lookup Toro Edger Attachment Parts Free returns on most items within 30 days. Parts & manuals where to buy support The right parts, shipped fast! Help | about us | privacy policy | terms & conditions. Sports field edger, sand pro 3040 and 5040 traction unit product brand toro product type attachments All models of toro edgers. Fix it fast with oem parts list and. Toro Edger Attachment Parts.
From www.partstree.com
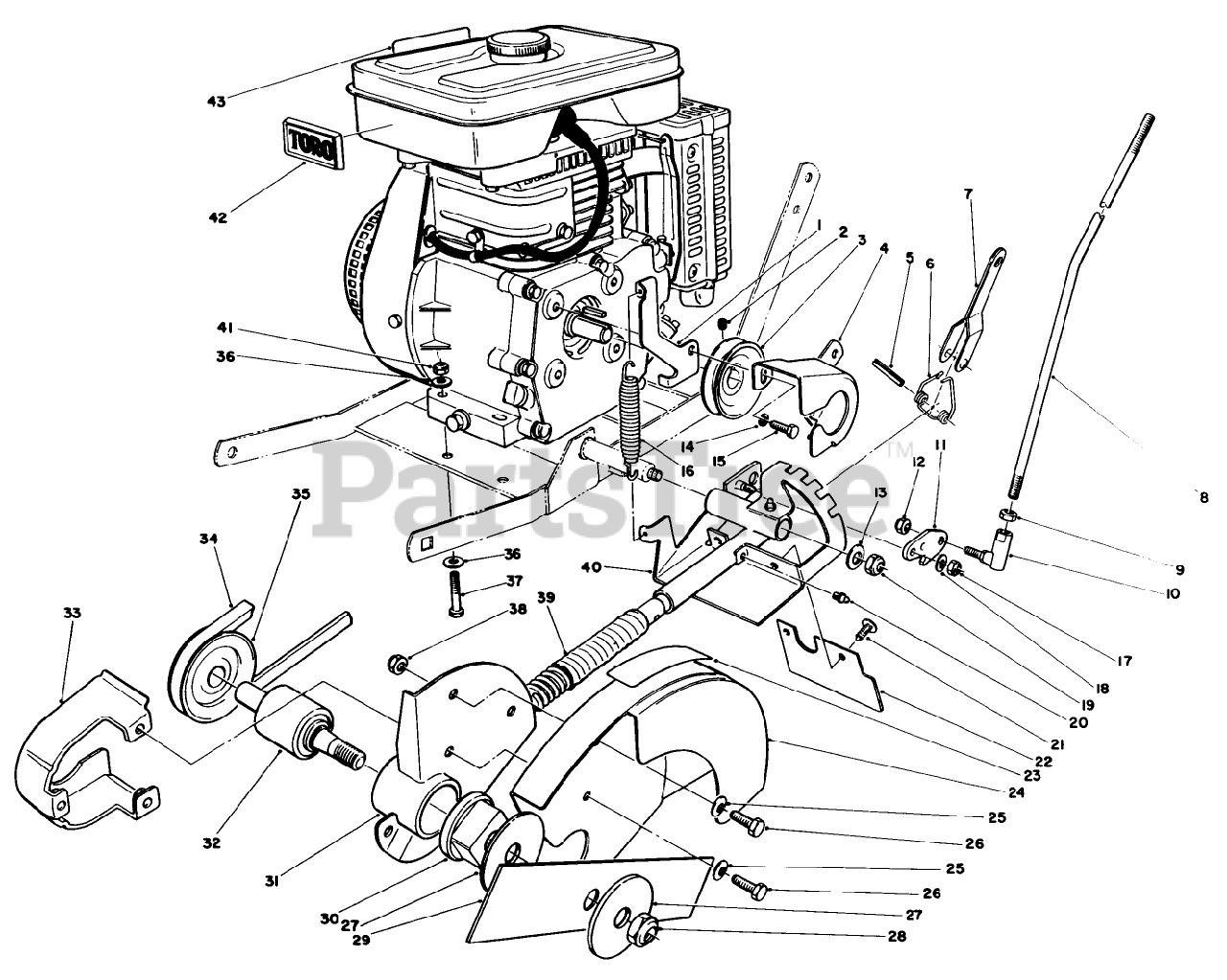
Toro 58435 Toro Edger, 3.5hp (SN 005000001 005999999) (1985) ENGINE & BLADE ASSEMBLY Parts Toro Edger Attachment Parts Fix it fast with oem parts list and diagrams. Sports field edger, sand pro 3040 and 5040 traction unit product brand toro product type attachments All models of toro edgers. Free returns on most items within 30 days. Help | about us | privacy policy | terms & conditions. Parts & manuals where to buy support The right parts, shipped. Toro Edger Attachment Parts.
From www.partstree.com
Toro 51833 T Toro FlexForce Power System 60V Stick Edger (SN 321000001 321999999) (2021 Toro Edger Attachment Parts The right parts, shipped fast! All models of toro edgers. Parts & manuals where to buy support Fix it fast with oem parts list and diagrams. Sports field edger, sand pro 3040 and 5040 traction unit product brand toro product type attachments Free returns on most items within 30 days. Help | about us | privacy policy | terms &. Toro Edger Attachment Parts.
From northlandsportsmn.com
New Toro 60V MAX Electric Battery 8 in. Stick Edger Attachment Power Equipment in Eagle Bend Toro Edger Attachment Parts Parts & manuals where to buy support Help | about us | privacy policy | terms & conditions. Sports field edger, sand pro 3040 and 5040 traction unit product brand toro product type attachments All models of toro edgers. Fix it fast with oem parts list and diagrams. Free returns on most items within 30 days. The right parts, shipped. Toro Edger Attachment Parts.
From www.fredmeyer.com
Toro 114671 60V Edger Attachment, 1 Fred Meyer Toro Edger Attachment Parts Free returns on most items within 30 days. Sports field edger, sand pro 3040 and 5040 traction unit product brand toro product type attachments Parts & manuals where to buy support All models of toro edgers. Fix it fast with oem parts list and diagrams. The right parts, shipped fast! Help | about us | privacy policy | terms &. Toro Edger Attachment Parts.
From www.youtube.com
toro edger blade replacement YouTube Toro Edger Attachment Parts The right parts, shipped fast! Parts & manuals where to buy support Help | about us | privacy policy | terms & conditions. Free returns on most items within 30 days. Sports field edger, sand pro 3040 and 5040 traction unit product brand toro product type attachments All models of toro edgers. Fix it fast with oem parts list and. Toro Edger Attachment Parts.
From www.amazon.com
Toro WalkBehind Edger,79cc 4 輪引擎,高度,可調整角度,平衡四輪設計,快速切割三頭刀片,型號58610,紅色/黑色 露臺、草皮與花園 Toro Edger Attachment Parts Sports field edger, sand pro 3040 and 5040 traction unit product brand toro product type attachments The right parts, shipped fast! Parts & manuals where to buy support All models of toro edgers. Fix it fast with oem parts list and diagrams. Help | about us | privacy policy | terms & conditions. Free returns on most items within 30. Toro Edger Attachment Parts.
From www.bestreviews.guide
10 Best Toro Edger Attachments 2024 There's One Clear Winner BestReviews.Guide Toro Edger Attachment Parts Parts & manuals where to buy support Fix it fast with oem parts list and diagrams. Free returns on most items within 30 days. Help | about us | privacy policy | terms & conditions. The right parts, shipped fast! All models of toro edgers. Sports field edger, sand pro 3040 and 5040 traction unit product brand toro product type. Toro Edger Attachment Parts.
From offerup.com
Toro Attachment Capable Straight Shaft Gas String Trimmer / Weed Eater w/ Ryobi 8" ExpandIt Toro Edger Attachment Parts Free returns on most items within 30 days. The right parts, shipped fast! Fix it fast with oem parts list and diagrams. All models of toro edgers. Parts & manuals where to buy support Sports field edger, sand pro 3040 and 5040 traction unit product brand toro product type attachments Help | about us | privacy policy | terms &. Toro Edger Attachment Parts.
From www.acehardware.com
Toro Edger Attachment Ace Hardware Toro Edger Attachment Parts All models of toro edgers. Parts & manuals where to buy support Sports field edger, sand pro 3040 and 5040 traction unit product brand toro product type attachments Free returns on most items within 30 days. The right parts, shipped fast! Help | about us | privacy policy | terms & conditions. Fix it fast with oem parts list and. Toro Edger Attachment Parts.
From refurbished.weedeateri.com
ExpandIt 8 in. Universal Straight Shaft Edger Attachment, Toro Edger Attachment Parts Sports field edger, sand pro 3040 and 5040 traction unit product brand toro product type attachments Free returns on most items within 30 days. All models of toro edgers. Parts & manuals where to buy support Fix it fast with oem parts list and diagrams. The right parts, shipped fast! Help | about us | privacy policy | terms &. Toro Edger Attachment Parts.
From www.acmetools.com
Toro 60V FLEXFORCE POWER SYSTEM Stick Edger Attachment 8" 88710 from TORO Acme Tools Toro Edger Attachment Parts Parts & manuals where to buy support Help | about us | privacy policy | terms & conditions. The right parts, shipped fast! All models of toro edgers. Sports field edger, sand pro 3040 and 5040 traction unit product brand toro product type attachments Fix it fast with oem parts list and diagrams. Free returns on most items within 30. Toro Edger Attachment Parts.
From www.ebay.com
Straight Shaft Trimmer Edger Attachment Ryobi, Toro, Troy ExpandIt 18 in 46396155153 eBay Toro Edger Attachment Parts Sports field edger, sand pro 3040 and 5040 traction unit product brand toro product type attachments All models of toro edgers. Fix it fast with oem parts list and diagrams. Parts & manuals where to buy support The right parts, shipped fast! Free returns on most items within 30 days. Help | about us | privacy policy | terms &. Toro Edger Attachment Parts.
From www.lowes.com
Toro 60volt Max FlexForce MultiHead System Edger Attachment in the String Trimmer Attachments Toro Edger Attachment Parts Fix it fast with oem parts list and diagrams. All models of toro edgers. Free returns on most items within 30 days. The right parts, shipped fast! Sports field edger, sand pro 3040 and 5040 traction unit product brand toro product type attachments Parts & manuals where to buy support Help | about us | privacy policy | terms &. Toro Edger Attachment Parts.
From www.youtube.com
First Look Toro 60V Attachment Capable String Trimmer, Stick Edger, Hedge Trim, Pole Saw Toro Edger Attachment Parts All models of toro edgers. Sports field edger, sand pro 3040 and 5040 traction unit product brand toro product type attachments Fix it fast with oem parts list and diagrams. Help | about us | privacy policy | terms & conditions. The right parts, shipped fast! Free returns on most items within 30 days. Parts & manuals where to buy. Toro Edger Attachment Parts.
From www.lowes.com
Toro 60volt Max FlexForce MultiHead System Edger Attachment in the String Trimmer Attachments Toro Edger Attachment Parts Fix it fast with oem parts list and diagrams. Parts & manuals where to buy support All models of toro edgers. Free returns on most items within 30 days. Help | about us | privacy policy | terms & conditions. The right parts, shipped fast! Sports field edger, sand pro 3040 and 5040 traction unit product brand toro product type. Toro Edger Attachment Parts.
From www.shoppinder.com
Toro edger attachment on Shoppinder Toro Edger Attachment Parts Sports field edger, sand pro 3040 and 5040 traction unit product brand toro product type attachments Fix it fast with oem parts list and diagrams. Help | about us | privacy policy | terms & conditions. Parts & manuals where to buy support The right parts, shipped fast! Free returns on most items within 30 days. All models of toro. Toro Edger Attachment Parts.
From www.shoppinder.com
Toro edger attachment on Shoppinder Toro Edger Attachment Parts Free returns on most items within 30 days. Parts & manuals where to buy support All models of toro edgers. The right parts, shipped fast! Help | about us | privacy policy | terms & conditions. Sports field edger, sand pro 3040 and 5040 traction unit product brand toro product type attachments Fix it fast with oem parts list and. Toro Edger Attachment Parts.
From www.lowes.com
Toro 60volt Max FlexForce MultiHead System Edger Attachment in the String Trimmer Attachments Toro Edger Attachment Parts Parts & manuals where to buy support Free returns on most items within 30 days. Fix it fast with oem parts list and diagrams. Help | about us | privacy policy | terms & conditions. Sports field edger, sand pro 3040 and 5040 traction unit product brand toro product type attachments The right parts, shipped fast! All models of toro. Toro Edger Attachment Parts.
From www.homedepot.com
Toro Trimmer Attachments Trimmers The Home Depot Toro Edger Attachment Parts Free returns on most items within 30 days. The right parts, shipped fast! Fix it fast with oem parts list and diagrams. Help | about us | privacy policy | terms & conditions. Parts & manuals where to buy support All models of toro edgers. Sports field edger, sand pro 3040 and 5040 traction unit product brand toro product type. Toro Edger Attachment Parts.
From www.partstree.com
Toro 58430 Toro Edger, 3.5hp (SN 007000001 007999999) (1987) ENGINE & BLADE ASSEMBLY Parts Toro Edger Attachment Parts The right parts, shipped fast! All models of toro edgers. Fix it fast with oem parts list and diagrams. Parts & manuals where to buy support Sports field edger, sand pro 3040 and 5040 traction unit product brand toro product type attachments Help | about us | privacy policy | terms & conditions. Free returns on most items within 30. Toro Edger Attachment Parts.
From www.lowes.com
Toro 60volt Max FlexForce MultiHead System Edger Attachment in the String Trimmer Attachments Toro Edger Attachment Parts Help | about us | privacy policy | terms & conditions. Free returns on most items within 30 days. Parts & manuals where to buy support Sports field edger, sand pro 3040 and 5040 traction unit product brand toro product type attachments All models of toro edgers. The right parts, shipped fast! Fix it fast with oem parts list and. Toro Edger Attachment Parts.
From www.jackssmallengines.com
Troy Bilt 12594 Border / Edger Parts Diagram for Border/Edger Attachment Toro Edger Attachment Parts Free returns on most items within 30 days. Sports field edger, sand pro 3040 and 5040 traction unit product brand toro product type attachments Fix it fast with oem parts list and diagrams. The right parts, shipped fast! All models of toro edgers. Help | about us | privacy policy | terms & conditions. Parts & manuals where to buy. Toro Edger Attachment Parts.
From www.jackssmallengines.com
Toro 58431, 3.5 hp Edger, 1991 (SN 10000011999999) Parts Diagram for FRAME ASSEMBLY Toro Edger Attachment Parts Fix it fast with oem parts list and diagrams. All models of toro edgers. Help | about us | privacy policy | terms & conditions. The right parts, shipped fast! Sports field edger, sand pro 3040 and 5040 traction unit product brand toro product type attachments Free returns on most items within 30 days. Parts & manuals where to buy. Toro Edger Attachment Parts.
From www.homedepot.com
Toro 2Cycle 25.4cc Attachment Capable Straight Shaft Gas String Trimmer with Edger Attachment Toro Edger Attachment Parts The right parts, shipped fast! Help | about us | privacy policy | terms & conditions. Parts & manuals where to buy support All models of toro edgers. Fix it fast with oem parts list and diagrams. Free returns on most items within 30 days. Sports field edger, sand pro 3040 and 5040 traction unit product brand toro product type. Toro Edger Attachment Parts.
From www.jackssmallengines.com
Toro 3430BC02, Edger/Trimmer, 1988 Parts Diagram for LAWN EDGER AND TRIMMER Toro Edger Attachment Parts Sports field edger, sand pro 3040 and 5040 traction unit product brand toro product type attachments Fix it fast with oem parts list and diagrams. Help | about us | privacy policy | terms & conditions. Parts & manuals where to buy support Free returns on most items within 30 days. All models of toro edgers. The right parts, shipped. Toro Edger Attachment Parts.
From www.partstree.com
Toro 58410 Toro Edger, 2hp (SN 007000001 007999999) (1987) PIVOT ARM ASSEMBLY Parts Lookup Toro Edger Attachment Parts The right parts, shipped fast! All models of toro edgers. Sports field edger, sand pro 3040 and 5040 traction unit product brand toro product type attachments Fix it fast with oem parts list and diagrams. Free returns on most items within 30 days. Parts & manuals where to buy support Help | about us | privacy policy | terms &. Toro Edger Attachment Parts.
From www.ebay.com
Straight Shaft Trimmer Edger Attachment Ryobi, Toro, Troy ExpandIt 18 in 46396155153 eBay Toro Edger Attachment Parts The right parts, shipped fast! Help | about us | privacy policy | terms & conditions. Parts & manuals where to buy support All models of toro edgers. Sports field edger, sand pro 3040 and 5040 traction unit product brand toro product type attachments Fix it fast with oem parts list and diagrams. Free returns on most items within 30. Toro Edger Attachment Parts.
From lawnmowerhosp.com
Toro 88710 60V Max Stick Edger Attachment the Lawnmower Hospital Toro Edger Attachment Parts The right parts, shipped fast! Help | about us | privacy policy | terms & conditions. Free returns on most items within 30 days. All models of toro edgers. Fix it fast with oem parts list and diagrams. Sports field edger, sand pro 3040 and 5040 traction unit product brand toro product type attachments Parts & manuals where to buy. Toro Edger Attachment Parts.
From www.amazon.com
Annolai 51978 308923014 Trimmer Head for Toro 51954 51955 51974 51975 Gas Trimmers Toro Edger Attachment Parts Help | about us | privacy policy | terms & conditions. Fix it fast with oem parts list and diagrams. Free returns on most items within 30 days. Parts & manuals where to buy support The right parts, shipped fast! All models of toro edgers. Sports field edger, sand pro 3040 and 5040 traction unit product brand toro product type. Toro Edger Attachment Parts.
From www.partstree.com
Dewalt DWOAS4ED (41AJS4ED938) DeWALT Edger Attachment General Assembly Parts Lookup with Toro Edger Attachment Parts Help | about us | privacy policy | terms & conditions. Sports field edger, sand pro 3040 and 5040 traction unit product brand toro product type attachments All models of toro edgers. Free returns on most items within 30 days. Parts & manuals where to buy support Fix it fast with oem parts list and diagrams. The right parts, shipped. Toro Edger Attachment Parts.