What Is Iso 4017 . iso 4017:2022(e) foreword iso (the international organization for standardization) is a worldwide federation. This document specifies the characteristics of hexagon head screws, in steel and stainless steel, with metric. iso 4017:2014 specifies the characteristics of hexagon head screws with threads from m1,6 up to and including m64, of product. iso 4017:2014(e) introduction this international standard belongs to a complete family of product standards developed by. iso 4017 pn 82105 ni 5739 e 24017 legend: this document specifies the characteristics of hexagon head screws, in steel and stainless steel, with metric coarse pitch. Determine if you need a fully threaded bolt.
from www.scribd.com
This document specifies the characteristics of hexagon head screws, in steel and stainless steel, with metric. this document specifies the characteristics of hexagon head screws, in steel and stainless steel, with metric coarse pitch. iso 4017:2022(e) foreword iso (the international organization for standardization) is a worldwide federation. iso 4017:2014(e) introduction this international standard belongs to a complete family of product standards developed by. iso 4017 pn 82105 ni 5739 e 24017 legend: iso 4017:2014 specifies the characteristics of hexagon head screws with threads from m1,6 up to and including m64, of product. Determine if you need a fully threaded bolt.
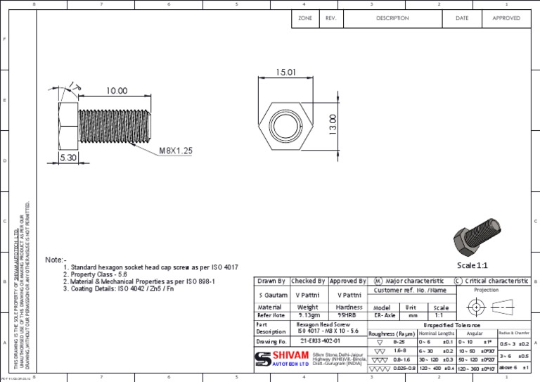
Hexagon Head Screw ISO 4017 M8 X 10 5.6 PDF Screw Metalworking
What Is Iso 4017 this document specifies the characteristics of hexagon head screws, in steel and stainless steel, with metric coarse pitch. Determine if you need a fully threaded bolt. this document specifies the characteristics of hexagon head screws, in steel and stainless steel, with metric coarse pitch. iso 4017:2014(e) introduction this international standard belongs to a complete family of product standards developed by. This document specifies the characteristics of hexagon head screws, in steel and stainless steel, with metric. iso 4017:2022(e) foreword iso (the international organization for standardization) is a worldwide federation. iso 4017 pn 82105 ni 5739 e 24017 legend: iso 4017:2014 specifies the characteristics of hexagon head screws with threads from m1,6 up to and including m64, of product.
From www.en-standard.eu
ISO 4017 What Is Iso 4017 iso 4017:2022(e) foreword iso (the international organization for standardization) is a worldwide federation. This document specifies the characteristics of hexagon head screws, in steel and stainless steel, with metric. iso 4017:2014 specifies the characteristics of hexagon head screws with threads from m1,6 up to and including m64, of product. iso 4017:2014(e) introduction this international standard belongs to. What Is Iso 4017.
From eurobolt.com.pl
DIN 933 / ISO 4017 / PN 82105 fully threaded bolts EUROBOLT What Is Iso 4017 iso 4017:2022(e) foreword iso (the international organization for standardization) is a worldwide federation. this document specifies the characteristics of hexagon head screws, in steel and stainless steel, with metric coarse pitch. Determine if you need a fully threaded bolt. iso 4017 pn 82105 ni 5739 e 24017 legend: This document specifies the characteristics of hexagon head screws,. What Is Iso 4017.
From www.der-schraubenladen.de
DIN 933/ISO 4017 Sechskantschraube TuflokFleck beschichtet What Is Iso 4017 this document specifies the characteristics of hexagon head screws, in steel and stainless steel, with metric coarse pitch. iso 4017:2014 specifies the characteristics of hexagon head screws with threads from m1,6 up to and including m64, of product. This document specifies the characteristics of hexagon head screws, in steel and stainless steel, with metric. iso 4017 pn. What Is Iso 4017.
From www.scribd.com
ISO 4017DIN 933 What Is Iso 4017 this document specifies the characteristics of hexagon head screws, in steel and stainless steel, with metric coarse pitch. iso 4017:2014(e) introduction this international standard belongs to a complete family of product standards developed by. This document specifies the characteristics of hexagon head screws, in steel and stainless steel, with metric. iso 4017:2022(e) foreword iso (the international organization. What Is Iso 4017.
From ressources.cpi.blog.over-blog.com
ISO 4017 Le blog de What Is Iso 4017 iso 4017:2022(e) foreword iso (the international organization for standardization) is a worldwide federation. This document specifies the characteristics of hexagon head screws, in steel and stainless steel, with metric. iso 4017:2014 specifies the characteristics of hexagon head screws with threads from m1,6 up to and including m64, of product. Determine if you need a fully threaded bolt. . What Is Iso 4017.
From www.screwnutbolts.com
ISO 4017 Full Thread Hex Bolt Coarse Wind Energy Fasteners Dacromet What Is Iso 4017 This document specifies the characteristics of hexagon head screws, in steel and stainless steel, with metric. iso 4017:2014 specifies the characteristics of hexagon head screws with threads from m1,6 up to and including m64, of product. this document specifies the characteristics of hexagon head screws, in steel and stainless steel, with metric coarse pitch. iso 4017:2022(e) foreword. What Is Iso 4017.
From www.scribd.com
ISO 4017 Screw Joining What Is Iso 4017 iso 4017 pn 82105 ni 5739 e 24017 legend: this document specifies the characteristics of hexagon head screws, in steel and stainless steel, with metric coarse pitch. iso 4017:2014 specifies the characteristics of hexagon head screws with threads from m1,6 up to and including m64, of product. This document specifies the characteristics of hexagon head screws, in. What Is Iso 4017.
From www.vis-express.fr
TOLERANCES ISO 4017 What Is Iso 4017 This document specifies the characteristics of hexagon head screws, in steel and stainless steel, with metric. iso 4017:2014 specifies the characteristics of hexagon head screws with threads from m1,6 up to and including m64, of product. iso 4017:2014(e) introduction this international standard belongs to a complete family of product standards developed by. iso 4017:2022(e) foreword iso (the. What Is Iso 4017.
From www.chinafastenerinfo.net
DIN EN ISO 4017Replace DIN 933 Hexagon head screws Product grade A What Is Iso 4017 iso 4017:2022(e) foreword iso (the international organization for standardization) is a worldwide federation. iso 4017:2014(e) introduction this international standard belongs to a complete family of product standards developed by. This document specifies the characteristics of hexagon head screws, in steel and stainless steel, with metric. this document specifies the characteristics of hexagon head screws, in steel and. What Is Iso 4017.
From www.esska-tech.co.uk
Hex bolt with continuous thread DIN 933 / ISO 4017 What Is Iso 4017 This document specifies the characteristics of hexagon head screws, in steel and stainless steel, with metric. iso 4017:2014(e) introduction this international standard belongs to a complete family of product standards developed by. Determine if you need a fully threaded bolt. this document specifies the characteristics of hexagon head screws, in steel and stainless steel, with metric coarse pitch.. What Is Iso 4017.
From gbu-taganskij.ru
DIN 933/ISO 4017 A2 STAINLESS Maryland Metrics, 54 OFF What Is Iso 4017 iso 4017:2014 specifies the characteristics of hexagon head screws with threads from m1,6 up to and including m64, of product. iso 4017 pn 82105 ni 5739 e 24017 legend: Determine if you need a fully threaded bolt. This document specifies the characteristics of hexagon head screws, in steel and stainless steel, with metric. this document specifies the. What Is Iso 4017.
From www.worldfastener.com
ISO 4017 Hexagon Head Screws Fasteners, Bolt, Nut, Screw What Is Iso 4017 iso 4017:2014 specifies the characteristics of hexagon head screws with threads from m1,6 up to and including m64, of product. Determine if you need a fully threaded bolt. iso 4017 pn 82105 ni 5739 e 24017 legend: iso 4017:2014(e) introduction this international standard belongs to a complete family of product standards developed by. This document specifies the. What Is Iso 4017.
From eshop.wurth.co.uk
Buy ISO 4017 stainless steel A2 80 plain online What Is Iso 4017 This document specifies the characteristics of hexagon head screws, in steel and stainless steel, with metric. this document specifies the characteristics of hexagon head screws, in steel and stainless steel, with metric coarse pitch. iso 4017 pn 82105 ni 5739 e 24017 legend: iso 4017:2022(e) foreword iso (the international organization for standardization) is a worldwide federation. . What Is Iso 4017.
From www.pipingmaterial.ae
ISO 4017 bolts DIN 4017 hex bolt / socket head cap screws suppliers What Is Iso 4017 iso 4017 pn 82105 ni 5739 e 24017 legend: iso 4017:2014 specifies the characteristics of hexagon head screws with threads from m1,6 up to and including m64, of product. Determine if you need a fully threaded bolt. this document specifies the characteristics of hexagon head screws, in steel and stainless steel, with metric coarse pitch. This document. What Is Iso 4017.
From brooksforgings.co.uk
ISO 4017 / DIN 933 Hexagon Bolts Brooks What Is Iso 4017 this document specifies the characteristics of hexagon head screws, in steel and stainless steel, with metric coarse pitch. Determine if you need a fully threaded bolt. iso 4017 pn 82105 ni 5739 e 24017 legend: iso 4017:2022(e) foreword iso (the international organization for standardization) is a worldwide federation. iso 4017:2014(e) introduction this international standard belongs to. What Is Iso 4017.
From www.beaconcorporation.co.uk
ISO 4017 Dimensions Beacon Corporation What Is Iso 4017 Determine if you need a fully threaded bolt. iso 4017:2014 specifies the characteristics of hexagon head screws with threads from m1,6 up to and including m64, of product. iso 4017:2022(e) foreword iso (the international organization for standardization) is a worldwide federation. iso 4017:2014(e) introduction this international standard belongs to a complete family of product standards developed by.. What Is Iso 4017.
From bulongquangthai.vn
Tiêu Chuẩn Kích Thước Bulong ISO 4017 Bulong Quang Thái What Is Iso 4017 This document specifies the characteristics of hexagon head screws, in steel and stainless steel, with metric. iso 4017:2022(e) foreword iso (the international organization for standardization) is a worldwide federation. iso 4017 pn 82105 ni 5739 e 24017 legend: iso 4017:2014(e) introduction this international standard belongs to a complete family of product standards developed by. this document. What Is Iso 4017.
From www.scribd.com
Hexagon Head Screw ISO 4017 M8 X 10 5.6 PDF Screw Metalworking What Is Iso 4017 iso 4017:2014 specifies the characteristics of hexagon head screws with threads from m1,6 up to and including m64, of product. iso 4017:2022(e) foreword iso (the international organization for standardization) is a worldwide federation. iso 4017 pn 82105 ni 5739 e 24017 legend: iso 4017:2014(e) introduction this international standard belongs to a complete family of product standards. What Is Iso 4017.
From www.pipingmaterial.ae
ISO 4017 bolts DIN 4017 hex bolt / socket head cap screws suppliers What Is Iso 4017 iso 4017 pn 82105 ni 5739 e 24017 legend: iso 4017:2014 specifies the characteristics of hexagon head screws with threads from m1,6 up to and including m64, of product. iso 4017:2014(e) introduction this international standard belongs to a complete family of product standards developed by. iso 4017:2022(e) foreword iso (the international organization for standardization) is a. What Is Iso 4017.
From www.en-standard.eu
DIN EN ISO 4017 European Standards What Is Iso 4017 This document specifies the characteristics of hexagon head screws, in steel and stainless steel, with metric. iso 4017 pn 82105 ni 5739 e 24017 legend: iso 4017:2014 specifies the characteristics of hexagon head screws with threads from m1,6 up to and including m64, of product. this document specifies the characteristics of hexagon head screws, in steel and. What Is Iso 4017.
From www.schraubenhandel24.de
ISO 4017 Sechskantschraube mit Gewinde bis Kopf What Is Iso 4017 iso 4017:2022(e) foreword iso (the international organization for standardization) is a worldwide federation. Determine if you need a fully threaded bolt. This document specifies the characteristics of hexagon head screws, in steel and stainless steel, with metric. iso 4017:2014 specifies the characteristics of hexagon head screws with threads from m1,6 up to and including m64, of product. . What Is Iso 4017.
From shop.recanorm.de
Buy Hexagon head bolt with nut, ISO 4017/ISO 4032 8.8 hotdip What Is Iso 4017 this document specifies the characteristics of hexagon head screws, in steel and stainless steel, with metric coarse pitch. iso 4017:2022(e) foreword iso (the international organization for standardization) is a worldwide federation. Determine if you need a fully threaded bolt. iso 4017:2014 specifies the characteristics of hexagon head screws with threads from m1,6 up to and including m64,. What Is Iso 4017.
From torqbolt.com
ISO 4017 Hexagon Head Screws Dimensions Standards Specifications What Is Iso 4017 iso 4017:2022(e) foreword iso (the international organization for standardization) is a worldwide federation. Determine if you need a fully threaded bolt. This document specifies the characteristics of hexagon head screws, in steel and stainless steel, with metric. iso 4017:2014(e) introduction this international standard belongs to a complete family of product standards developed by. this document specifies the. What Is Iso 4017.
From www.pipingmaterial.ae
ISO 4017 bolts DIN 4017 hex bolt / socket head cap screws suppliers What Is Iso 4017 iso 4017:2014 specifies the characteristics of hexagon head screws with threads from m1,6 up to and including m64, of product. iso 4017:2022(e) foreword iso (the international organization for standardization) is a worldwide federation. this document specifies the characteristics of hexagon head screws, in steel and stainless steel, with metric coarse pitch. iso 4017:2014(e) introduction this international. What Is Iso 4017.
From www.eraformindustries.com
EN ISO 4017 What Is Iso 4017 iso 4017:2014(e) introduction this international standard belongs to a complete family of product standards developed by. Determine if you need a fully threaded bolt. this document specifies the characteristics of hexagon head screws, in steel and stainless steel, with metric coarse pitch. iso 4017:2022(e) foreword iso (the international organization for standardization) is a worldwide federation. iso. What Is Iso 4017.
From eurobolt.com.pl
Bolts according to ISO 4014 / ISO 4017 EUROBOLT What Is Iso 4017 iso 4017:2014 specifies the characteristics of hexagon head screws with threads from m1,6 up to and including m64, of product. iso 4017 pn 82105 ni 5739 e 24017 legend: iso 4017:2014(e) introduction this international standard belongs to a complete family of product standards developed by. iso 4017:2022(e) foreword iso (the international organization for standardization) is a. What Is Iso 4017.
From eshop.wurth.fr
Vis tête hexagonale ISO 4017 WURTH What Is Iso 4017 iso 4017 pn 82105 ni 5739 e 24017 legend: Determine if you need a fully threaded bolt. This document specifies the characteristics of hexagon head screws, in steel and stainless steel, with metric. this document specifies the characteristics of hexagon head screws, in steel and stainless steel, with metric coarse pitch. iso 4017:2014(e) introduction this international standard. What Is Iso 4017.
From bulongalpha.vn
Bulong tiêu chuẩn quốc tế ISO 4017 Alpha Fastener What Is Iso 4017 this document specifies the characteristics of hexagon head screws, in steel and stainless steel, with metric coarse pitch. iso 4017 pn 82105 ni 5739 e 24017 legend: iso 4017:2014(e) introduction this international standard belongs to a complete family of product standards developed by. iso 4017:2014 specifies the characteristics of hexagon head screws with threads from m1,6. What Is Iso 4017.
From www.pipingmaterial.ae
ISO 4017 bolts DIN 4017 hex bolt / socket head cap screws suppliers What Is Iso 4017 Determine if you need a fully threaded bolt. iso 4017:2014 specifies the characteristics of hexagon head screws with threads from m1,6 up to and including m64, of product. This document specifies the characteristics of hexagon head screws, in steel and stainless steel, with metric. iso 4017 pn 82105 ni 5739 e 24017 legend: iso 4017:2014(e) introduction this. What Is Iso 4017.
From www.pipingmaterial.ae
ISO 4017 bolts DIN 4017 hex bolt / socket head cap screws suppliers What Is Iso 4017 iso 4017:2014 specifies the characteristics of hexagon head screws with threads from m1,6 up to and including m64, of product. This document specifies the characteristics of hexagon head screws, in steel and stainless steel, with metric. iso 4017:2022(e) foreword iso (the international organization for standardization) is a worldwide federation. iso 4017:2014(e) introduction this international standard belongs to. What Is Iso 4017.
From www.fasteners.eu
ISO 4017 Hexagon head bolts with thread up to head What Is Iso 4017 iso 4017 pn 82105 ni 5739 e 24017 legend: iso 4017:2014 specifies the characteristics of hexagon head screws with threads from m1,6 up to and including m64, of product. This document specifies the characteristics of hexagon head screws, in steel and stainless steel, with metric. Determine if you need a fully threaded bolt. this document specifies the. What Is Iso 4017.
From www.pts-uk.com
Hexagon Head Set Screws ISO 4017 What Is Iso 4017 iso 4017 pn 82105 ni 5739 e 24017 legend: Determine if you need a fully threaded bolt. iso 4017:2022(e) foreword iso (the international organization for standardization) is a worldwide federation. This document specifies the characteristics of hexagon head screws, in steel and stainless steel, with metric. iso 4017:2014 specifies the characteristics of hexagon head screws with threads. What Is Iso 4017.
From www.scribd.com
Din en Iso 4017 PDF Nut (Hardware) Screw What Is Iso 4017 this document specifies the characteristics of hexagon head screws, in steel and stainless steel, with metric coarse pitch. iso 4017 pn 82105 ni 5739 e 24017 legend: iso 4017:2022(e) foreword iso (the international organization for standardization) is a worldwide federation. iso 4017:2014 specifies the characteristics of hexagon head screws with threads from m1,6 up to and. What Is Iso 4017.
From www.scribd.com
Iso4017 Fasteners Torque List Nut (Hardware) Screw What Is Iso 4017 iso 4017:2014(e) introduction this international standard belongs to a complete family of product standards developed by. iso 4017 pn 82105 ni 5739 e 24017 legend: this document specifies the characteristics of hexagon head screws, in steel and stainless steel, with metric coarse pitch. iso 4017:2014 specifies the characteristics of hexagon head screws with threads from m1,6. What Is Iso 4017.
From www.steelnutbolts.com
ISO 4017 Carbon Steel CL5.8 Full Thread Hex Bolts What Is Iso 4017 iso 4017:2014 specifies the characteristics of hexagon head screws with threads from m1,6 up to and including m64, of product. Determine if you need a fully threaded bolt. iso 4017 pn 82105 ni 5739 e 24017 legend: iso 4017:2014(e) introduction this international standard belongs to a complete family of product standards developed by. This document specifies the. What Is Iso 4017.