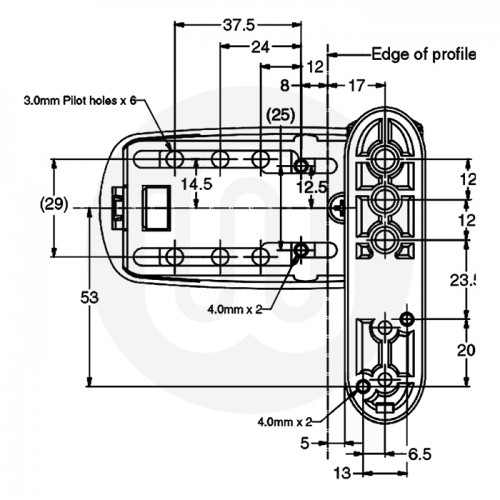
Avocet Flag Hinge Adjustment . Learn how to adjust a flag hinge on a upvc door in three easy steps with a screw driver and an allen key. A superior quality non handed (will fit left or right hung doors) flag hinge from avocet to suit doors with sculptured and chamfered profiles, these hinges are similar to the et3d hinges. Learn how to improve your door’s performance and extend its lifespan by adjusting the hinge type, screws and screws. We explain what is a butt hinge, t hinge and a flag hinge so you can get a perfect. See examples of different flag hinge. N independent easy compression adjustment n available in white, black, brown, caramel, gold, chrome, satin chrome & flint n colour coded. For more handy how to. Our guide tells you how to adjust upvc door hinges to stop your door catching on the floor and to stop draughts. The avocet standard triad set3d flag hinge is aesthetically pleasing and has 3 way adjustment which are done via use of an allen key which allows a huge range of adjustment so.
from store.northwesthardware.co.uk
Our guide tells you how to adjust upvc door hinges to stop your door catching on the floor and to stop draughts. The avocet standard triad set3d flag hinge is aesthetically pleasing and has 3 way adjustment which are done via use of an allen key which allows a huge range of adjustment so. Learn how to adjust a flag hinge on a upvc door in three easy steps with a screw driver and an allen key. N independent easy compression adjustment n available in white, black, brown, caramel, gold, chrome, satin chrome & flint n colour coded. For more handy how to. A superior quality non handed (will fit left or right hung doors) flag hinge from avocet to suit doors with sculptured and chamfered profiles, these hinges are similar to the et3d hinges. Learn how to improve your door’s performance and extend its lifespan by adjusting the hinge type, screws and screws. We explain what is a butt hinge, t hinge and a flag hinge so you can get a perfect. See examples of different flag hinge.
Avocet Flag Hinge Standard
Avocet Flag Hinge Adjustment The avocet standard triad set3d flag hinge is aesthetically pleasing and has 3 way adjustment which are done via use of an allen key which allows a huge range of adjustment so. Learn how to improve your door’s performance and extend its lifespan by adjusting the hinge type, screws and screws. A superior quality non handed (will fit left or right hung doors) flag hinge from avocet to suit doors with sculptured and chamfered profiles, these hinges are similar to the et3d hinges. Learn how to adjust a flag hinge on a upvc door in three easy steps with a screw driver and an allen key. The avocet standard triad set3d flag hinge is aesthetically pleasing and has 3 way adjustment which are done via use of an allen key which allows a huge range of adjustment so. We explain what is a butt hinge, t hinge and a flag hinge so you can get a perfect. N independent easy compression adjustment n available in white, black, brown, caramel, gold, chrome, satin chrome & flint n colour coded. Our guide tells you how to adjust upvc door hinges to stop your door catching on the floor and to stop draughts. See examples of different flag hinge. For more handy how to.
From store.northwesthardware.co.uk
Avocet Flag Hinge Standard Avocet Flag Hinge Adjustment A superior quality non handed (will fit left or right hung doors) flag hinge from avocet to suit doors with sculptured and chamfered profiles, these hinges are similar to the et3d hinges. For more handy how to. We explain what is a butt hinge, t hinge and a flag hinge so you can get a perfect. Learn how to adjust. Avocet Flag Hinge Adjustment.
From www.ebay.com
2 x UPVC Double Glazing Door Flag Hinges Adjustable Avocet MT3D Triad Avocet Flag Hinge Adjustment See examples of different flag hinge. Learn how to adjust a flag hinge on a upvc door in three easy steps with a screw driver and an allen key. We explain what is a butt hinge, t hinge and a flag hinge so you can get a perfect. Learn how to improve your door’s performance and extend its lifespan by. Avocet Flag Hinge Adjustment.
From nwhardware.co.uk
Avocet Adjustable Flag Hinge Upvc Doors Nigel Waters Hardware Avocet Flag Hinge Adjustment For more handy how to. A superior quality non handed (will fit left or right hung doors) flag hinge from avocet to suit doors with sculptured and chamfered profiles, these hinges are similar to the et3d hinges. We explain what is a butt hinge, t hinge and a flag hinge so you can get a perfect. See examples of different. Avocet Flag Hinge Adjustment.
From www.ebay.co.uk
Avocet 3D Triad Flag Hinge For Doors 3 Way Adjustment ET3DBR Brown Avocet Flag Hinge Adjustment See examples of different flag hinge. A superior quality non handed (will fit left or right hung doors) flag hinge from avocet to suit doors with sculptured and chamfered profiles, these hinges are similar to the et3d hinges. Learn how to improve your door’s performance and extend its lifespan by adjusting the hinge type, screws and screws. N independent easy. Avocet Flag Hinge Adjustment.
From www.lockmaster.co.uk
Avocet Mini Triad 3D Flag Hinge Lockmaster Avocet Flag Hinge Adjustment A superior quality non handed (will fit left or right hung doors) flag hinge from avocet to suit doors with sculptured and chamfered profiles, these hinges are similar to the et3d hinges. We explain what is a butt hinge, t hinge and a flag hinge so you can get a perfect. Our guide tells you how to adjust upvc door. Avocet Flag Hinge Adjustment.
From www.lockmaster.co.uk
Avocet Triad 3D (Mk 2) Flag Hinge Lockmaster Avocet Flag Hinge Adjustment We explain what is a butt hinge, t hinge and a flag hinge so you can get a perfect. N independent easy compression adjustment n available in white, black, brown, caramel, gold, chrome, satin chrome & flint n colour coded. See examples of different flag hinge. A superior quality non handed (will fit left or right hung doors) flag hinge. Avocet Flag Hinge Adjustment.
From store.northwesthardware.co.uk
Avocet Flag Hinge Standard Avocet Flag Hinge Adjustment Learn how to adjust a flag hinge on a upvc door in three easy steps with a screw driver and an allen key. A superior quality non handed (will fit left or right hung doors) flag hinge from avocet to suit doors with sculptured and chamfered profiles, these hinges are similar to the et3d hinges. The avocet standard triad set3d. Avocet Flag Hinge Adjustment.
From www.ebay.ie
UPVC Door Flag Hinge Avocet MT3D Mini Triad Adjustable For Double Avocet Flag Hinge Adjustment For more handy how to. The avocet standard triad set3d flag hinge is aesthetically pleasing and has 3 way adjustment which are done via use of an allen key which allows a huge range of adjustment so. Learn how to adjust a flag hinge on a upvc door in three easy steps with a screw driver and an allen key.. Avocet Flag Hinge Adjustment.
From upvc-store.com
Double Glazing UPVC Door Flag Hinge Adjustable Avocet MT3D UPVCSTORE Avocet Flag Hinge Adjustment N independent easy compression adjustment n available in white, black, brown, caramel, gold, chrome, satin chrome & flint n colour coded. Learn how to adjust a flag hinge on a upvc door in three easy steps with a screw driver and an allen key. Our guide tells you how to adjust upvc door hinges to stop your door catching on. Avocet Flag Hinge Adjustment.
From www.randrsecurity.com
Triad Flag Hinge Avocet Flag Hinge Adjustment We explain what is a butt hinge, t hinge and a flag hinge so you can get a perfect. N independent easy compression adjustment n available in white, black, brown, caramel, gold, chrome, satin chrome & flint n colour coded. For more handy how to. Learn how to improve your door’s performance and extend its lifespan by adjusting the hinge. Avocet Flag Hinge Adjustment.
From store.northwesthardware.co.uk
Avocet Flag Hinge Standard Avocet Flag Hinge Adjustment See examples of different flag hinge. The avocet standard triad set3d flag hinge is aesthetically pleasing and has 3 way adjustment which are done via use of an allen key which allows a huge range of adjustment so. A superior quality non handed (will fit left or right hung doors) flag hinge from avocet to suit doors with sculptured and. Avocet Flag Hinge Adjustment.
From www.lockmaster.co.uk
Avocet Triad 3D (Mk 2) Flag Hinge Lockmaster Avocet Flag Hinge Adjustment Our guide tells you how to adjust upvc door hinges to stop your door catching on the floor and to stop draughts. For more handy how to. See examples of different flag hinge. Learn how to improve your door’s performance and extend its lifespan by adjusting the hinge type, screws and screws. The avocet standard triad set3d flag hinge is. Avocet Flag Hinge Adjustment.
From upvcspares4repairs.co.uk
Avocet WMS Standard ET3D Triad Flag Upvc Door Hinge in White or Brown Avocet Flag Hinge Adjustment Learn how to adjust a flag hinge on a upvc door in three easy steps with a screw driver and an allen key. See examples of different flag hinge. The avocet standard triad set3d flag hinge is aesthetically pleasing and has 3 way adjustment which are done via use of an allen key which allows a huge range of adjustment. Avocet Flag Hinge Adjustment.
From store.northwesthardware.co.uk
Avocet Flag Hinge Standard Avocet Flag Hinge Adjustment A superior quality non handed (will fit left or right hung doors) flag hinge from avocet to suit doors with sculptured and chamfered profiles, these hinges are similar to the et3d hinges. We explain what is a butt hinge, t hinge and a flag hinge so you can get a perfect. Learn how to adjust a flag hinge on a. Avocet Flag Hinge Adjustment.
From www.ebay.co.uk
UPVC Double Glazing Door Flag Hinge Adjustable Avocet MT3D eBay Avocet Flag Hinge Adjustment For more handy how to. The avocet standard triad set3d flag hinge is aesthetically pleasing and has 3 way adjustment which are done via use of an allen key which allows a huge range of adjustment so. Our guide tells you how to adjust upvc door hinges to stop your door catching on the floor and to stop draughts. We. Avocet Flag Hinge Adjustment.
From www.ebay.co.uk
UPVC Door Flag Hinge Avocet ET3D Triad Adjustable For Double Glazing Avocet Flag Hinge Adjustment Learn how to improve your door’s performance and extend its lifespan by adjusting the hinge type, screws and screws. Learn how to adjust a flag hinge on a upvc door in three easy steps with a screw driver and an allen key. We explain what is a butt hinge, t hinge and a flag hinge so you can get a. Avocet Flag Hinge Adjustment.
From www.ebay.ie
UPVC Double Glazing Door Flag Hinge Adjustable Avocet MT3D eBay Avocet Flag Hinge Adjustment See examples of different flag hinge. A superior quality non handed (will fit left or right hung doors) flag hinge from avocet to suit doors with sculptured and chamfered profiles, these hinges are similar to the et3d hinges. Our guide tells you how to adjust upvc door hinges to stop your door catching on the floor and to stop draughts.. Avocet Flag Hinge Adjustment.
From store.northwesthardware.co.uk
Avocet Synseal 3D Flag Hinge Avocet Flag Hinge Adjustment We explain what is a butt hinge, t hinge and a flag hinge so you can get a perfect. Our guide tells you how to adjust upvc door hinges to stop your door catching on the floor and to stop draughts. See examples of different flag hinge. For more handy how to. The avocet standard triad set3d flag hinge is. Avocet Flag Hinge Adjustment.
From store.northwesthardware.co.uk
Avocet Affinity Flag Hinge Avocet Flag Hinge Adjustment N independent easy compression adjustment n available in white, black, brown, caramel, gold, chrome, satin chrome & flint n colour coded. Our guide tells you how to adjust upvc door hinges to stop your door catching on the floor and to stop draughts. The avocet standard triad set3d flag hinge is aesthetically pleasing and has 3 way adjustment which are. Avocet Flag Hinge Adjustment.
From www.ebay.com
2 x UPVC Double Glazing Door Flag Hinges Adjustable Avocet MT3D Triad Avocet Flag Hinge Adjustment Learn how to improve your door’s performance and extend its lifespan by adjusting the hinge type, screws and screws. A superior quality non handed (will fit left or right hung doors) flag hinge from avocet to suit doors with sculptured and chamfered profiles, these hinges are similar to the et3d hinges. N independent easy compression adjustment n available in white,. Avocet Flag Hinge Adjustment.
From www.ebay.co.uk
Pack of 3 uPVC Double Glazing Door Flag Hinge Adjustable Avocet MT3D eBay Avocet Flag Hinge Adjustment Our guide tells you how to adjust upvc door hinges to stop your door catching on the floor and to stop draughts. Learn how to adjust a flag hinge on a upvc door in three easy steps with a screw driver and an allen key. We explain what is a butt hinge, t hinge and a flag hinge so you. Avocet Flag Hinge Adjustment.
From store.northwesthardware.co.uk
Avocet Flag Hinge Standard Avocet Flag Hinge Adjustment For more handy how to. See examples of different flag hinge. The avocet standard triad set3d flag hinge is aesthetically pleasing and has 3 way adjustment which are done via use of an allen key which allows a huge range of adjustment so. Learn how to improve your door’s performance and extend its lifespan by adjusting the hinge type, screws. Avocet Flag Hinge Adjustment.
From store.northwesthardware.co.uk
Avocet Flag Hinge Standard Avocet Flag Hinge Adjustment See examples of different flag hinge. Our guide tells you how to adjust upvc door hinges to stop your door catching on the floor and to stop draughts. Learn how to adjust a flag hinge on a upvc door in three easy steps with a screw driver and an allen key. Learn how to improve your door’s performance and extend. Avocet Flag Hinge Adjustment.
From store.northwesthardware.co.uk
Avocet Flag Hinge Standard Avocet Flag Hinge Adjustment See examples of different flag hinge. Our guide tells you how to adjust upvc door hinges to stop your door catching on the floor and to stop draughts. For more handy how to. Learn how to adjust a flag hinge on a upvc door in three easy steps with a screw driver and an allen key. The avocet standard triad. Avocet Flag Hinge Adjustment.
From store.northwesthardware.co.uk
Avocet Affinity Flag Hinge Avocet Flag Hinge Adjustment Our guide tells you how to adjust upvc door hinges to stop your door catching on the floor and to stop draughts. Learn how to adjust a flag hinge on a upvc door in three easy steps with a screw driver and an allen key. For more handy how to. Learn how to improve your door’s performance and extend its. Avocet Flag Hinge Adjustment.
From www.ebay.ie
UPVC Door Flag Hinge Avocet ET3D Triad Adjustable For Double Glazing Avocet Flag Hinge Adjustment See examples of different flag hinge. Learn how to improve your door’s performance and extend its lifespan by adjusting the hinge type, screws and screws. We explain what is a butt hinge, t hinge and a flag hinge so you can get a perfect. The avocet standard triad set3d flag hinge is aesthetically pleasing and has 3 way adjustment which. Avocet Flag Hinge Adjustment.
From www.double-glazing-parts-spares.co.uk
AVOCET 3D Triad Flag Hinge Avocet Flag Hinge Adjustment See examples of different flag hinge. The avocet standard triad set3d flag hinge is aesthetically pleasing and has 3 way adjustment which are done via use of an allen key which allows a huge range of adjustment so. We explain what is a butt hinge, t hinge and a flag hinge so you can get a perfect. For more handy. Avocet Flag Hinge Adjustment.
From www.ebay.ie
UPVC Door Flag Hinge Avocet ET3D Triad Adjustable For Double Glazing Avocet Flag Hinge Adjustment The avocet standard triad set3d flag hinge is aesthetically pleasing and has 3 way adjustment which are done via use of an allen key which allows a huge range of adjustment so. Our guide tells you how to adjust upvc door hinges to stop your door catching on the floor and to stop draughts. We explain what is a butt. Avocet Flag Hinge Adjustment.
From store.northwesthardware.co.uk
Avocet Synseal 3D Flag Hinge Avocet Flag Hinge Adjustment We explain what is a butt hinge, t hinge and a flag hinge so you can get a perfect. A superior quality non handed (will fit left or right hung doors) flag hinge from avocet to suit doors with sculptured and chamfered profiles, these hinges are similar to the et3d hinges. Learn how to adjust a flag hinge on a. Avocet Flag Hinge Adjustment.
From www.youtube.com
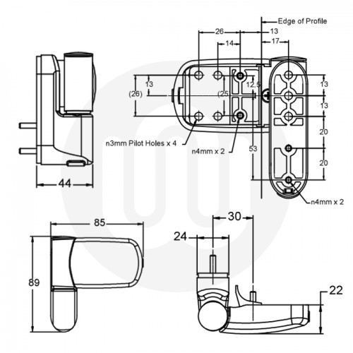
doorstop 'How To' video how to adjust an Avocet hinge YouTube Avocet Flag Hinge Adjustment For more handy how to. A superior quality non handed (will fit left or right hung doors) flag hinge from avocet to suit doors with sculptured and chamfered profiles, these hinges are similar to the et3d hinges. N independent easy compression adjustment n available in white, black, brown, caramel, gold, chrome, satin chrome & flint n colour coded. The avocet. Avocet Flag Hinge Adjustment.
From www.locksafehardware.com
AVOCET 3D Triad Flag Hinge Locksafe Hardware Avocet Flag Hinge Adjustment See examples of different flag hinge. For more handy how to. We explain what is a butt hinge, t hinge and a flag hinge so you can get a perfect. Learn how to adjust a flag hinge on a upvc door in three easy steps with a screw driver and an allen key. A superior quality non handed (will fit. Avocet Flag Hinge Adjustment.
From jwlsecurity.co.uk
AVOCET 3D Triad Flag Hinge JWL (AI) Ltd Avocet Flag Hinge Adjustment We explain what is a butt hinge, t hinge and a flag hinge so you can get a perfect. Learn how to improve your door’s performance and extend its lifespan by adjusting the hinge type, screws and screws. A superior quality non handed (will fit left or right hung doors) flag hinge from avocet to suit doors with sculptured and. Avocet Flag Hinge Adjustment.
From www.lockstation.co.uk
Avocet Mini Triad Flag Hinge Avocet Flag Hinge Adjustment For more handy how to. The avocet standard triad set3d flag hinge is aesthetically pleasing and has 3 way adjustment which are done via use of an allen key which allows a huge range of adjustment so. Learn how to improve your door’s performance and extend its lifespan by adjusting the hinge type, screws and screws. See examples of different. Avocet Flag Hinge Adjustment.
From store.northwesthardware.co.uk
Avocet Synseal 3D Flag Hinge Avocet Flag Hinge Adjustment The avocet standard triad set3d flag hinge is aesthetically pleasing and has 3 way adjustment which are done via use of an allen key which allows a huge range of adjustment so. A superior quality non handed (will fit left or right hung doors) flag hinge from avocet to suit doors with sculptured and chamfered profiles, these hinges are similar. Avocet Flag Hinge Adjustment.
From jcphardware.co.uk
Avocet UPVC Door Flag Hinge SET3D Triad JCP Hardware Avocet Flag Hinge Adjustment For more handy how to. Learn how to adjust a flag hinge on a upvc door in three easy steps with a screw driver and an allen key. The avocet standard triad set3d flag hinge is aesthetically pleasing and has 3 way adjustment which are done via use of an allen key which allows a huge range of adjustment so.. Avocet Flag Hinge Adjustment.