Waverunner Fuel Pressure . Make doubly sure to run the proper storage amount of fuel med rx in your fuel, and thoroughly course it through the entire fuel system prior to shut down. Fuel tank and fuel pump module fuel tank removal before checking the fuel system, remove the battery, and then remove the fuel filler cap to reduce any pressure inside the fuel tank. Refer to “fuel injection system” in chapter 4. • fuel pump operating sound fuel pump does not sound → measure the fuel pressure. Refer to “fuel pressure measurement” in chapter 4. After the engine is stopped, the. Vx110 sport boat pdf manual download. • check the fuel for deterioration, the fuel tank for water accumulation, the fuel lines for clogs. View and download yamaha vx110 sport service manual online.
from www.partzilla.com
• check the fuel for deterioration, the fuel tank for water accumulation, the fuel lines for clogs. After the engine is stopped, the. Fuel tank and fuel pump module fuel tank removal before checking the fuel system, remove the battery, and then remove the fuel filler cap to reduce any pressure inside the fuel tank. Vx110 sport boat pdf manual download. Refer to “fuel injection system” in chapter 4. View and download yamaha vx110 sport service manual online. Refer to “fuel pressure measurement” in chapter 4. • fuel pump operating sound fuel pump does not sound → measure the fuel pressure. Make doubly sure to run the proper storage amount of fuel med rx in your fuel, and thoroughly course it through the entire fuel system prior to shut down.
Yamaha Waverunner 1997 OEM Parts Diagram for Fuel
Waverunner Fuel Pressure View and download yamaha vx110 sport service manual online. Fuel tank and fuel pump module fuel tank removal before checking the fuel system, remove the battery, and then remove the fuel filler cap to reduce any pressure inside the fuel tank. Refer to “fuel injection system” in chapter 4. Vx110 sport boat pdf manual download. Refer to “fuel pressure measurement” in chapter 4. After the engine is stopped, the. • check the fuel for deterioration, the fuel tank for water accumulation, the fuel lines for clogs. View and download yamaha vx110 sport service manual online. Make doubly sure to run the proper storage amount of fuel med rx in your fuel, and thoroughly course it through the entire fuel system prior to shut down. • fuel pump operating sound fuel pump does not sound → measure the fuel pressure.
From www.partzilla.com
Yamaha Waverunner 1997 OEM Parts Diagram for Fuel Waverunner Fuel Pressure • check the fuel for deterioration, the fuel tank for water accumulation, the fuel lines for clogs. Make doubly sure to run the proper storage amount of fuel med rx in your fuel, and thoroughly course it through the entire fuel system prior to shut down. Refer to “fuel injection system” in chapter 4. • fuel pump operating sound fuel. Waverunner Fuel Pressure.
From pwcpartsyard.com
Yamaha VXR PRO Jetski Waverunner Fuel Tank Pressure PSI One Way Check Waverunner Fuel Pressure Vx110 sport boat pdf manual download. View and download yamaha vx110 sport service manual online. • fuel pump operating sound fuel pump does not sound → measure the fuel pressure. Fuel tank and fuel pump module fuel tank removal before checking the fuel system, remove the battery, and then remove the fuel filler cap to reduce any pressure inside the. Waverunner Fuel Pressure.
From www.youtube.com
Yamaha Waverunner SVHO GP1800, manual fuel pump control rig YouTube Waverunner Fuel Pressure Refer to “fuel pressure measurement” in chapter 4. • check the fuel for deterioration, the fuel tank for water accumulation, the fuel lines for clogs. Refer to “fuel injection system” in chapter 4. After the engine is stopped, the. • fuel pump operating sound fuel pump does not sound → measure the fuel pressure. View and download yamaha vx110 sport. Waverunner Fuel Pressure.
From www.youtube.com
Three Best Jet Ski Tips for Extra Fuel on Yamaha Waverunner SureCan, pump, & Scepter Fuel Cell Waverunner Fuel Pressure Refer to “fuel pressure measurement” in chapter 4. Make doubly sure to run the proper storage amount of fuel med rx in your fuel, and thoroughly course it through the entire fuel system prior to shut down. View and download yamaha vx110 sport service manual online. After the engine is stopped, the. Refer to “fuel injection system” in chapter 4.. Waverunner Fuel Pressure.
From www.ebay.com
Yamaha Waverunner 20022021 VX V1 FX HO OEM Oil Pressure Sensor 68V825040000 eBay Waverunner Fuel Pressure Make doubly sure to run the proper storage amount of fuel med rx in your fuel, and thoroughly course it through the entire fuel system prior to shut down. After the engine is stopped, the. Vx110 sport boat pdf manual download. Fuel tank and fuel pump module fuel tank removal before checking the fuel system, remove the battery, and then. Waverunner Fuel Pressure.
From www.youtube.com
Yamaha Waverunner 2019 fuel gauge, fuel economy and fuel burn computer YouTube Waverunner Fuel Pressure After the engine is stopped, the. • fuel pump operating sound fuel pump does not sound → measure the fuel pressure. Fuel tank and fuel pump module fuel tank removal before checking the fuel system, remove the battery, and then remove the fuel filler cap to reduce any pressure inside the fuel tank. Refer to “fuel pressure measurement” in chapter. Waverunner Fuel Pressure.
From www.ebay.com.au
Maintain Fuel Pressure with Non Return Valve for Jetski and Waverunner eBay Waverunner Fuel Pressure Vx110 sport boat pdf manual download. View and download yamaha vx110 sport service manual online. • fuel pump operating sound fuel pump does not sound → measure the fuel pressure. • check the fuel for deterioration, the fuel tank for water accumulation, the fuel lines for clogs. After the engine is stopped, the. Fuel tank and fuel pump module fuel. Waverunner Fuel Pressure.
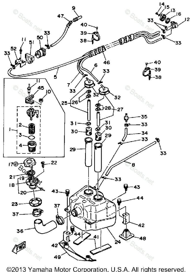
From www.boats.net
Yamaha Waverunner 1992 OEM Parts Diagram for FUEL TANK Waverunner Fuel Pressure Make doubly sure to run the proper storage amount of fuel med rx in your fuel, and thoroughly course it through the entire fuel system prior to shut down. Refer to “fuel injection system” in chapter 4. Vx110 sport boat pdf manual download. • fuel pump operating sound fuel pump does not sound → measure the fuel pressure. Refer to. Waverunner Fuel Pressure.
From pwcpartsyard.com
Yamaha Kawasaki Jetski Waverunner Fuel Tank Pressure PSI One Way Check Waverunner Fuel Pressure View and download yamaha vx110 sport service manual online. Make doubly sure to run the proper storage amount of fuel med rx in your fuel, and thoroughly course it through the entire fuel system prior to shut down. Vx110 sport boat pdf manual download. • check the fuel for deterioration, the fuel tank for water accumulation, the fuel lines for. Waverunner Fuel Pressure.
From www.boats.net
Yamaha Waverunner 1992 OEM Parts Diagram for FUEL TANK Waverunner Fuel Pressure Refer to “fuel injection system” in chapter 4. View and download yamaha vx110 sport service manual online. • fuel pump operating sound fuel pump does not sound → measure the fuel pressure. • check the fuel for deterioration, the fuel tank for water accumulation, the fuel lines for clogs. After the engine is stopped, the. Refer to “fuel pressure measurement”. Waverunner Fuel Pressure.
From www.boats.net
Yamaha Waverunner 1990 OEM Parts Diagram for FUEL PUMP Waverunner Fuel Pressure • fuel pump operating sound fuel pump does not sound → measure the fuel pressure. After the engine is stopped, the. Make doubly sure to run the proper storage amount of fuel med rx in your fuel, and thoroughly course it through the entire fuel system prior to shut down. Refer to “fuel pressure measurement” in chapter 4. View and. Waverunner Fuel Pressure.
From www.boats.net
Yamaha Waverunner 1997 OEM Parts Diagram for FUEL TANK Waverunner Fuel Pressure After the engine is stopped, the. Refer to “fuel pressure measurement” in chapter 4. Make doubly sure to run the proper storage amount of fuel med rx in your fuel, and thoroughly course it through the entire fuel system prior to shut down. View and download yamaha vx110 sport service manual online. • fuel pump operating sound fuel pump does. Waverunner Fuel Pressure.
From www.ajsp.com.au
Fuel Pressure Regulator for Yamaha Waverunner GP1800 20172021, Replac Australian Jet Ski Parts Waverunner Fuel Pressure View and download yamaha vx110 sport service manual online. Vx110 sport boat pdf manual download. • check the fuel for deterioration, the fuel tank for water accumulation, the fuel lines for clogs. Refer to “fuel injection system” in chapter 4. • fuel pump operating sound fuel pump does not sound → measure the fuel pressure. Refer to “fuel pressure measurement”. Waverunner Fuel Pressure.
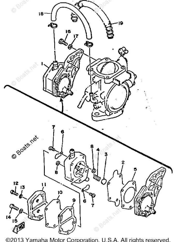
From www.crowleymarine.com
FUEL PUMP 1989 WaveRunner WR650 WR650 (FK7) [999] Crowley Marine Waverunner Fuel Pressure View and download yamaha vx110 sport service manual online. Fuel tank and fuel pump module fuel tank removal before checking the fuel system, remove the battery, and then remove the fuel filler cap to reduce any pressure inside the fuel tank. Refer to “fuel injection system” in chapter 4. Vx110 sport boat pdf manual download. After the engine is stopped,. Waverunner Fuel Pressure.
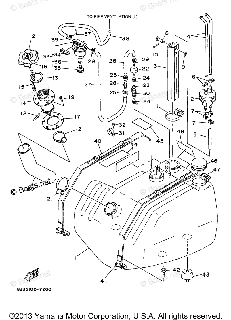
From www.boats.net
Yamaha Waverunner 1998 OEM Parts Diagram for Fuel Waverunner Fuel Pressure View and download yamaha vx110 sport service manual online. • check the fuel for deterioration, the fuel tank for water accumulation, the fuel lines for clogs. Make doubly sure to run the proper storage amount of fuel med rx in your fuel, and thoroughly course it through the entire fuel system prior to shut down. Refer to “fuel pressure measurement”. Waverunner Fuel Pressure.
From www.boats.net
Yamaha Waverunner 2001 OEM Parts Diagram for Fuel Waverunner Fuel Pressure Refer to “fuel pressure measurement” in chapter 4. • fuel pump operating sound fuel pump does not sound → measure the fuel pressure. View and download yamaha vx110 sport service manual online. Fuel tank and fuel pump module fuel tank removal before checking the fuel system, remove the battery, and then remove the fuel filler cap to reduce any pressure. Waverunner Fuel Pressure.
From www.boats.net
Yamaha Waverunner Parts 2004 OEM Parts Diagram for Fuel Waverunner Fuel Pressure • check the fuel for deterioration, the fuel tank for water accumulation, the fuel lines for clogs. View and download yamaha vx110 sport service manual online. Vx110 sport boat pdf manual download. Fuel tank and fuel pump module fuel tank removal before checking the fuel system, remove the battery, and then remove the fuel filler cap to reduce any pressure. Waverunner Fuel Pressure.
From pwcpartsyard.com
Yamaha Kawasaki Jetski Waverunner Fuel Tank Pressure PSI One Way Check Waverunner Fuel Pressure • check the fuel for deterioration, the fuel tank for water accumulation, the fuel lines for clogs. After the engine is stopped, the. Make doubly sure to run the proper storage amount of fuel med rx in your fuel, and thoroughly course it through the entire fuel system prior to shut down. Vx110 sport boat pdf manual download. View and. Waverunner Fuel Pressure.
From www.boats.net
Yamaha Waverunner 1989 OEM Parts Diagram for FUEL TANK Waverunner Fuel Pressure View and download yamaha vx110 sport service manual online. Refer to “fuel injection system” in chapter 4. Fuel tank and fuel pump module fuel tank removal before checking the fuel system, remove the battery, and then remove the fuel filler cap to reduce any pressure inside the fuel tank. Make doubly sure to run the proper storage amount of fuel. Waverunner Fuel Pressure.
From pwcparts.com
Yamaha FZR FZS FXSHO WaveRunner R&D Inline Fuel Pressure Gauge Adaptor (61200081) Waverunner Fuel Pressure View and download yamaha vx110 sport service manual online. Fuel tank and fuel pump module fuel tank removal before checking the fuel system, remove the battery, and then remove the fuel filler cap to reduce any pressure inside the fuel tank. • check the fuel for deterioration, the fuel tank for water accumulation, the fuel lines for clogs. Vx110 sport. Waverunner Fuel Pressure.
From www.ebay.com
Fuel Pump +Regulator for Yamaha WaveRunner EX FX GP VX 20042019 F2SU77110200 eBay Waverunner Fuel Pressure Make doubly sure to run the proper storage amount of fuel med rx in your fuel, and thoroughly course it through the entire fuel system prior to shut down. Refer to “fuel injection system” in chapter 4. Fuel tank and fuel pump module fuel tank removal before checking the fuel system, remove the battery, and then remove the fuel filler. Waverunner Fuel Pressure.
From www.ebay.com
Fuel Pressure Regulator for Yamaha 20022023 WaveRunner EX FX VX 60E139070800 eBay Waverunner Fuel Pressure Refer to “fuel injection system” in chapter 4. Vx110 sport boat pdf manual download. View and download yamaha vx110 sport service manual online. Refer to “fuel pressure measurement” in chapter 4. • fuel pump operating sound fuel pump does not sound → measure the fuel pressure. • check the fuel for deterioration, the fuel tank for water accumulation, the fuel. Waverunner Fuel Pressure.
From www.ebay.co.uk
Yamaha VXR PRO Jetski Waverunner Fuel Tank Pressure PSI One Way Check Valve eBay Waverunner Fuel Pressure View and download yamaha vx110 sport service manual online. Refer to “fuel pressure measurement” in chapter 4. Make doubly sure to run the proper storage amount of fuel med rx in your fuel, and thoroughly course it through the entire fuel system prior to shut down. After the engine is stopped, the. Fuel tank and fuel pump module fuel tank. Waverunner Fuel Pressure.
From www.justanswer.com
Q&A Yamaha Waverunner Compression Test & Fuel Line Diagrams Waverunner Fuel Pressure View and download yamaha vx110 sport service manual online. Fuel tank and fuel pump module fuel tank removal before checking the fuel system, remove the battery, and then remove the fuel filler cap to reduce any pressure inside the fuel tank. • fuel pump operating sound fuel pump does not sound → measure the fuel pressure. Vx110 sport boat pdf. Waverunner Fuel Pressure.
From www.partzilla.com
Yamaha Waverunner 1992 OEM Parts Diagram for Fuel Waverunner Fuel Pressure Make doubly sure to run the proper storage amount of fuel med rx in your fuel, and thoroughly course it through the entire fuel system prior to shut down. Fuel tank and fuel pump module fuel tank removal before checking the fuel system, remove the battery, and then remove the fuel filler cap to reduce any pressure inside the fuel. Waverunner Fuel Pressure.
From pwcpartsyard.com
Yamaha Kawasaki Jetski Waverunner Fuel Tank Pressure PSI One Way Check Waverunner Fuel Pressure Refer to “fuel pressure measurement” in chapter 4. Fuel tank and fuel pump module fuel tank removal before checking the fuel system, remove the battery, and then remove the fuel filler cap to reduce any pressure inside the fuel tank. • check the fuel for deterioration, the fuel tank for water accumulation, the fuel lines for clogs. Make doubly sure. Waverunner Fuel Pressure.
From www.boats.net
Yamaha Waverunner 2001 OEM Parts Diagram for Fuel Waverunner Fuel Pressure • check the fuel for deterioration, the fuel tank for water accumulation, the fuel lines for clogs. Vx110 sport boat pdf manual download. View and download yamaha vx110 sport service manual online. Fuel tank and fuel pump module fuel tank removal before checking the fuel system, remove the battery, and then remove the fuel filler cap to reduce any pressure. Waverunner Fuel Pressure.
From www.boats.net
Yamaha Waverunner 2018 OEM Parts Diagram for FUEL TANK Waverunner Fuel Pressure Vx110 sport boat pdf manual download. Refer to “fuel pressure measurement” in chapter 4. Refer to “fuel injection system” in chapter 4. • check the fuel for deterioration, the fuel tank for water accumulation, the fuel lines for clogs. Make doubly sure to run the proper storage amount of fuel med rx in your fuel, and thoroughly course it through. Waverunner Fuel Pressure.
From www.partzilla.com
Yamaha Waverunner 1990 OEM Parts Diagram for FUEL TANK Waverunner Fuel Pressure Fuel tank and fuel pump module fuel tank removal before checking the fuel system, remove the battery, and then remove the fuel filler cap to reduce any pressure inside the fuel tank. • check the fuel for deterioration, the fuel tank for water accumulation, the fuel lines for clogs. Refer to “fuel pressure measurement” in chapter 4. View and download. Waverunner Fuel Pressure.
From www.youtube.com
A Quick Diagnosis & Testing Fuel Pressure on the Yamaha GP1800r WaveRunner [4K] YouTube Waverunner Fuel Pressure Refer to “fuel injection system” in chapter 4. Refer to “fuel pressure measurement” in chapter 4. Vx110 sport boat pdf manual download. View and download yamaha vx110 sport service manual online. After the engine is stopped, the. • check the fuel for deterioration, the fuel tank for water accumulation, the fuel lines for clogs. Make doubly sure to run the. Waverunner Fuel Pressure.
From www.youtube.com
Rebuilding a Yamaha Waverunner fuel sending unit. YouTube Waverunner Fuel Pressure Fuel tank and fuel pump module fuel tank removal before checking the fuel system, remove the battery, and then remove the fuel filler cap to reduce any pressure inside the fuel tank. View and download yamaha vx110 sport service manual online. • check the fuel for deterioration, the fuel tank for water accumulation, the fuel lines for clogs. Make doubly. Waverunner Fuel Pressure.
From pwcpartsyard.com
Yamaha VXR PRO Jetski Waverunner Fuel Tank Pressure PSI One Way Check Waverunner Fuel Pressure View and download yamaha vx110 sport service manual online. Refer to “fuel injection system” in chapter 4. Refer to “fuel pressure measurement” in chapter 4. After the engine is stopped, the. • check the fuel for deterioration, the fuel tank for water accumulation, the fuel lines for clogs. Vx110 sport boat pdf manual download. Fuel tank and fuel pump module. Waverunner Fuel Pressure.
From www.highflowfuel.com
QFS Fuel Pump Repair Kit w/ Fuel Filter + Pressure Regulator for Yamaha Waverunner FX EFI 2004 Waverunner Fuel Pressure Refer to “fuel injection system” in chapter 4. Fuel tank and fuel pump module fuel tank removal before checking the fuel system, remove the battery, and then remove the fuel filler cap to reduce any pressure inside the fuel tank. • fuel pump operating sound fuel pump does not sound → measure the fuel pressure. View and download yamaha vx110. Waverunner Fuel Pressure.
From www.partzilla.com
Yamaha Waverunner 1999 OEM Parts Diagram for Fuel Waverunner Fuel Pressure View and download yamaha vx110 sport service manual online. Refer to “fuel injection system” in chapter 4. After the engine is stopped, the. • fuel pump operating sound fuel pump does not sound → measure the fuel pressure. Refer to “fuel pressure measurement” in chapter 4. • check the fuel for deterioration, the fuel tank for water accumulation, the fuel. Waverunner Fuel Pressure.
From shopee.com.my
YAMAHA WAVERUNNER 68V8250400 OIL PRESSURE SWITCH ASSY 4 STROKE VX 1050 TR1 (3 PISTON) 100 Waverunner Fuel Pressure • check the fuel for deterioration, the fuel tank for water accumulation, the fuel lines for clogs. Refer to “fuel injection system” in chapter 4. Fuel tank and fuel pump module fuel tank removal before checking the fuel system, remove the battery, and then remove the fuel filler cap to reduce any pressure inside the fuel tank. • fuel pump. Waverunner Fuel Pressure.