Msp430 Temperature Sensor Example Code . In this instructable, we'll see how the sensor works in detail and we''ll use the c code that i wrote from scratch in code composer studio. The temperature sensor used in this code example is the internal of the msp430. The temperature sensor references are stored at 1a1ah and 1a1ch of the tlv for 30 and 80 degrees celsius, respectively. I've found an example for the internal temperature sensor and it works just fine. This is a small temperature sensor, using a lm35, the value will be shown on the lcd102x64 screen. Find this and other hardware projects on hackster.io. This temperature sensing circuit uses a resistor in. You don't need to connect an external in addition. The problem starts when i'm trying to use this. Download the msp430 temp sense ptc circuit code examples and spice simulation file.
from www.slideserve.com
Find this and other hardware projects on hackster.io. This temperature sensing circuit uses a resistor in. In this instructable, we'll see how the sensor works in detail and we''ll use the c code that i wrote from scratch in code composer studio. Download the msp430 temp sense ptc circuit code examples and spice simulation file. The temperature sensor references are stored at 1a1ah and 1a1ch of the tlv for 30 and 80 degrees celsius, respectively. This is a small temperature sensor, using a lm35, the value will be shown on the lcd102x64 screen. You don't need to connect an external in addition. The temperature sensor used in this code example is the internal of the msp430. The problem starts when i'm trying to use this. I've found an example for the internal temperature sensor and it works just fine.
PPT MSP430 Project PowerPoint Presentation, free download ID5490075
Msp430 Temperature Sensor Example Code I've found an example for the internal temperature sensor and it works just fine. I've found an example for the internal temperature sensor and it works just fine. This temperature sensing circuit uses a resistor in. This is a small temperature sensor, using a lm35, the value will be shown on the lcd102x64 screen. The problem starts when i'm trying to use this. The temperature sensor references are stored at 1a1ah and 1a1ch of the tlv for 30 and 80 degrees celsius, respectively. In this instructable, we'll see how the sensor works in detail and we''ll use the c code that i wrote from scratch in code composer studio. You don't need to connect an external in addition. The temperature sensor used in this code example is the internal of the msp430. Download the msp430 temp sense ptc circuit code examples and spice simulation file. Find this and other hardware projects on hackster.io.
From github.com
GitHub jbp261/TemperatureReadingwithMSP430 Utilizing I2C protocol Msp430 Temperature Sensor Example Code Download the msp430 temp sense ptc circuit code examples and spice simulation file. The temperature sensor references are stored at 1a1ah and 1a1ch of the tlv for 30 and 80 degrees celsius, respectively. You don't need to connect an external in addition. This temperature sensing circuit uses a resistor in. The temperature sensor used in this code example is the. Msp430 Temperature Sensor Example Code.
From dokumen.tips
(PDF) Interfacing the MSP430 and TMP100 Temperature Sensor DOKUMEN.TIPS Msp430 Temperature Sensor Example Code In this instructable, we'll see how the sensor works in detail and we''ll use the c code that i wrote from scratch in code composer studio. Download the msp430 temp sense ptc circuit code examples and spice simulation file. Find this and other hardware projects on hackster.io. The temperature sensor references are stored at 1a1ah and 1a1ch of the tlv. Msp430 Temperature Sensor Example Code.
From www.slideserve.com
PPT MSP430 Project PowerPoint Presentation, free download ID5490075 Msp430 Temperature Sensor Example Code The temperature sensor used in this code example is the internal of the msp430. Find this and other hardware projects on hackster.io. This is a small temperature sensor, using a lm35, the value will be shown on the lcd102x64 screen. The problem starts when i'm trying to use this. The temperature sensor references are stored at 1a1ah and 1a1ch of. Msp430 Temperature Sensor Example Code.
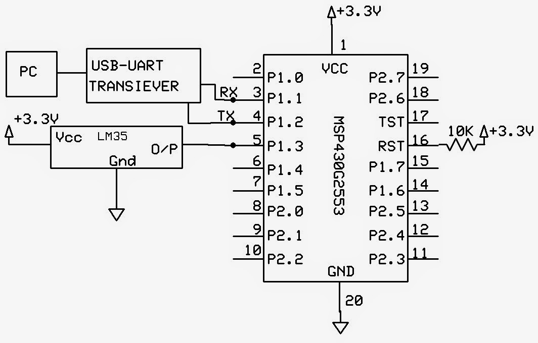
From www.circuitvalley.com
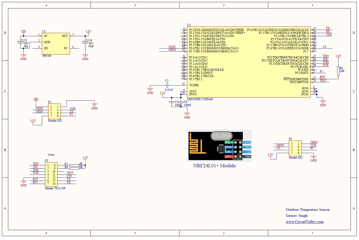
Embedded Engineering Low Power Outdoor Wireless Temperature Sensor Msp430 Temperature Sensor Example Code The temperature sensor references are stored at 1a1ah and 1a1ch of the tlv for 30 and 80 degrees celsius, respectively. The problem starts when i'm trying to use this. This temperature sensing circuit uses a resistor in. I've found an example for the internal temperature sensor and it works just fine. You don't need to connect an external in addition.. Msp430 Temperature Sensor Example Code.
From www.youtube.com
MSP430 Temperature sensor data on LCD YouTube Msp430 Temperature Sensor Example Code This is a small temperature sensor, using a lm35, the value will be shown on the lcd102x64 screen. Download the msp430 temp sense ptc circuit code examples and spice simulation file. The temperature sensor used in this code example is the internal of the msp430. In this instructable, we'll see how the sensor works in detail and we''ll use the. Msp430 Temperature Sensor Example Code.
From www.circuitvalley.com
Embedded Engineering Low Power Outdoor Wireless Temperature Sensor Msp430 Temperature Sensor Example Code This is a small temperature sensor, using a lm35, the value will be shown on the lcd102x64 screen. The problem starts when i'm trying to use this. In this instructable, we'll see how the sensor works in detail and we''ll use the c code that i wrote from scratch in code composer studio. Download the msp430 temp sense ptc circuit. Msp430 Temperature Sensor Example Code.
From researchdesignlab.com
GSM Interfacing with MSP430 Msp430 Temperature Sensor Example Code The problem starts when i'm trying to use this. The temperature sensor used in this code example is the internal of the msp430. The temperature sensor references are stored at 1a1ah and 1a1ch of the tlv for 30 and 80 degrees celsius, respectively. This is a small temperature sensor, using a lm35, the value will be shown on the lcd102x64. Msp430 Temperature Sensor Example Code.
From www.youtube.com
ELEC 291 Lab 6 Temperature Sensor on PIC32, ATMEGA328P, and MSP430 Msp430 Temperature Sensor Example Code This is a small temperature sensor, using a lm35, the value will be shown on the lcd102x64 screen. Download the msp430 temp sense ptc circuit code examples and spice simulation file. This temperature sensing circuit uses a resistor in. The temperature sensor used in this code example is the internal of the msp430. I've found an example for the internal. Msp430 Temperature Sensor Example Code.
From www.youtube.com
MSP430 internal temperature sensor YouTube Msp430 Temperature Sensor Example Code The problem starts when i'm trying to use this. The temperature sensor used in this code example is the internal of the msp430. This temperature sensing circuit uses a resistor in. In this instructable, we'll see how the sensor works in detail and we''ll use the c code that i wrote from scratch in code composer studio. Find this and. Msp430 Temperature Sensor Example Code.
From www.youtube.com
MSP430 internal temperature sensor demo YouTube Msp430 Temperature Sensor Example Code Download the msp430 temp sense ptc circuit code examples and spice simulation file. The problem starts when i'm trying to use this. The temperature sensor used in this code example is the internal of the msp430. In this instructable, we'll see how the sensor works in detail and we''ll use the c code that i wrote from scratch in code. Msp430 Temperature Sensor Example Code.
From giojfryls.blob.core.windows.net
Interfacing Temperature Sensor at Kelsi Davis blog Msp430 Temperature Sensor Example Code The temperature sensor references are stored at 1a1ah and 1a1ch of the tlv for 30 and 80 degrees celsius, respectively. Find this and other hardware projects on hackster.io. I've found an example for the internal temperature sensor and it works just fine. This is a small temperature sensor, using a lm35, the value will be shown on the lcd102x64 screen.. Msp430 Temperature Sensor Example Code.
From www.slideserve.com
PPT MSP430 Project PowerPoint Presentation, free download ID5490075 Msp430 Temperature Sensor Example Code I've found an example for the internal temperature sensor and it works just fine. You don't need to connect an external in addition. In this instructable, we'll see how the sensor works in detail and we''ll use the c code that i wrote from scratch in code composer studio. The temperature sensor references are stored at 1a1ah and 1a1ch of. Msp430 Temperature Sensor Example Code.
From www.vrogue.co
Lcd Interfacing With Msp430 Launchpadwith Examples vrogue.co Msp430 Temperature Sensor Example Code The temperature sensor used in this code example is the internal of the msp430. The temperature sensor references are stored at 1a1ah and 1a1ch of the tlv for 30 and 80 degrees celsius, respectively. In this instructable, we'll see how the sensor works in detail and we''ll use the c code that i wrote from scratch in code composer studio.. Msp430 Temperature Sensor Example Code.
From www.datasheets.com
Interfacing the MSP430 and TMP100 Temperature Sensor Application Msp430 Temperature Sensor Example Code The temperature sensor used in this code example is the internal of the msp430. This is a small temperature sensor, using a lm35, the value will be shown on the lcd102x64 screen. I've found an example for the internal temperature sensor and it works just fine. Find this and other hardware projects on hackster.io. This temperature sensing circuit uses a. Msp430 Temperature Sensor Example Code.
From www.youtube.com
MSP430 using MCP9700 temperature sensor YouTube Msp430 Temperature Sensor Example Code The temperature sensor used in this code example is the internal of the msp430. You don't need to connect an external in addition. The problem starts when i'm trying to use this. This temperature sensing circuit uses a resistor in. In this instructable, we'll see how the sensor works in detail and we''ll use the c code that i wrote. Msp430 Temperature Sensor Example Code.
From www.amazon.in
DHT11 Humidity and Temperature Sensor INTERFACING with MSP430 Amazon Msp430 Temperature Sensor Example Code In this instructable, we'll see how the sensor works in detail and we''ll use the c code that i wrote from scratch in code composer studio. I've found an example for the internal temperature sensor and it works just fine. The temperature sensor used in this code example is the internal of the msp430. You don't need to connect an. Msp430 Temperature Sensor Example Code.
From www.youtube.com
MSP430 Internal Temperature Sensor YouTube Msp430 Temperature Sensor Example Code I've found an example for the internal temperature sensor and it works just fine. This temperature sensing circuit uses a resistor in. In this instructable, we'll see how the sensor works in detail and we''ll use the c code that i wrote from scratch in code composer studio. Find this and other hardware projects on hackster.io. You don't need to. Msp430 Temperature Sensor Example Code.
From www.youtube.com
Launchpad MSP430 Examples Internal Temperature Sensor YouTube Msp430 Temperature Sensor Example Code Find this and other hardware projects on hackster.io. The temperature sensor references are stored at 1a1ah and 1a1ch of the tlv for 30 and 80 degrees celsius, respectively. I've found an example for the internal temperature sensor and it works just fine. Download the msp430 temp sense ptc circuit code examples and spice simulation file. The problem starts when i'm. Msp430 Temperature Sensor Example Code.
From www.electronicwings.com
DHT11 Sensor Interfacing with MSPEXP430G2 TI Launchpad ElectronicWings Msp430 Temperature Sensor Example Code You don't need to connect an external in addition. The temperature sensor references are stored at 1a1ah and 1a1ch of the tlv for 30 and 80 degrees celsius, respectively. The temperature sensor used in this code example is the internal of the msp430. I've found an example for the internal temperature sensor and it works just fine. In this instructable,. Msp430 Temperature Sensor Example Code.
From microcontrollerslab.com
How to use ADC of MSP430 microcontroller measure analog voltage Msp430 Temperature Sensor Example Code The temperature sensor references are stored at 1a1ah and 1a1ch of the tlv for 30 and 80 degrees celsius, respectively. The temperature sensor used in this code example is the internal of the msp430. This temperature sensing circuit uses a resistor in. Download the msp430 temp sense ptc circuit code examples and spice simulation file. In this instructable, we'll see. Msp430 Temperature Sensor Example Code.
From www.instructables.com
Building a 4 Channel LM35 Temperature Sensor Amplifier for Arduino Msp430 Temperature Sensor Example Code Find this and other hardware projects on hackster.io. The temperature sensor used in this code example is the internal of the msp430. This temperature sensing circuit uses a resistor in. In this instructable, we'll see how the sensor works in detail and we''ll use the c code that i wrote from scratch in code composer studio. This is a small. Msp430 Temperature Sensor Example Code.
From www.olimex.com
MSP430PIR Msp430 Temperature Sensor Example Code Download the msp430 temp sense ptc circuit code examples and spice simulation file. The temperature sensor used in this code example is the internal of the msp430. You don't need to connect an external in addition. I've found an example for the internal temperature sensor and it works just fine. In this instructable, we'll see how the sensor works in. Msp430 Temperature Sensor Example Code.
From www.instructables.com
MSP430 & DHT11 Temperature / Humidity Sensor 5 Steps Instructables Msp430 Temperature Sensor Example Code The temperature sensor references are stored at 1a1ah and 1a1ch of the tlv for 30 and 80 degrees celsius, respectively. This is a small temperature sensor, using a lm35, the value will be shown on the lcd102x64 screen. The problem starts when i'm trying to use this. Find this and other hardware projects on hackster.io. I've found an example for. Msp430 Temperature Sensor Example Code.
From github.com
GitHub jbp261/TemperatureReadingwithMSP430 Utilizing I2C protocol Msp430 Temperature Sensor Example Code The problem starts when i'm trying to use this. In this instructable, we'll see how the sensor works in detail and we''ll use the c code that i wrote from scratch in code composer studio. The temperature sensor used in this code example is the internal of the msp430. Download the msp430 temp sense ptc circuit code examples and spice. Msp430 Temperature Sensor Example Code.
From www.instructables.com
MSP430 & DHT11 Temperature / Humidity Sensor 5 Steps Instructables Msp430 Temperature Sensor Example Code The temperature sensor used in this code example is the internal of the msp430. The problem starts when i'm trying to use this. The temperature sensor references are stored at 1a1ah and 1a1ch of the tlv for 30 and 80 degrees celsius, respectively. Download the msp430 temp sense ptc circuit code examples and spice simulation file. In this instructable, we'll. Msp430 Temperature Sensor Example Code.
From www.instructables.com
MSP430 & DHT11 Temperature / Humidity Sensor 5 Steps Instructables Msp430 Temperature Sensor Example Code In this instructable, we'll see how the sensor works in detail and we''ll use the c code that i wrote from scratch in code composer studio. This temperature sensing circuit uses a resistor in. The temperature sensor used in this code example is the internal of the msp430. I've found an example for the internal temperature sensor and it works. Msp430 Temperature Sensor Example Code.
From www.youtube.com
MSP430 wireless thermocouple temperature sensor with Arduino+LCD Msp430 Temperature Sensor Example Code The problem starts when i'm trying to use this. I've found an example for the internal temperature sensor and it works just fine. This temperature sensing circuit uses a resistor in. Find this and other hardware projects on hackster.io. Download the msp430 temp sense ptc circuit code examples and spice simulation file. In this instructable, we'll see how the sensor. Msp430 Temperature Sensor Example Code.
From www.slideserve.com
PPT MSP430 Project ECE 300 Spring 2006 PowerPoint Presentation, free Msp430 Temperature Sensor Example Code I've found an example for the internal temperature sensor and it works just fine. The problem starts when i'm trying to use this. In this instructable, we'll see how the sensor works in detail and we''ll use the c code that i wrote from scratch in code composer studio. Download the msp430 temp sense ptc circuit code examples and spice. Msp430 Temperature Sensor Example Code.
From www.qutaojiao.com
(十六)msp430进阶:LM35与MSPEXP430G2 TI Launchpad连接 趣讨教 Msp430 Temperature Sensor Example Code The temperature sensor used in this code example is the internal of the msp430. I've found an example for the internal temperature sensor and it works just fine. Find this and other hardware projects on hackster.io. This temperature sensing circuit uses a resistor in. Download the msp430 temp sense ptc circuit code examples and spice simulation file. In this instructable,. Msp430 Temperature Sensor Example Code.
From microcontrollerslab.com
LCD interfacing with MSP430 LaunchPadwith examples Msp430 Temperature Sensor Example Code In this instructable, we'll see how the sensor works in detail and we''ll use the c code that i wrote from scratch in code composer studio. You don't need to connect an external in addition. Find this and other hardware projects on hackster.io. This temperature sensing circuit uses a resistor in. Download the msp430 temp sense ptc circuit code examples. Msp430 Temperature Sensor Example Code.
From researchdesignlab.com
IR Obstacle Sensor Interfacing with MSP430 Msp430 Temperature Sensor Example Code The temperature sensor used in this code example is the internal of the msp430. This temperature sensing circuit uses a resistor in. In this instructable, we'll see how the sensor works in detail and we''ll use the c code that i wrote from scratch in code composer studio. I've found an example for the internal temperature sensor and it works. Msp430 Temperature Sensor Example Code.
From www.emergingtechs.org
EMERGING TECHNOLOGIES TEMPERATURE SENSOR LM35 MSP430G2553 ENERGIA Msp430 Temperature Sensor Example Code This temperature sensing circuit uses a resistor in. In this instructable, we'll see how the sensor works in detail and we''ll use the c code that i wrote from scratch in code composer studio. Find this and other hardware projects on hackster.io. The problem starts when i'm trying to use this. I've found an example for the internal temperature sensor. Msp430 Temperature Sensor Example Code.
From www.youtube.com
TI MSP430G2xx ADC10 Internal Temperature Sensor with ADC10 Interrupt Msp430 Temperature Sensor Example Code The temperature sensor references are stored at 1a1ah and 1a1ch of the tlv for 30 and 80 degrees celsius, respectively. The temperature sensor used in this code example is the internal of the msp430. This is a small temperature sensor, using a lm35, the value will be shown on the lcd102x64 screen. You don't need to connect an external in. Msp430 Temperature Sensor Example Code.
From www.youtube.com
MSP430 Temperature Sensor Display YouTube Msp430 Temperature Sensor Example Code You don't need to connect an external in addition. I've found an example for the internal temperature sensor and it works just fine. The temperature sensor used in this code example is the internal of the msp430. The temperature sensor references are stored at 1a1ah and 1a1ch of the tlv for 30 and 80 degrees celsius, respectively. In this instructable,. Msp430 Temperature Sensor Example Code.
From www.instructables.com
MSP430 & DHT11 Temperature / Humidity Sensor 5 Steps Instructables Msp430 Temperature Sensor Example Code In this instructable, we'll see how the sensor works in detail and we''ll use the c code that i wrote from scratch in code composer studio. The temperature sensor used in this code example is the internal of the msp430. This temperature sensing circuit uses a resistor in. You don't need to connect an external in addition. Download the msp430. Msp430 Temperature Sensor Example Code.