Toyota Hilux Alternator Charging Voltage . Also the voltage at the battery and the voltage at the alternator should be within 0.5v. It’s the labor that makes the job expensive. It should only drop a few dozen miliamps which will prove that there is no internal short in your alternator and the issue is. The charging voltage should be between 13.9v to 14.4v. Here are the most common symptoms of a bad alternator in a toyota hilux: Using a very good calibrated meter there should be very close to 12.80v on the battery terminals, within plus or minus.04v i. Faulty alternator is the leading cause of red battery light illuminating in hilux which indicates a malfunction in the charging. This voltage is recommended for. With the battery warning light off, standard charging current as measured at the alternator b+ wire should be 10 amps or less,. The charging voltage of the alternator in a toyota hilux is typically around 13.8 volts.
from www.autopartssupply.com.au
Also the voltage at the battery and the voltage at the alternator should be within 0.5v. Here are the most common symptoms of a bad alternator in a toyota hilux: The charging voltage of the alternator in a toyota hilux is typically around 13.8 volts. Faulty alternator is the leading cause of red battery light illuminating in hilux which indicates a malfunction in the charging. The charging voltage should be between 13.9v to 14.4v. With the battery warning light off, standard charging current as measured at the alternator b+ wire should be 10 amps or less,. This voltage is recommended for. It should only drop a few dozen miliamps which will prove that there is no internal short in your alternator and the issue is. It’s the labor that makes the job expensive. Using a very good calibrated meter there should be very close to 12.80v on the battery terminals, within plus or minus.04v i.
Toyota Hilux Alternator 2.8ltr 3L 3ltr 5L Diesel 19881997 *Genex*
Toyota Hilux Alternator Charging Voltage This voltage is recommended for. It’s the labor that makes the job expensive. This voltage is recommended for. With the battery warning light off, standard charging current as measured at the alternator b+ wire should be 10 amps or less,. Faulty alternator is the leading cause of red battery light illuminating in hilux which indicates a malfunction in the charging. Here are the most common symptoms of a bad alternator in a toyota hilux: The charging voltage should be between 13.9v to 14.4v. It should only drop a few dozen miliamps which will prove that there is no internal short in your alternator and the issue is. Using a very good calibrated meter there should be very close to 12.80v on the battery terminals, within plus or minus.04v i. The charging voltage of the alternator in a toyota hilux is typically around 13.8 volts. Also the voltage at the battery and the voltage at the alternator should be within 0.5v.
From nextclickbrisbane.blogspot.com
The Top Benefits of Using a Toyota Hilux Alternator Toyota Hilux Alternator Charging Voltage Using a very good calibrated meter there should be very close to 12.80v on the battery terminals, within plus or minus.04v i. This voltage is recommended for. With the battery warning light off, standard charging current as measured at the alternator b+ wire should be 10 amps or less,. Also the voltage at the battery and the voltage at the. Toyota Hilux Alternator Charging Voltage.
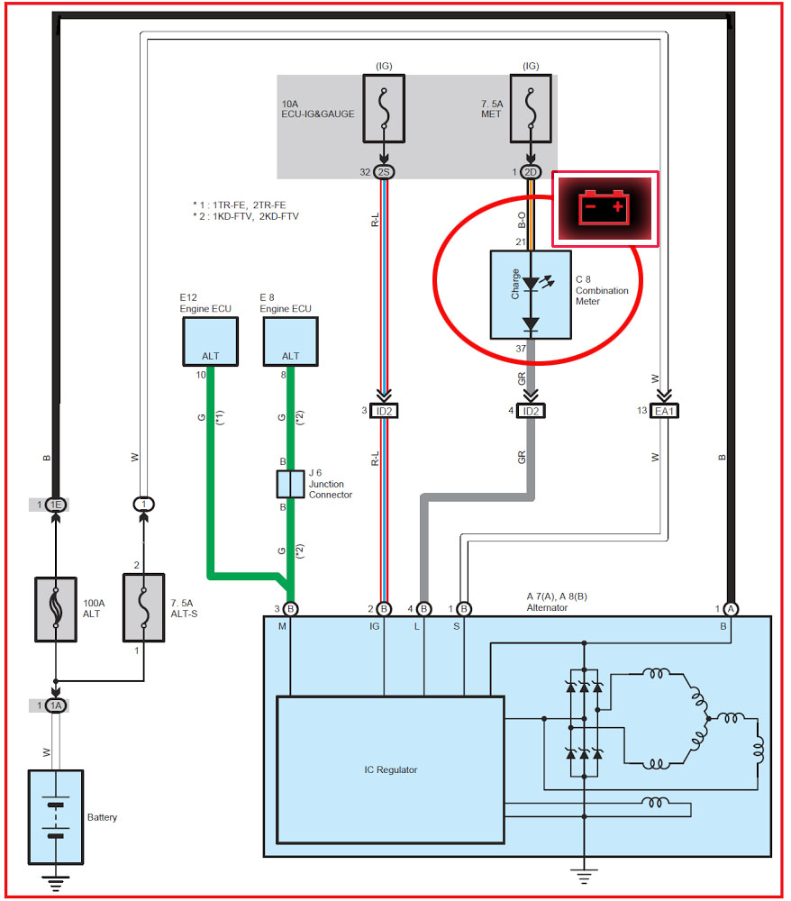
From garageengel88.z21.web.core.windows.net
Toyota Alternator Charging Voltage Toyota Hilux Alternator Charging Voltage This voltage is recommended for. With the battery warning light off, standard charging current as measured at the alternator b+ wire should be 10 amps or less,. Using a very good calibrated meter there should be very close to 12.80v on the battery terminals, within plus or minus.04v i. It’s the labor that makes the job expensive. The charging voltage. Toyota Hilux Alternator Charging Voltage.
From www.wiringdigital.com
Wiring Diagram For Toyota Hilux Alternator » Wiring Digital And Schematic Toyota Hilux Alternator Charging Voltage It should only drop a few dozen miliamps which will prove that there is no internal short in your alternator and the issue is. Also the voltage at the battery and the voltage at the alternator should be within 0.5v. Using a very good calibrated meter there should be very close to 12.80v on the battery terminals, within plus or. Toyota Hilux Alternator Charging Voltage.
From www.blogst.eu
Toyota Hilux Alternator Ensuring Reliable Power for Optimal Toyota Hilux Alternator Charging Voltage Faulty alternator is the leading cause of red battery light illuminating in hilux which indicates a malfunction in the charging. With the battery warning light off, standard charging current as measured at the alternator b+ wire should be 10 amps or less,. It should only drop a few dozen miliamps which will prove that there is no internal short in. Toyota Hilux Alternator Charging Voltage.
From take-a-part.co.za
TOYOTA HILUX Alternator TakeaPart Toyota Hilux Alternator Charging Voltage It should only drop a few dozen miliamps which will prove that there is no internal short in your alternator and the issue is. Faulty alternator is the leading cause of red battery light illuminating in hilux which indicates a malfunction in the charging. Also the voltage at the battery and the voltage at the alternator should be within 0.5v.. Toyota Hilux Alternator Charging Voltage.
From www.youtube.com
Charging system wiring diagram toyota HILUX And Haice YouTube Toyota Hilux Alternator Charging Voltage The charging voltage should be between 13.9v to 14.4v. With the battery warning light off, standard charging current as measured at the alternator b+ wire should be 10 amps or less,. It should only drop a few dozen miliamps which will prove that there is no internal short in your alternator and the issue is. The charging voltage of the. Toyota Hilux Alternator Charging Voltage.
From www.youtube.com
Testing Toyota Car Alternator's 4Pin AVR StepbyStep Guide YouTube Toyota Hilux Alternator Charging Voltage This voltage is recommended for. With the battery warning light off, standard charging current as measured at the alternator b+ wire should be 10 amps or less,. Also the voltage at the battery and the voltage at the alternator should be within 0.5v. Faulty alternator is the leading cause of red battery light illuminating in hilux which indicates a malfunction. Toyota Hilux Alternator Charging Voltage.
From www.blogst.eu
The Power Of Toyota Hilux Alternator Benefits You Need To Know Toyota Hilux Alternator Charging Voltage The charging voltage should be between 13.9v to 14.4v. Also the voltage at the battery and the voltage at the alternator should be within 0.5v. Faulty alternator is the leading cause of red battery light illuminating in hilux which indicates a malfunction in the charging. The charging voltage of the alternator in a toyota hilux is typically around 13.8 volts.. Toyota Hilux Alternator Charging Voltage.
From www.ebay.com
Alternator Voltage Regulator FOR Toyota HiAce HiLux LN111 LN167R LN172 5L DIe eBay Toyota Hilux Alternator Charging Voltage It should only drop a few dozen miliamps which will prove that there is no internal short in your alternator and the issue is. The charging voltage of the alternator in a toyota hilux is typically around 13.8 volts. This voltage is recommended for. Here are the most common symptoms of a bad alternator in a toyota hilux: It’s the. Toyota Hilux Alternator Charging Voltage.
From www.ebay.com.au
77 78 TOYOTA HILUX ALTERNATOR VOLTAGE VOLT REGULATOR 20R ALTERNATOR EXTERNAL OEM eBay Toyota Hilux Alternator Charging Voltage Faulty alternator is the leading cause of red battery light illuminating in hilux which indicates a malfunction in the charging. The charging voltage of the alternator in a toyota hilux is typically around 13.8 volts. Also the voltage at the battery and the voltage at the alternator should be within 0.5v. Here are the most common symptoms of a bad. Toyota Hilux Alternator Charging Voltage.
From pdfprof.com
toyota alternator charging voltage Toyota Hilux Alternator Charging Voltage The charging voltage should be between 13.9v to 14.4v. Using a very good calibrated meter there should be very close to 12.80v on the battery terminals, within plus or minus.04v i. The charging voltage of the alternator in a toyota hilux is typically around 13.8 volts. It should only drop a few dozen miliamps which will prove that there is. Toyota Hilux Alternator Charging Voltage.
From www.thebigblogtheory.com.au
Boost Your Vehicle's Charging System with a Toyota Hilux Toyota Hilux Alternator Charging Voltage With the battery warning light off, standard charging current as measured at the alternator b+ wire should be 10 amps or less,. Faulty alternator is the leading cause of red battery light illuminating in hilux which indicates a malfunction in the charging. It should only drop a few dozen miliamps which will prove that there is no internal short in. Toyota Hilux Alternator Charging Voltage.
From www.autopartssupply.com.au
Toyota Hilux Alternator 2.8ltr 3L 3ltr 5L Diesel 19881997 *Genex* Toyota Hilux Alternator Charging Voltage The charging voltage should be between 13.9v to 14.4v. This voltage is recommended for. Faulty alternator is the leading cause of red battery light illuminating in hilux which indicates a malfunction in the charging. With the battery warning light off, standard charging current as measured at the alternator b+ wire should be 10 amps or less,. Using a very good. Toyota Hilux Alternator Charging Voltage.
From www.circuitdiagram.co
Toyota Hilux Alternator Wiring Diagram Pdf Toyota Hilux Alternator Charging Voltage Using a very good calibrated meter there should be very close to 12.80v on the battery terminals, within plus or minus.04v i. Also the voltage at the battery and the voltage at the alternator should be within 0.5v. It’s the labor that makes the job expensive. Here are the most common symptoms of a bad alternator in a toyota hilux:. Toyota Hilux Alternator Charging Voltage.
From www.roughtrax4x4.com
Genuine Toyota Voltage Regulator Hilux Pickups 19841997 Petrol & Diesel Toyota Hilux Alternator Charging Voltage Faulty alternator is the leading cause of red battery light illuminating in hilux which indicates a malfunction in the charging. It should only drop a few dozen miliamps which will prove that there is no internal short in your alternator and the issue is. Also the voltage at the battery and the voltage at the alternator should be within 0.5v.. Toyota Hilux Alternator Charging Voltage.
From wiringdiagram.2bitboer.com
Toyota Hilux Voltage Regulator Wiring Diagram Wiring Diagram Toyota Hilux Alternator Charging Voltage This voltage is recommended for. Using a very good calibrated meter there should be very close to 12.80v on the battery terminals, within plus or minus.04v i. Here are the most common symptoms of a bad alternator in a toyota hilux: It should only drop a few dozen miliamps which will prove that there is no internal short in your. Toyota Hilux Alternator Charging Voltage.
From wiring.hpricorpcom.com
Toyota Hilux Alternator Wiring Diagram Wiring Diagram and Schematic Toyota Hilux Alternator Charging Voltage With the battery warning light off, standard charging current as measured at the alternator b+ wire should be 10 amps or less,. Also the voltage at the battery and the voltage at the alternator should be within 0.5v. Faulty alternator is the leading cause of red battery light illuminating in hilux which indicates a malfunction in the charging. Here are. Toyota Hilux Alternator Charging Voltage.
From www.caretxdigital.com
Hilux Alternator Wiring Diagram Wiring Diagram and Schematics Toyota Hilux Alternator Charging Voltage It should only drop a few dozen miliamps which will prove that there is no internal short in your alternator and the issue is. The charging voltage of the alternator in a toyota hilux is typically around 13.8 volts. This voltage is recommended for. Using a very good calibrated meter there should be very close to 12.80v on the battery. Toyota Hilux Alternator Charging Voltage.
From 6vvvvvv2.blogspot.com
TECHNIC AUTO CAR TOYOTA HILUX VIGO CHARGING Toyota Hilux Alternator Charging Voltage Using a very good calibrated meter there should be very close to 12.80v on the battery terminals, within plus or minus.04v i. It should only drop a few dozen miliamps which will prove that there is no internal short in your alternator and the issue is. With the battery warning light off, standard charging current as measured at the alternator. Toyota Hilux Alternator Charging Voltage.
From www.ebay.com
77 78 TOYOTA HILUX ALTERNATOR VOLTAGE VOLT REGULATOR 20R ALTERNATOR EXTERNAL OEM eBay Toyota Hilux Alternator Charging Voltage With the battery warning light off, standard charging current as measured at the alternator b+ wire should be 10 amps or less,. Faulty alternator is the leading cause of red battery light illuminating in hilux which indicates a malfunction in the charging. Here are the most common symptoms of a bad alternator in a toyota hilux: It’s the labor that. Toyota Hilux Alternator Charging Voltage.
From www.thebigblogtheory.com.au
Boost Your Vehicle's Charging System with a Toyota Hilux Toyota Hilux Alternator Charging Voltage The charging voltage should be between 13.9v to 14.4v. This voltage is recommended for. With the battery warning light off, standard charging current as measured at the alternator b+ wire should be 10 amps or less,. Faulty alternator is the leading cause of red battery light illuminating in hilux which indicates a malfunction in the charging. It should only drop. Toyota Hilux Alternator Charging Voltage.
From www.circuitdiagram.co
Toyota Hilux D4d Alternator Wiring Diagram Toyota Hilux Alternator Charging Voltage It should only drop a few dozen miliamps which will prove that there is no internal short in your alternator and the issue is. The charging voltage should be between 13.9v to 14.4v. This voltage is recommended for. Faulty alternator is the leading cause of red battery light illuminating in hilux which indicates a malfunction in the charging. It’s the. Toyota Hilux Alternator Charging Voltage.
From www.caretxdigital.com
Hilux Alternator Wiring Diagram Wiring Diagram and Schematics Toyota Hilux Alternator Charging Voltage It’s the labor that makes the job expensive. This voltage is recommended for. Faulty alternator is the leading cause of red battery light illuminating in hilux which indicates a malfunction in the charging. With the battery warning light off, standard charging current as measured at the alternator b+ wire should be 10 amps or less,. Using a very good calibrated. Toyota Hilux Alternator Charging Voltage.
From www.circuitdiagram.co
Toyota Hilux Alternator Wiring Diagram Circuit Diagram Toyota Hilux Alternator Charging Voltage Faulty alternator is the leading cause of red battery light illuminating in hilux which indicates a malfunction in the charging. With the battery warning light off, standard charging current as measured at the alternator b+ wire should be 10 amps or less,. Also the voltage at the battery and the voltage at the alternator should be within 0.5v. The charging. Toyota Hilux Alternator Charging Voltage.
From www.thebigblogtheory.com.au
Toyota Hilux Alternator 7 Signs of a Faulty Alternator and how to replace It Toyota Hilux Alternator Charging Voltage The charging voltage of the alternator in a toyota hilux is typically around 13.8 volts. The charging voltage should be between 13.9v to 14.4v. It’s the labor that makes the job expensive. Here are the most common symptoms of a bad alternator in a toyota hilux: With the battery warning light off, standard charging current as measured at the alternator. Toyota Hilux Alternator Charging Voltage.
From www.circuitdiagram.co
Toyota Hilux D4d Alternator Wiring Diagram Toyota Hilux Alternator Charging Voltage With the battery warning light off, standard charging current as measured at the alternator b+ wire should be 10 amps or less,. Faulty alternator is the leading cause of red battery light illuminating in hilux which indicates a malfunction in the charging. Using a very good calibrated meter there should be very close to 12.80v on the battery terminals, within. Toyota Hilux Alternator Charging Voltage.
From www.youtube.com
HOW TO REPLACED ALTERNATOR TOYOTA HILUX YouTube Toyota Hilux Alternator Charging Voltage The charging voltage should be between 13.9v to 14.4v. It should only drop a few dozen miliamps which will prove that there is no internal short in your alternator and the issue is. This voltage is recommended for. Faulty alternator is the leading cause of red battery light illuminating in hilux which indicates a malfunction in the charging. Using a. Toyota Hilux Alternator Charging Voltage.
From www.wiringdigital.com
Hilux Alternator Wiring Diagram Wiring Digital and Schematic Toyota Hilux Alternator Charging Voltage The charging voltage should be between 13.9v to 14.4v. Using a very good calibrated meter there should be very close to 12.80v on the battery terminals, within plus or minus.04v i. It’s the labor that makes the job expensive. Faulty alternator is the leading cause of red battery light illuminating in hilux which indicates a malfunction in the charging. Here. Toyota Hilux Alternator Charging Voltage.
From www.organised-sound.com
Toyota Hilux 4 Pin Alternator Wiring Diagram Wiring Diagram Toyota Hilux Alternator Charging Voltage Here are the most common symptoms of a bad alternator in a toyota hilux: This voltage is recommended for. Also the voltage at the battery and the voltage at the alternator should be within 0.5v. With the battery warning light off, standard charging current as measured at the alternator b+ wire should be 10 amps or less,. The charging voltage. Toyota Hilux Alternator Charging Voltage.
From wiringdiagram.2bitboer.com
Toyota Hilux Alternator Wiring Diagram Wiring Diagram Toyota Hilux Alternator Charging Voltage The charging voltage of the alternator in a toyota hilux is typically around 13.8 volts. The charging voltage should be between 13.9v to 14.4v. Using a very good calibrated meter there should be very close to 12.80v on the battery terminals, within plus or minus.04v i. It should only drop a few dozen miliamps which will prove that there is. Toyota Hilux Alternator Charging Voltage.
From www.ebay.com
77 78 TOYOTA HILUX ALTERNATOR VOLTAGE VOLT REGULATOR 20R ALTERNATOR EXTERNAL OEM eBay Toyota Hilux Alternator Charging Voltage Faulty alternator is the leading cause of red battery light illuminating in hilux which indicates a malfunction in the charging. With the battery warning light off, standard charging current as measured at the alternator b+ wire should be 10 amps or less,. It’s the labor that makes the job expensive. The charging voltage of the alternator in a toyota hilux. Toyota Hilux Alternator Charging Voltage.
From www.milneroffroad.com
Alternator Voltage Regulator (12 Volt) for TOYOTA HILUX 2.4L Diesel Pickup 8/1988 to 7/1997 Toyota Hilux Alternator Charging Voltage Using a very good calibrated meter there should be very close to 12.80v on the battery terminals, within plus or minus.04v i. Also the voltage at the battery and the voltage at the alternator should be within 0.5v. With the battery warning light off, standard charging current as measured at the alternator b+ wire should be 10 amps or less,.. Toyota Hilux Alternator Charging Voltage.
From www.ebay.com.au
Alternator Voltage Regulator FOR Toyota HiAce HiLux LN111 LN167R LN172 5L DIe eBay Toyota Hilux Alternator Charging Voltage Faulty alternator is the leading cause of red battery light illuminating in hilux which indicates a malfunction in the charging. The charging voltage should be between 13.9v to 14.4v. Here are the most common symptoms of a bad alternator in a toyota hilux: Also the voltage at the battery and the voltage at the alternator should be within 0.5v. With. Toyota Hilux Alternator Charging Voltage.
From www.blogshifter.com
Toyota Hilux Alternator Solution to All Powerrelated Issues Toyota Hilux Alternator Charging Voltage Here are the most common symptoms of a bad alternator in a toyota hilux: The charging voltage of the alternator in a toyota hilux is typically around 13.8 volts. This voltage is recommended for. Faulty alternator is the leading cause of red battery light illuminating in hilux which indicates a malfunction in the charging. Using a very good calibrated meter. Toyota Hilux Alternator Charging Voltage.
From www.blogscotchrouge.com
The Toyota Hilux Alternator Your Answer to Reliable Power Toyota Hilux Alternator Charging Voltage The charging voltage should be between 13.9v to 14.4v. The charging voltage of the alternator in a toyota hilux is typically around 13.8 volts. It should only drop a few dozen miliamps which will prove that there is no internal short in your alternator and the issue is. Also the voltage at the battery and the voltage at the alternator. Toyota Hilux Alternator Charging Voltage.