Parking Light Location . This is common sense and respect rolled into one. Parking lights offer a subtler cue that doesn’t blind oncoming traffic or drain the battery as quickly as your main beams. Parking lights are used when parking in narrow areas or poorly lit places. Parking lights, also known as sidelights or marker lights, are a set of small lights located on the front and rear of a vehicle. You may have heard them referred to as sidelights before. These are usually housed within the same cluster as. Parking lights, also known as sidelights or position lights, are small lights located at the front and rear of a car. Parking lights are small lights you’ll find at the front of the car. However, don’t use these lights alone, as they may not provide appropriate illumination.
from thedkz.com
Parking lights are used when parking in narrow areas or poorly lit places. This is common sense and respect rolled into one. Parking lights are small lights you’ll find at the front of the car. Parking lights, also known as sidelights or marker lights, are a set of small lights located on the front and rear of a vehicle. Parking lights, also known as sidelights or position lights, are small lights located at the front and rear of a car. However, don’t use these lights alone, as they may not provide appropriate illumination. These are usually housed within the same cluster as. You may have heard them referred to as sidelights before. Parking lights offer a subtler cue that doesn’t blind oncoming traffic or drain the battery as quickly as your main beams.
How To Turn On Parking Lights 5 Cars Parking Light क्या है और इसका
Parking Light Location Parking lights offer a subtler cue that doesn’t blind oncoming traffic or drain the battery as quickly as your main beams. Parking lights are small lights you’ll find at the front of the car. This is common sense and respect rolled into one. However, don’t use these lights alone, as they may not provide appropriate illumination. You may have heard them referred to as sidelights before. Parking lights offer a subtler cue that doesn’t blind oncoming traffic or drain the battery as quickly as your main beams. Parking lights are used when parking in narrow areas or poorly lit places. Parking lights, also known as sidelights or position lights, are small lights located at the front and rear of a car. These are usually housed within the same cluster as. Parking lights, also known as sidelights or marker lights, are a set of small lights located on the front and rear of a vehicle.
From www.pinterest.com
Solar Powered LED Parking Lot Lights Greenlytes Blog Led parking Parking Light Location You may have heard them referred to as sidelights before. This is common sense and respect rolled into one. Parking lights, also known as sidelights or position lights, are small lights located at the front and rear of a car. These are usually housed within the same cluster as. Parking lights, also known as sidelights or marker lights, are a. Parking Light Location.
From ftplatinum.ae
300W LED Parking Lot Light Slip Fitter Mount 36000LM 5000K Outdoor Parking Light Location Parking lights, also known as sidelights or marker lights, are a set of small lights located on the front and rear of a vehicle. Parking lights offer a subtler cue that doesn’t blind oncoming traffic or drain the battery as quickly as your main beams. These are usually housed within the same cluster as. Parking lights are small lights you’ll. Parking Light Location.
From www.youtube.com
When should you use the parking lights? YouTube Parking Light Location Parking lights are small lights you’ll find at the front of the car. Parking lights, also known as sidelights or position lights, are small lights located at the front and rear of a car. Parking lights are used when parking in narrow areas or poorly lit places. Parking lights, also known as sidelights or marker lights, are a set of. Parking Light Location.
From resolar.ca
Lighting Design, Installation & repair Roberts Electrical Parking Light Location Parking lights, also known as sidelights or marker lights, are a set of small lights located on the front and rear of a vehicle. These are usually housed within the same cluster as. This is common sense and respect rolled into one. Parking lights are used when parking in narrow areas or poorly lit places. Parking lights offer a subtler. Parking Light Location.
From uchanics.ca
Parking Light Replacement Cost and Guide Uchanics Auto Repair Parking Light Location Parking lights offer a subtler cue that doesn’t blind oncoming traffic or drain the battery as quickly as your main beams. However, don’t use these lights alone, as they may not provide appropriate illumination. You may have heard them referred to as sidelights before. Parking lights are used when parking in narrow areas or poorly lit places. Parking lights, also. Parking Light Location.
From www.creativeinstallations.com.au
CRV 2023 Reverse Parking Sensors Beeping Creative Installations Parking Light Location Parking lights, also known as sidelights or marker lights, are a set of small lights located on the front and rear of a vehicle. You may have heard them referred to as sidelights before. Parking lights, also known as sidelights or position lights, are small lights located at the front and rear of a car. These are usually housed within. Parking Light Location.
From www.autozone.com
Repair Guides Exterior Lighting (2004) Licence Plate Lights Parking Light Location This is common sense and respect rolled into one. However, don’t use these lights alone, as they may not provide appropriate illumination. Parking lights are used when parking in narrow areas or poorly lit places. These are usually housed within the same cluster as. Parking lights, also known as sidelights or position lights, are small lights located at the front. Parking Light Location.
From www.gadgetronicx.com
Parking Lights circuit Gadgetronicx Parking Light Location Parking lights offer a subtler cue that doesn’t blind oncoming traffic or drain the battery as quickly as your main beams. Parking lights are used when parking in narrow areas or poorly lit places. You may have heard them referred to as sidelights before. Parking lights, also known as sidelights or position lights, are small lights located at the front. Parking Light Location.
From www.propark.com
What are Parking Lights? Propark Mobility Parking Light Location Parking lights are used when parking in narrow areas or poorly lit places. Parking lights offer a subtler cue that doesn’t blind oncoming traffic or drain the battery as quickly as your main beams. You may have heard them referred to as sidelights before. This is common sense and respect rolled into one. Parking lights, also known as sidelights or. Parking Light Location.
From www.thirdgen.org
Parking Lights Third Generation FBody Message Boards Parking Light Location Parking lights, also known as sidelights or marker lights, are a set of small lights located on the front and rear of a vehicle. These are usually housed within the same cluster as. Parking lights are small lights you’ll find at the front of the car. This is common sense and respect rolled into one. Parking lights are used when. Parking Light Location.
From repairmachinemarmiericz.z22.web.core.windows.net
Replace Brake Light 2013 Ford Escape Parking Light Location Parking lights, also known as sidelights or marker lights, are a set of small lights located on the front and rear of a vehicle. However, don’t use these lights alone, as they may not provide appropriate illumination. Parking lights are small lights you’ll find at the front of the car. These are usually housed within the same cluster as. Parking. Parking Light Location.
From www.rs25.com
Wiring an aftermarket alarm for parking lights to flash? Subaru Parking Light Location However, don’t use these lights alone, as they may not provide appropriate illumination. This is common sense and respect rolled into one. You may have heard them referred to as sidelights before. Parking lights offer a subtler cue that doesn’t blind oncoming traffic or drain the battery as quickly as your main beams. Parking lights are small lights you’ll find. Parking Light Location.
From www.2carpros.com
Parking Lights Stay On Parking Lights Stay on When Vehicle Is Off... Parking Light Location Parking lights, also known as sidelights or marker lights, are a set of small lights located on the front and rear of a vehicle. Parking lights, also known as sidelights or position lights, are small lights located at the front and rear of a car. However, don’t use these lights alone, as they may not provide appropriate illumination. Parking lights. Parking Light Location.
From ftplatinum.ae
300W LED Parking Lot Light Slip Fitter Mount 36000LM 5000K Outdoor Parking Light Location Parking lights, also known as sidelights or position lights, are small lights located at the front and rear of a car. Parking lights are used when parking in narrow areas or poorly lit places. Parking lights, also known as sidelights or marker lights, are a set of small lights located on the front and rear of a vehicle. These are. Parking Light Location.
From www.joshthedrivinginstructor.com
Parking Lights and Night Time Parking Josh The Driving Instructor Parking Light Location Parking lights offer a subtler cue that doesn’t blind oncoming traffic or drain the battery as quickly as your main beams. Parking lights, also known as sidelights or position lights, are small lights located at the front and rear of a car. You may have heard them referred to as sidelights before. Parking lights are small lights you’ll find at. Parking Light Location.
From www.the12volt.com
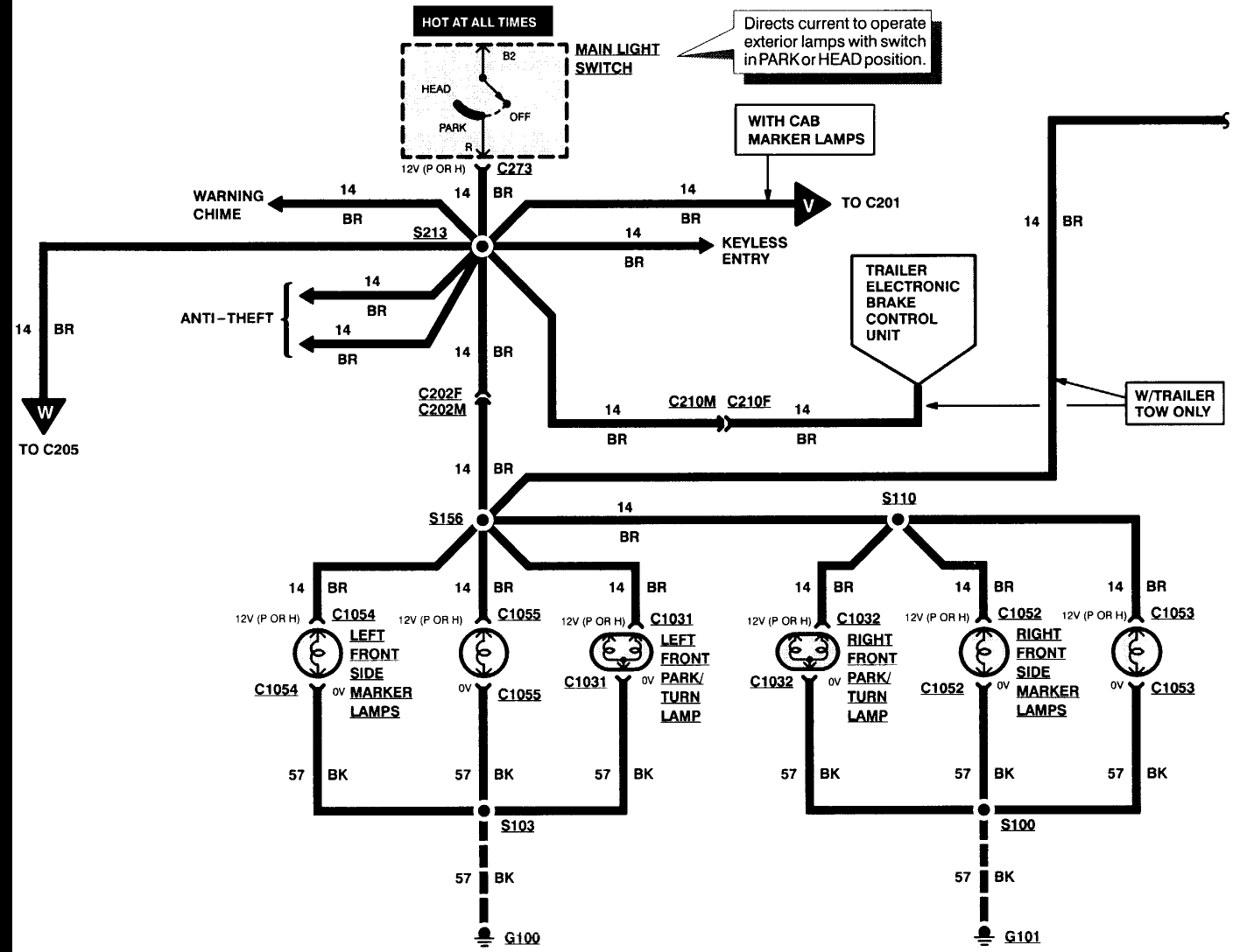
2021 Ford F150 Wiring Guide Parking Light Location Parking lights, also known as sidelights or marker lights, are a set of small lights located on the front and rear of a vehicle. Parking lights, also known as sidelights or position lights, are small lights located at the front and rear of a car. Parking lights are small lights you’ll find at the front of the car. You may. Parking Light Location.
From www.2carpros.com
Parking Lights Stay On Parking Lights Stay on When Vehicle Is Off... Parking Light Location Parking lights offer a subtler cue that doesn’t blind oncoming traffic or drain the battery as quickly as your main beams. Parking lights, also known as sidelights or position lights, are small lights located at the front and rear of a car. This is common sense and respect rolled into one. You may have heard them referred to as sidelights. Parking Light Location.
From www.ebay.com
When to Use Parking Lights vs. Headlights eBay Motors Blog Parking Light Location Parking lights, also known as sidelights or position lights, are small lights located at the front and rear of a car. Parking lights are used when parking in narrow areas or poorly lit places. However, don’t use these lights alone, as they may not provide appropriate illumination. Parking lights offer a subtler cue that doesn’t blind oncoming traffic or drain. Parking Light Location.
From www.justanswer.com
All parking lights stay on all the time draining the battery, its not Parking Light Location This is common sense and respect rolled into one. Parking lights, also known as sidelights or marker lights, are a set of small lights located on the front and rear of a vehicle. Parking lights offer a subtler cue that doesn’t blind oncoming traffic or drain the battery as quickly as your main beams. Parking lights are used when parking. Parking Light Location.
From mechaniclistsewens101.z22.web.core.windows.net
1990 Chevy 1500 Brake Line Diagram Parking Light Location You may have heard them referred to as sidelights before. These are usually housed within the same cluster as. Parking lights, also known as sidelights or position lights, are small lights located at the front and rear of a car. Parking lights offer a subtler cue that doesn’t blind oncoming traffic or drain the battery as quickly as your main. Parking Light Location.
From www.circuitdiagram.co
Turn Signal Parking Light Wiring Diagram Circuit Diagram Parking Light Location Parking lights offer a subtler cue that doesn’t blind oncoming traffic or drain the battery as quickly as your main beams. This is common sense and respect rolled into one. Parking lights are small lights you’ll find at the front of the car. Parking lights, also known as sidelights or marker lights, are a set of small lights located on. Parking Light Location.
From thedkz.com
How To Turn On Parking Lights 5 Cars Parking Light क्या है और इसका Parking Light Location Parking lights are used when parking in narrow areas or poorly lit places. Parking lights, also known as sidelights or marker lights, are a set of small lights located on the front and rear of a vehicle. Parking lights are small lights you’ll find at the front of the car. These are usually housed within the same cluster as. This. Parking Light Location.
From www.almarsguides.com
Dying Light Quarantine Zones Locations & Guide Parking Light Location You may have heard them referred to as sidelights before. Parking lights are small lights you’ll find at the front of the car. Parking lights, also known as sidelights or position lights, are small lights located at the front and rear of a car. This is common sense and respect rolled into one. Parking lights are used when parking in. Parking Light Location.
From carfromjapan.com
Parking Lights Something You Should Know About NOW! Parking Light Location Parking lights, also known as sidelights or marker lights, are a set of small lights located on the front and rear of a vehicle. Parking lights are small lights you’ll find at the front of the car. These are usually housed within the same cluster as. This is common sense and respect rolled into one. You may have heard them. Parking Light Location.
From www.infinitybox.com
Parking Lights Infinitybox Parking Light Location These are usually housed within the same cluster as. Parking lights are used when parking in narrow areas or poorly lit places. Parking lights are small lights you’ll find at the front of the car. This is common sense and respect rolled into one. Parking lights offer a subtler cue that doesn’t blind oncoming traffic or drain the battery as. Parking Light Location.
From www.2carpros.com
Parking Lights Go on and Off Randomly? Parking Light Location Parking lights, also known as sidelights or marker lights, are a set of small lights located on the front and rear of a vehicle. You may have heard them referred to as sidelights before. Parking lights are used when parking in narrow areas or poorly lit places. Parking lights, also known as sidelights or position lights, are small lights located. Parking Light Location.
From www.2carpros.com
Parking Lights Not Working My Parking Lights Don't Want Parking Light Location You may have heard them referred to as sidelights before. Parking lights, also known as sidelights or position lights, are small lights located at the front and rear of a car. Parking lights offer a subtler cue that doesn’t blind oncoming traffic or drain the battery as quickly as your main beams. Parking lights, also known as sidelights or marker. Parking Light Location.
From www.carid.com
Lumen® GMC Sierra 1500 1999 Chrome Crystal Turn Signal/Parking Lights Parking Light Location Parking lights are small lights you’ll find at the front of the car. Parking lights offer a subtler cue that doesn’t blind oncoming traffic or drain the battery as quickly as your main beams. Parking lights, also known as sidelights or marker lights, are a set of small lights located on the front and rear of a vehicle. This is. Parking Light Location.
From www.youtube.com
Howto 201015 prius parking lights "easy way" YouTube Parking Light Location These are usually housed within the same cluster as. Parking lights offer a subtler cue that doesn’t blind oncoming traffic or drain the battery as quickly as your main beams. Parking lights, also known as sidelights or position lights, are small lights located at the front and rear of a car. However, don’t use these lights alone, as they may. Parking Light Location.
From www.binderplanet.com
Emergency / Parking Brake Sensor Part Number Parking Light Location Parking lights, also known as sidelights or marker lights, are a set of small lights located on the front and rear of a vehicle. However, don’t use these lights alone, as they may not provide appropriate illumination. Parking lights, also known as sidelights or position lights, are small lights located at the front and rear of a car. Parking lights. Parking Light Location.
From www.dreamstime.com
Parking Lights Realistic Composition Stock Illustration Illustration Parking Light Location You may have heard them referred to as sidelights before. However, don’t use these lights alone, as they may not provide appropriate illumination. Parking lights, also known as sidelights or marker lights, are a set of small lights located on the front and rear of a vehicle. This is common sense and respect rolled into one. Parking lights, also known. Parking Light Location.
From www.justanswer.com
Aloha, I am trying to trouble shoot parking lights that do not come on Parking Light Location However, don’t use these lights alone, as they may not provide appropriate illumination. These are usually housed within the same cluster as. Parking lights are small lights you’ll find at the front of the car. Parking lights, also known as sidelights or marker lights, are a set of small lights located on the front and rear of a vehicle. Parking. Parking Light Location.
From garagenkoavx.z21.web.core.windows.net
Drl Lights On Dash Parking Light Location You may have heard them referred to as sidelights before. Parking lights, also known as sidelights or position lights, are small lights located at the front and rear of a car. Parking lights are small lights you’ll find at the front of the car. Parking lights, also known as sidelights or marker lights, are a set of small lights located. Parking Light Location.
From ftplatinum.ae
300W LED Parking Lot Light Slip Fitter Mount 36000LM 5000K Outdoor Parking Light Location Parking lights offer a subtler cue that doesn’t blind oncoming traffic or drain the battery as quickly as your main beams. This is common sense and respect rolled into one. These are usually housed within the same cluster as. Parking lights are small lights you’ll find at the front of the car. However, don’t use these lights alone, as they. Parking Light Location.
From www.2carpros.com
Parking Lights Stay On Parking Lights Stay on When Vehicle Is Off... Parking Light Location You may have heard them referred to as sidelights before. Parking lights, also known as sidelights or position lights, are small lights located at the front and rear of a car. Parking lights are small lights you’ll find at the front of the car. Parking lights, also known as sidelights or marker lights, are a set of small lights located. Parking Light Location.