Wire Rope Emergency Stop . Compare different models and features of lifeline 3, 4 and 5 cable pull switches. Grab wire switches, or rope pull switches, are a type of emergency stop switch that is hung by a cable around a piece of machinery. Safety pull cable switch, with integrated emergency stop button, has steel cable to provide emergency stop actuation for conveyors and large machinery. Linestrong is a rope pull emergency stop switch, used for easy reach of the emergency stop function along machines and sections of. Emergency stop rope pull switches are essential in premises and on machines that are potentially dangerous when operating.
        
         
         
        from www.mdpi.com 
     
        
        Emergency stop rope pull switches are essential in premises and on machines that are potentially dangerous when operating. Grab wire switches, or rope pull switches, are a type of emergency stop switch that is hung by a cable around a piece of machinery. Safety pull cable switch, with integrated emergency stop button, has steel cable to provide emergency stop actuation for conveyors and large machinery. Compare different models and features of lifeline 3, 4 and 5 cable pull switches. Linestrong is a rope pull emergency stop switch, used for easy reach of the emergency stop function along machines and sections of.
    
    	
            
	
		 
	 
         
    Buildings Free FullText Wire Rope Isolators for the Vibration 
    Wire Rope Emergency Stop  Linestrong is a rope pull emergency stop switch, used for easy reach of the emergency stop function along machines and sections of. Grab wire switches, or rope pull switches, are a type of emergency stop switch that is hung by a cable around a piece of machinery. Safety pull cable switch, with integrated emergency stop button, has steel cable to provide emergency stop actuation for conveyors and large machinery. Linestrong is a rope pull emergency stop switch, used for easy reach of the emergency stop function along machines and sections of. Compare different models and features of lifeline 3, 4 and 5 cable pull switches. Emergency stop rope pull switches are essential in premises and on machines that are potentially dangerous when operating.
            
	
		 
	 
         
 
    
         
        From www.alibaba.com 
                    Safety Rope Pull Wire Emergency Stop Switch Two Way Pull Cord Alarm Wire Rope Emergency Stop  Compare different models and features of lifeline 3, 4 and 5 cable pull switches. Safety pull cable switch, with integrated emergency stop button, has steel cable to provide emergency stop actuation for conveyors and large machinery. Emergency stop rope pull switches are essential in premises and on machines that are potentially dangerous when operating. Linestrong is a rope pull emergency. Wire Rope Emergency Stop.
     
    
         
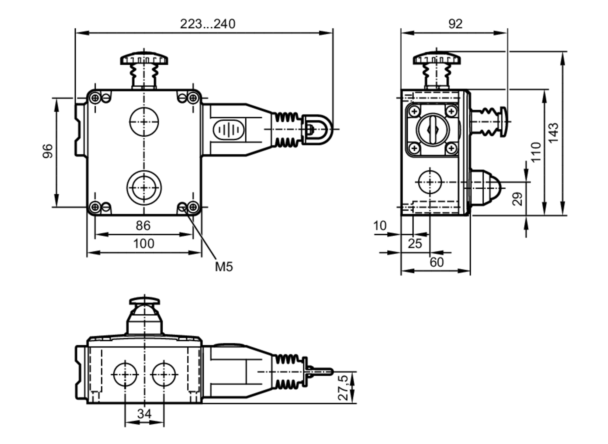
        From www.mapleleafropes.com 
                    Rope Stops Lowest prices & free shipping Maple Leaf Ropes Wire Rope Emergency Stop  Emergency stop rope pull switches are essential in premises and on machines that are potentially dangerous when operating. Compare different models and features of lifeline 3, 4 and 5 cable pull switches. Linestrong is a rope pull emergency stop switch, used for easy reach of the emergency stop function along machines and sections of. Grab wire switches, or rope pull. Wire Rope Emergency Stop.
     
    
         
        From www.aliexpress.com 
                    Steel Wire Rope Core Fire Safety Flame Retardants Cord Life saving Wire Rope Emergency Stop  Linestrong is a rope pull emergency stop switch, used for easy reach of the emergency stop function along machines and sections of. Emergency stop rope pull switches are essential in premises and on machines that are potentially dangerous when operating. Compare different models and features of lifeline 3, 4 and 5 cable pull switches. Grab wire switches, or rope pull. Wire Rope Emergency Stop.
     
    
         
        From www.ifm.com 
                    ZB0052 Safety rope emergency stop switch ifm Wire Rope Emergency Stop  Safety pull cable switch, with integrated emergency stop button, has steel cable to provide emergency stop actuation for conveyors and large machinery. Linestrong is a rope pull emergency stop switch, used for easy reach of the emergency stop function along machines and sections of. Emergency stop rope pull switches are essential in premises and on machines that are potentially dangerous. Wire Rope Emergency Stop.
     
    
         
        From rfe.ie 
                    Pull Rope Emergency Stop Switches LRS Triggered over 20m RFE Wire Rope Emergency Stop  Emergency stop rope pull switches are essential in premises and on machines that are potentially dangerous when operating. Compare different models and features of lifeline 3, 4 and 5 cable pull switches. Linestrong is a rope pull emergency stop switch, used for easy reach of the emergency stop function along machines and sections of. Safety pull cable switch, with integrated. Wire Rope Emergency Stop.
     
    
         
        From www.grainger.com 
                    DAYTON Wire Rope Stop Sleeve, For Wire Rope Dia. 1/4 in, Aluminum Alloy Wire Rope Emergency Stop  Emergency stop rope pull switches are essential in premises and on machines that are potentially dangerous when operating. Linestrong is a rope pull emergency stop switch, used for easy reach of the emergency stop function along machines and sections of. Compare different models and features of lifeline 3, 4 and 5 cable pull switches. Safety pull cable switch, with integrated. Wire Rope Emergency Stop.
     
    
         
        From www.mdpi.com 
                    Buildings Free FullText Wire Rope Isolators for the Vibration Wire Rope Emergency Stop  Linestrong is a rope pull emergency stop switch, used for easy reach of the emergency stop function along machines and sections of. Compare different models and features of lifeline 3, 4 and 5 cable pull switches. Emergency stop rope pull switches are essential in premises and on machines that are potentially dangerous when operating. Safety pull cable switch, with integrated. Wire Rope Emergency Stop.
     
    
         
        From toolsweek.com 
                    How to Wire an Emergency Stop Button Diagram (Walkthrough and Steps) Wire Rope Emergency Stop  Compare different models and features of lifeline 3, 4 and 5 cable pull switches. Safety pull cable switch, with integrated emergency stop button, has steel cable to provide emergency stop actuation for conveyors and large machinery. Linestrong is a rope pull emergency stop switch, used for easy reach of the emergency stop function along machines and sections of. Emergency stop. Wire Rope Emergency Stop.
     
    
         
        From www.ifm.com 
                    ZB0051 Safety rope emergency stop switch ifm Wire Rope Emergency Stop  Grab wire switches, or rope pull switches, are a type of emergency stop switch that is hung by a cable around a piece of machinery. Emergency stop rope pull switches are essential in premises and on machines that are potentially dangerous when operating. Safety pull cable switch, with integrated emergency stop button, has steel cable to provide emergency stop actuation. Wire Rope Emergency Stop.
     
    
         
        From www.mts-waagen.de 
                    Pullrope emergency stop switch MTS Wägetechnik Wire Rope Emergency Stop  Emergency stop rope pull switches are essential in premises and on machines that are potentially dangerous when operating. Compare different models and features of lifeline 3, 4 and 5 cable pull switches. Grab wire switches, or rope pull switches, are a type of emergency stop switch that is hung by a cable around a piece of machinery. Linestrong is a. Wire Rope Emergency Stop.
     
    
         
        From www.staalkabelstunter.com 
                    Stainless Wire Ropestop 5Mm M10 For Sale Wire rope stunter Wire Rope Emergency Stop  Linestrong is a rope pull emergency stop switch, used for easy reach of the emergency stop function along machines and sections of. Safety pull cable switch, with integrated emergency stop button, has steel cable to provide emergency stop actuation for conveyors and large machinery. Emergency stop rope pull switches are essential in premises and on machines that are potentially dangerous. Wire Rope Emergency Stop.
     
    
         
        From www.kbtelektrik.com 
                    Rope System Connection Equipment KBT Electric Conveyor Belt Safety Wire Rope Emergency Stop  Grab wire switches, or rope pull switches, are a type of emergency stop switch that is hung by a cable around a piece of machinery. Emergency stop rope pull switches are essential in premises and on machines that are potentially dangerous when operating. Compare different models and features of lifeline 3, 4 and 5 cable pull switches. Safety pull cable. Wire Rope Emergency Stop.
     
    
         
        From www.bannerengineering.com 
                    Paro de Emergencia (Ensamble con Interruptor de Cuerda montado en Centro) Wire Rope Emergency Stop  Linestrong is a rope pull emergency stop switch, used for easy reach of the emergency stop function along machines and sections of. Compare different models and features of lifeline 3, 4 and 5 cable pull switches. Emergency stop rope pull switches are essential in premises and on machines that are potentially dangerous when operating. Grab wire switches, or rope pull. Wire Rope Emergency Stop.
     
    
         
        From technical-avenue.com.vn 
                    Rope Pull with Emergency Stop Functionality Technical Avenue Wire Rope Emergency Stop  Linestrong is a rope pull emergency stop switch, used for easy reach of the emergency stop function along machines and sections of. Safety pull cable switch, with integrated emergency stop button, has steel cable to provide emergency stop actuation for conveyors and large machinery. Grab wire switches, or rope pull switches, are a type of emergency stop switch that is. Wire Rope Emergency Stop.
     
    
         
        From www.americansurplus.com 
                    Used Cable Emergency Stop (Safety Pull Cord) Wire Rope Emergency Stop  Grab wire switches, or rope pull switches, are a type of emergency stop switch that is hung by a cable around a piece of machinery. Linestrong is a rope pull emergency stop switch, used for easy reach of the emergency stop function along machines and sections of. Compare different models and features of lifeline 3, 4 and 5 cable pull. Wire Rope Emergency Stop.
     
    
         
        From www.nanodesign.ba 
                    Business & Industrial Control Systems & PLCs Sick i110 RP223 Safety Wire Rope Emergency Stop  Grab wire switches, or rope pull switches, are a type of emergency stop switch that is hung by a cable around a piece of machinery. Safety pull cable switch, with integrated emergency stop button, has steel cable to provide emergency stop actuation for conveyors and large machinery. Emergency stop rope pull switches are essential in premises and on machines that. Wire Rope Emergency Stop.
     
    
         
        From www.reichelt.com 
                    XY2CH13250 Pullrope emergency stop switch, for 15 m cable, 1Ö+1S at Wire Rope Emergency Stop  Linestrong is a rope pull emergency stop switch, used for easy reach of the emergency stop function along machines and sections of. Safety pull cable switch, with integrated emergency stop button, has steel cable to provide emergency stop actuation for conveyors and large machinery. Emergency stop rope pull switches are essential in premises and on machines that are potentially dangerous. Wire Rope Emergency Stop.
     
    
         
        From www.alibaba.com 
                    Safety Rope Pull Wire Emergency Stop Switch Two Way Pull Cord Alarm Wire Rope Emergency Stop  Compare different models and features of lifeline 3, 4 and 5 cable pull switches. Grab wire switches, or rope pull switches, are a type of emergency stop switch that is hung by a cable around a piece of machinery. Safety pull cable switch, with integrated emergency stop button, has steel cable to provide emergency stop actuation for conveyors and large. Wire Rope Emergency Stop.
     
    
         
        From www.reichelt.com 
                    XY2CJS19H29 Pullrope emergency stop switch, for 20 m pull cord, 2 NC Wire Rope Emergency Stop  Linestrong is a rope pull emergency stop switch, used for easy reach of the emergency stop function along machines and sections of. Compare different models and features of lifeline 3, 4 and 5 cable pull switches. Emergency stop rope pull switches are essential in premises and on machines that are potentially dangerous when operating. Grab wire switches, or rope pull. Wire Rope Emergency Stop.
     
    
         
        From www.aliexpress.com 
                    Pull cord / pull rope emergency stop switch manual reset with button Wire Rope Emergency Stop  Emergency stop rope pull switches are essential in premises and on machines that are potentially dangerous when operating. Grab wire switches, or rope pull switches, are a type of emergency stop switch that is hung by a cable around a piece of machinery. Safety pull cable switch, with integrated emergency stop button, has steel cable to provide emergency stop actuation. Wire Rope Emergency Stop.
     
    
         
        From www.aliexpress.com 
                    Buy 4 Meters 3 Tons Car Towing Rope Steel Wire Wire Rope Emergency Stop  Emergency stop rope pull switches are essential in premises and on machines that are potentially dangerous when operating. Grab wire switches, or rope pull switches, are a type of emergency stop switch that is hung by a cable around a piece of machinery. Safety pull cable switch, with integrated emergency stop button, has steel cable to provide emergency stop actuation. Wire Rope Emergency Stop.
     
    
         
        From idemsafety.com 
                    GLSAR Grab Wire Rope Pull Auto Reset Trip Safety Switch Idem Safety Wire Rope Emergency Stop  Grab wire switches, or rope pull switches, are a type of emergency stop switch that is hung by a cable around a piece of machinery. Compare different models and features of lifeline 3, 4 and 5 cable pull switches. Safety pull cable switch, with integrated emergency stop button, has steel cable to provide emergency stop actuation for conveyors and large. Wire Rope Emergency Stop.
     
    
         
        From www.alibaba.com 
                    Safety Rope Pull Wire Emergency Stop Switch Two Way Pull Cord Alarm Wire Rope Emergency Stop  Compare different models and features of lifeline 3, 4 and 5 cable pull switches. Grab wire switches, or rope pull switches, are a type of emergency stop switch that is hung by a cable around a piece of machinery. Linestrong is a rope pull emergency stop switch, used for easy reach of the emergency stop function along machines and sections. Wire Rope Emergency Stop.
     
    
         
        From www.youtube.com 
                    Grab Wire Safety Rope Pull Switches from IDEM Safety YouTube Wire Rope Emergency Stop  Grab wire switches, or rope pull switches, are a type of emergency stop switch that is hung by a cable around a piece of machinery. Safety pull cable switch, with integrated emergency stop button, has steel cable to provide emergency stop actuation for conveyors and large machinery. Compare different models and features of lifeline 3, 4 and 5 cable pull. Wire Rope Emergency Stop.
     
    
         
        From www.alibaba.com 
                    Safety Rope Pull Wire Emergency Stop Switch Two Way Pull Cord Alarm Wire Rope Emergency Stop  Emergency stop rope pull switches are essential in premises and on machines that are potentially dangerous when operating. Compare different models and features of lifeline 3, 4 and 5 cable pull switches. Grab wire switches, or rope pull switches, are a type of emergency stop switch that is hung by a cable around a piece of machinery. Safety pull cable. Wire Rope Emergency Stop.
     
    
         
        From www.ifm.com 
                    ZB0072 Safety rope emergency stop switch ifm Wire Rope Emergency Stop  Emergency stop rope pull switches are essential in premises and on machines that are potentially dangerous when operating. Safety pull cable switch, with integrated emergency stop button, has steel cable to provide emergency stop actuation for conveyors and large machinery. Linestrong is a rope pull emergency stop switch, used for easy reach of the emergency stop function along machines and. Wire Rope Emergency Stop.
     
    
         
        From www.alibaba.com 
                    Safety Rope Pull Wire Emergency Stop Switch Two Way Pull Cord Alarm Wire Rope Emergency Stop  Safety pull cable switch, with integrated emergency stop button, has steel cable to provide emergency stop actuation for conveyors and large machinery. Emergency stop rope pull switches are essential in premises and on machines that are potentially dangerous when operating. Linestrong is a rope pull emergency stop switch, used for easy reach of the emergency stop function along machines and. Wire Rope Emergency Stop.
     
    
         
        From www.mts-waagen.de 
                    Pullrope emergency stop switch MTS Wägetechnik Wire Rope Emergency Stop  Compare different models and features of lifeline 3, 4 and 5 cable pull switches. Grab wire switches, or rope pull switches, are a type of emergency stop switch that is hung by a cable around a piece of machinery. Emergency stop rope pull switches are essential in premises and on machines that are potentially dangerous when operating. Safety pull cable. Wire Rope Emergency Stop.
     
    
         
        From www.ato.com 
                    Emergency Stop Rope Pull Switch, 1NO 1NC, 6A/380VAC Wire Rope Emergency Stop  Safety pull cable switch, with integrated emergency stop button, has steel cable to provide emergency stop actuation for conveyors and large machinery. Emergency stop rope pull switches are essential in premises and on machines that are potentially dangerous when operating. Linestrong is a rope pull emergency stop switch, used for easy reach of the emergency stop function along machines and. Wire Rope Emergency Stop.
     
    
         
        From www.bannerengineering.com 
                    Parada de Emergência (acionamento por corda montado na extremidade) Wire Rope Emergency Stop  Safety pull cable switch, with integrated emergency stop button, has steel cable to provide emergency stop actuation for conveyors and large machinery. Grab wire switches, or rope pull switches, are a type of emergency stop switch that is hung by a cable around a piece of machinery. Emergency stop rope pull switches are essential in premises and on machines that. Wire Rope Emergency Stop.
     
    
         
        From www.aliexpress.com 
                    Automotive emergency rope wire core fire safety rope flame retardant Wire Rope Emergency Stop  Grab wire switches, or rope pull switches, are a type of emergency stop switch that is hung by a cable around a piece of machinery. Safety pull cable switch, with integrated emergency stop button, has steel cable to provide emergency stop actuation for conveyors and large machinery. Linestrong is a rope pull emergency stop switch, used for easy reach of. Wire Rope Emergency Stop.
     
    
         
        From www.alibaba.com 
                    Safety Rope Pull Wire Emergency Stop Switch Two Way Pull Cord Alarm Wire Rope Emergency Stop  Compare different models and features of lifeline 3, 4 and 5 cable pull switches. Safety pull cable switch, with integrated emergency stop button, has steel cable to provide emergency stop actuation for conveyors and large machinery. Linestrong is a rope pull emergency stop switch, used for easy reach of the emergency stop function along machines and sections of. Grab wire. Wire Rope Emergency Stop.
     
    
         
        From www.ifm.com 
                    ZB0074 Safety rope emergency stop switch ifm Wire Rope Emergency Stop  Grab wire switches, or rope pull switches, are a type of emergency stop switch that is hung by a cable around a piece of machinery. Compare different models and features of lifeline 3, 4 and 5 cable pull switches. Emergency stop rope pull switches are essential in premises and on machines that are potentially dangerous when operating. Linestrong is a. Wire Rope Emergency Stop.
     
    
         
        From www.desertcart.ph 
                    Buy ACDK 110V Electric Hoist 440 lb Crane Lift Ceiling Pulley Winch Wire Rope Emergency Stop  Linestrong is a rope pull emergency stop switch, used for easy reach of the emergency stop function along machines and sections of. Emergency stop rope pull switches are essential in premises and on machines that are potentially dangerous when operating. Compare different models and features of lifeline 3, 4 and 5 cable pull switches. Safety pull cable switch, with integrated. Wire Rope Emergency Stop.
     
    
         
        From www.alibaba.com 
                    Safety Rope Pull Wire Emergency Stop Switch Two Way Pull Cord Alarm Wire Rope Emergency Stop  Compare different models and features of lifeline 3, 4 and 5 cable pull switches. Emergency stop rope pull switches are essential in premises and on machines that are potentially dangerous when operating. Linestrong is a rope pull emergency stop switch, used for easy reach of the emergency stop function along machines and sections of. Grab wire switches, or rope pull. Wire Rope Emergency Stop.