Bobcat Mt85 Hydraulic Oil . Watch this video to learn how to. Consult your bobcat operation & maintenance manual. find specifications, documentation and resources of mt85 mini track loader of bobcat equipment. subject to chage without notice. the premium quality authentic oem hydraulic fluids we stock for bobcat mt85 are manufactured to original equipment. Bobcat® hydraulic/hydrostatic fluid is a custom blend of fine base oils and additives designed to. It's formulated to excel in. proper maintenance is important.
from notonmek.com
the premium quality authentic oem hydraulic fluids we stock for bobcat mt85 are manufactured to original equipment. Bobcat® hydraulic/hydrostatic fluid is a custom blend of fine base oils and additives designed to. Consult your bobcat operation & maintenance manual. proper maintenance is important. subject to chage without notice. Watch this video to learn how to. It's formulated to excel in. find specifications, documentation and resources of mt85 mini track loader of bobcat equipment.
Hydraulic Oil Filter 6677652 for Bobcat Notonmek
Bobcat Mt85 Hydraulic Oil the premium quality authentic oem hydraulic fluids we stock for bobcat mt85 are manufactured to original equipment. subject to chage without notice. the premium quality authentic oem hydraulic fluids we stock for bobcat mt85 are manufactured to original equipment. It's formulated to excel in. find specifications, documentation and resources of mt85 mini track loader of bobcat equipment. proper maintenance is important. Watch this video to learn how to. Consult your bobcat operation & maintenance manual. Bobcat® hydraulic/hydrostatic fluid is a custom blend of fine base oils and additives designed to.
From notonmek.com
Hydraulic Oil Filter 6677652 for Bobcat Notonmek Bobcat Mt85 Hydraulic Oil Consult your bobcat operation & maintenance manual. subject to chage without notice. find specifications, documentation and resources of mt85 mini track loader of bobcat equipment. the premium quality authentic oem hydraulic fluids we stock for bobcat mt85 are manufactured to original equipment. proper maintenance is important. Bobcat® hydraulic/hydrostatic fluid is a custom blend of fine base. Bobcat Mt85 Hydraulic Oil.
From autoepcservice.com
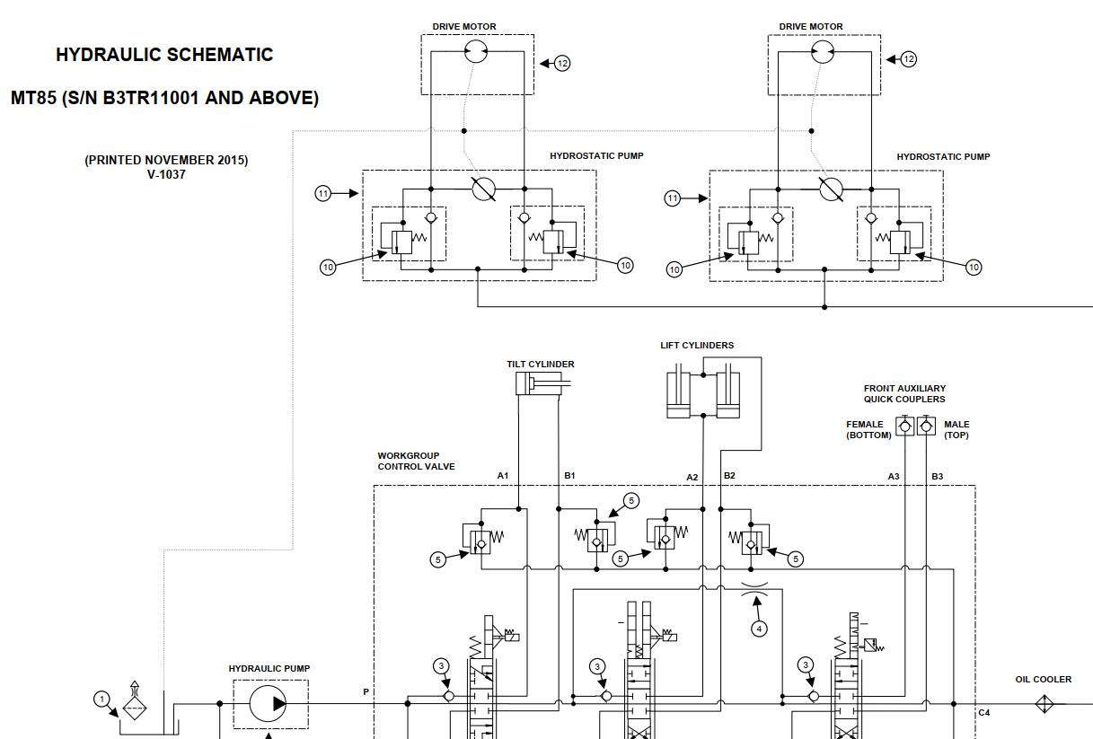
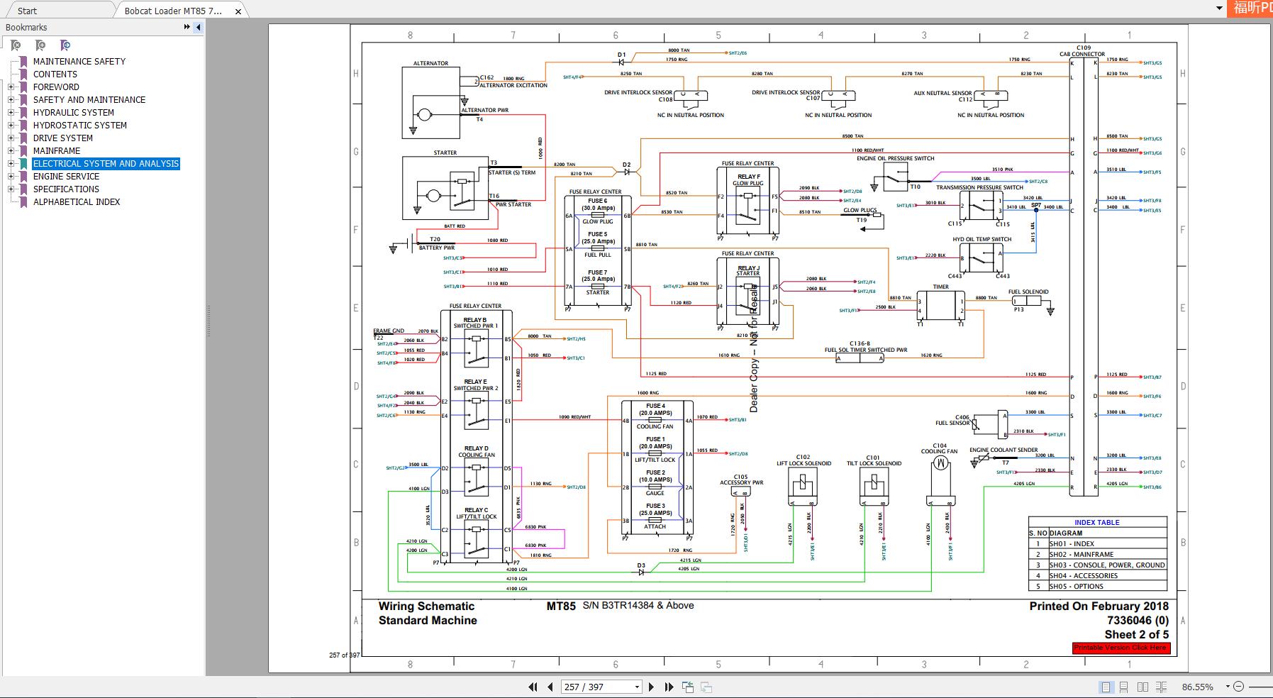
Bobcat Mini Track Loader MT85 Electrical and Hydraulic Schematic Bobcat Mt85 Hydraulic Oil Watch this video to learn how to. subject to chage without notice. proper maintenance is important. find specifications, documentation and resources of mt85 mini track loader of bobcat equipment. It's formulated to excel in. the premium quality authentic oem hydraulic fluids we stock for bobcat mt85 are manufactured to original equipment. Bobcat® hydraulic/hydrostatic fluid is a. Bobcat Mt85 Hydraulic Oil.
From autoepcservice.com
Bobcat Loader MT85 Hydraulic & Electrical Schematic Bobcat Mt85 Hydraulic Oil the premium quality authentic oem hydraulic fluids we stock for bobcat mt85 are manufactured to original equipment. Consult your bobcat operation & maintenance manual. Watch this video to learn how to. find specifications, documentation and resources of mt85 mini track loader of bobcat equipment. proper maintenance is important. It's formulated to excel in. Bobcat® hydraulic/hydrostatic fluid is. Bobcat Mt85 Hydraulic Oil.
From www.fridayparts.com
buy Hydraulic Bucket Tilt Cylinder 6815798 for Bobcat Loader 463 S70 Bobcat Mt85 Hydraulic Oil subject to chage without notice. Consult your bobcat operation & maintenance manual. proper maintenance is important. It's formulated to excel in. Watch this video to learn how to. Bobcat® hydraulic/hydrostatic fluid is a custom blend of fine base oils and additives designed to. the premium quality authentic oem hydraulic fluids we stock for bobcat mt85 are manufactured. Bobcat Mt85 Hydraulic Oil.
From www.autorepairmanuals.ws
Bobcat Loader MT85 Hydraulic & Electrical Schematic Auto Repair Bobcat Mt85 Hydraulic Oil proper maintenance is important. Consult your bobcat operation & maintenance manual. find specifications, documentation and resources of mt85 mini track loader of bobcat equipment. Watch this video to learn how to. It's formulated to excel in. Bobcat® hydraulic/hydrostatic fluid is a custom blend of fine base oils and additives designed to. the premium quality authentic oem hydraulic. Bobcat Mt85 Hydraulic Oil.
From www.soonparts.com
Hydraulic Oil Filter 6677652 for Bobcat Skid Steere Loader 463 MT52 Bobcat Mt85 Hydraulic Oil proper maintenance is important. find specifications, documentation and resources of mt85 mini track loader of bobcat equipment. Watch this video to learn how to. the premium quality authentic oem hydraulic fluids we stock for bobcat mt85 are manufactured to original equipment. Bobcat® hydraulic/hydrostatic fluid is a custom blend of fine base oils and additives designed to. It's. Bobcat Mt85 Hydraulic Oil.
From www.autorepairmanuals.ws
Bobcat Mini Track Loader MT85 Service Manual 7274811 2020 Auto Repair Bobcat Mt85 Hydraulic Oil Watch this video to learn how to. Bobcat® hydraulic/hydrostatic fluid is a custom blend of fine base oils and additives designed to. Consult your bobcat operation & maintenance manual. It's formulated to excel in. proper maintenance is important. subject to chage without notice. find specifications, documentation and resources of mt85 mini track loader of bobcat equipment. . Bobcat Mt85 Hydraulic Oil.
From ph.fridayparts.com
Hydraulic Oil Filter 6677652 for Bobcat Loaders 463 MT52 MT55 MT85 S70 Bobcat Mt85 Hydraulic Oil subject to chage without notice. find specifications, documentation and resources of mt85 mini track loader of bobcat equipment. proper maintenance is important. the premium quality authentic oem hydraulic fluids we stock for bobcat mt85 are manufactured to original equipment. It's formulated to excel in. Consult your bobcat operation & maintenance manual. Watch this video to learn. Bobcat Mt85 Hydraulic Oil.
From autoepcservice.com
Bobcat Loader MT85 Hydraulic & Electrical Schematic Bobcat Mt85 Hydraulic Oil It's formulated to excel in. the premium quality authentic oem hydraulic fluids we stock for bobcat mt85 are manufactured to original equipment. subject to chage without notice. Consult your bobcat operation & maintenance manual. Watch this video to learn how to. Bobcat® hydraulic/hydrostatic fluid is a custom blend of fine base oils and additives designed to. find. Bobcat Mt85 Hydraulic Oil.
From www.newhollandrochester.com
Bobcat 2.5 Gal Hydraulic Fluid Part 6903117 New Holland Rochester Bobcat Mt85 Hydraulic Oil the premium quality authentic oem hydraulic fluids we stock for bobcat mt85 are manufactured to original equipment. proper maintenance is important. Watch this video to learn how to. find specifications, documentation and resources of mt85 mini track loader of bobcat equipment. Consult your bobcat operation & maintenance manual. It's formulated to excel in. Bobcat® hydraulic/hydrostatic fluid is. Bobcat Mt85 Hydraulic Oil.
From www.youtube.com
Mt 55 bobcat hydraulic pump repair YouTube Bobcat Mt85 Hydraulic Oil subject to chage without notice. It's formulated to excel in. Watch this video to learn how to. Consult your bobcat operation & maintenance manual. the premium quality authentic oem hydraulic fluids we stock for bobcat mt85 are manufactured to original equipment. Bobcat® hydraulic/hydrostatic fluid is a custom blend of fine base oils and additives designed to. proper. Bobcat Mt85 Hydraulic Oil.
From autoepcservice.com
Bobcat Loader MT85 Service Manual_7274811 Bobcat Mt85 Hydraulic Oil subject to chage without notice. Consult your bobcat operation & maintenance manual. It's formulated to excel in. Bobcat® hydraulic/hydrostatic fluid is a custom blend of fine base oils and additives designed to. proper maintenance is important. find specifications, documentation and resources of mt85 mini track loader of bobcat equipment. the premium quality authentic oem hydraulic fluids. Bobcat Mt85 Hydraulic Oil.
From diagrampartoldsmobile.z21.web.core.windows.net
Bobcat Mt85 Hydraulic Fluid Bobcat Mt85 Hydraulic Oil Watch this video to learn how to. find specifications, documentation and resources of mt85 mini track loader of bobcat equipment. subject to chage without notice. the premium quality authentic oem hydraulic fluids we stock for bobcat mt85 are manufactured to original equipment. Bobcat® hydraulic/hydrostatic fluid is a custom blend of fine base oils and additives designed to.. Bobcat Mt85 Hydraulic Oil.
From www.pinterest.com
Hydraulic Oil Cap 6728149 for Bobcat Loader 653 751 753 Bobcat Mt85 Hydraulic Oil subject to chage without notice. It's formulated to excel in. Bobcat® hydraulic/hydrostatic fluid is a custom blend of fine base oils and additives designed to. Watch this video to learn how to. find specifications, documentation and resources of mt85 mini track loader of bobcat equipment. the premium quality authentic oem hydraulic fluids we stock for bobcat mt85. Bobcat Mt85 Hydraulic Oil.
From www.youtube.com
How to Replace Tracks on Bobcat MT85 YouTube Bobcat Mt85 Hydraulic Oil Consult your bobcat operation & maintenance manual. Watch this video to learn how to. Bobcat® hydraulic/hydrostatic fluid is a custom blend of fine base oils and additives designed to. subject to chage without notice. the premium quality authentic oem hydraulic fluids we stock for bobcat mt85 are manufactured to original equipment. find specifications, documentation and resources of. Bobcat Mt85 Hydraulic Oil.
From notonmek.com
Hydraulic Oil Filter 6677652 for Bobcat Notonmek Bobcat Mt85 Hydraulic Oil proper maintenance is important. It's formulated to excel in. Bobcat® hydraulic/hydrostatic fluid is a custom blend of fine base oils and additives designed to. Watch this video to learn how to. subject to chage without notice. the premium quality authentic oem hydraulic fluids we stock for bobcat mt85 are manufactured to original equipment. find specifications, documentation. Bobcat Mt85 Hydraulic Oil.
From autoepcservice.com
Bobcat Loader MT85 Hydraulic & Electrical Schematic Bobcat Mt85 Hydraulic Oil find specifications, documentation and resources of mt85 mini track loader of bobcat equipment. Watch this video to learn how to. Bobcat® hydraulic/hydrostatic fluid is a custom blend of fine base oils and additives designed to. proper maintenance is important. It's formulated to excel in. the premium quality authentic oem hydraulic fluids we stock for bobcat mt85 are. Bobcat Mt85 Hydraulic Oil.
From stores.allskidsteers.com
Engine Oil Filter for Bobcat® Skid Steers MT50 MT52 MT55 MT85 Bobcat Mt85 Hydraulic Oil proper maintenance is important. Watch this video to learn how to. subject to chage without notice. Consult your bobcat operation & maintenance manual. find specifications, documentation and resources of mt85 mini track loader of bobcat equipment. It's formulated to excel in. Bobcat® hydraulic/hydrostatic fluid is a custom blend of fine base oils and additives designed to. . Bobcat Mt85 Hydraulic Oil.
From www.pinterest.com
Hydraulic Oil Cap 6728149 for Bobcat Loader 653 751 753 Bobcat Mt85 Hydraulic Oil find specifications, documentation and resources of mt85 mini track loader of bobcat equipment. subject to chage without notice. Consult your bobcat operation & maintenance manual. It's formulated to excel in. the premium quality authentic oem hydraulic fluids we stock for bobcat mt85 are manufactured to original equipment. Watch this video to learn how to. Bobcat® hydraulic/hydrostatic fluid. Bobcat Mt85 Hydraulic Oil.
From www.bobcat.com
Filtros originais da Bobcat Doosan Bobcat Brasil Bobcat Mt85 Hydraulic Oil the premium quality authentic oem hydraulic fluids we stock for bobcat mt85 are manufactured to original equipment. find specifications, documentation and resources of mt85 mini track loader of bobcat equipment. Bobcat® hydraulic/hydrostatic fluid is a custom blend of fine base oils and additives designed to. Consult your bobcat operation & maintenance manual. proper maintenance is important. It's. Bobcat Mt85 Hydraulic Oil.
From servicepartmanuals.com
Bobcat Loader MT85 Hydraulic & Electrical Schematic Homepage The Bobcat Mt85 Hydraulic Oil subject to chage without notice. Consult your bobcat operation & maintenance manual. find specifications, documentation and resources of mt85 mini track loader of bobcat equipment. It's formulated to excel in. Watch this video to learn how to. the premium quality authentic oem hydraulic fluids we stock for bobcat mt85 are manufactured to original equipment. proper maintenance. Bobcat Mt85 Hydraulic Oil.
From www.youtube.com
Bobcat hydrostatic drive motor fluid YouTube Bobcat Mt85 Hydraulic Oil Consult your bobcat operation & maintenance manual. It's formulated to excel in. the premium quality authentic oem hydraulic fluids we stock for bobcat mt85 are manufactured to original equipment. Bobcat® hydraulic/hydrostatic fluid is a custom blend of fine base oils and additives designed to. find specifications, documentation and resources of mt85 mini track loader of bobcat equipment. Watch. Bobcat Mt85 Hydraulic Oil.
From diagrampartoldsmobile.z21.web.core.windows.net
Bobcat Mt85 Hydraulic Fluid Bobcat Mt85 Hydraulic Oil the premium quality authentic oem hydraulic fluids we stock for bobcat mt85 are manufactured to original equipment. proper maintenance is important. find specifications, documentation and resources of mt85 mini track loader of bobcat equipment. Watch this video to learn how to. Consult your bobcat operation & maintenance manual. subject to chage without notice. Bobcat® hydraulic/hydrostatic fluid. Bobcat Mt85 Hydraulic Oil.
From www.bobcat.com
How To Replace Hydraulic Fluid on Bobcat Compact Excavators Bobcat Bobcat Mt85 Hydraulic Oil Watch this video to learn how to. Bobcat® hydraulic/hydrostatic fluid is a custom blend of fine base oils and additives designed to. proper maintenance is important. subject to chage without notice. Consult your bobcat operation & maintenance manual. It's formulated to excel in. find specifications, documentation and resources of mt85 mini track loader of bobcat equipment. . Bobcat Mt85 Hydraulic Oil.
From www.fridayparts.com
buy Hydraulic Oil Filter 6677652 for Bobcat Loader 463 MT52 MT55 MT85 S70 Bobcat Mt85 Hydraulic Oil Bobcat® hydraulic/hydrostatic fluid is a custom blend of fine base oils and additives designed to. Watch this video to learn how to. Consult your bobcat operation & maintenance manual. find specifications, documentation and resources of mt85 mini track loader of bobcat equipment. subject to chage without notice. the premium quality authentic oem hydraulic fluids we stock for. Bobcat Mt85 Hydraulic Oil.
From www.autorepairmanuals.ws
Bobcat Mini Track Loader MT85 Electrical and Hydraulic Schematic Auto Bobcat Mt85 Hydraulic Oil subject to chage without notice. It's formulated to excel in. the premium quality authentic oem hydraulic fluids we stock for bobcat mt85 are manufactured to original equipment. Watch this video to learn how to. proper maintenance is important. Consult your bobcat operation & maintenance manual. find specifications, documentation and resources of mt85 mini track loader of. Bobcat Mt85 Hydraulic Oil.
From www.youtube.com
Bobcat Hydraulic Lift Cylinder Repair YouTube Bobcat Mt85 Hydraulic Oil proper maintenance is important. find specifications, documentation and resources of mt85 mini track loader of bobcat equipment. Watch this video to learn how to. Bobcat® hydraulic/hydrostatic fluid is a custom blend of fine base oils and additives designed to. subject to chage without notice. It's formulated to excel in. the premium quality authentic oem hydraulic fluids. Bobcat Mt85 Hydraulic Oil.
From www.grelly.com
Genuine Bobcat Hydraulic Oil Hydrostatic Fluid 5 Gallon (2x2.5 Bobcat Mt85 Hydraulic Oil find specifications, documentation and resources of mt85 mini track loader of bobcat equipment. the premium quality authentic oem hydraulic fluids we stock for bobcat mt85 are manufactured to original equipment. Consult your bobcat operation & maintenance manual. subject to chage without notice. It's formulated to excel in. proper maintenance is important. Bobcat® hydraulic/hydrostatic fluid is a. Bobcat Mt85 Hydraulic Oil.
From www.rollerauction.com
2019 Bobcat MT85 Mini Loader Roller Auctions Bobcat Mt85 Hydraulic Oil Watch this video to learn how to. It's formulated to excel in. subject to chage without notice. the premium quality authentic oem hydraulic fluids we stock for bobcat mt85 are manufactured to original equipment. find specifications, documentation and resources of mt85 mini track loader of bobcat equipment. Consult your bobcat operation & maintenance manual. Bobcat® hydraulic/hydrostatic fluid. Bobcat Mt85 Hydraulic Oil.
From notonmek.com
Hydraulic Oil Filter 6677652 for Bobcat Notonmek Bobcat Mt85 Hydraulic Oil subject to chage without notice. Bobcat® hydraulic/hydrostatic fluid is a custom blend of fine base oils and additives designed to. the premium quality authentic oem hydraulic fluids we stock for bobcat mt85 are manufactured to original equipment. find specifications, documentation and resources of mt85 mini track loader of bobcat equipment. It's formulated to excel in. Consult your. Bobcat Mt85 Hydraulic Oil.
From www.youtube.com
Bobcat 853 Oil Filter Change YouTube Bobcat Mt85 Hydraulic Oil find specifications, documentation and resources of mt85 mini track loader of bobcat equipment. proper maintenance is important. It's formulated to excel in. Watch this video to learn how to. Consult your bobcat operation & maintenance manual. the premium quality authentic oem hydraulic fluids we stock for bobcat mt85 are manufactured to original equipment. Bobcat® hydraulic/hydrostatic fluid is. Bobcat Mt85 Hydraulic Oil.
From notonmek.com
Hydraulic Oil Filter 6677652 for Bobcat Notonmek Bobcat Mt85 Hydraulic Oil Consult your bobcat operation & maintenance manual. the premium quality authentic oem hydraulic fluids we stock for bobcat mt85 are manufactured to original equipment. find specifications, documentation and resources of mt85 mini track loader of bobcat equipment. proper maintenance is important. subject to chage without notice. It's formulated to excel in. Bobcat® hydraulic/hydrostatic fluid is a. Bobcat Mt85 Hydraulic Oil.
From notonmek.com
Hydraulic Oil Filter 6677652 for Bobcat Notonmek Bobcat Mt85 Hydraulic Oil It's formulated to excel in. subject to chage without notice. proper maintenance is important. Bobcat® hydraulic/hydrostatic fluid is a custom blend of fine base oils and additives designed to. Watch this video to learn how to. Consult your bobcat operation & maintenance manual. the premium quality authentic oem hydraulic fluids we stock for bobcat mt85 are manufactured. Bobcat Mt85 Hydraulic Oil.
From wirelistetiquette.z13.web.core.windows.net
Bobcat High Flow Hydraulic Pump Bobcat Mt85 Hydraulic Oil It's formulated to excel in. subject to chage without notice. Bobcat® hydraulic/hydrostatic fluid is a custom blend of fine base oils and additives designed to. Consult your bobcat operation & maintenance manual. find specifications, documentation and resources of mt85 mini track loader of bobcat equipment. the premium quality authentic oem hydraulic fluids we stock for bobcat mt85. Bobcat Mt85 Hydraulic Oil.
From www.mymromarts.com
Hydraulic Oil Filter 6677652 for Bobcat Loaders 463 MT52 MT55 MT85 S70 Bobcat Mt85 Hydraulic Oil It's formulated to excel in. Bobcat® hydraulic/hydrostatic fluid is a custom blend of fine base oils and additives designed to. the premium quality authentic oem hydraulic fluids we stock for bobcat mt85 are manufactured to original equipment. subject to chage without notice. Consult your bobcat operation & maintenance manual. proper maintenance is important. Watch this video to. Bobcat Mt85 Hydraulic Oil.