Cruise Control Switch Ford F350 . order ford f350 cruise control release switch online today. wow, these buttons were melted! Free same day store pickup. Check out free battery charging. the cruise control switch allows you to control the cruise control system using on/off, set, accelerate, and coast. equip cars, trucks & suvs with 2001 ford f350 super duty cruise control switch from autozone. Fortunately it's a quick and easy fix!
from www.youtube.com
Free same day store pickup. Check out free battery charging. order ford f350 cruise control release switch online today. the cruise control switch allows you to control the cruise control system using on/off, set, accelerate, and coast. equip cars, trucks & suvs with 2001 ford f350 super duty cruise control switch from autozone. wow, these buttons were melted! Fortunately it's a quick and easy fix!
How To Replace Steering Wheel Cruise Control Switches 0408 Ford F150
Cruise Control Switch Ford F350 order ford f350 cruise control release switch online today. Free same day store pickup. Fortunately it's a quick and easy fix! Check out free battery charging. order ford f350 cruise control release switch online today. wow, these buttons were melted! the cruise control switch allows you to control the cruise control system using on/off, set, accelerate, and coast. equip cars, trucks & suvs with 2001 ford f350 super duty cruise control switch from autozone.
From www.carid.com
Motorcraft® Ford F250 Super Duty 2005 Cruise Control Switch Cruise Control Switch Ford F350 the cruise control switch allows you to control the cruise control system using on/off, set, accelerate, and coast. equip cars, trucks & suvs with 2001 ford f350 super duty cruise control switch from autozone. Free same day store pickup. Fortunately it's a quick and easy fix! Check out free battery charging. order ford f350 cruise control release. Cruise Control Switch Ford F350.
From www.walmart.com
NEW CRUISE CONTROL SWITCH FITS 19932003 FORD F150 1L1Z9F924AA Cruise Control Switch Ford F350 the cruise control switch allows you to control the cruise control system using on/off, set, accelerate, and coast. wow, these buttons were melted! Free same day store pickup. order ford f350 cruise control release switch online today. Check out free battery charging. equip cars, trucks & suvs with 2001 ford f350 super duty cruise control switch. Cruise Control Switch Ford F350.
From www.walmart.com
Ford F350 Cruise Control Switch Cruise Control Switch Ford F350 equip cars, trucks & suvs with 2001 ford f350 super duty cruise control switch from autozone. order ford f350 cruise control release switch online today. Check out free battery charging. the cruise control switch allows you to control the cruise control system using on/off, set, accelerate, and coast. wow, these buttons were melted! Fortunately it's a. Cruise Control Switch Ford F350.
From catieqmarthena.pages.dev
2024 Ford Maverick Cruise Control Gray Phylys Cruise Control Switch Ford F350 Free same day store pickup. Check out free battery charging. the cruise control switch allows you to control the cruise control system using on/off, set, accelerate, and coast. equip cars, trucks & suvs with 2001 ford f350 super duty cruise control switch from autozone. order ford f350 cruise control release switch online today. wow, these buttons. Cruise Control Switch Ford F350.
From www.ford-trucks.com
92 f150 cruise control works intermintely Ford Truck Enthusiasts Forums Cruise Control Switch Ford F350 wow, these buttons were melted! order ford f350 cruise control release switch online today. the cruise control switch allows you to control the cruise control system using on/off, set, accelerate, and coast. Check out free battery charging. Fortunately it's a quick and easy fix! equip cars, trucks & suvs with 2001 ford f350 super duty cruise. Cruise Control Switch Ford F350.
From www.youtube.com
Ford Cruise Control Not Working? Here's How To Fix It Easy YouTube Cruise Control Switch Ford F350 the cruise control switch allows you to control the cruise control system using on/off, set, accelerate, and coast. Check out free battery charging. equip cars, trucks & suvs with 2001 ford f350 super duty cruise control switch from autozone. wow, these buttons were melted! Free same day store pickup. Fortunately it's a quick and easy fix! . Cruise Control Switch Ford F350.
From www.youtube.com
9811 Ford Ranger Cruise Control Switch Replacement YouTube Cruise Control Switch Ford F350 Fortunately it's a quick and easy fix! Check out free battery charging. wow, these buttons were melted! equip cars, trucks & suvs with 2001 ford f350 super duty cruise control switch from autozone. order ford f350 cruise control release switch online today. Free same day store pickup. the cruise control switch allows you to control the. Cruise Control Switch Ford F350.
From www.youtube.com
Cruise Control Switch Fits Ford Vehicles YouTube Cruise Control Switch Ford F350 Check out free battery charging. the cruise control switch allows you to control the cruise control system using on/off, set, accelerate, and coast. equip cars, trucks & suvs with 2001 ford f350 super duty cruise control switch from autozone. wow, these buttons were melted! Free same day store pickup. Fortunately it's a quick and easy fix! . Cruise Control Switch Ford F350.
From www.ebay.com
USED OEM FORD F150 CRUISE CONTROL SWITCH F250 F350 SUPER DUTY Cruise Control Switch Ford F350 Check out free battery charging. Fortunately it's a quick and easy fix! equip cars, trucks & suvs with 2001 ford f350 super duty cruise control switch from autozone. the cruise control switch allows you to control the cruise control system using on/off, set, accelerate, and coast. Free same day store pickup. wow, these buttons were melted! . Cruise Control Switch Ford F350.
From www.justanswer.com
Where is the fuse located for the cruisecontrol on my F350 ford truck Cruise Control Switch Ford F350 Fortunately it's a quick and easy fix! the cruise control switch allows you to control the cruise control system using on/off, set, accelerate, and coast. Check out free battery charging. Free same day store pickup. equip cars, trucks & suvs with 2001 ford f350 super duty cruise control switch from autozone. order ford f350 cruise control release. Cruise Control Switch Ford F350.
From www.carid.com
Standard® Ford F150 2004 Cruise Control Switch Cruise Control Switch Ford F350 Fortunately it's a quick and easy fix! wow, these buttons were melted! Check out free battery charging. the cruise control switch allows you to control the cruise control system using on/off, set, accelerate, and coast. order ford f350 cruise control release switch online today. equip cars, trucks & suvs with 2001 ford f350 super duty cruise. Cruise Control Switch Ford F350.
From www.ford-trucks.com
1990 E350 cruise control switches? Ford Truck Enthusiasts Forums Cruise Control Switch Ford F350 order ford f350 cruise control release switch online today. equip cars, trucks & suvs with 2001 ford f350 super duty cruise control switch from autozone. wow, these buttons were melted! Free same day store pickup. Fortunately it's a quick and easy fix! the cruise control switch allows you to control the cruise control system using on/off,. Cruise Control Switch Ford F350.
From sadesignretouching.com
Order online Online store FORD OEM Cruise ControlEngagement Switch Cruise Control Switch Ford F350 Fortunately it's a quick and easy fix! order ford f350 cruise control release switch online today. the cruise control switch allows you to control the cruise control system using on/off, set, accelerate, and coast. Check out free battery charging. equip cars, trucks & suvs with 2001 ford f350 super duty cruise control switch from autozone. Free same. Cruise Control Switch Ford F350.
From www.ford-trucks.com
1995 F350 Cruise Controls Ford Truck Enthusiasts Forums Cruise Control Switch Ford F350 order ford f350 cruise control release switch online today. Free same day store pickup. equip cars, trucks & suvs with 2001 ford f350 super duty cruise control switch from autozone. the cruise control switch allows you to control the cruise control system using on/off, set, accelerate, and coast. Check out free battery charging. wow, these buttons. Cruise Control Switch Ford F350.
From galvinconanstuart.blogspot.com
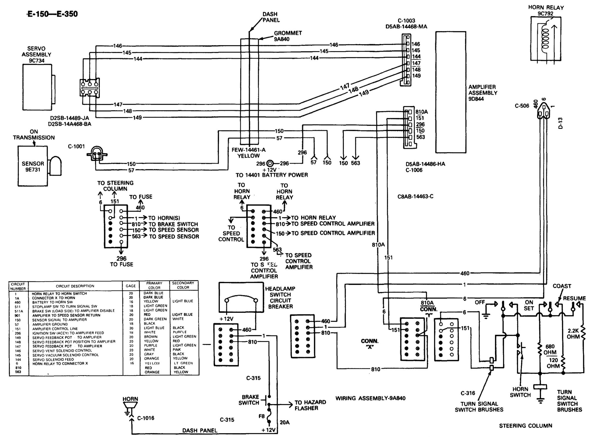
Ford Cruise Control Wiring Diagram General Wiring Diagram Cruise Control Switch Ford F350 Fortunately it's a quick and easy fix! Check out free battery charging. equip cars, trucks & suvs with 2001 ford f350 super duty cruise control switch from autozone. wow, these buttons were melted! order ford f350 cruise control release switch online today. the cruise control switch allows you to control the cruise control system using on/off,. Cruise Control Switch Ford F350.
From www.ford-trucks.com
1995 F350 Cruise Controls Ford Truck Enthusiasts Forums Cruise Control Switch Ford F350 equip cars, trucks & suvs with 2001 ford f350 super duty cruise control switch from autozone. Fortunately it's a quick and easy fix! order ford f350 cruise control release switch online today. Free same day store pickup. the cruise control switch allows you to control the cruise control system using on/off, set, accelerate, and coast. Check out. Cruise Control Switch Ford F350.
From www.youtube.com
20042008 F150 Cruise Control Installation YouTube Cruise Control Switch Ford F350 the cruise control switch allows you to control the cruise control system using on/off, set, accelerate, and coast. order ford f350 cruise control release switch online today. Free same day store pickup. Check out free battery charging. Fortunately it's a quick and easy fix! equip cars, trucks & suvs with 2001 ford f350 super duty cruise control. Cruise Control Switch Ford F350.
From www.youtube.com
Ford Cruise Control Module Doesn't Work? Self Test How To YouTube Cruise Control Switch Ford F350 the cruise control switch allows you to control the cruise control system using on/off, set, accelerate, and coast. Fortunately it's a quick and easy fix! wow, these buttons were melted! order ford f350 cruise control release switch online today. Free same day store pickup. equip cars, trucks & suvs with 2001 ford f350 super duty cruise. Cruise Control Switch Ford F350.
From www.autozone.com
2000 Ford Truck F350 Super Duty P/U 4WD 7.3L Turbo Dsl OHV 8cyl Cruise Control Switch Ford F350 equip cars, trucks & suvs with 2001 ford f350 super duty cruise control switch from autozone. Free same day store pickup. wow, these buttons were melted! the cruise control switch allows you to control the cruise control system using on/off, set, accelerate, and coast. order ford f350 cruise control release switch online today. Fortunately it's a. Cruise Control Switch Ford F350.
From www.ford-trucks.com
Wiring for cruise control switch Ford Truck Enthusiasts Forums Cruise Control Switch Ford F350 wow, these buttons were melted! Free same day store pickup. Fortunately it's a quick and easy fix! the cruise control switch allows you to control the cruise control system using on/off, set, accelerate, and coast. equip cars, trucks & suvs with 2001 ford f350 super duty cruise control switch from autozone. Check out free battery charging. . Cruise Control Switch Ford F350.
From fyokgislb.blob.core.windows.net
How To Turn Off Cruise Control Ford Escape at Meredith Brown blog Cruise Control Switch Ford F350 the cruise control switch allows you to control the cruise control system using on/off, set, accelerate, and coast. wow, these buttons were melted! Free same day store pickup. order ford f350 cruise control release switch online today. equip cars, trucks & suvs with 2001 ford f350 super duty cruise control switch from autozone. Check out free. Cruise Control Switch Ford F350.
From www.youtube.com
How To Replace Steering Wheel Cruise Control Switches 0408 Ford F150 Cruise Control Switch Ford F350 Fortunately it's a quick and easy fix! equip cars, trucks & suvs with 2001 ford f350 super duty cruise control switch from autozone. wow, these buttons were melted! the cruise control switch allows you to control the cruise control system using on/off, set, accelerate, and coast. Check out free battery charging. order ford f350 cruise control. Cruise Control Switch Ford F350.
From www.aaignition.com
AA Ignition Products Cruise Control Switch Ford F350 Check out free battery charging. the cruise control switch allows you to control the cruise control system using on/off, set, accelerate, and coast. Free same day store pickup. Fortunately it's a quick and easy fix! order ford f350 cruise control release switch online today. equip cars, trucks & suvs with 2001 ford f350 super duty cruise control. Cruise Control Switch Ford F350.
From www.rostra.com
2015 Ford F150 AddOn Cruise Control now available! Cruise Control Switch Ford F350 Free same day store pickup. Check out free battery charging. order ford f350 cruise control release switch online today. equip cars, trucks & suvs with 2001 ford f350 super duty cruise control switch from autozone. wow, these buttons were melted! Fortunately it's a quick and easy fix! the cruise control switch allows you to control the. Cruise Control Switch Ford F350.
From www.youtube.com
Howto Replace Cruise Control Switches 1997 Ford F250 5.4L 4x4 YouTube Cruise Control Switch Ford F350 Free same day store pickup. equip cars, trucks & suvs with 2001 ford f350 super duty cruise control switch from autozone. Fortunately it's a quick and easy fix! the cruise control switch allows you to control the cruise control system using on/off, set, accelerate, and coast. order ford f350 cruise control release switch online today. wow,. Cruise Control Switch Ford F350.
From www.aliexpress.com
Steering Wheel Cruise Control Switch for Ford F 150 Explorer Sport Trac Cruise Control Switch Ford F350 order ford f350 cruise control release switch online today. Check out free battery charging. Free same day store pickup. Fortunately it's a quick and easy fix! the cruise control switch allows you to control the cruise control system using on/off, set, accelerate, and coast. wow, these buttons were melted! equip cars, trucks & suvs with 2001. Cruise Control Switch Ford F350.
From www.ford-trucks.com
cruise control f350 93 Ford Truck Enthusiasts Forums Cruise Control Switch Ford F350 Check out free battery charging. Free same day store pickup. wow, these buttons were melted! order ford f350 cruise control release switch online today. the cruise control switch allows you to control the cruise control system using on/off, set, accelerate, and coast. equip cars, trucks & suvs with 2001 ford f350 super duty cruise control switch. Cruise Control Switch Ford F350.
From carid.com
Cruise Control Components for Cars and Trucks at Cruise Control Switch Ford F350 Check out free battery charging. wow, these buttons were melted! the cruise control switch allows you to control the cruise control system using on/off, set, accelerate, and coast. order ford f350 cruise control release switch online today. Free same day store pickup. equip cars, trucks & suvs with 2001 ford f350 super duty cruise control switch. Cruise Control Switch Ford F350.
From www.2040-parts.com
Sell FORD F150 F250 F350 EXPEDITION CRUISE CONTROL SWITCH SET oem Cruise Control Switch Ford F350 Check out free battery charging. equip cars, trucks & suvs with 2001 ford f350 super duty cruise control switch from autozone. Free same day store pickup. the cruise control switch allows you to control the cruise control system using on/off, set, accelerate, and coast. wow, these buttons were melted! order ford f350 cruise control release switch. Cruise Control Switch Ford F350.
From www.pinterest.com
8996 FORD F250 F350 STEERING COLUMN 3 RING HORN CRUISE SWITCH CONTACT Cruise Control Switch Ford F350 the cruise control switch allows you to control the cruise control system using on/off, set, accelerate, and coast. wow, these buttons were melted! Fortunately it's a quick and easy fix! Check out free battery charging. equip cars, trucks & suvs with 2001 ford f350 super duty cruise control switch from autozone. Free same day store pickup. . Cruise Control Switch Ford F350.
From www.2040-parts.com
Sell FORD F150 F250 F350 EXPEDITION CRUISE CONTROL SWITCH SET oem Cruise Control Switch Ford F350 wow, these buttons were melted! the cruise control switch allows you to control the cruise control system using on/off, set, accelerate, and coast. order ford f350 cruise control release switch online today. Free same day store pickup. Fortunately it's a quick and easy fix! equip cars, trucks & suvs with 2001 ford f350 super duty cruise. Cruise Control Switch Ford F350.
From www.f150forum.com
Cruise Control Switch Replacement Ford F150 Forum Community of Ford Cruise Control Switch Ford F350 Fortunately it's a quick and easy fix! wow, these buttons were melted! equip cars, trucks & suvs with 2001 ford f350 super duty cruise control switch from autozone. Free same day store pickup. the cruise control switch allows you to control the cruise control system using on/off, set, accelerate, and coast. order ford f350 cruise control. Cruise Control Switch Ford F350.
From www.youtube.com
How to Replace Cruise Control Switches 9704 Ford F150 YouTube Cruise Control Switch Ford F350 wow, these buttons were melted! Free same day store pickup. order ford f350 cruise control release switch online today. equip cars, trucks & suvs with 2001 ford f350 super duty cruise control switch from autozone. Fortunately it's a quick and easy fix! the cruise control switch allows you to control the cruise control system using on/off,. Cruise Control Switch Ford F350.
From tap.fremontmotors.com
Ford Adaptive Cruise ControlHow To Set Up (Video) Cruise Control Switch Ford F350 Fortunately it's a quick and easy fix! the cruise control switch allows you to control the cruise control system using on/off, set, accelerate, and coast. Check out free battery charging. order ford f350 cruise control release switch online today. Free same day store pickup. equip cars, trucks & suvs with 2001 ford f350 super duty cruise control. Cruise Control Switch Ford F350.