Cm2250 Fuel Pump . Got a new fuel pum for my cm2250, how does the fuel pump go in the gears does it need to be timed? We have also included the installation kit for your convenience which comes with:electronic fuel control. Install a 0 to 2068 kpa [0 to 300 psi] pressure gauge at the compuchek™ fitting at the outlet of. Release the fuel pump plunger quickly. If the check valves in the fuel pump head are within specification, trapped air will cause. Shop our large inventory of new/rebuilt/used cummins isx15 engine fuel pumps for sale online. 2 piston fuel pump with a new fuel control etr actuator. This trp is being issued to direct the actions for certain fuel pump repairs on isx15 / qsx15 cm2250 engines that have ceramic. 4327258 genuine cummins fuel pump repair kit for isx engines product details : I see a dot on the gears
from rawze.com
Got a new fuel pum for my cm2250, how does the fuel pump go in the gears does it need to be timed? If the check valves in the fuel pump head are within specification, trapped air will cause. Install a 0 to 2068 kpa [0 to 300 psi] pressure gauge at the compuchek™ fitting at the outlet of. 2 piston fuel pump with a new fuel control etr actuator. Shop our large inventory of new/rebuilt/used cummins isx15 engine fuel pumps for sale online. Release the fuel pump plunger quickly. 4327258 genuine cummins fuel pump repair kit for isx engines product details : I see a dot on the gears We have also included the installation kit for your convenience which comes with:electronic fuel control. This trp is being issued to direct the actions for certain fuel pump repairs on isx15 / qsx15 cm2250 engines that have ceramic.
ISX15 CM2250 fuel pump timeframe?
Cm2250 Fuel Pump Install a 0 to 2068 kpa [0 to 300 psi] pressure gauge at the compuchek™ fitting at the outlet of. If the check valves in the fuel pump head are within specification, trapped air will cause. Shop our large inventory of new/rebuilt/used cummins isx15 engine fuel pumps for sale online. Install a 0 to 2068 kpa [0 to 300 psi] pressure gauge at the compuchek™ fitting at the outlet of. We have also included the installation kit for your convenience which comes with:electronic fuel control. Release the fuel pump plunger quickly. 4327258 genuine cummins fuel pump repair kit for isx engines product details : This trp is being issued to direct the actions for certain fuel pump repairs on isx15 / qsx15 cm2250 engines that have ceramic. Got a new fuel pum for my cm2250, how does the fuel pump go in the gears does it need to be timed? 2 piston fuel pump with a new fuel control etr actuator. I see a dot on the gears
From www.paylesstruckparts.com
Cummins ISX Fuel Pump (Injection) Payless Truck Parts Cm2250 Fuel Pump If the check valves in the fuel pump head are within specification, trapped air will cause. 2 piston fuel pump with a new fuel control etr actuator. 4327258 genuine cummins fuel pump repair kit for isx engines product details : I see a dot on the gears Release the fuel pump plunger quickly. Shop our large inventory of new/rebuilt/used cummins. Cm2250 Fuel Pump.
From rawze.com
ISX15 CM2250 fuel pump timeframe? Cm2250 Fuel Pump I see a dot on the gears If the check valves in the fuel pump head are within specification, trapped air will cause. We have also included the installation kit for your convenience which comes with:electronic fuel control. 4327258 genuine cummins fuel pump repair kit for isx engines product details : Release the fuel pump plunger quickly. 2 piston fuel. Cm2250 Fuel Pump.
From www.paylesstruckparts.com
Cummins ISX Fuel Pump (Injection) Payless Truck Parts Cm2250 Fuel Pump 2 piston fuel pump with a new fuel control etr actuator. I see a dot on the gears Release the fuel pump plunger quickly. Got a new fuel pum for my cm2250, how does the fuel pump go in the gears does it need to be timed? This trp is being issued to direct the actions for certain fuel pump. Cm2250 Fuel Pump.
From www.paylesstruckparts.com
Fuel Pump (Injection) Payless Truck Parts Cm2250 Fuel Pump Release the fuel pump plunger quickly. 2 piston fuel pump with a new fuel control etr actuator. 4327258 genuine cummins fuel pump repair kit for isx engines product details : If the check valves in the fuel pump head are within specification, trapped air will cause. Install a 0 to 2068 kpa [0 to 300 psi] pressure gauge at the. Cm2250 Fuel Pump.
From www.fridayparts.com
Fuel Pump 4954315 for Cummins Engine ISC8.3 ISL9 QSC9 QSL9 Cm2250 Fuel Pump Release the fuel pump plunger quickly. We have also included the installation kit for your convenience which comes with:electronic fuel control. Shop our large inventory of new/rebuilt/used cummins isx15 engine fuel pumps for sale online. Install a 0 to 2068 kpa [0 to 300 psi] pressure gauge at the compuchek™ fitting at the outlet of. 4327258 genuine cummins fuel pump. Cm2250 Fuel Pump.
From autoctrls.com
The Ultimate Guide to Understanding the Cummins PT Fuel Pump Diagram Cm2250 Fuel Pump Got a new fuel pum for my cm2250, how does the fuel pump go in the gears does it need to be timed? Install a 0 to 2068 kpa [0 to 300 psi] pressure gauge at the compuchek™ fitting at the outlet of. This trp is being issued to direct the actions for certain fuel pump repairs on isx15 /. Cm2250 Fuel Pump.
From www.walmart.com
MOTMAX Electric Fuel Pump for Cummins 149231102 E11007 A047N926 Onan Cm2250 Fuel Pump If the check valves in the fuel pump head are within specification, trapped air will cause. Release the fuel pump plunger quickly. I see a dot on the gears We have also included the installation kit for your convenience which comes with:electronic fuel control. Got a new fuel pum for my cm2250, how does the fuel pump go in the. Cm2250 Fuel Pump.
From kdi-ppi.com
Understanding the Inner Workings of the Cummins ISX15 Fuel System A Cm2250 Fuel Pump 2 piston fuel pump with a new fuel control etr actuator. If the check valves in the fuel pump head are within specification, trapped air will cause. I see a dot on the gears Got a new fuel pum for my cm2250, how does the fuel pump go in the gears does it need to be timed? This trp is. Cm2250 Fuel Pump.
From injectionpumps.co.uk
Woodruff key for Bosch VE and VA pumps Diesel Injection Pumps Cm2250 Fuel Pump Shop our large inventory of new/rebuilt/used cummins isx15 engine fuel pumps for sale online. If the check valves in the fuel pump head are within specification, trapped air will cause. We have also included the installation kit for your convenience which comes with:electronic fuel control. 4327258 genuine cummins fuel pump repair kit for isx engines product details : I see. Cm2250 Fuel Pump.
From injectionpumps.co.uk
Bosch Zexel PE inline fuel injection pump camshaft roller bearing. 17mm Cm2250 Fuel Pump This trp is being issued to direct the actions for certain fuel pump repairs on isx15 / qsx15 cm2250 engines that have ceramic. Release the fuel pump plunger quickly. Got a new fuel pum for my cm2250, how does the fuel pump go in the gears does it need to be timed? Install a 0 to 2068 kpa [0 to. Cm2250 Fuel Pump.
From rawze.com
ISX15 CM2250 fuel pump timeframe? Cm2250 Fuel Pump Shop our large inventory of new/rebuilt/used cummins isx15 engine fuel pumps for sale online. 4327258 genuine cummins fuel pump repair kit for isx engines product details : This trp is being issued to direct the actions for certain fuel pump repairs on isx15 / qsx15 cm2250 engines that have ceramic. Install a 0 to 2068 kpa [0 to 300 psi]. Cm2250 Fuel Pump.
From www.sbmar.com
QSB 6.7 CM2250 ECM Seaboard Marine Cm2250 Fuel Pump I see a dot on the gears Shop our large inventory of new/rebuilt/used cummins isx15 engine fuel pumps for sale online. 4327258 genuine cummins fuel pump repair kit for isx engines product details : Install a 0 to 2068 kpa [0 to 300 psi] pressure gauge at the compuchek™ fitting at the outlet of. If the check valves in the. Cm2250 Fuel Pump.
From rawze.com
CM2250/CM2350 Fuel Pump Cm2250 Fuel Pump 2 piston fuel pump with a new fuel control etr actuator. This trp is being issued to direct the actions for certain fuel pump repairs on isx15 / qsx15 cm2250 engines that have ceramic. If the check valves in the fuel pump head are within specification, trapped air will cause. Shop our large inventory of new/rebuilt/used cummins isx15 engine fuel. Cm2250 Fuel Pump.
From rawze.com
ISX15 CM2250 fuel pump timeframe? Cm2250 Fuel Pump 4327258 genuine cummins fuel pump repair kit for isx engines product details : Release the fuel pump plunger quickly. This trp is being issued to direct the actions for certain fuel pump repairs on isx15 / qsx15 cm2250 engines that have ceramic. Shop our large inventory of new/rebuilt/used cummins isx15 engine fuel pumps for sale online. I see a dot. Cm2250 Fuel Pump.
From www.lazada.co.id
Fuel Pump Pompa Bensin Minyak HKT Universal HEP02 12V Lazada Indonesia Cm2250 Fuel Pump If the check valves in the fuel pump head are within specification, trapped air will cause. We have also included the installation kit for your convenience which comes with:electronic fuel control. This trp is being issued to direct the actions for certain fuel pump repairs on isx15 / qsx15 cm2250 engines that have ceramic. 2 piston fuel pump with a. Cm2250 Fuel Pump.
From www.heavytruckparts.net
CUMMINS ISL9 Fuel Pump (Injection) OEM 4307021 in CHICAGO HEIGHTS, IL Cm2250 Fuel Pump 4327258 genuine cummins fuel pump repair kit for isx engines product details : This trp is being issued to direct the actions for certain fuel pump repairs on isx15 / qsx15 cm2250 engines that have ceramic. 2 piston fuel pump with a new fuel control etr actuator. Install a 0 to 2068 kpa [0 to 300 psi] pressure gauge at. Cm2250 Fuel Pump.
From rawze.com
Installing fuel pump cm2250 Cm2250 Fuel Pump Install a 0 to 2068 kpa [0 to 300 psi] pressure gauge at the compuchek™ fitting at the outlet of. 2 piston fuel pump with a new fuel control etr actuator. I see a dot on the gears Release the fuel pump plunger quickly. Shop our large inventory of new/rebuilt/used cummins isx15 engine fuel pumps for sale online. If the. Cm2250 Fuel Pump.
From www.scribd.com
QSB QSL CM2250 Fuel Systems PDF Fuel Injection Pump Cm2250 Fuel Pump Got a new fuel pum for my cm2250, how does the fuel pump go in the gears does it need to be timed? This trp is being issued to direct the actions for certain fuel pump repairs on isx15 / qsx15 cm2250 engines that have ceramic. Shop our large inventory of new/rebuilt/used cummins isx15 engine fuel pumps for sale online.. Cm2250 Fuel Pump.
From rawze.com
CM2250/CM2350 Fuel Pump Cm2250 Fuel Pump Install a 0 to 2068 kpa [0 to 300 psi] pressure gauge at the compuchek™ fitting at the outlet of. Release the fuel pump plunger quickly. 4327258 genuine cummins fuel pump repair kit for isx engines product details : We have also included the installation kit for your convenience which comes with:electronic fuel control. Got a new fuel pum for. Cm2250 Fuel Pump.
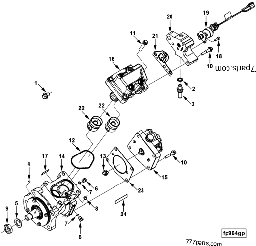
From 777parts.com
4902732 Fuel pump head Cummins spare part Cm2250 Fuel Pump I see a dot on the gears Shop our large inventory of new/rebuilt/used cummins isx15 engine fuel pumps for sale online. Install a 0 to 2068 kpa [0 to 300 psi] pressure gauge at the compuchek™ fitting at the outlet of. Release the fuel pump plunger quickly. 2 piston fuel pump with a new fuel control etr actuator. If the. Cm2250 Fuel Pump.
From rawze.com
Installing fuel pump cm2250 Cm2250 Fuel Pump 2 piston fuel pump with a new fuel control etr actuator. Release the fuel pump plunger quickly. This trp is being issued to direct the actions for certain fuel pump repairs on isx15 / qsx15 cm2250 engines that have ceramic. Got a new fuel pum for my cm2250, how does the fuel pump go in the gears does it need. Cm2250 Fuel Pump.
From rawze.com
Installing fuel pump cm2250 Cm2250 Fuel Pump 2 piston fuel pump with a new fuel control etr actuator. I see a dot on the gears Got a new fuel pum for my cm2250, how does the fuel pump go in the gears does it need to be timed? Shop our large inventory of new/rebuilt/used cummins isx15 engine fuel pumps for sale online. Install a 0 to 2068. Cm2250 Fuel Pump.
From rawze.com
Installing fuel pump cm2250 Cm2250 Fuel Pump If the check valves in the fuel pump head are within specification, trapped air will cause. I see a dot on the gears Got a new fuel pum for my cm2250, how does the fuel pump go in the gears does it need to be timed? This trp is being issued to direct the actions for certain fuel pump repairs. Cm2250 Fuel Pump.
From workshopfixstoflerbwz.z21.web.core.windows.net
Cummins Isx Fuel Pump Rebuild Kit Cm2250 Fuel Pump I see a dot on the gears If the check valves in the fuel pump head are within specification, trapped air will cause. We have also included the installation kit for your convenience which comes with:electronic fuel control. 4327258 genuine cummins fuel pump repair kit for isx engines product details : This trp is being issued to direct the actions. Cm2250 Fuel Pump.
From 777parts.com
2872517 Fuel pump adapter Cummins spare part Cm2250 Fuel Pump I see a dot on the gears We have also included the installation kit for your convenience which comes with:electronic fuel control. This trp is being issued to direct the actions for certain fuel pump repairs on isx15 / qsx15 cm2250 engines that have ceramic. Shop our large inventory of new/rebuilt/used cummins isx15 engine fuel pumps for sale online. Install. Cm2250 Fuel Pump.
From www.mylittlesalesman.com
2012 Cummins ISX15 Fuel Injector for CM2250 For Sale Hialeah, FL Cm2250 Fuel Pump 4327258 genuine cummins fuel pump repair kit for isx engines product details : 2 piston fuel pump with a new fuel control etr actuator. Shop our large inventory of new/rebuilt/used cummins isx15 engine fuel pumps for sale online. I see a dot on the gears If the check valves in the fuel pump head are within specification, trapped air will. Cm2250 Fuel Pump.
From www.paylesstruckparts.com
Fuel Pump (Injection) Payless Truck Parts Cm2250 Fuel Pump This trp is being issued to direct the actions for certain fuel pump repairs on isx15 / qsx15 cm2250 engines that have ceramic. We have also included the installation kit for your convenience which comes with:electronic fuel control. 2 piston fuel pump with a new fuel control etr actuator. 4327258 genuine cummins fuel pump repair kit for isx engines product. Cm2250 Fuel Pump.
From www.autorepairmanuals.ws
Cummins Diesel Engine QSB6.7 CM2250 Operation and Maintenance Manual Cm2250 Fuel Pump Shop our large inventory of new/rebuilt/used cummins isx15 engine fuel pumps for sale online. I see a dot on the gears If the check valves in the fuel pump head are within specification, trapped air will cause. 4327258 genuine cummins fuel pump repair kit for isx engines product details : 2 piston fuel pump with a new fuel control etr. Cm2250 Fuel Pump.
From rawze.com
ISX15 CM2250 fuel pump timeframe? Cm2250 Fuel Pump 2 piston fuel pump with a new fuel control etr actuator. 4327258 genuine cummins fuel pump repair kit for isx engines product details : Install a 0 to 2068 kpa [0 to 300 psi] pressure gauge at the compuchek™ fitting at the outlet of. Got a new fuel pum for my cm2250, how does the fuel pump go in the. Cm2250 Fuel Pump.
From rawze.com
Installing fuel pump cm2250 Cm2250 Fuel Pump 4327258 genuine cummins fuel pump repair kit for isx engines product details : This trp is being issued to direct the actions for certain fuel pump repairs on isx15 / qsx15 cm2250 engines that have ceramic. Install a 0 to 2068 kpa [0 to 300 psi] pressure gauge at the compuchek™ fitting at the outlet of. 2 piston fuel pump. Cm2250 Fuel Pump.
From www.paylesstruckparts.com
Fuel Pump (Injection) Payless Truck Parts Cm2250 Fuel Pump We have also included the installation kit for your convenience which comes with:electronic fuel control. I see a dot on the gears Shop our large inventory of new/rebuilt/used cummins isx15 engine fuel pumps for sale online. 2 piston fuel pump with a new fuel control etr actuator. If the check valves in the fuel pump head are within specification, trapped. Cm2250 Fuel Pump.
From rawze.com
CM2250/CM2350 Fuel Pump Cm2250 Fuel Pump If the check valves in the fuel pump head are within specification, trapped air will cause. Install a 0 to 2068 kpa [0 to 300 psi] pressure gauge at the compuchek™ fitting at the outlet of. 2 piston fuel pump with a new fuel control etr actuator. 4327258 genuine cummins fuel pump repair kit for isx engines product details :. Cm2250 Fuel Pump.
From www.mylittlesalesman.com
2013 Cummins ISX15 Fuel Pump GOOD TAKEOFF 2872662 CM2250 HUGE Cm2250 Fuel Pump I see a dot on the gears Got a new fuel pum for my cm2250, how does the fuel pump go in the gears does it need to be timed? This trp is being issued to direct the actions for certain fuel pump repairs on isx15 / qsx15 cm2250 engines that have ceramic. 4327258 genuine cummins fuel pump repair kit. Cm2250 Fuel Pump.
From www.paylesstruckparts.com
Fuel Pump (Injection) Payless Truck Parts Cm2250 Fuel Pump Shop our large inventory of new/rebuilt/used cummins isx15 engine fuel pumps for sale online. Got a new fuel pum for my cm2250, how does the fuel pump go in the gears does it need to be timed? This trp is being issued to direct the actions for certain fuel pump repairs on isx15 / qsx15 cm2250 engines that have ceramic.. Cm2250 Fuel Pump.
From dtisparts.com
4307004 ONLY FUEL PUMP HEAD ISX15 WITH 2 PISTONS ACTUATOR ETR FUEL Cm2250 Fuel Pump Release the fuel pump plunger quickly. We have also included the installation kit for your convenience which comes with:electronic fuel control. Got a new fuel pum for my cm2250, how does the fuel pump go in the gears does it need to be timed? I see a dot on the gears 4327258 genuine cummins fuel pump repair kit for isx. Cm2250 Fuel Pump.