Control Frame Gd&T . The asme y14.5 standard establishes. See the feature below as it controls the flatness all four surfaces. In gd&t (geometric dimensioning and tolerancing), a feature control frame is required to describe the conditions and tolerances of a geometric control on a part's feature. A feature control frame is used in geometric dimensioning and tolerancing to describe the conditions and tolerances of a geometric control. “learning gd&t from scratch,” provided by keyence, walks you through the basics of geometric. This page explains how to interpret and write tolerance indications in the feature control. Asme y14.5 is an established, widely used gd&t standard containing all the necessary information for a comprehensive gd&t system. Bridging the gap between hand tools and cmms. You can simply apply it to the feature control frame that is controlling that surface or directly next to the datum feature symbol. This page explains how to interpret and write tolerance indications in the feature control frame. A geometric tolerance is specified in the feature control frame. Composite tolerances in gd&t define multiple levels of positional control for patterns of features.
from www.wisc-online.com
A geometric tolerance is specified in the feature control frame. “learning gd&t from scratch,” provided by keyence, walks you through the basics of geometric. Bridging the gap between hand tools and cmms. This page explains how to interpret and write tolerance indications in the feature control frame. This page explains how to interpret and write tolerance indications in the feature control. You can simply apply it to the feature control frame that is controlling that surface or directly next to the datum feature symbol. In gd&t (geometric dimensioning and tolerancing), a feature control frame is required to describe the conditions and tolerances of a geometric control on a part's feature. See the feature below as it controls the flatness all four surfaces. Composite tolerances in gd&t define multiple levels of positional control for patterns of features. A feature control frame is used in geometric dimensioning and tolerancing to describe the conditions and tolerances of a geometric control.
GD&T The Feature Control Frame (Screencast) OER
Control Frame Gd&T In gd&t (geometric dimensioning and tolerancing), a feature control frame is required to describe the conditions and tolerances of a geometric control on a part's feature. A feature control frame is used in geometric dimensioning and tolerancing to describe the conditions and tolerances of a geometric control. See the feature below as it controls the flatness all four surfaces. A geometric tolerance is specified in the feature control frame. In gd&t (geometric dimensioning and tolerancing), a feature control frame is required to describe the conditions and tolerances of a geometric control on a part's feature. Composite tolerances in gd&t define multiple levels of positional control for patterns of features. Asme y14.5 is an established, widely used gd&t standard containing all the necessary information for a comprehensive gd&t system. You can simply apply it to the feature control frame that is controlling that surface or directly next to the datum feature symbol. “learning gd&t from scratch,” provided by keyence, walks you through the basics of geometric. This page explains how to interpret and write tolerance indications in the feature control. The asme y14.5 standard establishes. This page explains how to interpret and write tolerance indications in the feature control frame. Bridging the gap between hand tools and cmms.
From jiga.io
GD&T (Geometric Dimensioning and Tolerancing) Guide Jiga Control Frame Gd&T The asme y14.5 standard establishes. A geometric tolerance is specified in the feature control frame. This page explains how to interpret and write tolerance indications in the feature control. You can simply apply it to the feature control frame that is controlling that surface or directly next to the datum feature symbol. A feature control frame is used in geometric. Control Frame Gd&T.
From www.youtube.com
GD&T Tutorial 18 Feature Control Frame YouTube Control Frame Gd&T In gd&t (geometric dimensioning and tolerancing), a feature control frame is required to describe the conditions and tolerances of a geometric control on a part's feature. You can simply apply it to the feature control frame that is controlling that surface or directly next to the datum feature symbol. This page explains how to interpret and write tolerance indications in. Control Frame Gd&T.
From www.fictiv.com
GD&T 101 An Introduction to Geometric Dimensioning and Tolerancing Control Frame Gd&T This page explains how to interpret and write tolerance indications in the feature control frame. In gd&t (geometric dimensioning and tolerancing), a feature control frame is required to describe the conditions and tolerances of a geometric control on a part's feature. You can simply apply it to the feature control frame that is controlling that surface or directly next to. Control Frame Gd&T.
From www.tec-ease.com
GD&T Tips Position Composite Vs Single Segment 1994, 2009, 2018 Control Frame Gd&T “learning gd&t from scratch,” provided by keyence, walks you through the basics of geometric. In gd&t (geometric dimensioning and tolerancing), a feature control frame is required to describe the conditions and tolerances of a geometric control on a part's feature. See the feature below as it controls the flatness all four surfaces. You can simply apply it to the feature. Control Frame Gd&T.
From www.school-mechademic.com
GD&T feature control frame Control Frame Gd&T Bridging the gap between hand tools and cmms. “learning gd&t from scratch,” provided by keyence, walks you through the basics of geometric. This page explains how to interpret and write tolerance indications in the feature control frame. This page explains how to interpret and write tolerance indications in the feature control. A feature control frame is used in geometric dimensioning. Control Frame Gd&T.
From webframes.org
Gd T Feature Control Frame Symbols Control Frame Gd&T A feature control frame is used in geometric dimensioning and tolerancing to describe the conditions and tolerances of a geometric control. In gd&t (geometric dimensioning and tolerancing), a feature control frame is required to describe the conditions and tolerances of a geometric control on a part's feature. You can simply apply it to the feature control frame that is controlling. Control Frame Gd&T.
From webframes.org
Gd T Feature Control Frame Symbols Control Frame Gd&T Composite tolerances in gd&t define multiple levels of positional control for patterns of features. This page explains how to interpret and write tolerance indications in the feature control. A geometric tolerance is specified in the feature control frame. This page explains how to interpret and write tolerance indications in the feature control frame. You can simply apply it to the. Control Frame Gd&T.
From www.youtube.com
ASME/ ISO GD&T Tutorial /Training on Feature Control Frame YouTube Control Frame Gd&T “learning gd&t from scratch,” provided by keyence, walks you through the basics of geometric. This page explains how to interpret and write tolerance indications in the feature control. Bridging the gap between hand tools and cmms. The asme y14.5 standard establishes. You can simply apply it to the feature control frame that is controlling that surface or directly next to. Control Frame Gd&T.
From grabcad.com
Free CAD Designs, Files & 3D Models The GrabCAD Community Library Control Frame Gd&T A geometric tolerance is specified in the feature control frame. In gd&t (geometric dimensioning and tolerancing), a feature control frame is required to describe the conditions and tolerances of a geometric control on a part's feature. See the feature below as it controls the flatness all four surfaces. “learning gd&t from scratch,” provided by keyence, walks you through the basics. Control Frame Gd&T.
From www.3dcs.com
Common GD&T Symbols DCS GD&T Control Frame Gd&T See the feature below as it controls the flatness all four surfaces. A geometric tolerance is specified in the feature control frame. You can simply apply it to the feature control frame that is controlling that surface or directly next to the datum feature symbol. The asme y14.5 standard establishes. A feature control frame is used in geometric dimensioning and. Control Frame Gd&T.
From www.surajmech.com
Geometric Dimensioning and Tolerancing (GD & T) Control Frame Gd&T This page explains how to interpret and write tolerance indications in the feature control. Composite tolerances in gd&t define multiple levels of positional control for patterns of features. Asme y14.5 is an established, widely used gd&t standard containing all the necessary information for a comprehensive gd&t system. This page explains how to interpret and write tolerance indications in the feature. Control Frame Gd&T.
From www.youtube.com
Placing GD&T feature control frames without leaders in Fusion 360 YouTube Control Frame Gd&T Asme y14.5 is an established, widely used gd&t standard containing all the necessary information for a comprehensive gd&t system. “learning gd&t from scratch,” provided by keyence, walks you through the basics of geometric. Bridging the gap between hand tools and cmms. See the feature below as it controls the flatness all four surfaces. You can simply apply it to the. Control Frame Gd&T.
From www.gdandtbasics.com
The ASME Y14.5 GD&T Standard GD&T Basics Control Frame Gd&T In gd&t (geometric dimensioning and tolerancing), a feature control frame is required to describe the conditions and tolerances of a geometric control on a part's feature. This page explains how to interpret and write tolerance indications in the feature control. This page explains how to interpret and write tolerance indications in the feature control frame. The asme y14.5 standard establishes.. Control Frame Gd&T.
From www.fictiv.com
GD&T 101 An Introduction to Geometric Dimensioning and Tolerancing Control Frame Gd&T Asme y14.5 is an established, widely used gd&t standard containing all the necessary information for a comprehensive gd&t system. The asme y14.5 standard establishes. This page explains how to interpret and write tolerance indications in the feature control. “learning gd&t from scratch,” provided by keyence, walks you through the basics of geometric. Bridging the gap between hand tools and cmms.. Control Frame Gd&T.
From www.wisc-online.com
GD&T The Feature Control Frame (Screencast) OER Control Frame Gd&T Bridging the gap between hand tools and cmms. The asme y14.5 standard establishes. This page explains how to interpret and write tolerance indications in the feature control. You can simply apply it to the feature control frame that is controlling that surface or directly next to the datum feature symbol. A feature control frame is used in geometric dimensioning and. Control Frame Gd&T.
From www.slideshare.net
Gd&t Control Frame Gd&T A feature control frame is used in geometric dimensioning and tolerancing to describe the conditions and tolerances of a geometric control. The asme y14.5 standard establishes. “learning gd&t from scratch,” provided by keyence, walks you through the basics of geometric. This page explains how to interpret and write tolerance indications in the feature control. Asme y14.5 is an established, widely. Control Frame Gd&T.
From www.gdandtbasics.com
The Datum Reference Frame GD&T Basics Control Frame Gd&T Composite tolerances in gd&t define multiple levels of positional control for patterns of features. This page explains how to interpret and write tolerance indications in the feature control frame. You can simply apply it to the feature control frame that is controlling that surface or directly next to the datum feature symbol. This page explains how to interpret and write. Control Frame Gd&T.
From webframes.org
Gd T Feature Control Frame Symbols Control Frame Gd&T Composite tolerances in gd&t define multiple levels of positional control for patterns of features. In gd&t (geometric dimensioning and tolerancing), a feature control frame is required to describe the conditions and tolerances of a geometric control on a part's feature. Bridging the gap between hand tools and cmms. A geometric tolerance is specified in the feature control frame. The asme. Control Frame Gd&T.
From www.riansclub.com
Feature Control Frame In GD & T Control Frame Gd&T This page explains how to interpret and write tolerance indications in the feature control. Asme y14.5 is an established, widely used gd&t standard containing all the necessary information for a comprehensive gd&t system. Bridging the gap between hand tools and cmms. A feature control frame is used in geometric dimensioning and tolerancing to describe the conditions and tolerances of a. Control Frame Gd&T.
From brunofuga.adv.br
Feature Control Frame GD&T Basics, 60 OFF Control Frame Gd&T “learning gd&t from scratch,” provided by keyence, walks you through the basics of geometric. You can simply apply it to the feature control frame that is controlling that surface or directly next to the datum feature symbol. This page explains how to interpret and write tolerance indications in the feature control. Composite tolerances in gd&t define multiple levels of positional. Control Frame Gd&T.
From mavink.com
Gdt Feature Control Frame Control Frame Gd&T Bridging the gap between hand tools and cmms. “learning gd&t from scratch,” provided by keyence, walks you through the basics of geometric. A geometric tolerance is specified in the feature control frame. This page explains how to interpret and write tolerance indications in the feature control. A feature control frame is used in geometric dimensioning and tolerancing to describe the. Control Frame Gd&T.
From orzeltechnologies.ca
Fusion 360 GD&T Tip Feature Control Frames Orzel Technologies Control Frame Gd&T This page explains how to interpret and write tolerance indications in the feature control frame. The asme y14.5 standard establishes. A feature control frame is used in geometric dimensioning and tolerancing to describe the conditions and tolerances of a geometric control. You can simply apply it to the feature control frame that is controlling that surface or directly next to. Control Frame Gd&T.
From www.surajmech.com
Geometric Dimensioning and Tolerancing (GD & T) Control Frame Gd&T See the feature below as it controls the flatness all four surfaces. Composite tolerances in gd&t define multiple levels of positional control for patterns of features. This page explains how to interpret and write tolerance indications in the feature control frame. In gd&t (geometric dimensioning and tolerancing), a feature control frame is required to describe the conditions and tolerances of. Control Frame Gd&T.
From www.gdandtbasics.com
Applying GD&T to a Drawing Using Solidworks GD&T Basics Control Frame Gd&T Bridging the gap between hand tools and cmms. See the feature below as it controls the flatness all four surfaces. In gd&t (geometric dimensioning and tolerancing), a feature control frame is required to describe the conditions and tolerances of a geometric control on a part's feature. The asme y14.5 standard establishes. Composite tolerances in gd&t define multiple levels of positional. Control Frame Gd&T.
From www.youtube.com
Feature Control Frame Tolerance Box GD&T English YouTube Control Frame Gd&T This page explains how to interpret and write tolerance indications in the feature control frame. This page explains how to interpret and write tolerance indications in the feature control. “learning gd&t from scratch,” provided by keyence, walks you through the basics of geometric. A geometric tolerance is specified in the feature control frame. Asme y14.5 is an established, widely used. Control Frame Gd&T.
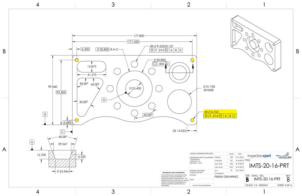
From www.inspectionxpert.com
How to Read a Feature Control Frame Control Frame Gd&T In gd&t (geometric dimensioning and tolerancing), a feature control frame is required to describe the conditions and tolerances of a geometric control on a part's feature. You can simply apply it to the feature control frame that is controlling that surface or directly next to the datum feature symbol. “learning gd&t from scratch,” provided by keyence, walks you through the. Control Frame Gd&T.
From www.pinterest.com
GD&T Drawing with Dimensions Technical drawing, Geometric tolerancing Control Frame Gd&T Composite tolerances in gd&t define multiple levels of positional control for patterns of features. Bridging the gap between hand tools and cmms. See the feature below as it controls the flatness all four surfaces. You can simply apply it to the feature control frame that is controlling that surface or directly next to the datum feature symbol. This page explains. Control Frame Gd&T.
From www.smlease.com
GD&T Symbols Geometric Dimension and Tolerance Symbols Control Frame Gd&T “learning gd&t from scratch,” provided by keyence, walks you through the basics of geometric. This page explains how to interpret and write tolerance indications in the feature control frame. You can simply apply it to the feature control frame that is controlling that surface or directly next to the datum feature symbol. A geometric tolerance is specified in the feature. Control Frame Gd&T.
From mungfali.com
Feature Control Frame Symbols Control Frame Gd&T This page explains how to interpret and write tolerance indications in the feature control frame. See the feature below as it controls the flatness all four surfaces. In gd&t (geometric dimensioning and tolerancing), a feature control frame is required to describe the conditions and tolerances of a geometric control on a part's feature. Asme y14.5 is an established, widely used. Control Frame Gd&T.
From www.3dcs.com
Common GD&T Symbols DCS GD&T Control Frame Gd&T “learning gd&t from scratch,” provided by keyence, walks you through the basics of geometric. This page explains how to interpret and write tolerance indications in the feature control. Composite tolerances in gd&t define multiple levels of positional control for patterns of features. The asme y14.5 standard establishes. A geometric tolerance is specified in the feature control frame. See the feature. Control Frame Gd&T.
From www.school-mechademic.com
GD&T feature control frame Control Frame Gd&T See the feature below as it controls the flatness all four surfaces. Composite tolerances in gd&t define multiple levels of positional control for patterns of features. Bridging the gap between hand tools and cmms. A geometric tolerance is specified in the feature control frame. This page explains how to interpret and write tolerance indications in the feature control. This page. Control Frame Gd&T.
From www.riansclub.com
Feature Control Frame In GD & T Control Frame Gd&T This page explains how to interpret and write tolerance indications in the feature control. A feature control frame is used in geometric dimensioning and tolerancing to describe the conditions and tolerances of a geometric control. The asme y14.5 standard establishes. “learning gd&t from scratch,” provided by keyence, walks you through the basics of geometric. In gd&t (geometric dimensioning and tolerancing),. Control Frame Gd&T.
From www.inspectionxpert.com
How to Read a Feature Control Frame Control Frame Gd&T Bridging the gap between hand tools and cmms. The asme y14.5 standard establishes. See the feature below as it controls the flatness all four surfaces. You can simply apply it to the feature control frame that is controlling that surface or directly next to the datum feature symbol. Composite tolerances in gd&t define multiple levels of positional control for patterns. Control Frame Gd&T.
From www.inspectionxpert.com
How to Read a Feature Control Frame Control Frame Gd&T Bridging the gap between hand tools and cmms. This page explains how to interpret and write tolerance indications in the feature control frame. In gd&t (geometric dimensioning and tolerancing), a feature control frame is required to describe the conditions and tolerances of a geometric control on a part's feature. This page explains how to interpret and write tolerance indications in. Control Frame Gd&T.
From mechheart.com
GD&T Symbols for Engineering Drawings MECHHEART Control Frame Gd&T This page explains how to interpret and write tolerance indications in the feature control frame. In gd&t (geometric dimensioning and tolerancing), a feature control frame is required to describe the conditions and tolerances of a geometric control on a part's feature. “learning gd&t from scratch,” provided by keyence, walks you through the basics of geometric. See the feature below as. Control Frame Gd&T.