John Deere Engine Parts Manual . Oem engine quick reference guides. Illustrated factory component technical manual for john deere diesel oem engines powertech 4024 (2.4 l) & 5030 (3.0 l) this manual contains high quality images, diagrams, instructions to. Learn how to operate, maintain, and troubleshoot your machines with videos,. Ag, turf, & engine operator manuals & publications. Find parts & diagrams for your john deere equipment. Search and buy parts for your john deere equipment including ag parts, lawn mower parts, maintenance parts, and. Find important details about your engine. Official john deere site to buy or download ag & turf operator’s manuals, parts catalogs, and technical manuals to service equipment. Sign in to the engine information search online product database. Search our parts catalog, order parts online or contact your john deere dealer. Find, view, or buy manuals online. Download, view, and purchase operator and technical manuals and parts catalogs for your john deere. Enter your john deere engine serial. Find operator and technical manuals and parts catalogs for your john deere equipment, including ag, turf, and engine products. Check out our handy tool for maintaining your equipment's top performance.
from www.deere.com
Find important details about your engine. Check out our handy tool for maintaining your equipment's top performance. Oem engine quick reference guides. Download, view, and purchase operator and technical manuals and parts catalogs for your john deere. Ag, turf, & engine operator manuals & publications. Search and buy parts for your john deere equipment including ag parts, lawn mower parts, maintenance parts, and. Search our parts catalog, order parts online or contact your john deere dealer. Learn how to operate, maintain, and troubleshoot your machines with videos,. Find, view, or buy manuals online. Sign in to the engine information search online product database.
X754 Owner Information Parts & Service John Deere US
John Deere Engine Parts Manual Search our parts catalog, order parts online or contact your john deere dealer. Enter your john deere engine serial. Illustrated factory component technical manual for john deere diesel oem engines powertech 4024 (2.4 l) & 5030 (3.0 l) this manual contains high quality images, diagrams, instructions to. Official john deere site to buy or download ag & turf operator’s manuals, parts catalogs, and technical manuals to service equipment. Search and buy parts for your john deere equipment including ag parts, lawn mower parts, maintenance parts, and. Learn how to operate, maintain, and troubleshoot your machines with videos,. Oem engine quick reference guides. Find operator and technical manuals and parts catalogs for your john deere equipment, including ag, turf, and engine products. Search our parts catalog, order parts online or contact your john deere dealer. Download, view, and purchase operator and technical manuals and parts catalogs for your john deere. Find, view, or buy manuals online. Sign in to the engine information search online product database. Ag, turf, & engine operator manuals & publications. Find important details about your engine. Find parts & diagrams for your john deere equipment. Check out our handy tool for maintaining your equipment's top performance.
From www.epcatalogs.com
John Deere D100, D110, D120, D130, D140 Service Manual PDF John Deere Engine Parts Manual Sign in to the engine information search online product database. Find parts & diagrams for your john deere equipment. Learn how to operate, maintain, and troubleshoot your machines with videos,. Oem engine quick reference guides. Illustrated factory component technical manual for john deere diesel oem engines powertech 4024 (2.4 l) & 5030 (3.0 l) this manual contains high quality images,. John Deere Engine Parts Manual.
From www.mygreen.farm
John Deere Parts Diagrams John Deere Parts John Deere Parts www John Deere Engine Parts Manual Search and buy parts for your john deere equipment including ag parts, lawn mower parts, maintenance parts, and. Official john deere site to buy or download ag & turf operator’s manuals, parts catalogs, and technical manuals to service equipment. Sign in to the engine information search online product database. Find operator and technical manuals and parts catalogs for your john. John Deere Engine Parts Manual.
From www.walmart.com
Service Manual & Parts Catalog For John Deere 2440 Tractor Repair Shop John Deere Engine Parts Manual Find important details about your engine. Illustrated factory component technical manual for john deere diesel oem engines powertech 4024 (2.4 l) & 5030 (3.0 l) this manual contains high quality images, diagrams, instructions to. Ag, turf, & engine operator manuals & publications. Search and buy parts for your john deere equipment including ag parts, lawn mower parts, maintenance parts, and.. John Deere Engine Parts Manual.
From www.pinterest.com
John Deere 4276D and 4276T Parts Catalog for OEM Engines and Accesories John Deere Engine Parts Manual Search and buy parts for your john deere equipment including ag parts, lawn mower parts, maintenance parts, and. Illustrated factory component technical manual for john deere diesel oem engines powertech 4024 (2.4 l) & 5030 (3.0 l) this manual contains high quality images, diagrams, instructions to. Learn how to operate, maintain, and troubleshoot your machines with videos,. Find parts &. John Deere Engine Parts Manual.
From www.deere.com
X738 Owner Information Parts & Service John Deere US John Deere Engine Parts Manual Search and buy parts for your john deere equipment including ag parts, lawn mower parts, maintenance parts, and. Sign in to the engine information search online product database. Ag, turf, & engine operator manuals & publications. Find important details about your engine. Check out our handy tool for maintaining your equipment's top performance. Download, view, and purchase operator and technical. John Deere Engine Parts Manual.
From www.epcatalogs.com
John Deere PowerTech 4.5L 4045 OEM Engines Parts Catalog John Deere Engine Parts Manual Official john deere site to buy or download ag & turf operator’s manuals, parts catalogs, and technical manuals to service equipment. Learn how to operate, maintain, and troubleshoot your machines with videos,. Find parts & diagrams for your john deere equipment. Search our parts catalog, order parts online or contact your john deere dealer. Find, view, or buy manuals online.. John Deere Engine Parts Manual.
From heavymachineryequipment.com
John Deere Powertech 4045 6068 4.5l 6.8l Engine Service Manual John Deere Engine Parts Manual Sign in to the engine information search online product database. Find parts & diagrams for your john deere equipment. Search our parts catalog, order parts online or contact your john deere dealer. Oem engine quick reference guides. Official john deere site to buy or download ag & turf operator’s manuals, parts catalogs, and technical manuals to service equipment. Illustrated factory. John Deere Engine Parts Manual.
From www.heydownloads.com
JOHN DEERE PowerTech 6.8 L 6068 OEM Engines Parts Manual PDF John Deere Engine Parts Manual Search and buy parts for your john deere equipment including ag parts, lawn mower parts, maintenance parts, and. Enter your john deere engine serial. Find operator and technical manuals and parts catalogs for your john deere equipment, including ag, turf, and engine products. Download, view, and purchase operator and technical manuals and parts catalogs for your john deere. Find parts. John Deere Engine Parts Manual.
From www.heydownloads.com
John Deere Engine 4024TF281 4024HF285 4045HF275285 4045TF270280 John Deere Engine Parts Manual Find parts & diagrams for your john deere equipment. Oem engine quick reference guides. Search and buy parts for your john deere equipment including ag parts, lawn mower parts, maintenance parts, and. Find important details about your engine. Find, view, or buy manuals online. Ag, turf, & engine operator manuals & publications. Sign in to the engine information search online. John Deere Engine Parts Manual.
From www.excavatorbrands.com
John Deere Diesel Engines 4.5L And 6.8L Service Manual Excavator John Deere Engine Parts Manual Find, view, or buy manuals online. Ag, turf, & engine operator manuals & publications. Find important details about your engine. Find parts & diagrams for your john deere equipment. Enter your john deere engine serial. Find operator and technical manuals and parts catalogs for your john deere equipment, including ag, turf, and engine products. Search our parts catalog, order parts. John Deere Engine Parts Manual.
From www.autorepairmanuals.ws
John Deere Engines For Gensets Power Units Parts Catalog PC2451 2011 John Deere Engine Parts Manual Find, view, or buy manuals online. Find important details about your engine. Enter your john deere engine serial. Search our parts catalog, order parts online or contact your john deere dealer. Illustrated factory component technical manual for john deere diesel oem engines powertech 4024 (2.4 l) & 5030 (3.0 l) this manual contains high quality images, diagrams, instructions to. Sign. John Deere Engine Parts Manual.
From techschems.com
The Ultimate John Deere E130 Parts Diagram Guide Exploring Every Component John Deere Engine Parts Manual Find, view, or buy manuals online. Check out our handy tool for maintaining your equipment's top performance. Find parts & diagrams for your john deere equipment. Official john deere site to buy or download ag & turf operator’s manuals, parts catalogs, and technical manuals to service equipment. Search and buy parts for your john deere equipment including ag parts, lawn. John Deere Engine Parts Manual.
From www.peacefulcreek.com
PARTS MANUAL FOR JOHN DEERE 310 TRACTOR BACKHOE LOADER CATALOG ASSEMBL John Deere Engine Parts Manual Illustrated factory component technical manual for john deere diesel oem engines powertech 4024 (2.4 l) & 5030 (3.0 l) this manual contains high quality images, diagrams, instructions to. Find parts & diagrams for your john deere equipment. Find, view, or buy manuals online. Download, view, and purchase operator and technical manuals and parts catalogs for your john deere. Check out. John Deere Engine Parts Manual.
From www.repairmanual.com
Used John Deere 400 and 500 Series Engines Parts Manual John Deere Engine Parts Manual Search our parts catalog, order parts online or contact your john deere dealer. Find parts & diagrams for your john deere equipment. Find important details about your engine. Illustrated factory component technical manual for john deere diesel oem engines powertech 4024 (2.4 l) & 5030 (3.0 l) this manual contains high quality images, diagrams, instructions to. Check out our handy. John Deere Engine Parts Manual.
From issuu.com
JOHN DEERE MANUAL FOR ENGINE 3029 by Power Generation Issuu John Deere Engine Parts Manual Check out our handy tool for maintaining your equipment's top performance. Learn how to operate, maintain, and troubleshoot your machines with videos,. Official john deere site to buy or download ag & turf operator’s manuals, parts catalogs, and technical manuals to service equipment. Illustrated factory component technical manual for john deere diesel oem engines powertech 4024 (2.4 l) & 5030. John Deere Engine Parts Manual.
From www.repairmanual.com
Used John Deere 400 and 500 Series Engines Parts Manual John Deere Engine Parts Manual Official john deere site to buy or download ag & turf operator’s manuals, parts catalogs, and technical manuals to service equipment. Enter your john deere engine serial. Learn how to operate, maintain, and troubleshoot your machines with videos,. Search our parts catalog, order parts online or contact your john deere dealer. Search and buy parts for your john deere equipment. John Deere Engine Parts Manual.
From www.partstree.com
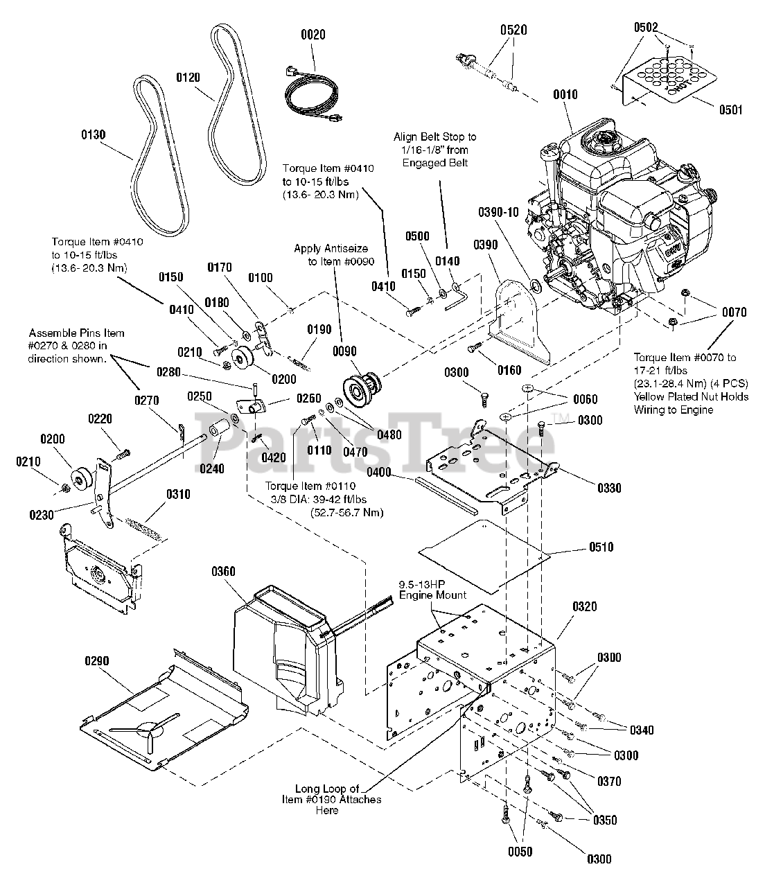
John Deere 1028 E (1696043) John Deere 28" Snow Thrower (2011) Engine John Deere Engine Parts Manual Illustrated factory component technical manual for john deere diesel oem engines powertech 4024 (2.4 l) & 5030 (3.0 l) this manual contains high quality images, diagrams, instructions to. Oem engine quick reference guides. Find important details about your engine. Ag, turf, & engine operator manuals & publications. Find parts & diagrams for your john deere equipment. Sign in to the. John Deere Engine Parts Manual.
From www.walmart.com
Service Parts Manual Set For John Deere 2130 Tractor Repair Shop Book John Deere Engine Parts Manual Check out our handy tool for maintaining your equipment's top performance. Search and buy parts for your john deere equipment including ag parts, lawn mower parts, maintenance parts, and. Find parts & diagrams for your john deere equipment. Enter your john deere engine serial. Find, view, or buy manuals online. Search our parts catalog, order parts online or contact your. John Deere Engine Parts Manual.
From galvinconanstuart.blogspot.com
John Deere 420 Parts Diagram General Wiring Diagram John Deere Engine Parts Manual Download, view, and purchase operator and technical manuals and parts catalogs for your john deere. Sign in to the engine information search online product database. Find operator and technical manuals and parts catalogs for your john deere equipment, including ag, turf, and engine products. Find important details about your engine. Ag, turf, & engine operator manuals & publications. Find parts. John Deere Engine Parts Manual.
From repair-manuals.com
John Deere K Series AirCooled Engines Repair Manual John Deere Engine Parts Manual Sign in to the engine information search online product database. Download, view, and purchase operator and technical manuals and parts catalogs for your john deere. Find parts & diagrams for your john deere equipment. Enter your john deere engine serial. Official john deere site to buy or download ag & turf operator’s manuals, parts catalogs, and technical manuals to service. John Deere Engine Parts Manual.
From geraldagreenlawpdf.blogspot.com
john deere z355e parts manual John Deere Engine Parts Manual Find operator and technical manuals and parts catalogs for your john deere equipment, including ag, turf, and engine products. Search our parts catalog, order parts online or contact your john deere dealer. Illustrated factory component technical manual for john deere diesel oem engines powertech 4024 (2.4 l) & 5030 (3.0 l) this manual contains high quality images, diagrams, instructions to.. John Deere Engine Parts Manual.
From service-workshopmanual.com
John Deere 13.5L Engine Parts Catalog Manual Pdf Download Service John Deere Engine Parts Manual Ag, turf, & engine operator manuals & publications. Enter your john deere engine serial. Search and buy parts for your john deere equipment including ag parts, lawn mower parts, maintenance parts, and. Find operator and technical manuals and parts catalogs for your john deere equipment, including ag, turf, and engine products. Official john deere site to buy or download ag. John Deere Engine Parts Manual.
From therepairmanual.com
John Deere 2.4L, 4024TF281 Engines Parts Catalog Manual PC9757 John Deere Engine Parts Manual Enter your john deere engine serial. Sign in to the engine information search online product database. Download, view, and purchase operator and technical manuals and parts catalogs for your john deere. Find important details about your engine. Find, view, or buy manuals online. Ag, turf, & engine operator manuals & publications. Find operator and technical manuals and parts catalogs for. John Deere Engine Parts Manual.
From bosqu307.blogspot.com
[30+] L130 Service Manual, John Deere L100 L110 L120 L130 Lawn Tractors John Deere Engine Parts Manual Illustrated factory component technical manual for john deere diesel oem engines powertech 4024 (2.4 l) & 5030 (3.0 l) this manual contains high quality images, diagrams, instructions to. Find operator and technical manuals and parts catalogs for your john deere equipment, including ag, turf, and engine products. Search and buy parts for your john deere equipment including ag parts, lawn. John Deere Engine Parts Manual.
From leanderlakshya.blogspot.com
32+ John Deere La150 Parts Diagram LeanderLakshya John Deere Engine Parts Manual Find important details about your engine. Learn how to operate, maintain, and troubleshoot your machines with videos,. Find, view, or buy manuals online. Enter your john deere engine serial. Find operator and technical manuals and parts catalogs for your john deere equipment, including ag, turf, and engine products. Official john deere site to buy or download ag & turf operator’s. John Deere Engine Parts Manual.
From www.walmart.com
Parts Manual For John Deere 2010 Tractor Catalog Exploded Views John Deere Engine Parts Manual Ag, turf, & engine operator manuals & publications. Illustrated factory component technical manual for john deere diesel oem engines powertech 4024 (2.4 l) & 5030 (3.0 l) this manual contains high quality images, diagrams, instructions to. Find, view, or buy manuals online. Search our parts catalog, order parts online or contact your john deere dealer. Download, view, and purchase operator. John Deere Engine Parts Manual.
From www.deere.com
X754 Owner Information Parts & Service John Deere US John Deere Engine Parts Manual Find important details about your engine. Learn how to operate, maintain, and troubleshoot your machines with videos,. Ag, turf, & engine operator manuals & publications. Search and buy parts for your john deere equipment including ag parts, lawn mower parts, maintenance parts, and. Find operator and technical manuals and parts catalogs for your john deere equipment, including ag, turf, and. John Deere Engine Parts Manual.
From www.heydownloads.com
John Deere Powertech 5030TF270 OEM Engine Parts Catalog Manual PDF John Deere Engine Parts Manual Search and buy parts for your john deere equipment including ag parts, lawn mower parts, maintenance parts, and. Find operator and technical manuals and parts catalogs for your john deere equipment, including ag, turf, and engine products. Find, view, or buy manuals online. Search our parts catalog, order parts online or contact your john deere dealer. Download, view, and purchase. John Deere Engine Parts Manual.
From www.epcatalogs.com
John Deere X300 Select Series Tractors Service Repair Manual PDF John Deere Engine Parts Manual Oem engine quick reference guides. Learn how to operate, maintain, and troubleshoot your machines with videos,. Find operator and technical manuals and parts catalogs for your john deere equipment, including ag, turf, and engine products. Official john deere site to buy or download ag & turf operator’s manuals, parts catalogs, and technical manuals to service equipment. Find, view, or buy. John Deere Engine Parts Manual.
From www.peacefulcreek.com
PARTS MANUAL FOR JOHN DEERE 2130 TRACTOR CATALOG ASSEMBLY EXPLODED VIE John Deere Engine Parts Manual Find operator and technical manuals and parts catalogs for your john deere equipment, including ag, turf, and engine products. Check out our handy tool for maintaining your equipment's top performance. Enter your john deere engine serial. Download, view, and purchase operator and technical manuals and parts catalogs for your john deere. Find important details about your engine. Ag, turf, &. John Deere Engine Parts Manual.
From servicepartmanuals.com
John Deere X500, X520, X530, X534 & X540 Technical Manual TM2309 John Deere Engine Parts Manual Official john deere site to buy or download ag & turf operator’s manuals, parts catalogs, and technical manuals to service equipment. Enter your john deere engine serial. Sign in to the engine information search online product database. Oem engine quick reference guides. Search and buy parts for your john deere equipment including ag parts, lawn mower parts, maintenance parts, and.. John Deere Engine Parts Manual.
From issuu.com
John Deere 4045 Engine Manual by PDFSManuals Issuu John Deere Engine Parts Manual Find operator and technical manuals and parts catalogs for your john deere equipment, including ag, turf, and engine products. Find important details about your engine. Check out our handy tool for maintaining your equipment's top performance. Find parts & diagrams for your john deere equipment. Official john deere site to buy or download ag & turf operator’s manuals, parts catalogs,. John Deere Engine Parts Manual.
From www.epcatalogs.com
John Deere 4x2/6x4 Gas/Diesel Gator Utility Vehicle Parts Catalog John Deere Engine Parts Manual Find operator and technical manuals and parts catalogs for your john deere equipment, including ag, turf, and engine products. Find parts & diagrams for your john deere equipment. Official john deere site to buy or download ag & turf operator’s manuals, parts catalogs, and technical manuals to service equipment. Find important details about your engine. Enter your john deere engine. John Deere Engine Parts Manual.
From www.heydownloads.com
JOHN DEERE PowerTech 6.8 L 6068 OEM Engines Parts Manual PDF John Deere Engine Parts Manual Find parts & diagrams for your john deere equipment. Illustrated factory component technical manual for john deere diesel oem engines powertech 4024 (2.4 l) & 5030 (3.0 l) this manual contains high quality images, diagrams, instructions to. Download, view, and purchase operator and technical manuals and parts catalogs for your john deere. Find important details about your engine. Learn how. John Deere Engine Parts Manual.
From deeremanuals.com
CTM100 John Deere PowerTech 10.5L (6105) & 12.5L (6125) Diesel Base John Deere Engine Parts Manual Check out our handy tool for maintaining your equipment's top performance. Find operator and technical manuals and parts catalogs for your john deere equipment, including ag, turf, and engine products. Download, view, and purchase operator and technical manuals and parts catalogs for your john deere. Search and buy parts for your john deere equipment including ag parts, lawn mower parts,. John Deere Engine Parts Manual.