Jeep Power Outlet Not Working . For the first time in probably 20 years i have a 12v charger outlet not working on my 2014 jku. The 12v accessory outlet in my jk has stopped working. Troubleshoot and fix issues with your jeep wrangler's 115v outlet effortlessly. My power outlets just stop working as well, all fuses are intact but no power on all 3 sockets even with engine on. Yes, it was working until last week and yes i know i have to have the key on. Start date today at 8:05 am; If a 12v outlet cover has a picture of a key on it, that outlet only works with key on. Sometimes when removing the console trim plate with hvac controls and reinstalling a plug might have been missed. Explore our expert guide for diagnosing and resolving problems, ensuring your vehicle's power outlet is. Fuse is good and the outlet. If a 12v outlet cover has a picture of a battery on it,.
from www.youtube.com
Start date today at 8:05 am; Fuse is good and the outlet. My power outlets just stop working as well, all fuses are intact but no power on all 3 sockets even with engine on. Sometimes when removing the console trim plate with hvac controls and reinstalling a plug might have been missed. Explore our expert guide for diagnosing and resolving problems, ensuring your vehicle's power outlet is. If a 12v outlet cover has a picture of a key on it, that outlet only works with key on. Troubleshoot and fix issues with your jeep wrangler's 115v outlet effortlessly. If a 12v outlet cover has a picture of a battery on it,. The 12v accessory outlet in my jk has stopped working. Yes, it was working until last week and yes i know i have to have the key on.
Power windows not working on 99 Grand Cherokee Jeep Part 2 YouTube
Jeep Power Outlet Not Working Explore our expert guide for diagnosing and resolving problems, ensuring your vehicle's power outlet is. For the first time in probably 20 years i have a 12v charger outlet not working on my 2014 jku. The 12v accessory outlet in my jk has stopped working. Fuse is good and the outlet. If a 12v outlet cover has a picture of a key on it, that outlet only works with key on. If a 12v outlet cover has a picture of a battery on it,. Sometimes when removing the console trim plate with hvac controls and reinstalling a plug might have been missed. Explore our expert guide for diagnosing and resolving problems, ensuring your vehicle's power outlet is. Start date today at 8:05 am; Yes, it was working until last week and yes i know i have to have the key on. My power outlets just stop working as well, all fuses are intact but no power on all 3 sockets even with engine on. Troubleshoot and fix issues with your jeep wrangler's 115v outlet effortlessly.
From www.youtube.com
Jeep Cherokee / Liberty (2002 2007) Cigar Lighter Power Outlet Not Jeep Power Outlet Not Working Start date today at 8:05 am; Troubleshoot and fix issues with your jeep wrangler's 115v outlet effortlessly. If a 12v outlet cover has a picture of a battery on it,. Yes, it was working until last week and yes i know i have to have the key on. If a 12v outlet cover has a picture of a key on. Jeep Power Outlet Not Working.
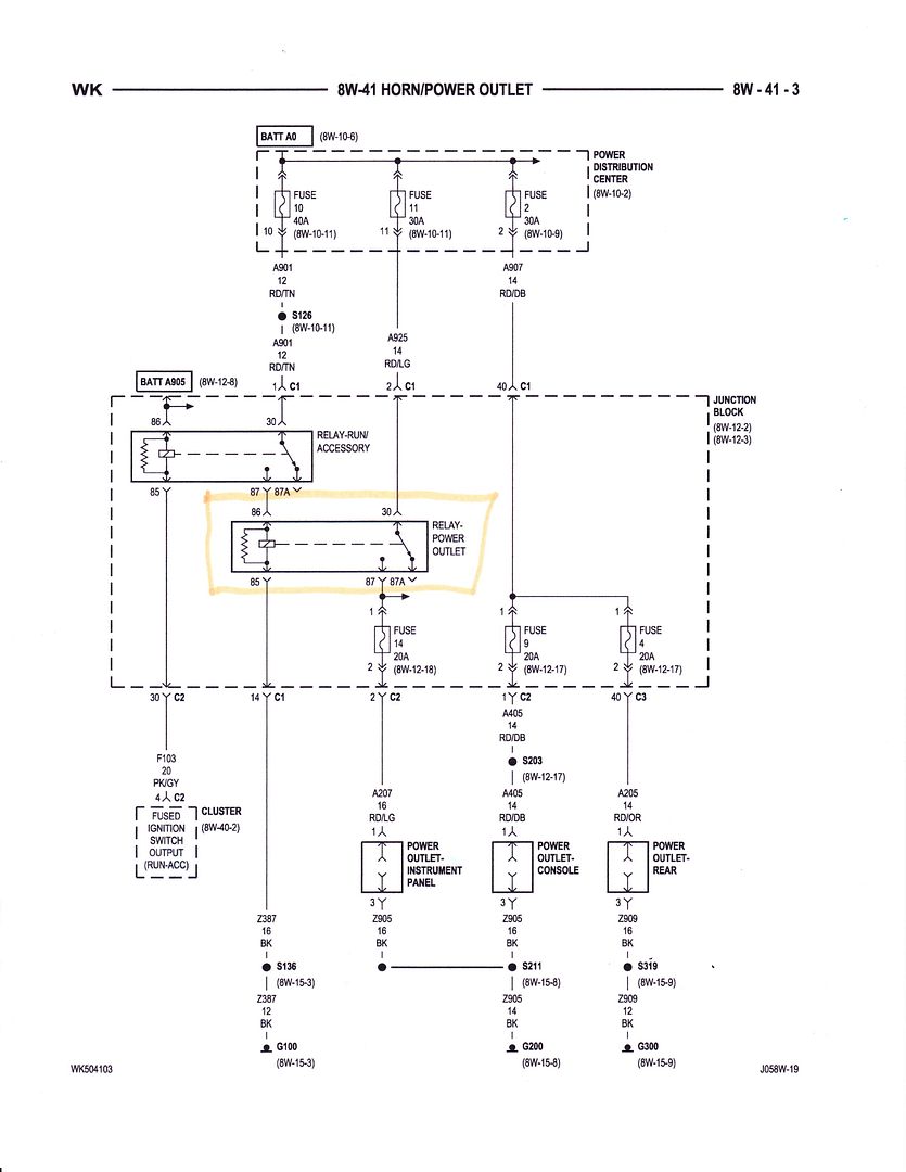
From repairenginewilliam55.z22.web.core.windows.net
Heat Not Working In Jeep Cherokee Jeep Power Outlet Not Working Yes, it was working until last week and yes i know i have to have the key on. Sometimes when removing the console trim plate with hvac controls and reinstalling a plug might have been missed. Start date today at 8:05 am; The 12v accessory outlet in my jk has stopped working. My power outlets just stop working as well,. Jeep Power Outlet Not Working.
From www.wranglerforum.com
Jeep wrangler power inverter outlet Not working ( Blowing Fuses) Jeep Jeep Power Outlet Not Working For the first time in probably 20 years i have a 12v charger outlet not working on my 2014 jku. Explore our expert guide for diagnosing and resolving problems, ensuring your vehicle's power outlet is. If a 12v outlet cover has a picture of a key on it, that outlet only works with key on. Start date today at 8:05. Jeep Power Outlet Not Working.
From jeepspecs.com
Jeep WJ Grand Cherokee Rear Power Outlet Installation Jeep Power Outlet Not Working Explore our expert guide for diagnosing and resolving problems, ensuring your vehicle's power outlet is. Sometimes when removing the console trim plate with hvac controls and reinstalling a plug might have been missed. The 12v accessory outlet in my jk has stopped working. Yes, it was working until last week and yes i know i have to have the key. Jeep Power Outlet Not Working.
From myjeepcar.com
Upgrading Your Jeep Patriot A Comprehensive Guide to Replacing the 12 Jeep Power Outlet Not Working Troubleshoot and fix issues with your jeep wrangler's 115v outlet effortlessly. Explore our expert guide for diagnosing and resolving problems, ensuring your vehicle's power outlet is. My power outlets just stop working as well, all fuses are intact but no power on all 3 sockets even with engine on. If a 12v outlet cover has a picture of a key. Jeep Power Outlet Not Working.
From www.youtube.com
CHEROKEE Jeep ELECTRIC socket location in dashboard YouTube Jeep Power Outlet Not Working My power outlets just stop working as well, all fuses are intact but no power on all 3 sockets even with engine on. If a 12v outlet cover has a picture of a battery on it,. The 12v accessory outlet in my jk has stopped working. Sometimes when removing the console trim plate with hvac controls and reinstalling a plug. Jeep Power Outlet Not Working.
From www.youtube.com
Electrical Power OutletsUsing the 12V power supply electrical plug on Jeep Power Outlet Not Working If a 12v outlet cover has a picture of a battery on it,. My power outlets just stop working as well, all fuses are intact but no power on all 3 sockets even with engine on. Fuse is good and the outlet. Troubleshoot and fix issues with your jeep wrangler's 115v outlet effortlessly. Yes, it was working until last week. Jeep Power Outlet Not Working.
From www.jeepforum.com
Cigarette lighter and power outlet not working Jeep Power Outlet Not Working Start date today at 8:05 am; Explore our expert guide for diagnosing and resolving problems, ensuring your vehicle's power outlet is. The 12v accessory outlet in my jk has stopped working. For the first time in probably 20 years i have a 12v charger outlet not working on my 2014 jku. My power outlets just stop working as well, all. Jeep Power Outlet Not Working.
From www.youtube.com
How to fix 12V power outlet or charging port in your car. YouTube Jeep Power Outlet Not Working Fuse is good and the outlet. For the first time in probably 20 years i have a 12v charger outlet not working on my 2014 jku. Troubleshoot and fix issues with your jeep wrangler's 115v outlet effortlessly. My power outlets just stop working as well, all fuses are intact but no power on all 3 sockets even with engine on.. Jeep Power Outlet Not Working.
From dxozvknkt.blob.core.windows.net
Grand Cherokee Tail Lights Not Working at Linda Hartley blog Jeep Power Outlet Not Working If a 12v outlet cover has a picture of a battery on it,. Troubleshoot and fix issues with your jeep wrangler's 115v outlet effortlessly. Sometimes when removing the console trim plate with hvac controls and reinstalling a plug might have been missed. Explore our expert guide for diagnosing and resolving problems, ensuring your vehicle's power outlet is. If a 12v. Jeep Power Outlet Not Working.
From basiliaocasio.blogspot.com
power outlet not working in car Basilia Ocasio Jeep Power Outlet Not Working For the first time in probably 20 years i have a 12v charger outlet not working on my 2014 jku. The 12v accessory outlet in my jk has stopped working. Explore our expert guide for diagnosing and resolving problems, ensuring your vehicle's power outlet is. Start date today at 8:05 am; Yes, it was working until last week and yes. Jeep Power Outlet Not Working.
From howtofixit.net
3 Reasons Why Outdoor Power Outlet Is Not Working How To Fix It Jeep Power Outlet Not Working For the first time in probably 20 years i have a 12v charger outlet not working on my 2014 jku. Troubleshoot and fix issues with your jeep wrangler's 115v outlet effortlessly. If a 12v outlet cover has a picture of a battery on it,. Fuse is good and the outlet. Start date today at 8:05 am; My power outlets just. Jeep Power Outlet Not Working.
From www.youtube.com
2015 Jeep Wrangler Electrical Power Outlets YouTube Jeep Power Outlet Not Working Fuse is good and the outlet. Explore our expert guide for diagnosing and resolving problems, ensuring your vehicle's power outlet is. If a 12v outlet cover has a picture of a battery on it,. Troubleshoot and fix issues with your jeep wrangler's 115v outlet effortlessly. The 12v accessory outlet in my jk has stopped working. Start date today at 8:05. Jeep Power Outlet Not Working.
From jeepexplorer.com
Jeep Wrangler 115V Outlet Not Working Troubleshooting Guide Jeep Power Outlet Not Working Start date today at 8:05 am; Sometimes when removing the console trim plate with hvac controls and reinstalling a plug might have been missed. For the first time in probably 20 years i have a 12v charger outlet not working on my 2014 jku. The 12v accessory outlet in my jk has stopped working. My power outlets just stop working. Jeep Power Outlet Not Working.
From guidewiringmikrons.z14.web.core.windows.net
Outlet Not Working But Has Power Jeep Power Outlet Not Working For the first time in probably 20 years i have a 12v charger outlet not working on my 2014 jku. The 12v accessory outlet in my jk has stopped working. Troubleshoot and fix issues with your jeep wrangler's 115v outlet effortlessly. If a 12v outlet cover has a picture of a battery on it,. My power outlets just stop working. Jeep Power Outlet Not Working.
From www.justanswer.com
Q&A Jeep Power Outlet Issues Fuse Box Diagram, Locations Jeep Power Outlet Not Working If a 12v outlet cover has a picture of a battery on it,. Start date today at 8:05 am; Troubleshoot and fix issues with your jeep wrangler's 115v outlet effortlessly. The 12v accessory outlet in my jk has stopped working. Yes, it was working until last week and yes i know i have to have the key on. If a. Jeep Power Outlet Not Working.
From officialbruinsshop.com
2017 Jeep Wrangler Interior Fuse Box Location Bruin Blog Jeep Power Outlet Not Working If a 12v outlet cover has a picture of a battery on it,. Explore our expert guide for diagnosing and resolving problems, ensuring your vehicle's power outlet is. Fuse is good and the outlet. Troubleshoot and fix issues with your jeep wrangler's 115v outlet effortlessly. My power outlets just stop working as well, all fuses are intact but no power. Jeep Power Outlet Not Working.
From wirevubyeuphonised.z21.web.core.windows.net
How To Fix Outlet With No Power Jeep Power Outlet Not Working Troubleshoot and fix issues with your jeep wrangler's 115v outlet effortlessly. For the first time in probably 20 years i have a 12v charger outlet not working on my 2014 jku. Start date today at 8:05 am; My power outlets just stop working as well, all fuses are intact but no power on all 3 sockets even with engine on.. Jeep Power Outlet Not Working.
From www.youtube.com
Electrical Power OutletsUsing the 12V power supply electrical plug on Jeep Power Outlet Not Working The 12v accessory outlet in my jk has stopped working. Sometimes when removing the console trim plate with hvac controls and reinstalling a plug might have been missed. Explore our expert guide for diagnosing and resolving problems, ensuring your vehicle's power outlet is. If a 12v outlet cover has a picture of a battery on it,. My power outlets just. Jeep Power Outlet Not Working.
From www.youtube.com
Jeep Grand Cherokee Inverter Outlet YouTube Jeep Power Outlet Not Working Start date today at 8:05 am; Troubleshoot and fix issues with your jeep wrangler's 115v outlet effortlessly. Sometimes when removing the console trim plate with hvac controls and reinstalling a plug might have been missed. Yes, it was working until last week and yes i know i have to have the key on. If a 12v outlet cover has a. Jeep Power Outlet Not Working.
From automotorpad.com
1994 Jeep cherokee power windows not working Jeep Power Outlet Not Working For the first time in probably 20 years i have a 12v charger outlet not working on my 2014 jku. Troubleshoot and fix issues with your jeep wrangler's 115v outlet effortlessly. Explore our expert guide for diagnosing and resolving problems, ensuring your vehicle's power outlet is. If a 12v outlet cover has a picture of a battery on it,. Sometimes. Jeep Power Outlet Not Working.
From www.youtube.com
Toyota Power Outlet Not Working? YouTube Jeep Power Outlet Not Working Fuse is good and the outlet. Sometimes when removing the console trim plate with hvac controls and reinstalling a plug might have been missed. Explore our expert guide for diagnosing and resolving problems, ensuring your vehicle's power outlet is. If a 12v outlet cover has a picture of a key on it, that outlet only works with key on. Yes,. Jeep Power Outlet Not Working.
From thptnganamst.edu.vn
Actualizar 58+ imagen jeep wrangler 12v power outlet replacement Jeep Power Outlet Not Working Start date today at 8:05 am; Fuse is good and the outlet. Troubleshoot and fix issues with your jeep wrangler's 115v outlet effortlessly. If a 12v outlet cover has a picture of a battery on it,. Sometimes when removing the console trim plate with hvac controls and reinstalling a plug might have been missed. The 12v accessory outlet in my. Jeep Power Outlet Not Working.
From www.youtube.com
Power windows not working on 99 Grand Cherokee Jeep Part 2 YouTube Jeep Power Outlet Not Working If a 12v outlet cover has a picture of a battery on it,. Yes, it was working until last week and yes i know i have to have the key on. Start date today at 8:05 am; If a 12v outlet cover has a picture of a key on it, that outlet only works with key on. Explore our expert. Jeep Power Outlet Not Working.
From www.youtube.com
Electrical Power OutletsUsing the 12V power supply electrical plug on Jeep Power Outlet Not Working For the first time in probably 20 years i have a 12v charger outlet not working on my 2014 jku. Fuse is good and the outlet. If a 12v outlet cover has a picture of a key on it, that outlet only works with key on. Sometimes when removing the console trim plate with hvac controls and reinstalling a plug. Jeep Power Outlet Not Working.
From www.youtube.com
Electrical Power OutletsUsing the 12V power supply electrical plug on Jeep Power Outlet Not Working If a 12v outlet cover has a picture of a battery on it,. For the first time in probably 20 years i have a 12v charger outlet not working on my 2014 jku. Fuse is good and the outlet. If a 12v outlet cover has a picture of a key on it, that outlet only works with key on. Troubleshoot. Jeep Power Outlet Not Working.
From www.youtube.com
2016 Jeep Cherokee Electrical Power Outlets YouTube Jeep Power Outlet Not Working Sometimes when removing the console trim plate with hvac controls and reinstalling a plug might have been missed. For the first time in probably 20 years i have a 12v charger outlet not working on my 2014 jku. Troubleshoot and fix issues with your jeep wrangler's 115v outlet effortlessly. Fuse is good and the outlet. Explore our expert guide for. Jeep Power Outlet Not Working.
From www.funktionalhome.com
Outdoor Outlet Not Working 11 Easy Ways To Fix It Now Jeep Power Outlet Not Working If a 12v outlet cover has a picture of a key on it, that outlet only works with key on. If a 12v outlet cover has a picture of a battery on it,. Fuse is good and the outlet. Yes, it was working until last week and yes i know i have to have the key on. Sometimes when removing. Jeep Power Outlet Not Working.
From www.paulstravelpictures.com
20142018JeepCherokeeElectricalFusesReplacementGuide006 Jeep Power Outlet Not Working If a 12v outlet cover has a picture of a key on it, that outlet only works with key on. Fuse is good and the outlet. Troubleshoot and fix issues with your jeep wrangler's 115v outlet effortlessly. Start date today at 8:05 am; My power outlets just stop working as well, all fuses are intact but no power on all. Jeep Power Outlet Not Working.
From www.jeepforum.com
Cigarette lighter and power outlet not working Jeep Enthusiast Forums Jeep Power Outlet Not Working Explore our expert guide for diagnosing and resolving problems, ensuring your vehicle's power outlet is. Yes, it was working until last week and yes i know i have to have the key on. Fuse is good and the outlet. If a 12v outlet cover has a picture of a battery on it,. Troubleshoot and fix issues with your jeep wrangler's. Jeep Power Outlet Not Working.
From jeepexplorer.com
Jeep Wrangler 115V Outlet Not Working Troubleshooting Guide Jeep Power Outlet Not Working Start date today at 8:05 am; Sometimes when removing the console trim plate with hvac controls and reinstalling a plug might have been missed. Explore our expert guide for diagnosing and resolving problems, ensuring your vehicle's power outlet is. For the first time in probably 20 years i have a 12v charger outlet not working on my 2014 jku. Troubleshoot. Jeep Power Outlet Not Working.
From www.jlwranglerforums.com
Power outlet on back of center console 2018+ Jeep Wrangler Forums (JL Jeep Power Outlet Not Working Fuse is good and the outlet. The 12v accessory outlet in my jk has stopped working. Sometimes when removing the console trim plate with hvac controls and reinstalling a plug might have been missed. Yes, it was working until last week and yes i know i have to have the key on. Start date today at 8:05 am; For the. Jeep Power Outlet Not Working.
From www.youtube.com
Power outlet not working? Check these 3 things YouTube Jeep Power Outlet Not Working My power outlets just stop working as well, all fuses are intact but no power on all 3 sockets even with engine on. Yes, it was working until last week and yes i know i have to have the key on. Fuse is good and the outlet. If a 12v outlet cover has a picture of a key on it,. Jeep Power Outlet Not Working.
From www.youtube.com
Power Outlet Not Working Easy Fix YouTube Jeep Power Outlet Not Working Troubleshoot and fix issues with your jeep wrangler's 115v outlet effortlessly. Yes, it was working until last week and yes i know i have to have the key on. My power outlets just stop working as well, all fuses are intact but no power on all 3 sockets even with engine on. If a 12v outlet cover has a picture. Jeep Power Outlet Not Working.
From www.youtube.com
12V DC Power Outlet not working? (Cigarette Lighter) on Jeep JK YouTube Jeep Power Outlet Not Working Sometimes when removing the console trim plate with hvac controls and reinstalling a plug might have been missed. Yes, it was working until last week and yes i know i have to have the key on. My power outlets just stop working as well, all fuses are intact but no power on all 3 sockets even with engine on. Start. Jeep Power Outlet Not Working.