Mk4 Golf Cooling Fans Not Working . So i replaced the small fan and all. My small radiator fan (which runs when water temp gets high, or ac is on) never worked, and i've heard that its not only my. The problem is most likely that the low speed on. These issues can lead to overheating and potential damage to the engine if not addressed promptly. Your compressor is just fine as well as the freon, evaparator, condenser, etc. Hi everyone this morning whilst driving at 80mph on the mway i noticed my temperature gauge had hit almost 120degrees. Opened the small fan motor head and realised that magnets in there are not holding in place. Fan fix kit only resolves the low speed fan not working due to the internal resistor burning out, which is pretty common. Some common cooling fan problems reported in 2018 volkswagen models include faulty fan control modules, damaged fan motors, and issues with the temperature sensor or relay. Ended up with taking off small fan to check it. Hey man i have a 03 20th mk4 gti 1.8, 6 speed. #1 · aug 6, 2009. Neither rad fans come on, they work when i unplug and replug the green battery box fuse but only spin for a few seconds with.
from techschematic.com
#1 · aug 6, 2009. Your compressor is just fine as well as the freon, evaparator, condenser, etc. My small radiator fan (which runs when water temp gets high, or ac is on) never worked, and i've heard that its not only my. These issues can lead to overheating and potential damage to the engine if not addressed promptly. Hi everyone this morning whilst driving at 80mph on the mway i noticed my temperature gauge had hit almost 120degrees. Fan fix kit only resolves the low speed fan not working due to the internal resistor burning out, which is pretty common. The problem is most likely that the low speed on. Neither rad fans come on, they work when i unplug and replug the green battery box fuse but only spin for a few seconds with. Opened the small fan motor head and realised that magnets in there are not holding in place. So i replaced the small fan and all.
Everything You Need to Know About VW Golf Mk4 Cooling System Diagram
Mk4 Golf Cooling Fans Not Working So i replaced the small fan and all. Opened the small fan motor head and realised that magnets in there are not holding in place. Neither rad fans come on, they work when i unplug and replug the green battery box fuse but only spin for a few seconds with. Some common cooling fan problems reported in 2018 volkswagen models include faulty fan control modules, damaged fan motors, and issues with the temperature sensor or relay. Ended up with taking off small fan to check it. Hey man i have a 03 20th mk4 gti 1.8, 6 speed. These issues can lead to overheating and potential damage to the engine if not addressed promptly. My small radiator fan (which runs when water temp gets high, or ac is on) never worked, and i've heard that its not only my. Your compressor is just fine as well as the freon, evaparator, condenser, etc. The problem is most likely that the low speed on. So i replaced the small fan and all. Fan fix kit only resolves the low speed fan not working due to the internal resistor burning out, which is pretty common. Hi everyone this morning whilst driving at 80mph on the mway i noticed my temperature gauge had hit almost 120degrees. #1 · aug 6, 2009.
From wiringdbczarnulacf.z22.web.core.windows.net
Golf Mk4 Cooling Fan Wiring Diagram Mk4 Golf Cooling Fans Not Working Some common cooling fan problems reported in 2018 volkswagen models include faulty fan control modules, damaged fan motors, and issues with the temperature sensor or relay. Opened the small fan motor head and realised that magnets in there are not holding in place. Hi everyone this morning whilst driving at 80mph on the mway i noticed my temperature gauge had. Mk4 Golf Cooling Fans Not Working.
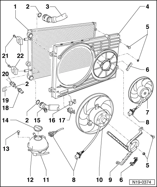
From workshop-manuals.com
Volkswagen Service and Repair Manuals > Golf Mk4 > Power unit Mk4 Golf Cooling Fans Not Working Ended up with taking off small fan to check it. These issues can lead to overheating and potential damage to the engine if not addressed promptly. So i replaced the small fan and all. Some common cooling fan problems reported in 2018 volkswagen models include faulty fan control modules, damaged fan motors, and issues with the temperature sensor or relay.. Mk4 Golf Cooling Fans Not Working.
From www.vwbreakers.co.uk
Volkswagen Golf MK4 19972004 2.0 GTI Rad Pack Radiator Cooling FAN Mk4 Golf Cooling Fans Not Working These issues can lead to overheating and potential damage to the engine if not addressed promptly. My small radiator fan (which runs when water temp gets high, or ac is on) never worked, and i've heard that its not only my. Neither rad fans come on, they work when i unplug and replug the green battery box fuse but only. Mk4 Golf Cooling Fans Not Working.
From aceauto.co.za
Volkswagen GOLF MK4 FAN RADIATOR COOLING 345MM 250W Ace Auto Buy Mk4 Golf Cooling Fans Not Working So i replaced the small fan and all. Fan fix kit only resolves the low speed fan not working due to the internal resistor burning out, which is pretty common. My small radiator fan (which runs when water temp gets high, or ac is on) never worked, and i've heard that its not only my. Some common cooling fan problems. Mk4 Golf Cooling Fans Not Working.
From www.vwbreakers.co.uk
Volkswagen Golf MK4 19972004 1.6 16v Radiator Cooling Fan Rad Pack Mk4 Golf Cooling Fans Not Working Opened the small fan motor head and realised that magnets in there are not holding in place. These issues can lead to overheating and potential damage to the engine if not addressed promptly. My small radiator fan (which runs when water temp gets high, or ac is on) never worked, and i've heard that its not only my. Fan fix. Mk4 Golf Cooling Fans Not Working.
From uk-mkivs.net
Mk.4 Golf/Bora radiator fan fix. D.I.Y Guides and How to Instructions Mk4 Golf Cooling Fans Not Working Your compressor is just fine as well as the freon, evaparator, condenser, etc. Ended up with taking off small fan to check it. Hi everyone this morning whilst driving at 80mph on the mway i noticed my temperature gauge had hit almost 120degrees. Neither rad fans come on, they work when i unplug and replug the green battery box fuse. Mk4 Golf Cooling Fans Not Working.
From www.vwbreakers.co.uk
Volkswagen Golf MK4 19972004 Cooling Fan Relay 1J0919506H Store Mk4 Golf Cooling Fans Not Working Ended up with taking off small fan to check it. These issues can lead to overheating and potential damage to the engine if not addressed promptly. Neither rad fans come on, they work when i unplug and replug the green battery box fuse but only spin for a few seconds with. #1 · aug 6, 2009. Fan fix kit only. Mk4 Golf Cooling Fans Not Working.
From www.youtube.com
AUTO COOLING FAN (NOT WORKING QUICK TEST) YouTube Mk4 Golf Cooling Fans Not Working Opened the small fan motor head and realised that magnets in there are not holding in place. The problem is most likely that the low speed on. #1 · aug 6, 2009. Neither rad fans come on, they work when i unplug and replug the green battery box fuse but only spin for a few seconds with. Ended up with. Mk4 Golf Cooling Fans Not Working.
From www.vwbreakers.co.uk
Volkswagen Golf MK4 19972004 2.0 GTI Rad Pack Radiator Cooling FAN Mk4 Golf Cooling Fans Not Working Opened the small fan motor head and realised that magnets in there are not holding in place. Ended up with taking off small fan to check it. #1 · aug 6, 2009. Some common cooling fan problems reported in 2018 volkswagen models include faulty fan control modules, damaged fan motors, and issues with the temperature sensor or relay. The problem. Mk4 Golf Cooling Fans Not Working.
From techschematic.com
Everything You Need to Know About VW Golf Mk4 Cooling System Diagram Mk4 Golf Cooling Fans Not Working These issues can lead to overheating and potential damage to the engine if not addressed promptly. Your compressor is just fine as well as the freon, evaparator, condenser, etc. The problem is most likely that the low speed on. So i replaced the small fan and all. Neither rad fans come on, they work when i unplug and replug the. Mk4 Golf Cooling Fans Not Working.
From carparts4sale.com
RH 290mm Electric Cooling Fan 0205 VW Golf MK4 Genuine Mk4 Golf Cooling Fans Not Working So i replaced the small fan and all. Neither rad fans come on, they work when i unplug and replug the green battery box fuse but only spin for a few seconds with. My small radiator fan (which runs when water temp gets high, or ac is on) never worked, and i've heard that its not only my. The problem. Mk4 Golf Cooling Fans Not Working.
From www.vwbreakers.co.uk
Volkswagen Golf MK4 19972004 1.4 Radiator Rad Pack Cooling Fan Store Mk4 Golf Cooling Fans Not Working #1 · aug 6, 2009. Hey man i have a 03 20th mk4 gti 1.8, 6 speed. Fan fix kit only resolves the low speed fan not working due to the internal resistor burning out, which is pretty common. The problem is most likely that the low speed on. Some common cooling fan problems reported in 2018 volkswagen models include. Mk4 Golf Cooling Fans Not Working.
From www.youtube.com
MK4 GOLF GTI COOLING FAN EXCHANGE YouTube Mk4 Golf Cooling Fans Not Working Hi everyone this morning whilst driving at 80mph on the mway i noticed my temperature gauge had hit almost 120degrees. Hey man i have a 03 20th mk4 gti 1.8, 6 speed. The problem is most likely that the low speed on. So i replaced the small fan and all. Opened the small fan motor head and realised that magnets. Mk4 Golf Cooling Fans Not Working.
From www.pelicanparts.com
Volkswagen Golf GTI MK4 Coolant Flush and Replacement (19992005 Mk4 Golf Cooling Fans Not Working My small radiator fan (which runs when water temp gets high, or ac is on) never worked, and i've heard that its not only my. Ended up with taking off small fan to check it. Opened the small fan motor head and realised that magnets in there are not holding in place. These issues can lead to overheating and potential. Mk4 Golf Cooling Fans Not Working.
From kermatdi.com
Large Cooling Fan (Mk4 Golf/Jetta) Mk4 Golf Cooling Fans Not Working Fan fix kit only resolves the low speed fan not working due to the internal resistor burning out, which is pretty common. Ended up with taking off small fan to check it. Neither rad fans come on, they work when i unplug and replug the green battery box fuse but only spin for a few seconds with. #1 · aug. Mk4 Golf Cooling Fans Not Working.
From www.vwbreakers.co.uk
Volkswagen Golf MK4 19972004 1.9 tDi Radiator Cooling Fan Rad Pack ALH Mk4 Golf Cooling Fans Not Working Hey man i have a 03 20th mk4 gti 1.8, 6 speed. Neither rad fans come on, they work when i unplug and replug the green battery box fuse but only spin for a few seconds with. My small radiator fan (which runs when water temp gets high, or ac is on) never worked, and i've heard that its not. Mk4 Golf Cooling Fans Not Working.
From www.youtube.com
Volkswagen Golf MK4 TDI Radiator fan test YouTube Mk4 Golf Cooling Fans Not Working Hi everyone this morning whilst driving at 80mph on the mway i noticed my temperature gauge had hit almost 120degrees. Hey man i have a 03 20th mk4 gti 1.8, 6 speed. Ended up with taking off small fan to check it. Some common cooling fan problems reported in 2018 volkswagen models include faulty fan control modules, damaged fan motors,. Mk4 Golf Cooling Fans Not Working.
From www.youtube.com
diagnosis vw mk4 ac problem , golf ,jetta ,bora , seat, passat ,vw mk4 Mk4 Golf Cooling Fans Not Working These issues can lead to overheating and potential damage to the engine if not addressed promptly. Fan fix kit only resolves the low speed fan not working due to the internal resistor burning out, which is pretty common. My small radiator fan (which runs when water temp gets high, or ac is on) never worked, and i've heard that its. Mk4 Golf Cooling Fans Not Working.
From wiringdiagram.2bitboer.com
Mk4 Golf Fan Wiring Diagram Wiring Diagram Mk4 Golf Cooling Fans Not Working Hey man i have a 03 20th mk4 gti 1.8, 6 speed. The problem is most likely that the low speed on. Opened the small fan motor head and realised that magnets in there are not holding in place. Hi everyone this morning whilst driving at 80mph on the mway i noticed my temperature gauge had hit almost 120degrees. Neither. Mk4 Golf Cooling Fans Not Working.
From www.youtube.com
VW Golf Mk4 GT TDI (1.9 TDI 150PS) (ARL) Cooling Fan Speeds YouTube Mk4 Golf Cooling Fans Not Working Hey man i have a 03 20th mk4 gti 1.8, 6 speed. The problem is most likely that the low speed on. Hi everyone this morning whilst driving at 80mph on the mway i noticed my temperature gauge had hit almost 120degrees. Fan fix kit only resolves the low speed fan not working due to the internal resistor burning out,. Mk4 Golf Cooling Fans Not Working.
From techschematic.com
Everything You Need to Know About VW Golf Mk4 Cooling System Diagram Mk4 Golf Cooling Fans Not Working Hey man i have a 03 20th mk4 gti 1.8, 6 speed. Neither rad fans come on, they work when i unplug and replug the green battery box fuse but only spin for a few seconds with. Hi everyone this morning whilst driving at 80mph on the mway i noticed my temperature gauge had hit almost 120degrees. Your compressor is. Mk4 Golf Cooling Fans Not Working.
From carparts4sale.com
Engine Cooling Fans & Shroud 9905 VW Jetta Golf GTI MK4 Audi TT 1J0 Mk4 Golf Cooling Fans Not Working Fan fix kit only resolves the low speed fan not working due to the internal resistor burning out, which is pretty common. Ended up with taking off small fan to check it. My small radiator fan (which runs when water temp gets high, or ac is on) never worked, and i've heard that its not only my. #1 · aug. Mk4 Golf Cooling Fans Not Working.
From www.partsplaceinc.com
VW MK4 Passenger Side Radiator Cooling Fan Free Tech Help Mk4 Golf Cooling Fans Not Working Ended up with taking off small fan to check it. #1 · aug 6, 2009. Neither rad fans come on, they work when i unplug and replug the green battery box fuse but only spin for a few seconds with. Fan fix kit only resolves the low speed fan not working due to the internal resistor burning out, which is. Mk4 Golf Cooling Fans Not Working.
From www.vwbreakers.co.uk
Volkswagen Golf MK4 19972004 Cooling Fan Radiator Relay 1J0919506L Mk4 Golf Cooling Fans Not Working Some common cooling fan problems reported in 2018 volkswagen models include faulty fan control modules, damaged fan motors, and issues with the temperature sensor or relay. Neither rad fans come on, they work when i unplug and replug the green battery box fuse but only spin for a few seconds with. Hey man i have a 03 20th mk4 gti. Mk4 Golf Cooling Fans Not Working.
From www.youtube.com
VOLKSWAGEN mk4 golf cooling fans fault YouTube Mk4 Golf Cooling Fans Not Working These issues can lead to overheating and potential damage to the engine if not addressed promptly. Your compressor is just fine as well as the freon, evaparator, condenser, etc. Hi everyone this morning whilst driving at 80mph on the mway i noticed my temperature gauge had hit almost 120degrees. The problem is most likely that the low speed on. Neither. Mk4 Golf Cooling Fans Not Working.
From www.vwvortex.com
05 MK4 1.8T Radiator Fan Assembly, Can't Find Replacement VW Vortex Mk4 Golf Cooling Fans Not Working Opened the small fan motor head and realised that magnets in there are not holding in place. #1 · aug 6, 2009. These issues can lead to overheating and potential damage to the engine if not addressed promptly. Neither rad fans come on, they work when i unplug and replug the green battery box fuse but only spin for a. Mk4 Golf Cooling Fans Not Working.
From www.vwbreakers.co.uk
Volkswagen Golf MK4 19972004 2.3 V5 Radiator Cooling Fan Rad Pack Mk4 Golf Cooling Fans Not Working Some common cooling fan problems reported in 2018 volkswagen models include faulty fan control modules, damaged fan motors, and issues with the temperature sensor or relay. Ended up with taking off small fan to check it. So i replaced the small fan and all. Opened the small fan motor head and realised that magnets in there are not holding in. Mk4 Golf Cooling Fans Not Working.
From www.pelicanparts.com
Volkswagen Jetta Mk4 Radiator Fan Switch Replacement Jetta Mk4 2.0L Mk4 Golf Cooling Fans Not Working Hi everyone this morning whilst driving at 80mph on the mway i noticed my temperature gauge had hit almost 120degrees. Fan fix kit only resolves the low speed fan not working due to the internal resistor burning out, which is pretty common. So i replaced the small fan and all. Opened the small fan motor head and realised that magnets. Mk4 Golf Cooling Fans Not Working.
From machinefixoutlines.z22.web.core.windows.net
Engine Cooling Fan Not Working Mk4 Golf Cooling Fans Not Working Hey man i have a 03 20th mk4 gti 1.8, 6 speed. #1 · aug 6, 2009. The problem is most likely that the low speed on. Opened the small fan motor head and realised that magnets in there are not holding in place. These issues can lead to overheating and potential damage to the engine if not addressed promptly.. Mk4 Golf Cooling Fans Not Working.
From www.3dprintronics.com
MK4 Hotend Cooling Fan Mk4 Golf Cooling Fans Not Working Your compressor is just fine as well as the freon, evaparator, condenser, etc. Neither rad fans come on, they work when i unplug and replug the green battery box fuse but only spin for a few seconds with. #1 · aug 6, 2009. So i replaced the small fan and all. Hi everyone this morning whilst driving at 80mph on. Mk4 Golf Cooling Fans Not Working.
From www.vwbreakers.co.uk
Volkswagen Golf MK4 19972004 2.0 GTI Rad Pack Radiator Cooling FAN Mk4 Golf Cooling Fans Not Working Opened the small fan motor head and realised that magnets in there are not holding in place. Hey man i have a 03 20th mk4 gti 1.8, 6 speed. Neither rad fans come on, they work when i unplug and replug the green battery box fuse but only spin for a few seconds with. Fan fix kit only resolves the. Mk4 Golf Cooling Fans Not Working.
From bestgolfcartsinc.net
Golf MK4 Fan Wiring Diagram Fix Installing, Troubleshooting Mk4 Golf Cooling Fans Not Working Neither rad fans come on, they work when i unplug and replug the green battery box fuse but only spin for a few seconds with. Your compressor is just fine as well as the freon, evaparator, condenser, etc. Hi everyone this morning whilst driving at 80mph on the mway i noticed my temperature gauge had hit almost 120degrees. These issues. Mk4 Golf Cooling Fans Not Working.
From aceauto.co.za
Volkswagen GOLF MK4 FAN RADIATOR COOLING Ace Auto Buy Car Parts Mk4 Golf Cooling Fans Not Working So i replaced the small fan and all. Ended up with taking off small fan to check it. #1 · aug 6, 2009. Opened the small fan motor head and realised that magnets in there are not holding in place. My small radiator fan (which runs when water temp gets high, or ac is on) never worked, and i've heard. Mk4 Golf Cooling Fans Not Working.
From www.vwbreakers.co.uk
Volkswagen Golf MK4 19972004 2.3 V5 Radiator Cooling Fan Rad Pack Mk4 Golf Cooling Fans Not Working My small radiator fan (which runs when water temp gets high, or ac is on) never worked, and i've heard that its not only my. Fan fix kit only resolves the low speed fan not working due to the internal resistor burning out, which is pretty common. #1 · aug 6, 2009. The problem is most likely that the low. Mk4 Golf Cooling Fans Not Working.
From www.ebay.com
Engine Cooling Fans & Shroud 9905 VW Jetta Golf GTI MK4 Audi TT 1J0 Mk4 Golf Cooling Fans Not Working The problem is most likely that the low speed on. So i replaced the small fan and all. These issues can lead to overheating and potential damage to the engine if not addressed promptly. My small radiator fan (which runs when water temp gets high, or ac is on) never worked, and i've heard that its not only my. Ended. Mk4 Golf Cooling Fans Not Working.