Ignition System Circuit Diagram . The ignition coil is a transformer that converts the battery’s low voltage into the high voltage needed to create a spark at the spark plugs. A sensor controls this transistor to create an electrical pulse, generating a high voltage spark that can burn the lean mixture and provide a better economy and lower emissions. A typical ignition system wiring diagram includes the ignition coil, distributor, spark plugs, and various switches and relays. Whether you're troubleshooting an existing system, installing an aftermarket ignition system, or designing your own, an electronic. An electronic ignition system is a type of ignition system that uses a transistor to make an electronic circuit work. Also, we will cover the ignition components and operation and how to troubleshoot issues with the system. An automotive ignition system diagram illustrates the components and circuitry involved in starting a vehicle’s engine. The basic ignition diagram illustrates the key components and the sequence of events that take place within the system. Explanation of how the ignition system of a car works in an automobile. The main components of an ignition system include the battery, the ignition switch, the ignition coil, the distributor, the spark plugs, and the engine control module (ecm). Discover how the current goes through the coil to the sparkplug.
from carbiketech.com
An automotive ignition system diagram illustrates the components and circuitry involved in starting a vehicle’s engine. Discover how the current goes through the coil to the sparkplug. A typical ignition system wiring diagram includes the ignition coil, distributor, spark plugs, and various switches and relays. An electronic ignition system is a type of ignition system that uses a transistor to make an electronic circuit work. Explanation of how the ignition system of a car works in an automobile. A sensor controls this transistor to create an electrical pulse, generating a high voltage spark that can burn the lean mixture and provide a better economy and lower emissions. The main components of an ignition system include the battery, the ignition switch, the ignition coil, the distributor, the spark plugs, and the engine control module (ecm). The ignition coil is a transformer that converts the battery’s low voltage into the high voltage needed to create a spark at the spark plugs. Whether you're troubleshooting an existing system, installing an aftermarket ignition system, or designing your own, an electronic. Also, we will cover the ignition components and operation and how to troubleshoot issues with the system.
How The Ignition System Of A Car Works? Read More CarBikeTech
Ignition System Circuit Diagram A sensor controls this transistor to create an electrical pulse, generating a high voltage spark that can burn the lean mixture and provide a better economy and lower emissions. A typical ignition system wiring diagram includes the ignition coil, distributor, spark plugs, and various switches and relays. Explanation of how the ignition system of a car works in an automobile. An automotive ignition system diagram illustrates the components and circuitry involved in starting a vehicle’s engine. The ignition coil is a transformer that converts the battery’s low voltage into the high voltage needed to create a spark at the spark plugs. The basic ignition diagram illustrates the key components and the sequence of events that take place within the system. A sensor controls this transistor to create an electrical pulse, generating a high voltage spark that can burn the lean mixture and provide a better economy and lower emissions. Discover how the current goes through the coil to the sparkplug. The main components of an ignition system include the battery, the ignition switch, the ignition coil, the distributor, the spark plugs, and the engine control module (ecm). Whether you're troubleshooting an existing system, installing an aftermarket ignition system, or designing your own, an electronic. Also, we will cover the ignition components and operation and how to troubleshoot issues with the system. An electronic ignition system is a type of ignition system that uses a transistor to make an electronic circuit work.
From www.mechanicalbooster.com
How Electronic Ignition System Works? Mechanical Booster Ignition System Circuit Diagram Discover how the current goes through the coil to the sparkplug. Also, we will cover the ignition components and operation and how to troubleshoot issues with the system. A sensor controls this transistor to create an electrical pulse, generating a high voltage spark that can burn the lean mixture and provide a better economy and lower emissions. An automotive ignition. Ignition System Circuit Diagram.
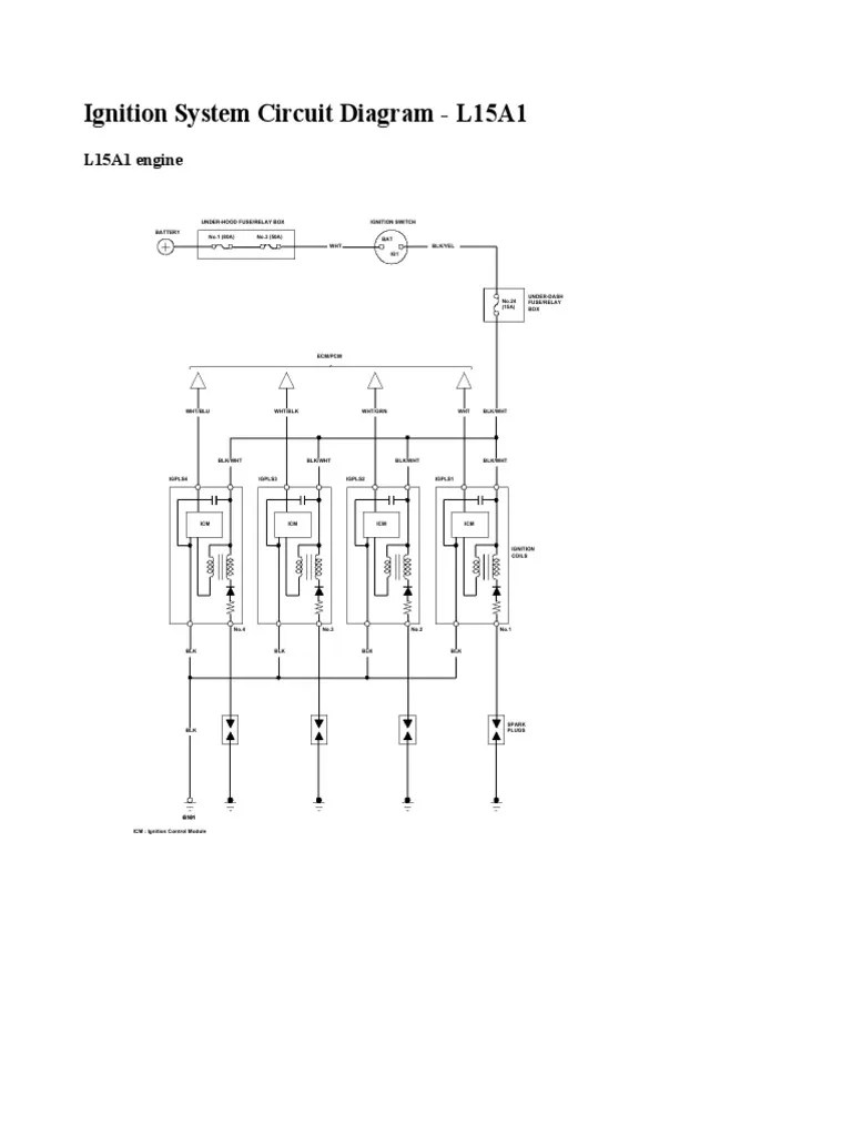
From userlistedna.z6.web.core.windows.net
Simple Ignition System Circuit Diagram Ignition System Circuit Diagram The ignition coil is a transformer that converts the battery’s low voltage into the high voltage needed to create a spark at the spark plugs. Whether you're troubleshooting an existing system, installing an aftermarket ignition system, or designing your own, an electronic. Explanation of how the ignition system of a car works in an automobile. Discover how the current goes. Ignition System Circuit Diagram.
From schematicfixbarth.z19.web.core.windows.net
Cdi Ignition Circuit Diagram Datasheet Ignition System Circuit Diagram Explanation of how the ignition system of a car works in an automobile. Also, we will cover the ignition components and operation and how to troubleshoot issues with the system. The main components of an ignition system include the battery, the ignition switch, the ignition coil, the distributor, the spark plugs, and the engine control module (ecm). A typical ignition. Ignition System Circuit Diagram.
From www.championautoparts.com
How Ignition Systems Work Champion Tech Tips Ignition System Circuit Diagram A sensor controls this transistor to create an electrical pulse, generating a high voltage spark that can burn the lean mixture and provide a better economy and lower emissions. The main components of an ignition system include the battery, the ignition switch, the ignition coil, the distributor, the spark plugs, and the engine control module (ecm). The basic ignition diagram. Ignition System Circuit Diagram.
From higion.com
Electronic Ignition System Diagram , Construction and Working Learn Ignition System Circuit Diagram A typical ignition system wiring diagram includes the ignition coil, distributor, spark plugs, and various switches and relays. The main components of an ignition system include the battery, the ignition switch, the ignition coil, the distributor, the spark plugs, and the engine control module (ecm). Explanation of how the ignition system of a car works in an automobile. Also, we. Ignition System Circuit Diagram.
From fixitfrequency.com
An Illustrated Guide to Ignition System Circuit Diagrams Ignition System Circuit Diagram The ignition coil is a transformer that converts the battery’s low voltage into the high voltage needed to create a spark at the spark plugs. A sensor controls this transistor to create an electrical pulse, generating a high voltage spark that can burn the lean mixture and provide a better economy and lower emissions. The main components of an ignition. Ignition System Circuit Diagram.
From www.dodgewiringdiagram.com
Ignition System Circuit Diagram 2000 3 9L Dodge Dakota Ignition System Circuit Diagram The ignition coil is a transformer that converts the battery’s low voltage into the high voltage needed to create a spark at the spark plugs. An automotive ignition system diagram illustrates the components and circuitry involved in starting a vehicle’s engine. Whether you're troubleshooting an existing system, installing an aftermarket ignition system, or designing your own, an electronic. The basic. Ignition System Circuit Diagram.
From learnmech.com
Ignition System Parts, Diagram, Working, Advantages Ignition System Circuit Diagram The ignition coil is a transformer that converts the battery’s low voltage into the high voltage needed to create a spark at the spark plugs. A sensor controls this transistor to create an electrical pulse, generating a high voltage spark that can burn the lean mixture and provide a better economy and lower emissions. Explanation of how the ignition system. Ignition System Circuit Diagram.
From fixitfrequency.com
An Illustrated Guide to Ignition System Circuit Diagrams Ignition System Circuit Diagram Explanation of how the ignition system of a car works in an automobile. Whether you're troubleshooting an existing system, installing an aftermarket ignition system, or designing your own, an electronic. Discover how the current goes through the coil to the sparkplug. A sensor controls this transistor to create an electrical pulse, generating a high voltage spark that can burn the. Ignition System Circuit Diagram.
From www.artofit.org
How the ignition system works Artofit Ignition System Circuit Diagram A sensor controls this transistor to create an electrical pulse, generating a high voltage spark that can burn the lean mixture and provide a better economy and lower emissions. A typical ignition system wiring diagram includes the ignition coil, distributor, spark plugs, and various switches and relays. The main components of an ignition system include the battery, the ignition switch,. Ignition System Circuit Diagram.
From engineeringlearner.com
What is Electronic Ignition System? Engineering Learner Ignition System Circuit Diagram Also, we will cover the ignition components and operation and how to troubleshoot issues with the system. Whether you're troubleshooting an existing system, installing an aftermarket ignition system, or designing your own, an electronic. An automotive ignition system diagram illustrates the components and circuitry involved in starting a vehicle’s engine. The basic ignition diagram illustrates the key components and the. Ignition System Circuit Diagram.
From www.scribd.com
Ignition System Circuit Diagram L15A1 PDF Ignition System Ignition System Circuit Diagram An electronic ignition system is a type of ignition system that uses a transistor to make an electronic circuit work. The ignition coil is a transformer that converts the battery’s low voltage into the high voltage needed to create a spark at the spark plugs. A sensor controls this transistor to create an electrical pulse, generating a high voltage spark. Ignition System Circuit Diagram.
From www.howacarworks.com
How the ignition system works How a Car Works Ignition System Circuit Diagram Discover how the current goes through the coil to the sparkplug. The main components of an ignition system include the battery, the ignition switch, the ignition coil, the distributor, the spark plugs, and the engine control module (ecm). The basic ignition diagram illustrates the key components and the sequence of events that take place within the system. Explanation of how. Ignition System Circuit Diagram.
From www.circuitdiagram.co
Electronic Ignition System Circuit Diagram Circuit Diagram Ignition System Circuit Diagram An electronic ignition system is a type of ignition system that uses a transistor to make an electronic circuit work. The basic ignition diagram illustrates the key components and the sequence of events that take place within the system. The main components of an ignition system include the battery, the ignition switch, the ignition coil, the distributor, the spark plugs,. Ignition System Circuit Diagram.
From fixdatabarth.z19.web.core.windows.net
Simple Ignition System Circuit Diagram Ignition System Circuit Diagram The basic ignition diagram illustrates the key components and the sequence of events that take place within the system. The ignition coil is a transformer that converts the battery’s low voltage into the high voltage needed to create a spark at the spark plugs. The main components of an ignition system include the battery, the ignition switch, the ignition coil,. Ignition System Circuit Diagram.
From userlibnicholas.z6.web.core.windows.net
Car Ignition System Circuit Diagram Ignition System Circuit Diagram Explanation of how the ignition system of a car works in an automobile. The main components of an ignition system include the battery, the ignition switch, the ignition coil, the distributor, the spark plugs, and the engine control module (ecm). An electronic ignition system is a type of ignition system that uses a transistor to make an electronic circuit work.. Ignition System Circuit Diagram.
From carfromjapan.com
The 4 Types Of Ignition System And How They Work Ignition System Circuit Diagram Whether you're troubleshooting an existing system, installing an aftermarket ignition system, or designing your own, an electronic. The basic ignition diagram illustrates the key components and the sequence of events that take place within the system. Discover how the current goes through the coil to the sparkplug. Also, we will cover the ignition components and operation and how to troubleshoot. Ignition System Circuit Diagram.
From blog.autointhebox.com
Getting to know car ignition system AUTOINTHEBOX Ignition System Circuit Diagram Explanation of how the ignition system of a car works in an automobile. The ignition coil is a transformer that converts the battery’s low voltage into the high voltage needed to create a spark at the spark plugs. The main components of an ignition system include the battery, the ignition switch, the ignition coil, the distributor, the spark plugs, and. Ignition System Circuit Diagram.
From dxoudtdcf.blob.core.windows.net
Ignition System Diagram Labeled at Della Kaplan blog Ignition System Circuit Diagram The main components of an ignition system include the battery, the ignition switch, the ignition coil, the distributor, the spark plugs, and the engine control module (ecm). A typical ignition system wiring diagram includes the ignition coil, distributor, spark plugs, and various switches and relays. Discover how the current goes through the coil to the sparkplug. Explanation of how the. Ignition System Circuit Diagram.
From schematicenginepropst.z19.web.core.windows.net
Car Ignition Diagram Ignition System Circuit Diagram The ignition coil is a transformer that converts the battery’s low voltage into the high voltage needed to create a spark at the spark plugs. An electronic ignition system is a type of ignition system that uses a transistor to make an electronic circuit work. An automotive ignition system diagram illustrates the components and circuitry involved in starting a vehicle’s. Ignition System Circuit Diagram.
From fixitfrequency.com
An Illustrated Guide to Ignition System Circuit Diagrams Ignition System Circuit Diagram The ignition coil is a transformer that converts the battery’s low voltage into the high voltage needed to create a spark at the spark plugs. A typical ignition system wiring diagram includes the ignition coil, distributor, spark plugs, and various switches and relays. An electronic ignition system is a type of ignition system that uses a transistor to make an. Ignition System Circuit Diagram.
From themechanicalengineering.com
Electronic Ignition System Definition, Parts, Working, Advantages Ignition System Circuit Diagram The ignition coil is a transformer that converts the battery’s low voltage into the high voltage needed to create a spark at the spark plugs. The basic ignition diagram illustrates the key components and the sequence of events that take place within the system. Whether you're troubleshooting an existing system, installing an aftermarket ignition system, or designing your own, an. Ignition System Circuit Diagram.
From carbiketech.com
How The Ignition System Of A Car Works? Read More CarBikeTech Ignition System Circuit Diagram A sensor controls this transistor to create an electrical pulse, generating a high voltage spark that can burn the lean mixture and provide a better economy and lower emissions. An electronic ignition system is a type of ignition system that uses a transistor to make an electronic circuit work. Explanation of how the ignition system of a car works in. Ignition System Circuit Diagram.
From userlibackermann.z19.web.core.windows.net
Ignition System Circuit Diagram Ignition System Circuit Diagram An automotive ignition system diagram illustrates the components and circuitry involved in starting a vehicle’s engine. The main components of an ignition system include the battery, the ignition switch, the ignition coil, the distributor, the spark plugs, and the engine control module (ecm). The ignition coil is a transformer that converts the battery’s low voltage into the high voltage needed. Ignition System Circuit Diagram.
From fixfixdoreen.z19.web.core.windows.net
Ignition System Circuit Diagram Ignition System Circuit Diagram Also, we will cover the ignition components and operation and how to troubleshoot issues with the system. An automotive ignition system diagram illustrates the components and circuitry involved in starting a vehicle’s engine. The ignition coil is a transformer that converts the battery’s low voltage into the high voltage needed to create a spark at the spark plugs. A sensor. Ignition System Circuit Diagram.
From themechanicalengineering.com
Battery Ignition System Definition, Parts, Working, Advantages Ignition System Circuit Diagram An automotive ignition system diagram illustrates the components and circuitry involved in starting a vehicle’s engine. An electronic ignition system is a type of ignition system that uses a transistor to make an electronic circuit work. Explanation of how the ignition system of a car works in an automobile. A typical ignition system wiring diagram includes the ignition coil, distributor,. Ignition System Circuit Diagram.
From axleaddict.com
DIY Auto Service Ignition Systems Operation Diagnosis and Repair Ignition System Circuit Diagram Whether you're troubleshooting an existing system, installing an aftermarket ignition system, or designing your own, an electronic. An automotive ignition system diagram illustrates the components and circuitry involved in starting a vehicle’s engine. An electronic ignition system is a type of ignition system that uses a transistor to make an electronic circuit work. A sensor controls this transistor to create. Ignition System Circuit Diagram.
From carfromjapan.com
The 4 Types Of Ignition System And How They Work CAR FROM JAPAN Ignition System Circuit Diagram Discover how the current goes through the coil to the sparkplug. Also, we will cover the ignition components and operation and how to troubleshoot issues with the system. A sensor controls this transistor to create an electrical pulse, generating a high voltage spark that can burn the lean mixture and provide a better economy and lower emissions. The basic ignition. Ignition System Circuit Diagram.
From fixitfrequency.com
An Illustrated Guide to Ignition System Circuit Diagrams Ignition System Circuit Diagram The main components of an ignition system include the battery, the ignition switch, the ignition coil, the distributor, the spark plugs, and the engine control module (ecm). Also, we will cover the ignition components and operation and how to troubleshoot issues with the system. Discover how the current goes through the coil to the sparkplug. Whether you're troubleshooting an existing. Ignition System Circuit Diagram.
From learnmech.com
Ignition System Parts, Diagram, Working, Advantages Ignition System Circuit Diagram The ignition coil is a transformer that converts the battery’s low voltage into the high voltage needed to create a spark at the spark plugs. Discover how the current goes through the coil to the sparkplug. A typical ignition system wiring diagram includes the ignition coil, distributor, spark plugs, and various switches and relays. An automotive ignition system diagram illustrates. Ignition System Circuit Diagram.
From www.circuitdiagram.co
Battery Ignition System Schematic Diagram Circuit Diagram Ignition System Circuit Diagram The basic ignition diagram illustrates the key components and the sequence of events that take place within the system. The ignition coil is a transformer that converts the battery’s low voltage into the high voltage needed to create a spark at the spark plugs. An automotive ignition system diagram illustrates the components and circuitry involved in starting a vehicle’s engine.. Ignition System Circuit Diagram.
From www.wiringview.co
Operation Of Transistor Ignition Circuit Diagram Wiring View and Ignition System Circuit Diagram An electronic ignition system is a type of ignition system that uses a transistor to make an electronic circuit work. The basic ignition diagram illustrates the key components and the sequence of events that take place within the system. Also, we will cover the ignition components and operation and how to troubleshoot issues with the system. The main components of. Ignition System Circuit Diagram.
From guidelibholzman.z19.web.core.windows.net
Circuit Diagram Car Ignition Ignition System Circuit Diagram The ignition coil is a transformer that converts the battery’s low voltage into the high voltage needed to create a spark at the spark plugs. A typical ignition system wiring diagram includes the ignition coil, distributor, spark plugs, and various switches and relays. The main components of an ignition system include the battery, the ignition switch, the ignition coil, the. Ignition System Circuit Diagram.
From www.circuitdiagram.co
ignition circuit diagram Circuit Diagram Ignition System Circuit Diagram Discover how the current goes through the coil to the sparkplug. The main components of an ignition system include the battery, the ignition switch, the ignition coil, the distributor, the spark plugs, and the engine control module (ecm). The basic ignition diagram illustrates the key components and the sequence of events that take place within the system. An electronic ignition. Ignition System Circuit Diagram.
From betawiring.blogspot.com
Electronic Ignition Schematic Diagram design diagrom for firing Ignition System Circuit Diagram The basic ignition diagram illustrates the key components and the sequence of events that take place within the system. A sensor controls this transistor to create an electrical pulse, generating a high voltage spark that can burn the lean mixture and provide a better economy and lower emissions. Whether you're troubleshooting an existing system, installing an aftermarket ignition system, or. Ignition System Circuit Diagram.