What Does Riser Diagram Do . A riser diagram is a detailed schematic that shows the distribution of electrical lines vertically through a building. a riser diagram is a visual representation of an electrical system, showing the relationship between. we'll explore the use and purpose of riser diagrams and how they elevate building design, construction, and facility. what is a riser diagram? a riser diagram is a specialized schematic representation that illustrates the vertical distribution of plumbing, electrical,.
from diagramdataehrlichmann.z19.web.core.windows.net
we'll explore the use and purpose of riser diagrams and how they elevate building design, construction, and facility. A riser diagram is a detailed schematic that shows the distribution of electrical lines vertically through a building. what is a riser diagram? a riser diagram is a visual representation of an electrical system, showing the relationship between. a riser diagram is a specialized schematic representation that illustrates the vertical distribution of plumbing, electrical,.
Plumbing Riser Diagram Pdf
What Does Riser Diagram Do A riser diagram is a detailed schematic that shows the distribution of electrical lines vertically through a building. A riser diagram is a detailed schematic that shows the distribution of electrical lines vertically through a building. a riser diagram is a specialized schematic representation that illustrates the vertical distribution of plumbing, electrical,. we'll explore the use and purpose of riser diagrams and how they elevate building design, construction, and facility. a riser diagram is a visual representation of an electrical system, showing the relationship between. what is a riser diagram?
From drawplumbingplans.com
A Riser Diagram Gets You a Permit What Does Riser Diagram Do a riser diagram is a visual representation of an electrical system, showing the relationship between. we'll explore the use and purpose of riser diagrams and how they elevate building design, construction, and facility. A riser diagram is a detailed schematic that shows the distribution of electrical lines vertically through a building. what is a riser diagram? . What Does Riser Diagram Do.
From wirelistpursuings.z21.web.core.windows.net
Riser Diagram Autocad What Does Riser Diagram Do A riser diagram is a detailed schematic that shows the distribution of electrical lines vertically through a building. what is a riser diagram? we'll explore the use and purpose of riser diagrams and how they elevate building design, construction, and facility. a riser diagram is a specialized schematic representation that illustrates the vertical distribution of plumbing, electrical,.. What Does Riser Diagram Do.
From www.chegg.com
Solved Explain and summarize the Riser diagram with conplete What Does Riser Diagram Do a riser diagram is a specialized schematic representation that illustrates the vertical distribution of plumbing, electrical,. we'll explore the use and purpose of riser diagrams and how they elevate building design, construction, and facility. a riser diagram is a visual representation of an electrical system, showing the relationship between. A riser diagram is a detailed schematic that. What Does Riser Diagram Do.
From www.asutpp.com
What is an Electrical Riser in a Building? What Does Riser Diagram Do A riser diagram is a detailed schematic that shows the distribution of electrical lines vertically through a building. a riser diagram is a specialized schematic representation that illustrates the vertical distribution of plumbing, electrical,. what is a riser diagram? we'll explore the use and purpose of riser diagrams and how they elevate building design, construction, and facility.. What Does Riser Diagram Do.
From www.ny-engineers.com
Plumbing Riser Diagram Plumbing Services New York Engineers What Does Riser Diagram Do we'll explore the use and purpose of riser diagrams and how they elevate building design, construction, and facility. what is a riser diagram? a riser diagram is a specialized schematic representation that illustrates the vertical distribution of plumbing, electrical,. A riser diagram is a detailed schematic that shows the distribution of electrical lines vertically through a building.. What Does Riser Diagram Do.
From pavelfpdesign.com
Plumbing Riser Diagrams Pavel FP Design What Does Riser Diagram Do A riser diagram is a detailed schematic that shows the distribution of electrical lines vertically through a building. we'll explore the use and purpose of riser diagrams and how they elevate building design, construction, and facility. what is a riser diagram? a riser diagram is a visual representation of an electrical system, showing the relationship between. . What Does Riser Diagram Do.
From schematiclistsalem123.z22.web.core.windows.net
Plumbing Riser Diagram Dwg What Does Riser Diagram Do a riser diagram is a specialized schematic representation that illustrates the vertical distribution of plumbing, electrical,. A riser diagram is a detailed schematic that shows the distribution of electrical lines vertically through a building. a riser diagram is a visual representation of an electrical system, showing the relationship between. we'll explore the use and purpose of riser. What Does Riser Diagram Do.
From www.scribd.com
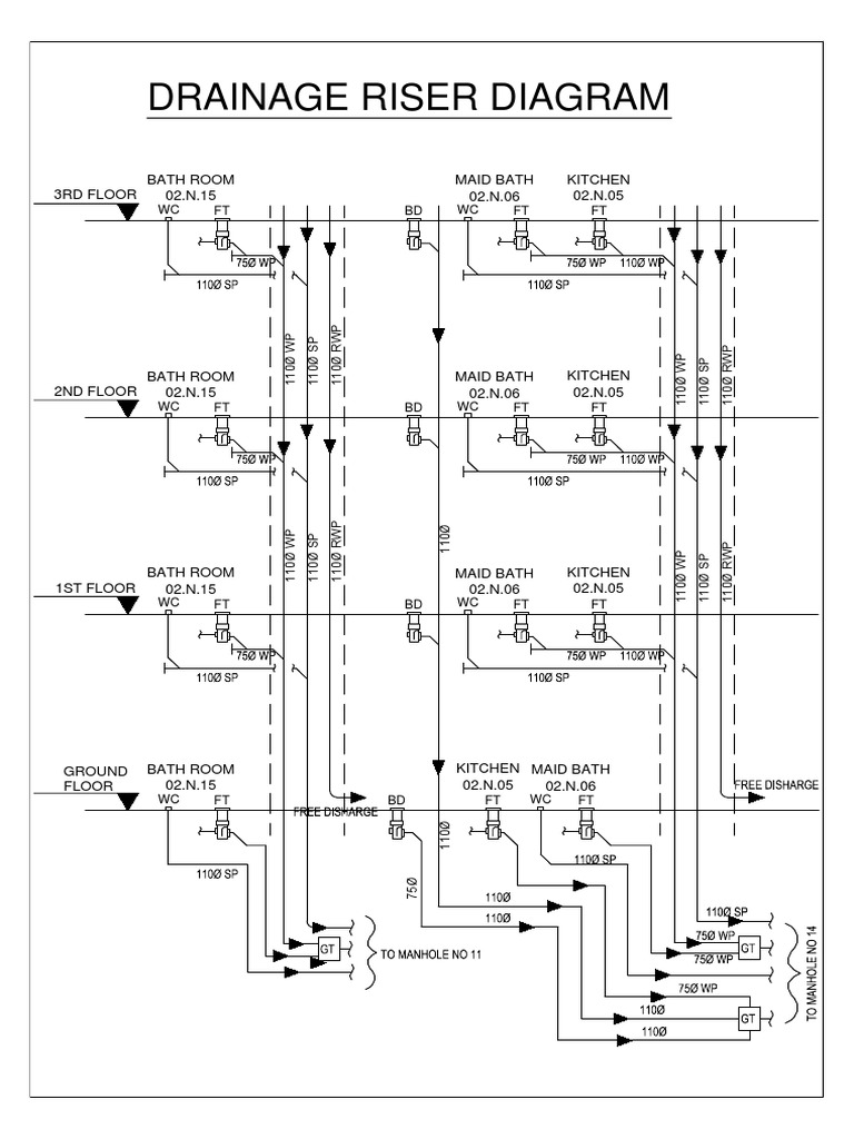
Drainage Riser Diagram PDF What Does Riser Diagram Do a riser diagram is a visual representation of an electrical system, showing the relationship between. what is a riser diagram? a riser diagram is a specialized schematic representation that illustrates the vertical distribution of plumbing, electrical,. we'll explore the use and purpose of riser diagrams and how they elevate building design, construction, and facility. A riser. What Does Riser Diagram Do.
From www.ny-engineers.com
Plumbing Riser Diagram Plumbing Services New York Engineers What Does Riser Diagram Do a riser diagram is a specialized schematic representation that illustrates the vertical distribution of plumbing, electrical,. A riser diagram is a detailed schematic that shows the distribution of electrical lines vertically through a building. what is a riser diagram? a riser diagram is a visual representation of an electrical system, showing the relationship between. we'll explore. What Does Riser Diagram Do.
From www.askmehelpdesk.com
Riser diagram What Does Riser Diagram Do A riser diagram is a detailed schematic that shows the distribution of electrical lines vertically through a building. a riser diagram is a specialized schematic representation that illustrates the vertical distribution of plumbing, electrical,. we'll explore the use and purpose of riser diagrams and how they elevate building design, construction, and facility. a riser diagram is a. What Does Riser Diagram Do.
From pavelfpdesign.com
Plumbing Riser Diagrams Pavel FP Design What Does Riser Diagram Do a riser diagram is a visual representation of an electrical system, showing the relationship between. a riser diagram is a specialized schematic representation that illustrates the vertical distribution of plumbing, electrical,. A riser diagram is a detailed schematic that shows the distribution of electrical lines vertically through a building. we'll explore the use and purpose of riser. What Does Riser Diagram Do.
From www.ultrasafe.org.uk
What is a dry riser? Ultrasafe Fire Suppression What Does Riser Diagram Do a riser diagram is a specialized schematic representation that illustrates the vertical distribution of plumbing, electrical,. A riser diagram is a detailed schematic that shows the distribution of electrical lines vertically through a building. what is a riser diagram? a riser diagram is a visual representation of an electrical system, showing the relationship between. we'll explore. What Does Riser Diagram Do.
From circuitwiringloupen101.z14.web.core.windows.net
Plumbing Riser Diagrams What Does Riser Diagram Do what is a riser diagram? A riser diagram is a detailed schematic that shows the distribution of electrical lines vertically through a building. a riser diagram is a visual representation of an electrical system, showing the relationship between. a riser diagram is a specialized schematic representation that illustrates the vertical distribution of plumbing, electrical,. we'll explore. What Does Riser Diagram Do.
From enginelibpompously.z1.web.core.windows.net
Basic Electric Riser Diagram What Does Riser Diagram Do we'll explore the use and purpose of riser diagrams and how they elevate building design, construction, and facility. what is a riser diagram? a riser diagram is a visual representation of an electrical system, showing the relationship between. a riser diagram is a specialized schematic representation that illustrates the vertical distribution of plumbing, electrical,. A riser. What Does Riser Diagram Do.
From www.askthebuilder.com
How To Draw Riser Diagram What Does Riser Diagram Do a riser diagram is a specialized schematic representation that illustrates the vertical distribution of plumbing, electrical,. what is a riser diagram? a riser diagram is a visual representation of an electrical system, showing the relationship between. A riser diagram is a detailed schematic that shows the distribution of electrical lines vertically through a building. we'll explore. What Does Riser Diagram Do.
From www.wiringwork.com
fire alarm riser diagram explained Wiring Work What Does Riser Diagram Do A riser diagram is a detailed schematic that shows the distribution of electrical lines vertically through a building. what is a riser diagram? a riser diagram is a specialized schematic representation that illustrates the vertical distribution of plumbing, electrical,. we'll explore the use and purpose of riser diagrams and how they elevate building design, construction, and facility.. What Does Riser Diagram Do.
From www.askthebuilder.com
Plumbing Riser Diagrams and How Pipes Work What Does Riser Diagram Do A riser diagram is a detailed schematic that shows the distribution of electrical lines vertically through a building. we'll explore the use and purpose of riser diagrams and how they elevate building design, construction, and facility. a riser diagram is a visual representation of an electrical system, showing the relationship between. what is a riser diagram? . What Does Riser Diagram Do.
From www.wiringwork.com
what is riser diagram Wiring Work What Does Riser Diagram Do what is a riser diagram? a riser diagram is a specialized schematic representation that illustrates the vertical distribution of plumbing, electrical,. a riser diagram is a visual representation of an electrical system, showing the relationship between. we'll explore the use and purpose of riser diagrams and how they elevate building design, construction, and facility. A riser. What Does Riser Diagram Do.
From www.wiringwork.com
how to read a plumbing riser diagram Wiring Work What Does Riser Diagram Do a riser diagram is a specialized schematic representation that illustrates the vertical distribution of plumbing, electrical,. A riser diagram is a detailed schematic that shows the distribution of electrical lines vertically through a building. we'll explore the use and purpose of riser diagrams and how they elevate building design, construction, and facility. a riser diagram is a. What Does Riser Diagram Do.
From elecschem.com
The Importance of Understanding Residential Plumbing Riser Diagrams for What Does Riser Diagram Do what is a riser diagram? a riser diagram is a visual representation of an electrical system, showing the relationship between. A riser diagram is a detailed schematic that shows the distribution of electrical lines vertically through a building. we'll explore the use and purpose of riser diagrams and how they elevate building design, construction, and facility. . What Does Riser Diagram Do.
From www.youtube.com
How to Create Plumbing Riser Diagrams in Revit MEP YouTube What Does Riser Diagram Do a riser diagram is a visual representation of an electrical system, showing the relationship between. A riser diagram is a detailed schematic that shows the distribution of electrical lines vertically through a building. a riser diagram is a specialized schematic representation that illustrates the vertical distribution of plumbing, electrical,. we'll explore the use and purpose of riser. What Does Riser Diagram Do.
From www.wiringwork.com
how to read a plumbing riser diagram Wiring Work What Does Riser Diagram Do a riser diagram is a specialized schematic representation that illustrates the vertical distribution of plumbing, electrical,. what is a riser diagram? we'll explore the use and purpose of riser diagrams and how they elevate building design, construction, and facility. A riser diagram is a detailed schematic that shows the distribution of electrical lines vertically through a building.. What Does Riser Diagram Do.
From www.youtube.com
RISER DIAGRAM PIPING II RISER PIPE II DOMESTIC WATER SUPPLY RISER What Does Riser Diagram Do a riser diagram is a specialized schematic representation that illustrates the vertical distribution of plumbing, electrical,. what is a riser diagram? a riser diagram is a visual representation of an electrical system, showing the relationship between. A riser diagram is a detailed schematic that shows the distribution of electrical lines vertically through a building. we'll explore. What Does Riser Diagram Do.
From www.wiringwork.com
what is purpose of riser diagram Wiring Work What Does Riser Diagram Do what is a riser diagram? a riser diagram is a visual representation of an electrical system, showing the relationship between. we'll explore the use and purpose of riser diagrams and how they elevate building design, construction, and facility. A riser diagram is a detailed schematic that shows the distribution of electrical lines vertically through a building. . What Does Riser Diagram Do.
From diagramdataehrlichmann.z19.web.core.windows.net
Plumbing Riser Diagram Pdf What Does Riser Diagram Do we'll explore the use and purpose of riser diagrams and how they elevate building design, construction, and facility. A riser diagram is a detailed schematic that shows the distribution of electrical lines vertically through a building. a riser diagram is a specialized schematic representation that illustrates the vertical distribution of plumbing, electrical,. what is a riser diagram?. What Does Riser Diagram Do.
From www.askthebuilder.com
riser diagram Ask the Builder What Does Riser Diagram Do what is a riser diagram? a riser diagram is a visual representation of an electrical system, showing the relationship between. a riser diagram is a specialized schematic representation that illustrates the vertical distribution of plumbing, electrical,. we'll explore the use and purpose of riser diagrams and how they elevate building design, construction, and facility. A riser. What Does Riser Diagram Do.
From www.wiringwork.com
what is riser diagram used for Wiring Work What Does Riser Diagram Do a riser diagram is a specialized schematic representation that illustrates the vertical distribution of plumbing, electrical,. what is a riser diagram? a riser diagram is a visual representation of an electrical system, showing the relationship between. we'll explore the use and purpose of riser diagrams and how they elevate building design, construction, and facility. A riser. What Does Riser Diagram Do.
From testguy.net
Electrical Drawings and Schematics Overview What Does Riser Diagram Do a riser diagram is a visual representation of an electrical system, showing the relationship between. we'll explore the use and purpose of riser diagrams and how they elevate building design, construction, and facility. what is a riser diagram? A riser diagram is a detailed schematic that shows the distribution of electrical lines vertically through a building. . What Does Riser Diagram Do.
From www.circuitsgallery.com
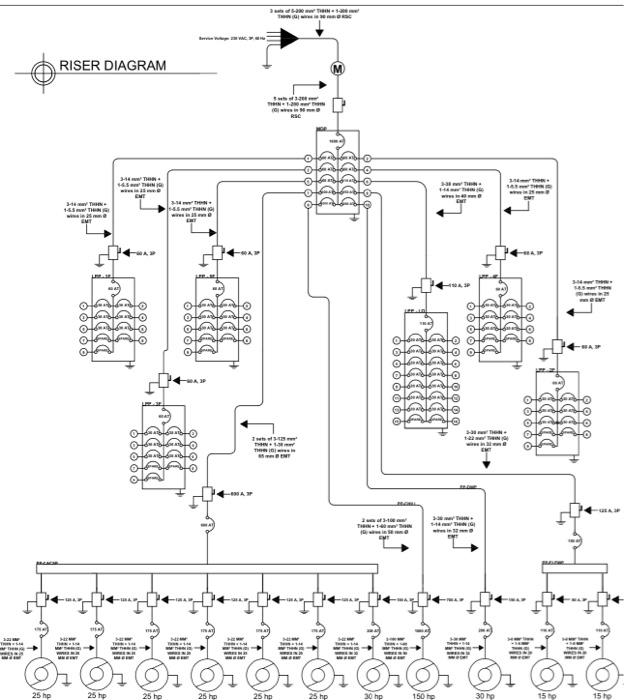
Power Riser Diagram How Electricity Enters the Facility? Circuits What Does Riser Diagram Do we'll explore the use and purpose of riser diagrams and how they elevate building design, construction, and facility. a riser diagram is a visual representation of an electrical system, showing the relationship between. A riser diagram is a detailed schematic that shows the distribution of electrical lines vertically through a building. a riser diagram is a specialized. What Does Riser Diagram Do.
From www.scribd.com
Riser Diagram PDF What Does Riser Diagram Do we'll explore the use and purpose of riser diagrams and how they elevate building design, construction, and facility. a riser diagram is a specialized schematic representation that illustrates the vertical distribution of plumbing, electrical,. A riser diagram is a detailed schematic that shows the distribution of electrical lines vertically through a building. what is a riser diagram?. What Does Riser Diagram Do.
From www.youtube.com
Riser Diagrams Building Systems YouTube What Does Riser Diagram Do a riser diagram is a specialized schematic representation that illustrates the vertical distribution of plumbing, electrical,. we'll explore the use and purpose of riser diagrams and how they elevate building design, construction, and facility. a riser diagram is a visual representation of an electrical system, showing the relationship between. A riser diagram is a detailed schematic that. What Does Riser Diagram Do.
From www.askthebuilder.com
How To Draw Riser Diagram You Must Know Code What Does Riser Diagram Do we'll explore the use and purpose of riser diagrams and how they elevate building design, construction, and facility. a riser diagram is a specialized schematic representation that illustrates the vertical distribution of plumbing, electrical,. A riser diagram is a detailed schematic that shows the distribution of electrical lines vertically through a building. what is a riser diagram?. What Does Riser Diagram Do.
From www.askmehelpdesk.com
Help with a riser diagram What Does Riser Diagram Do we'll explore the use and purpose of riser diagrams and how they elevate building design, construction, and facility. A riser diagram is a detailed schematic that shows the distribution of electrical lines vertically through a building. what is a riser diagram? a riser diagram is a visual representation of an electrical system, showing the relationship between. . What Does Riser Diagram Do.
From cadbull.com
Riser diagram and electrical installation details of multistory What Does Riser Diagram Do we'll explore the use and purpose of riser diagrams and how they elevate building design, construction, and facility. A riser diagram is a detailed schematic that shows the distribution of electrical lines vertically through a building. what is a riser diagram? a riser diagram is a visual representation of an electrical system, showing the relationship between. . What Does Riser Diagram Do.
From www.jadelearning.com
riserdiagramfeederspart1 Jade Learning What Does Riser Diagram Do a riser diagram is a visual representation of an electrical system, showing the relationship between. a riser diagram is a specialized schematic representation that illustrates the vertical distribution of plumbing, electrical,. A riser diagram is a detailed schematic that shows the distribution of electrical lines vertically through a building. we'll explore the use and purpose of riser. What Does Riser Diagram Do.