Skoda Octavia Oil Pump Failure . The reduced oil flow caused by clogged oil pick up. Brake failure in models like octavia, superb and yeti. The two units are used due to the two stage oil pump pressure. My second instinct would be a genuine oil. The problem with the 2.0 pd engine is the drive from the slave balancer. Turbochargers are extremely expensive to replace, so the best way to avoid this issue is to buy a model that has been properly looked. Electrical faults in fabia, octavia and yeti models. Your octavia‘s oil light may come on because of the following reasons: Your octavia may have an oil leak, or it may be burning oil. My first instinct is wiring fault or replacement item faulty. Summary of common skoda problems in the uk. In summary, the most widespread skoda problems reported in the uk market are: Transmission issues in octavia, superb and yeti. 1.9 tdi engine overheating issues. There are several possible causes of low oil pressure warning light in skoda octavia, including low oil level, a malfunctioning oil pressure.
from www.briskoda.net
The two units are used due to the two stage oil pump pressure. Summary of common skoda problems in the uk. All 2.0 pd got the geared drive towards the end of 2005. The reduced oil flow caused by clogged oil pick up. It is not the pump that goes, it is the reduced oil flow that causes the damage. There are several possible causes of low oil pressure warning light in skoda octavia, including low oil level, a malfunctioning oil pressure. Your octavia may have an oil leak, or it may be burning oil. Your octavia‘s oil light may come on because of the following reasons: The problem with the 2.0 pd engine is the drive from the slave balancer. 1.9 tdi engine overheating issues.
Oil pump failures on mk1 octavia's Skoda Octavia Mk I (19962004
Skoda Octavia Oil Pump Failure Transmission issues in octavia, superb and yeti. The reduced oil flow caused by clogged oil pick up. In summary, the most widespread skoda problems reported in the uk market are: It is not the pump that goes, it is the reduced oil flow that causes the damage. Summary of common skoda problems in the uk. The two units are used due to the two stage oil pump pressure. Your octavia‘s oil light may come on because of the following reasons: Your octavia may have an oil leak, or it may be burning oil. Transmission issues in octavia, superb and yeti. My second instinct would be a genuine oil. 1.9 tdi engine overheating issues. Turbochargers are extremely expensive to replace, so the best way to avoid this issue is to buy a model that has been properly looked. Brake failure in models like octavia, superb and yeti. There are several possible causes of low oil pressure warning light in skoda octavia, including low oil level, a malfunctioning oil pressure. Electrical faults in fabia, octavia and yeti models. It would be ideal if you could drain approx.
From www.briskoda.net
Octavia III Manual Gearbox Oil Change (2.0TDI) Skoda Octavia Mk III Skoda Octavia Oil Pump Failure The two units are used due to the two stage oil pump pressure. Turbochargers are extremely expensive to replace, so the best way to avoid this issue is to buy a model that has been properly looked. My first instinct is wiring fault or replacement item faulty. 1.9 tdi engine overheating issues. It is not the pump that goes, it. Skoda Octavia Oil Pump Failure.
From autoquarterly.com
Got a Bad Oil Pump? Find Out the Symptoms and Replacement Costs Auto Skoda Octavia Oil Pump Failure There are several possible causes of low oil pressure warning light in skoda octavia, including low oil level, a malfunctioning oil pressure. It is not the pump that goes, it is the reduced oil flow that causes the damage. The problem with the 2.0 pd engine is the drive from the slave balancer. Electrical faults in fabia, octavia and yeti. Skoda Octavia Oil Pump Failure.
From www.briskoda.net
BKD Oil leak above the turbo? Skoda Octavia Mk II (2004 2013 Skoda Octavia Oil Pump Failure It is not the pump that goes, it is the reduced oil flow that causes the damage. The two units are used due to the two stage oil pump pressure. My second instinct would be a genuine oil. All 2.0 pd got the geared drive towards the end of 2005. 1.9 tdi engine overheating issues. Turbochargers are extremely expensive to. Skoda Octavia Oil Pump Failure.
From www.team-bhp.com
Water pump failure Skoda Octavia TeamBHP Skoda Octavia Oil Pump Failure It is not the pump that goes, it is the reduced oil flow that causes the damage. 1.9 tdi engine overheating issues. Turbochargers are extremely expensive to replace, so the best way to avoid this issue is to buy a model that has been properly looked. The problem with the 2.0 pd engine is the drive from the slave balancer.. Skoda Octavia Oil Pump Failure.
From www.youtube.com
Engine Oil change Škoda Octavia 1.9 TDI II MK2 1Z5 DIY (výměna Skoda Octavia Oil Pump Failure The two units are used due to the two stage oil pump pressure. Your octavia may have an oil leak, or it may be burning oil. The reduced oil flow caused by clogged oil pick up. There are several possible causes of low oil pressure warning light in skoda octavia, including low oil level, a malfunctioning oil pressure. It would. Skoda Octavia Oil Pump Failure.
From www.briskoda.net
Oil leak, Skoda Octavia 1.8 118kW, 2011, manual Skoda Octavia Mk II Skoda Octavia Oil Pump Failure It would be ideal if you could drain approx. My second instinct would be a genuine oil. The problem with the 2.0 pd engine is the drive from the slave balancer. All 2.0 pd got the geared drive towards the end of 2005. Turbochargers are extremely expensive to replace, so the best way to avoid this issue is to buy. Skoda Octavia Oil Pump Failure.
From www.briskoda.net
2011 Octavia rs Small Oil leak near turbo Skoda Octavia Mk II (2004 Skoda Octavia Oil Pump Failure Turbochargers are extremely expensive to replace, so the best way to avoid this issue is to buy a model that has been properly looked. The reduced oil flow caused by clogged oil pick up. Summary of common skoda problems in the uk. The problem with the 2.0 pd engine is the drive from the slave balancer. My first instinct is. Skoda Octavia Oil Pump Failure.
From www.briskoda.net
Haldex Oil Change Octavia Mk3 Do It Now! Skoda Octavia Mk III (2013 Skoda Octavia Oil Pump Failure All 2.0 pd got the geared drive towards the end of 2005. My second instinct would be a genuine oil. Your octavia may have an oil leak, or it may be burning oil. In summary, the most widespread skoda problems reported in the uk market are: The two units are used due to the two stage oil pump pressure. Turbochargers. Skoda Octavia Oil Pump Failure.
From www.briskoda.net
Oil change Skoda Octavia Mk III (2013 2020) BRISKODA Skoda Octavia Oil Pump Failure There are several possible causes of low oil pressure warning light in skoda octavia, including low oil level, a malfunctioning oil pressure. Your octavia may have an oil leak, or it may be burning oil. My first instinct is wiring fault or replacement item faulty. The problem with the 2.0 pd engine is the drive from the slave balancer. Summary. Skoda Octavia Oil Pump Failure.
From axlewise.com
Warning Symptoms Of A Failing Oil Pump + Replacement Cost [Bad Oil Pump] Skoda Octavia Oil Pump Failure All 2.0 pd got the geared drive towards the end of 2005. Turbochargers are extremely expensive to replace, so the best way to avoid this issue is to buy a model that has been properly looked. Summary of common skoda problems in the uk. Your octavia may have an oil leak, or it may be burning oil. Electrical faults in. Skoda Octavia Oil Pump Failure.
From www.briskoda.net
Octavia Scout Haldex Gen 5 oil change Skoda Octavia Mk III (2013 Skoda Octavia Oil Pump Failure In summary, the most widespread skoda problems reported in the uk market are: The reduced oil flow caused by clogged oil pick up. Transmission issues in octavia, superb and yeti. The two units are used due to the two stage oil pump pressure. 1.9 tdi engine overheating issues. It is not the pump that goes, it is the reduced oil. Skoda Octavia Oil Pump Failure.
From www.briskoda.net
Fluid leak oil? Skoda Octavia Mk III (2013 2020) BRISKODA Skoda Octavia Oil Pump Failure It would be ideal if you could drain approx. Turbochargers are extremely expensive to replace, so the best way to avoid this issue is to buy a model that has been properly looked. 1.9 tdi engine overheating issues. There are several possible causes of low oil pressure warning light in skoda octavia, including low oil level, a malfunctioning oil pressure.. Skoda Octavia Oil Pump Failure.
From www.briskoda.net
How do I know whether my 4x4 / Haldex is working properly? Skoda Skoda Octavia Oil Pump Failure Transmission issues in octavia, superb and yeti. The reduced oil flow caused by clogged oil pick up. Turbochargers are extremely expensive to replace, so the best way to avoid this issue is to buy a model that has been properly looked. My second instinct would be a genuine oil. Your octavia may have an oil leak, or it may be. Skoda Octavia Oil Pump Failure.
From www.briskoda.net
Location of Oil pressure switch Skoda Octavia Mk I (19962004) BRISKODA Skoda Octavia Oil Pump Failure 1.9 tdi engine overheating issues. The reduced oil flow caused by clogged oil pick up. Your octavia may have an oil leak, or it may be burning oil. The problem with the 2.0 pd engine is the drive from the slave balancer. The two units are used due to the two stage oil pump pressure. There are several possible causes. Skoda Octavia Oil Pump Failure.
From www.briskoda.net
New PCV valve Failure (1.8TSI) Skoda Octavia Mk II (2004 2013 Skoda Octavia Oil Pump Failure It would be ideal if you could drain approx. The problem with the 2.0 pd engine is the drive from the slave balancer. My second instinct would be a genuine oil. Turbochargers are extremely expensive to replace, so the best way to avoid this issue is to buy a model that has been properly looked. In summary, the most widespread. Skoda Octavia Oil Pump Failure.
From www.briskoda.net
Oil Change on 2017 Skoda Octavia VRS TSI 2.0 230bhp Skoda Octavia Mk Skoda Octavia Oil Pump Failure My first instinct is wiring fault or replacement item faulty. The two units are used due to the two stage oil pump pressure. In summary, the most widespread skoda problems reported in the uk market are: My second instinct would be a genuine oil. Brake failure in models like octavia, superb and yeti. 1.9 tdi engine overheating issues. Turbochargers are. Skoda Octavia Oil Pump Failure.
From www.youtube.com
Skoda Octavia oil change how to change oil and service YouTube Skoda Octavia Oil Pump Failure The problem with the 2.0 pd engine is the drive from the slave balancer. My first instinct is wiring fault or replacement item faulty. My second instinct would be a genuine oil. It is not the pump that goes, it is the reduced oil flow that causes the damage. Electrical faults in fabia, octavia and yeti models. It would be. Skoda Octavia Oil Pump Failure.
From www.briskoda.net
Stop Start and Turbo Care Skoda Octavia Mk III (2013 2020) BRISKODA Skoda Octavia Oil Pump Failure Turbochargers are extremely expensive to replace, so the best way to avoid this issue is to buy a model that has been properly looked. It is not the pump that goes, it is the reduced oil flow that causes the damage. Your octavia‘s oil light may come on because of the following reasons: Brake failure in models like octavia, superb. Skoda Octavia Oil Pump Failure.
From www.briskoda.net
Oil leak, Skoda Octavia 1.8 118kW, 2011, manual Skoda Octavia Mk II Skoda Octavia Oil Pump Failure My first instinct is wiring fault or replacement item faulty. Transmission issues in octavia, superb and yeti. The reduced oil flow caused by clogged oil pick up. In summary, the most widespread skoda problems reported in the uk market are: It would be ideal if you could drain approx. My second instinct would be a genuine oil. All 2.0 pd. Skoda Octavia Oil Pump Failure.
From www.youtube.com
Skoda Octavia 3 vacuum oil pump noise on cold engine 1/2 YouTube Skoda Octavia Oil Pump Failure My first instinct is wiring fault or replacement item faulty. In summary, the most widespread skoda problems reported in the uk market are: My second instinct would be a genuine oil. Your octavia may have an oil leak, or it may be burning oil. Turbochargers are extremely expensive to replace, so the best way to avoid this issue is to. Skoda Octavia Oil Pump Failure.
From www.briskoda.net
What's this Skoda Octavia Mk II (2004 2013) BRISKODA Skoda Octavia Oil Pump Failure Electrical faults in fabia, octavia and yeti models. 1.9 tdi engine overheating issues. Summary of common skoda problems in the uk. In summary, the most widespread skoda problems reported in the uk market are: Transmission issues in octavia, superb and yeti. The reduced oil flow caused by clogged oil pick up. All 2.0 pd got the geared drive towards the. Skoda Octavia Oil Pump Failure.
From www.briskoda.net
What is this hole.... and boost pressure sensor question Skoda Skoda Octavia Oil Pump Failure There are several possible causes of low oil pressure warning light in skoda octavia, including low oil level, a malfunctioning oil pressure. My second instinct would be a genuine oil. Electrical faults in fabia, octavia and yeti models. It would be ideal if you could drain approx. The two units are used due to the two stage oil pump pressure.. Skoda Octavia Oil Pump Failure.
From www.youtube.com
Skoda Octavia 1.6 oil change oil filter change how to YouTube Skoda Octavia Oil Pump Failure The two units are used due to the two stage oil pump pressure. The problem with the 2.0 pd engine is the drive from the slave balancer. Transmission issues in octavia, superb and yeti. My first instinct is wiring fault or replacement item faulty. Your octavia‘s oil light may come on because of the following reasons: Summary of common skoda. Skoda Octavia Oil Pump Failure.
From www.briskoda.net
A leak or two? Skoda Octavia Mk II (2004 2013) BRISKODA Skoda Octavia Oil Pump Failure It is not the pump that goes, it is the reduced oil flow that causes the damage. Brake failure in models like octavia, superb and yeti. It would be ideal if you could drain approx. Transmission issues in octavia, superb and yeti. There are several possible causes of low oil pressure warning light in skoda octavia, including low oil level,. Skoda Octavia Oil Pump Failure.
From www.briskoda.net
Oil leak, Skoda Octavia 1.8 118kW, 2011, manual Skoda Octavia Mk II Skoda Octavia Oil Pump Failure Summary of common skoda problems in the uk. Brake failure in models like octavia, superb and yeti. Electrical faults in fabia, octavia and yeti models. 1.9 tdi engine overheating issues. The two units are used due to the two stage oil pump pressure. There are several possible causes of low oil pressure warning light in skoda octavia, including low oil. Skoda Octavia Oil Pump Failure.
From www.youtube.com
Skoda Octavia Oil Change All Filters and Service light Reset YouTube Skoda Octavia Oil Pump Failure 1.9 tdi engine overheating issues. In summary, the most widespread skoda problems reported in the uk market are: Summary of common skoda problems in the uk. There are several possible causes of low oil pressure warning light in skoda octavia, including low oil level, a malfunctioning oil pressure. All 2.0 pd got the geared drive towards the end of 2005.. Skoda Octavia Oil Pump Failure.
From www.briskoda.net
Oil Skoda Octavia Mk III (2013 2020) BRISKODA Skoda Octavia Oil Pump Failure Electrical faults in fabia, octavia and yeti models. Turbochargers are extremely expensive to replace, so the best way to avoid this issue is to buy a model that has been properly looked. 1.9 tdi engine overheating issues. Summary of common skoda problems in the uk. My second instinct would be a genuine oil. Your octavia may have an oil leak,. Skoda Octavia Oil Pump Failure.
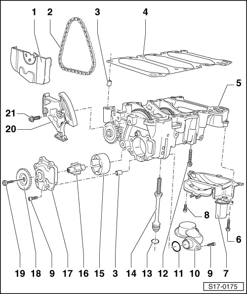
From nemigaparts.com
Skoda Octavia (2013 2017) oil pump. oil filter. oil dipstick. > VAG Skoda Octavia Oil Pump Failure Electrical faults in fabia, octavia and yeti models. The reduced oil flow caused by clogged oil pick up. Your octavia‘s oil light may come on because of the following reasons: It would be ideal if you could drain approx. The two units are used due to the two stage oil pump pressure. Your octavia may have an oil leak, or. Skoda Octavia Oil Pump Failure.
From www.briskoda.net
Oil pump failures on mk1 octavia's Skoda Octavia Mk I (19962004 Skoda Octavia Oil Pump Failure All 2.0 pd got the geared drive towards the end of 2005. Turbochargers are extremely expensive to replace, so the best way to avoid this issue is to buy a model that has been properly looked. It would be ideal if you could drain approx. It is not the pump that goes, it is the reduced oil flow that causes. Skoda Octavia Oil Pump Failure.
From www.reddit.com
Oil Pump Failure? r/MechanicAdvice Skoda Octavia Oil Pump Failure It would be ideal if you could drain approx. Your octavia‘s oil light may come on because of the following reasons: Turbochargers are extremely expensive to replace, so the best way to avoid this issue is to buy a model that has been properly looked. Brake failure in models like octavia, superb and yeti. The two units are used due. Skoda Octavia Oil Pump Failure.
From www.briskoda.net
Oil leak Skoda Octavia Mk II (2004 2013) BRISKODA Skoda Octavia Oil Pump Failure The problem with the 2.0 pd engine is the drive from the slave balancer. It is not the pump that goes, it is the reduced oil flow that causes the damage. My second instinct would be a genuine oil. Summary of common skoda problems in the uk. Transmission issues in octavia, superb and yeti. Turbochargers are extremely expensive to replace,. Skoda Octavia Oil Pump Failure.
From www.briskoda.net
Octavia Oil Leak? Even the garage are running out of ideas! Skoda Skoda Octavia Oil Pump Failure The problem with the 2.0 pd engine is the drive from the slave balancer. Summary of common skoda problems in the uk. Brake failure in models like octavia, superb and yeti. Electrical faults in fabia, octavia and yeti models. Transmission issues in octavia, superb and yeti. My first instinct is wiring fault or replacement item faulty. 1.9 tdi engine overheating. Skoda Octavia Oil Pump Failure.
From workshop-manuals.com
Skoda Service and Repair Manuals > Octavia Mk2 > Drive unit Skoda Octavia Oil Pump Failure My first instinct is wiring fault or replacement item faulty. All 2.0 pd got the geared drive towards the end of 2005. Summary of common skoda problems in the uk. It would be ideal if you could drain approx. 1.9 tdi engine overheating issues. The reduced oil flow caused by clogged oil pick up. Electrical faults in fabia, octavia and. Skoda Octavia Oil Pump Failure.
From www.youtube.com
Skoda Octavia diesel pumps problem white smoke YouTube Skoda Octavia Oil Pump Failure Your octavia‘s oil light may come on because of the following reasons: Transmission issues in octavia, superb and yeti. Your octavia may have an oil leak, or it may be burning oil. My first instinct is wiring fault or replacement item faulty. 1.9 tdi engine overheating issues. Turbochargers are extremely expensive to replace, so the best way to avoid this. Skoda Octavia Oil Pump Failure.
From www.apollomotors.ru
Замена масла МКПП Шкода Октавия дешевле до 54 в Москве! Skoda Octavia Oil Pump Failure My second instinct would be a genuine oil. Transmission issues in octavia, superb and yeti. Turbochargers are extremely expensive to replace, so the best way to avoid this issue is to buy a model that has been properly looked. The problem with the 2.0 pd engine is the drive from the slave balancer. 1.9 tdi engine overheating issues. It would. Skoda Octavia Oil Pump Failure.