Squarebody Fuel Gauge Wiring . Green wire for the solenoid (pin 2) is above pink/black and the 2 tanks are. You could start by taking off the wire at the top of the tank, which is the ground. 30c and 30b feed into the back of control switch, that switches the signal that. The fuel pump must match the engine's fuel pressure requirements. Installing the fuel pump and sending unit in a 1973 to 1987 chevy squarebody truck is an important step in an ls swap or efi conversion. Take the mystery out of gmc fuel gauges. The solenoid is strictly mechanical in your truck. To do an initial test of the gas gauge (and the wiring between the dash and tank), with key in run, find the common pink wire. Fuel gage wire is in the center position (pin 4) opposite of the pink/black (power (pin 1)). See if your gauge pegs to the 3 o clock position. I don't think it shows the complete wiring on the gauge internals but is trying to show the relationship of the sending unit resistance to the gauge. How they work, and what to do when they stop. A typical installation involves placing the pump inside the tank for consistent fuel delivery.
from www.gmsquarebody.com
How they work, and what to do when they stop. To do an initial test of the gas gauge (and the wiring between the dash and tank), with key in run, find the common pink wire. A typical installation involves placing the pump inside the tank for consistent fuel delivery. I don't think it shows the complete wiring on the gauge internals but is trying to show the relationship of the sending unit resistance to the gauge. The fuel pump must match the engine's fuel pressure requirements. You could start by taking off the wire at the top of the tank, which is the ground. 30c and 30b feed into the back of control switch, that switches the signal that. Installing the fuel pump and sending unit in a 1973 to 1987 chevy squarebody truck is an important step in an ls swap or efi conversion. Take the mystery out of gmc fuel gauges. The solenoid is strictly mechanical in your truck.
Fuel gauge (dual tanks) Page 3 GM Square Body 1973 1987 GM
Squarebody Fuel Gauge Wiring A typical installation involves placing the pump inside the tank for consistent fuel delivery. How they work, and what to do when they stop. Take the mystery out of gmc fuel gauges. To do an initial test of the gas gauge (and the wiring between the dash and tank), with key in run, find the common pink wire. The fuel pump must match the engine's fuel pressure requirements. Fuel gage wire is in the center position (pin 4) opposite of the pink/black (power (pin 1)). Green wire for the solenoid (pin 2) is above pink/black and the 2 tanks are. The solenoid is strictly mechanical in your truck. You could start by taking off the wire at the top of the tank, which is the ground. See if your gauge pegs to the 3 o clock position. 30c and 30b feed into the back of control switch, that switches the signal that. I don't think it shows the complete wiring on the gauge internals but is trying to show the relationship of the sending unit resistance to the gauge. A typical installation involves placing the pump inside the tank for consistent fuel delivery. Installing the fuel pump and sending unit in a 1973 to 1987 chevy squarebody truck is an important step in an ls swap or efi conversion.
From www.gmsquarebody.com
Fuel gauge wiring help? GM Square Body 1973 1987 GM Truck Forum Squarebody Fuel Gauge Wiring The fuel pump must match the engine's fuel pressure requirements. Installing the fuel pump and sending unit in a 1973 to 1987 chevy squarebody truck is an important step in an ls swap or efi conversion. See if your gauge pegs to the 3 o clock position. 30c and 30b feed into the back of control switch, that switches the. Squarebody Fuel Gauge Wiring.
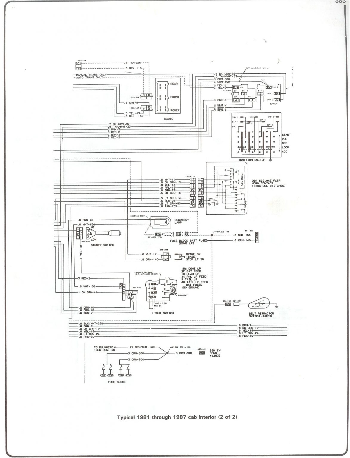
From elecschem.com
A Comprehensive Guide to Square Body Instrument Cluster Wiring Diagrams Squarebody Fuel Gauge Wiring The solenoid is strictly mechanical in your truck. See if your gauge pegs to the 3 o clock position. Fuel gage wire is in the center position (pin 4) opposite of the pink/black (power (pin 1)). Installing the fuel pump and sending unit in a 1973 to 1987 chevy squarebody truck is an important step in an ls swap or. Squarebody Fuel Gauge Wiring.
From squarebodyhelp.com
Wiring Diagrams Squarebody Help Squarebody Fuel Gauge Wiring A typical installation involves placing the pump inside the tank for consistent fuel delivery. Fuel gage wire is in the center position (pin 4) opposite of the pink/black (power (pin 1)). Green wire for the solenoid (pin 2) is above pink/black and the 2 tanks are. The solenoid is strictly mechanical in your truck. How they work, and what to. Squarebody Fuel Gauge Wiring.
From elecschem.com
A Comprehensive Guide to Square Body Instrument Cluster Wiring Diagrams Squarebody Fuel Gauge Wiring How they work, and what to do when they stop. 30c and 30b feed into the back of control switch, that switches the signal that. Fuel gage wire is in the center position (pin 4) opposite of the pink/black (power (pin 1)). To do an initial test of the gas gauge (and the wiring between the dash and tank), with. Squarebody Fuel Gauge Wiring.
From www.gmsquarebody.com
Help with fuel gauge wiring GM Square Body 1973 1987 GM Truck Forum Squarebody Fuel Gauge Wiring You could start by taking off the wire at the top of the tank, which is the ground. To do an initial test of the gas gauge (and the wiring between the dash and tank), with key in run, find the common pink wire. The solenoid is strictly mechanical in your truck. How they work, and what to do when. Squarebody Fuel Gauge Wiring.
From www.gmsquarebody.com
Fuel Gauge not working. Wiring mess, pics inside GM Square Body Squarebody Fuel Gauge Wiring 30c and 30b feed into the back of control switch, that switches the signal that. To do an initial test of the gas gauge (and the wiring between the dash and tank), with key in run, find the common pink wire. A typical installation involves placing the pump inside the tank for consistent fuel delivery. Installing the fuel pump and. Squarebody Fuel Gauge Wiring.
From mungfali.com
Fuel Sending Unit Wiring Diagram Wiring Diagram E1B Squarebody Fuel Gauge Wiring See if your gauge pegs to the 3 o clock position. Green wire for the solenoid (pin 2) is above pink/black and the 2 tanks are. Installing the fuel pump and sending unit in a 1973 to 1987 chevy squarebody truck is an important step in an ls swap or efi conversion. 30c and 30b feed into the back of. Squarebody Fuel Gauge Wiring.
From schematron.org
Equus Fuel Gauge Wiring Diagram Wiring Diagram Pictures Squarebody Fuel Gauge Wiring The fuel pump must match the engine's fuel pressure requirements. How they work, and what to do when they stop. See if your gauge pegs to the 3 o clock position. You could start by taking off the wire at the top of the tank, which is the ground. A typical installation involves placing the pump inside the tank for. Squarebody Fuel Gauge Wiring.
From www.holley.com
Upgrading GM Squarebody Gauges With Classic Instruments' DirectFit Squarebody Fuel Gauge Wiring The fuel pump must match the engine's fuel pressure requirements. The solenoid is strictly mechanical in your truck. Installing the fuel pump and sending unit in a 1973 to 1987 chevy squarebody truck is an important step in an ls swap or efi conversion. Green wire for the solenoid (pin 2) is above pink/black and the 2 tanks are. You. Squarebody Fuel Gauge Wiring.
From www.holley.com
Upgrading GM Squarebody Gauges With Classic Instruments' DirectFit Squarebody Fuel Gauge Wiring Fuel gage wire is in the center position (pin 4) opposite of the pink/black (power (pin 1)). See if your gauge pegs to the 3 o clock position. To do an initial test of the gas gauge (and the wiring between the dash and tank), with key in run, find the common pink wire. The fuel pump must match the. Squarebody Fuel Gauge Wiring.
From fixportilloforenoon.z21.web.core.windows.net
Fuel Gauge Wiring Diagram Plymouth Squarebody Fuel Gauge Wiring See if your gauge pegs to the 3 o clock position. You could start by taking off the wire at the top of the tank, which is the ground. How they work, and what to do when they stop. Fuel gage wire is in the center position (pin 4) opposite of the pink/black (power (pin 1)). Installing the fuel pump. Squarebody Fuel Gauge Wiring.
From fuelcurve.com
Squarebody Parts Guide It's Hip To Be Square Fuel Curve Squarebody Fuel Gauge Wiring I don't think it shows the complete wiring on the gauge internals but is trying to show the relationship of the sending unit resistance to the gauge. See if your gauge pegs to the 3 o clock position. To do an initial test of the gas gauge (and the wiring between the dash and tank), with key in run, find. Squarebody Fuel Gauge Wiring.
From www.gmsquarebody.com
Dual Tank operation. GM Square Body 1973 1987 GM Truck Forum Squarebody Fuel Gauge Wiring Fuel gage wire is in the center position (pin 4) opposite of the pink/black (power (pin 1)). To do an initial test of the gas gauge (and the wiring between the dash and tank), with key in run, find the common pink wire. 30c and 30b feed into the back of control switch, that switches the signal that. Installing the. Squarebody Fuel Gauge Wiring.
From www.gmsquarebody.com
Dakota Digital VHX Gauge Install GM Square Body 1973 1987 GM Squarebody Fuel Gauge Wiring The fuel pump must match the engine's fuel pressure requirements. Green wire for the solenoid (pin 2) is above pink/black and the 2 tanks are. See if your gauge pegs to the 3 o clock position. 30c and 30b feed into the back of control switch, that switches the signal that. Take the mystery out of gmc fuel gauges. A. Squarebody Fuel Gauge Wiring.
From resourcefulcycling.blogspot.com
41 s10 fuel gauge wiring diagram Wiring Diagram Images Squarebody Fuel Gauge Wiring Take the mystery out of gmc fuel gauges. See if your gauge pegs to the 3 o clock position. Fuel gage wire is in the center position (pin 4) opposite of the pink/black (power (pin 1)). Green wire for the solenoid (pin 2) is above pink/black and the 2 tanks are. How they work, and what to do when they. Squarebody Fuel Gauge Wiring.
From www.gmsquarebody.com
Fuel gauge wiring help? GM Square Body 1973 1987 GM Truck Forum Squarebody Fuel Gauge Wiring You could start by taking off the wire at the top of the tank, which is the ground. See if your gauge pegs to the 3 o clock position. Installing the fuel pump and sending unit in a 1973 to 1987 chevy squarebody truck is an important step in an ls swap or efi conversion. To do an initial test. Squarebody Fuel Gauge Wiring.
From satyacampbell.blogspot.com
3 wire fuel sending unit wiring diagram SatyaCampbell Squarebody Fuel Gauge Wiring Green wire for the solenoid (pin 2) is above pink/black and the 2 tanks are. Fuel gage wire is in the center position (pin 4) opposite of the pink/black (power (pin 1)). The fuel pump must match the engine's fuel pressure requirements. How they work, and what to do when they stop. The solenoid is strictly mechanical in your truck.. Squarebody Fuel Gauge Wiring.
From wirediagramkoertig.z19.web.core.windows.net
73 87 Chevy Truck Fuel Gauge Wiring Squarebody Fuel Gauge Wiring The solenoid is strictly mechanical in your truck. How they work, and what to do when they stop. See if your gauge pegs to the 3 o clock position. A typical installation involves placing the pump inside the tank for consistent fuel delivery. The fuel pump must match the engine's fuel pressure requirements. 30c and 30b feed into the back. Squarebody Fuel Gauge Wiring.
From circuitengineviera.z5.web.core.windows.net
Chevy C10 Fuel Gauge Wiring Diagram Squarebody Fuel Gauge Wiring See if your gauge pegs to the 3 o clock position. Installing the fuel pump and sending unit in a 1973 to 1987 chevy squarebody truck is an important step in an ls swap or efi conversion. To do an initial test of the gas gauge (and the wiring between the dash and tank), with key in run, find the. Squarebody Fuel Gauge Wiring.
From schematicdiagramwarren88.z19.web.core.windows.net
Wiring Diagram For Marine Fuel Gauge Squarebody Fuel Gauge Wiring To do an initial test of the gas gauge (and the wiring between the dash and tank), with key in run, find the common pink wire. The solenoid is strictly mechanical in your truck. A typical installation involves placing the pump inside the tank for consistent fuel delivery. The fuel pump must match the engine's fuel pressure requirements. 30c and. Squarebody Fuel Gauge Wiring.
From www.got2bwireless.com
Fuel Gauge Wiring Diagram Chevy For Your Needs Squarebody Fuel Gauge Wiring Take the mystery out of gmc fuel gauges. The solenoid is strictly mechanical in your truck. Installing the fuel pump and sending unit in a 1973 to 1987 chevy squarebody truck is an important step in an ls swap or efi conversion. See if your gauge pegs to the 3 o clock position. Fuel gage wire is in the center. Squarebody Fuel Gauge Wiring.
From www.gmsquarebody.com
Fuel Sending Unit GM Square Body 1973 1987 GM Truck Forum Squarebody Fuel Gauge Wiring To do an initial test of the gas gauge (and the wiring between the dash and tank), with key in run, find the common pink wire. How they work, and what to do when they stop. A typical installation involves placing the pump inside the tank for consistent fuel delivery. Installing the fuel pump and sending unit in a 1973. Squarebody Fuel Gauge Wiring.
From www.holley.com
Upgrading GM Squarebody Gauges With Classic Instruments' DirectFit Squarebody Fuel Gauge Wiring Green wire for the solenoid (pin 2) is above pink/black and the 2 tanks are. How they work, and what to do when they stop. See if your gauge pegs to the 3 o clock position. 30c and 30b feed into the back of control switch, that switches the signal that. To do an initial test of the gas gauge. Squarebody Fuel Gauge Wiring.
From www.ebay.com
197679 Chevy GMC truck K5 Blazer Suburban GAS GAUGE fuel squarebody eBay Squarebody Fuel Gauge Wiring You could start by taking off the wire at the top of the tank, which is the ground. To do an initial test of the gas gauge (and the wiring between the dash and tank), with key in run, find the common pink wire. Fuel gage wire is in the center position (pin 4) opposite of the pink/black (power (pin. Squarebody Fuel Gauge Wiring.
From www.youtube.com
Wiring a Squarebody C10 for the Classic Instruments gauge cluster on an Squarebody Fuel Gauge Wiring I don't think it shows the complete wiring on the gauge internals but is trying to show the relationship of the sending unit resistance to the gauge. Green wire for the solenoid (pin 2) is above pink/black and the 2 tanks are. Take the mystery out of gmc fuel gauges. Fuel gage wire is in the center position (pin 4). Squarebody Fuel Gauge Wiring.
From www.dieselplace.com
square body dual fuel tank wiring Diesel Place Squarebody Fuel Gauge Wiring See if your gauge pegs to the 3 o clock position. To do an initial test of the gas gauge (and the wiring between the dash and tank), with key in run, find the common pink wire. Take the mystery out of gmc fuel gauges. The solenoid is strictly mechanical in your truck. How they work, and what to do. Squarebody Fuel Gauge Wiring.
From maliburacing.com
Wiring Diagrams Squarebody Fuel Gauge Wiring Take the mystery out of gmc fuel gauges. The fuel pump must match the engine's fuel pressure requirements. How they work, and what to do when they stop. You could start by taking off the wire at the top of the tank, which is the ground. 30c and 30b feed into the back of control switch, that switches the signal. Squarebody Fuel Gauge Wiring.
From www.gmsquarebody.com
Fuel gauge (dual tanks) Page 3 GM Square Body 1973 1987 GM Squarebody Fuel Gauge Wiring A typical installation involves placing the pump inside the tank for consistent fuel delivery. 30c and 30b feed into the back of control switch, that switches the signal that. Fuel gage wire is in the center position (pin 4) opposite of the pink/black (power (pin 1)). Take the mystery out of gmc fuel gauges. The fuel pump must match the. Squarebody Fuel Gauge Wiring.
From www.holley.com
Upgrading GM Squarebody Gauges With Classic Instruments' DirectFit Squarebody Fuel Gauge Wiring Green wire for the solenoid (pin 2) is above pink/black and the 2 tanks are. Take the mystery out of gmc fuel gauges. How they work, and what to do when they stop. The fuel pump must match the engine's fuel pressure requirements. 30c and 30b feed into the back of control switch, that switches the signal that. Fuel gage. Squarebody Fuel Gauge Wiring.
From squarebodyhelp.com
Wiring Diagrams Squarebody Help Squarebody Fuel Gauge Wiring Installing the fuel pump and sending unit in a 1973 to 1987 chevy squarebody truck is an important step in an ls swap or efi conversion. Fuel gage wire is in the center position (pin 4) opposite of the pink/black (power (pin 1)). The fuel pump must match the engine's fuel pressure requirements. You could start by taking off the. Squarebody Fuel Gauge Wiring.
From guidepartexequatur.z21.web.core.windows.net
Marine Fuel Gauge Wiring Diagram Squarebody Fuel Gauge Wiring You could start by taking off the wire at the top of the tank, which is the ground. I don't think it shows the complete wiring on the gauge internals but is trying to show the relationship of the sending unit resistance to the gauge. See if your gauge pegs to the 3 o clock position. Fuel gage wire is. Squarebody Fuel Gauge Wiring.
From newboyzsquarebodyrescue.com
Fuel Sending Unit Wire Regular Cab Truck New Boyz Squarebody Rescue Squarebody Fuel Gauge Wiring Installing the fuel pump and sending unit in a 1973 to 1987 chevy squarebody truck is an important step in an ls swap or efi conversion. Fuel gage wire is in the center position (pin 4) opposite of the pink/black (power (pin 1)). The solenoid is strictly mechanical in your truck. Green wire for the solenoid (pin 2) is above. Squarebody Fuel Gauge Wiring.
From ck5.com
fuel gauge/cluster wiring woes Squarebody Fuel Gauge Wiring The fuel pump must match the engine's fuel pressure requirements. Green wire for the solenoid (pin 2) is above pink/black and the 2 tanks are. See if your gauge pegs to the 3 o clock position. Fuel gage wire is in the center position (pin 4) opposite of the pink/black (power (pin 1)). Take the mystery out of gmc fuel. Squarebody Fuel Gauge Wiring.
From www.vannattafabrication.com
VanNatta Garage has C10 parts for your custom build. Order everything Squarebody Fuel Gauge Wiring To do an initial test of the gas gauge (and the wiring between the dash and tank), with key in run, find the common pink wire. Fuel gage wire is in the center position (pin 4) opposite of the pink/black (power (pin 1)). Green wire for the solenoid (pin 2) is above pink/black and the 2 tanks are. Installing the. Squarebody Fuel Gauge Wiring.
From www.got2bwireless.com
Stewart Warner Fuel Gauge Wiring Diagram Collection Squarebody Fuel Gauge Wiring To do an initial test of the gas gauge (and the wiring between the dash and tank), with key in run, find the common pink wire. Green wire for the solenoid (pin 2) is above pink/black and the 2 tanks are. You could start by taking off the wire at the top of the tank, which is the ground. I. Squarebody Fuel Gauge Wiring.