Ecu Pinout Zd30 Ecu Wiring Diagram . I'm trying to figure out the volour of the wire which goes to the tacho (which i think comes via the ecu from the tack sensor) as i'm trying to fit a module to. The tacho wire should be a yellow with a black trace at pin no. It identifies over 30 pins and their functions, including pins for sensors that measure. The ecl wire should be a green wire at pin no. Zd30 starts difficult one of our european members had a cold start issue,. This document lists the pinouts for a nissan zd30 engine ecu. 5 at the ecu connector. The wiring diagrams are in the el.pdf files (ie: Code p0149 indicates a fuel timing error, which is typically caused by a faulty fuel timing. Need wire diagram for gu zd30 crd (2010) for ecm. Hi guys, i am chasing a ecm/ecu wire diagram to sort out my patrol gu. This is for nissan zd 30 eclectic manual.faults. Zd30 ecu pinouts list of pinout numbers and locations.
from www.patrol4x4.com
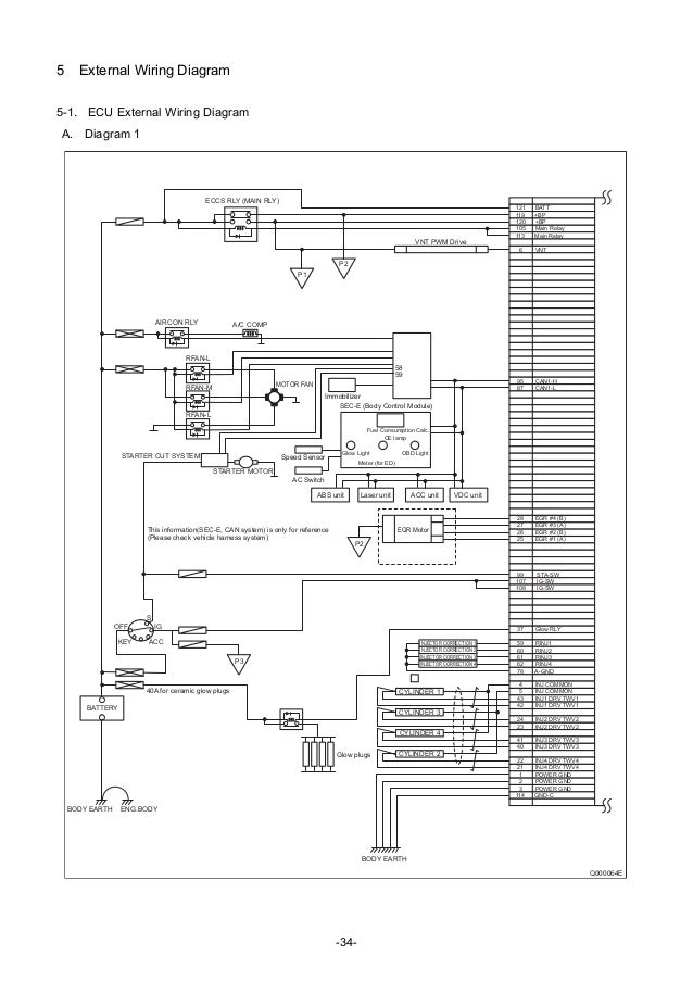
Hi guys, i am chasing a ecm/ecu wire diagram to sort out my patrol gu. This is for nissan zd 30 eclectic manual.faults. I'm trying to figure out the volour of the wire which goes to the tacho (which i think comes via the ecu from the tack sensor) as i'm trying to fit a module to. 5 at the ecu connector. The wiring diagrams are in the el.pdf files (ie: Zd30 ecu pinouts list of pinout numbers and locations. The tacho wire should be a yellow with a black trace at pin no. This document lists the pinouts for a nissan zd30 engine ecu. Zd30 starts difficult one of our european members had a cold start issue,. The ecl wire should be a green wire at pin no.
Wiring colours/diagram ZD30 ECU (10/2001) Patrol 4x4 Nissan Patrol
Ecu Pinout Zd30 Ecu Wiring Diagram Zd30 ecu pinouts list of pinout numbers and locations. The ecl wire should be a green wire at pin no. Code p0149 indicates a fuel timing error, which is typically caused by a faulty fuel timing. The wiring diagrams are in the el.pdf files (ie: 5 at the ecu connector. The tacho wire should be a yellow with a black trace at pin no. Zd30 starts difficult one of our european members had a cold start issue,. Zd30 ecu pinouts list of pinout numbers and locations. I'm trying to figure out the volour of the wire which goes to the tacho (which i think comes via the ecu from the tack sensor) as i'm trying to fit a module to. Hi guys, i am chasing a ecm/ecu wire diagram to sort out my patrol gu. It identifies over 30 pins and their functions, including pins for sensors that measure. Need wire diagram for gu zd30 crd (2010) for ecm. This is for nissan zd 30 eclectic manual.faults. This document lists the pinouts for a nissan zd30 engine ecu.
From design1systems.com
Bosch ECU Pinout Diagrams A Comprehensive Guide to Understanding and Ecu Pinout Zd30 Ecu Wiring Diagram The tacho wire should be a yellow with a black trace at pin no. The wiring diagrams are in the el.pdf files (ie: Zd30 starts difficult one of our european members had a cold start issue,. 5 at the ecu connector. Hi guys, i am chasing a ecm/ecu wire diagram to sort out my patrol gu. This document lists the. Ecu Pinout Zd30 Ecu Wiring Diagram.
From zen-saga4.blogspot.com
Zd30 Ecu Wiring Diagram Zen Saga Ecu Pinout Zd30 Ecu Wiring Diagram This document lists the pinouts for a nissan zd30 engine ecu. Zd30 ecu pinouts list of pinout numbers and locations. Zd30 starts difficult one of our european members had a cold start issue,. Hi guys, i am chasing a ecm/ecu wire diagram to sort out my patrol gu. The ecl wire should be a green wire at pin no. The. Ecu Pinout Zd30 Ecu Wiring Diagram.
From www.wiringwork.com
Wiring Diagram Zd30 Wiring Work Ecu Pinout Zd30 Ecu Wiring Diagram Code p0149 indicates a fuel timing error, which is typically caused by a faulty fuel timing. The ecl wire should be a green wire at pin no. Zd30 ecu pinouts list of pinout numbers and locations. 5 at the ecu connector. Need wire diagram for gu zd30 crd (2010) for ecm. The wiring diagrams are in the el.pdf files (ie:. Ecu Pinout Zd30 Ecu Wiring Diagram.
From wiringdiagram.2bitboer.com
Nissan Patrol Ecu Wiring Diagram Wiring Diagram Ecu Pinout Zd30 Ecu Wiring Diagram Need wire diagram for gu zd30 crd (2010) for ecm. 5 at the ecu connector. I'm trying to figure out the volour of the wire which goes to the tacho (which i think comes via the ecu from the tack sensor) as i'm trying to fit a module to. The wiring diagrams are in the el.pdf files (ie: The tacho. Ecu Pinout Zd30 Ecu Wiring Diagram.
From gambr.co
️Zd30 Ecu Wiring Diagram Free Download Gambr.co Ecu Pinout Zd30 Ecu Wiring Diagram I'm trying to figure out the volour of the wire which goes to the tacho (which i think comes via the ecu from the tack sensor) as i'm trying to fit a module to. 5 at the ecu connector. The tacho wire should be a yellow with a black trace at pin no. Need wire diagram for gu zd30 crd. Ecu Pinout Zd30 Ecu Wiring Diagram.
From zen-saga4.blogspot.com
Zd30 Ecu Wiring Diagram Zen Saga Ecu Pinout Zd30 Ecu Wiring Diagram Hi guys, i am chasing a ecm/ecu wire diagram to sort out my patrol gu. It identifies over 30 pins and their functions, including pins for sensors that measure. 5 at the ecu connector. This is for nissan zd 30 eclectic manual.faults. Need wire diagram for gu zd30 crd (2010) for ecm. Zd30 ecu pinouts list of pinout numbers and. Ecu Pinout Zd30 Ecu Wiring Diagram.
From www.wiringboards.com
Wiring Diagram Zd30 Wiring Boards Ecu Pinout Zd30 Ecu Wiring Diagram I'm trying to figure out the volour of the wire which goes to the tacho (which i think comes via the ecu from the tack sensor) as i'm trying to fit a module to. The wiring diagrams are in the el.pdf files (ie: The ecl wire should be a green wire at pin no. This is for nissan zd 30. Ecu Pinout Zd30 Ecu Wiring Diagram.
From electraschematics.com
The Ultimate Guide to Understanding the Mitsubishi ECU Pinout Diagram Ecu Pinout Zd30 Ecu Wiring Diagram I'm trying to figure out the volour of the wire which goes to the tacho (which i think comes via the ecu from the tack sensor) as i'm trying to fit a module to. The tacho wire should be a yellow with a black trace at pin no. Code p0149 indicates a fuel timing error, which is typically caused by. Ecu Pinout Zd30 Ecu Wiring Diagram.
From www.wiringdigital.com
Wiring Diagram Zd30 » Wiring Digital And Schematic Ecu Pinout Zd30 Ecu Wiring Diagram Zd30 starts difficult one of our european members had a cold start issue,. Need wire diagram for gu zd30 crd (2010) for ecm. This is for nissan zd 30 eclectic manual.faults. Zd30 ecu pinouts list of pinout numbers and locations. Code p0149 indicates a fuel timing error, which is typically caused by a faulty fuel timing. It identifies over 30. Ecu Pinout Zd30 Ecu Wiring Diagram.
From wiringdiagram.2bitboer.com
Nissan Patrol Zd30 Engine Wiring Diagram Wiring Diagram Ecu Pinout Zd30 Ecu Wiring Diagram It identifies over 30 pins and their functions, including pins for sensors that measure. Hi guys, i am chasing a ecm/ecu wire diagram to sort out my patrol gu. I'm trying to figure out the volour of the wire which goes to the tacho (which i think comes via the ecu from the tack sensor) as i'm trying to fit. Ecu Pinout Zd30 Ecu Wiring Diagram.
From stewart-switch.com
Honda Ecu Pinout Diagram Ecu Pinout Zd30 Ecu Wiring Diagram I'm trying to figure out the volour of the wire which goes to the tacho (which i think comes via the ecu from the tack sensor) as i'm trying to fit a module to. The tacho wire should be a yellow with a black trace at pin no. Need wire diagram for gu zd30 crd (2010) for ecm. Zd30 starts. Ecu Pinout Zd30 Ecu Wiring Diagram.
From www.youtube.com
Perfect ECU Connection diagrams collection YouTube Ecu Pinout Zd30 Ecu Wiring Diagram Zd30 ecu pinouts list of pinout numbers and locations. It identifies over 30 pins and their functions, including pins for sensors that measure. This is for nissan zd 30 eclectic manual.faults. 5 at the ecu connector. Hi guys, i am chasing a ecm/ecu wire diagram to sort out my patrol gu. Code p0149 indicates a fuel timing error, which is. Ecu Pinout Zd30 Ecu Wiring Diagram.
From wiringdiagram.2bitboer.com
Nissan Patrol Zd30 Wiring Diagram Wiring Diagram Ecu Pinout Zd30 Ecu Wiring Diagram I'm trying to figure out the volour of the wire which goes to the tacho (which i think comes via the ecu from the tack sensor) as i'm trying to fit a module to. Need wire diagram for gu zd30 crd (2010) for ecm. The wiring diagrams are in the el.pdf files (ie: Zd30 ecu pinouts list of pinout numbers. Ecu Pinout Zd30 Ecu Wiring Diagram.
From www.5021.tips
ECU PINOUT/CIRCUIT DIAGRAMS HAPA UJANJA tu👨🏼🎓 Ecu Pinout Zd30 Ecu Wiring Diagram This document lists the pinouts for a nissan zd30 engine ecu. 5 at the ecu connector. This is for nissan zd 30 eclectic manual.faults. Zd30 starts difficult one of our european members had a cold start issue,. The ecl wire should be a green wire at pin no. The wiring diagrams are in the el.pdf files (ie: Need wire diagram. Ecu Pinout Zd30 Ecu Wiring Diagram.
From nz.pinterest.com
Nissan ecu pinout diagram Car ecu, Nissan, Ecu Ecu Pinout Zd30 Ecu Wiring Diagram The ecl wire should be a green wire at pin no. The wiring diagrams are in the el.pdf files (ie: Code p0149 indicates a fuel timing error, which is typically caused by a faulty fuel timing. It identifies over 30 pins and their functions, including pins for sensors that measure. This is for nissan zd 30 eclectic manual.faults. Zd30 ecu. Ecu Pinout Zd30 Ecu Wiring Diagram.
From zen-saga4.blogspot.com
Zd30 Ecu Wiring Diagram Zen Saga Ecu Pinout Zd30 Ecu Wiring Diagram Zd30 ecu pinouts list of pinout numbers and locations. Code p0149 indicates a fuel timing error, which is typically caused by a faulty fuel timing. This is for nissan zd 30 eclectic manual.faults. I'm trying to figure out the volour of the wire which goes to the tacho (which i think comes via the ecu from the tack sensor) as. Ecu Pinout Zd30 Ecu Wiring Diagram.
From www.patrol4x4.com
Wiring colours/diagram ZD30 ECU (10/2001) Patrol 4x4 Nissan Patrol Ecu Pinout Zd30 Ecu Wiring Diagram It identifies over 30 pins and their functions, including pins for sensors that measure. Zd30 ecu pinouts list of pinout numbers and locations. 5 at the ecu connector. This document lists the pinouts for a nissan zd30 engine ecu. Hi guys, i am chasing a ecm/ecu wire diagram to sort out my patrol gu. Need wire diagram for gu zd30. Ecu Pinout Zd30 Ecu Wiring Diagram.
From zen-saga4.blogspot.com
Zd30 Ecu Wiring Diagram Zen Saga Ecu Pinout Zd30 Ecu Wiring Diagram Zd30 starts difficult one of our european members had a cold start issue,. Zd30 ecu pinouts list of pinout numbers and locations. The wiring diagrams are in the el.pdf files (ie: It identifies over 30 pins and their functions, including pins for sensors that measure. This document lists the pinouts for a nissan zd30 engine ecu. This is for nissan. Ecu Pinout Zd30 Ecu Wiring Diagram.
From baet.com.au
ZD30 D22 ECU Installation Border Automotive Engineering and Tuning Ecu Pinout Zd30 Ecu Wiring Diagram 5 at the ecu connector. The ecl wire should be a green wire at pin no. Code p0149 indicates a fuel timing error, which is typically caused by a faulty fuel timing. It identifies over 30 pins and their functions, including pins for sensors that measure. Zd30 ecu pinouts list of pinout numbers and locations. I'm trying to figure out. Ecu Pinout Zd30 Ecu Wiring Diagram.
From www.pinterest.de
Nissan Pulsar, Nissan 240sx, R33 Gtr, Nissan Hardbody, Car Ecu, Nissan Ecu Pinout Zd30 Ecu Wiring Diagram The wiring diagrams are in the el.pdf files (ie: 5 at the ecu connector. I'm trying to figure out the volour of the wire which goes to the tacho (which i think comes via the ecu from the tack sensor) as i'm trying to fit a module to. Zd30 ecu pinouts list of pinout numbers and locations. The ecl wire. Ecu Pinout Zd30 Ecu Wiring Diagram.
From uk.pinterest.com
Nissan 350z ecu wiring diagram 5 Nissan 350z, Nissan, Ecu Ecu Pinout Zd30 Ecu Wiring Diagram Zd30 starts difficult one of our european members had a cold start issue,. Code p0149 indicates a fuel timing error, which is typically caused by a faulty fuel timing. Zd30 ecu pinouts list of pinout numbers and locations. The wiring diagrams are in the el.pdf files (ie: This document lists the pinouts for a nissan zd30 engine ecu. I'm trying. Ecu Pinout Zd30 Ecu Wiring Diagram.
From zen-saga4.blogspot.com
Zd30 Ecu Wiring Diagram Zen Saga Ecu Pinout Zd30 Ecu Wiring Diagram This is for nissan zd 30 eclectic manual.faults. Hi guys, i am chasing a ecm/ecu wire diagram to sort out my patrol gu. Need wire diagram for gu zd30 crd (2010) for ecm. Zd30 starts difficult one of our european members had a cold start issue,. 5 at the ecu connector. It identifies over 30 pins and their functions, including. Ecu Pinout Zd30 Ecu Wiring Diagram.
From www.patrol4x4.com
Zd30 ecu pinouts Patrol 4x4 Nissan Patrol Forum Ecu Pinout Zd30 Ecu Wiring Diagram 5 at the ecu connector. The wiring diagrams are in the el.pdf files (ie: Zd30 starts difficult one of our european members had a cold start issue,. Need wire diagram for gu zd30 crd (2010) for ecm. This is for nissan zd 30 eclectic manual.faults. The ecl wire should be a green wire at pin no. Hi guys, i am. Ecu Pinout Zd30 Ecu Wiring Diagram.
From www.wiringdigital.com
Wiring Diagram Zd30 Wiring Digital and Schematic Ecu Pinout Zd30 Ecu Wiring Diagram This is for nissan zd 30 eclectic manual.faults. Zd30 starts difficult one of our european members had a cold start issue,. 5 at the ecu connector. Need wire diagram for gu zd30 crd (2010) for ecm. It identifies over 30 pins and their functions, including pins for sensors that measure. Code p0149 indicates a fuel timing error, which is typically. Ecu Pinout Zd30 Ecu Wiring Diagram.
From www.scribd.com
zd30 pinout PDF Ecu Pinout Zd30 Ecu Wiring Diagram It identifies over 30 pins and their functions, including pins for sensors that measure. Hi guys, i am chasing a ecm/ecu wire diagram to sort out my patrol gu. This is for nissan zd 30 eclectic manual.faults. This document lists the pinouts for a nissan zd30 engine ecu. The tacho wire should be a yellow with a black trace at. Ecu Pinout Zd30 Ecu Wiring Diagram.
From wiringdiagram.2bitboer.com
Gu Patrol Zd30 Wiring Diagram Wiring Diagram Ecu Pinout Zd30 Ecu Wiring Diagram I'm trying to figure out the volour of the wire which goes to the tacho (which i think comes via the ecu from the tack sensor) as i'm trying to fit a module to. The ecl wire should be a green wire at pin no. The wiring diagrams are in the el.pdf files (ie: This document lists the pinouts for. Ecu Pinout Zd30 Ecu Wiring Diagram.
From printablefullbegad.z21.web.core.windows.net
Ecu Pinout Diagram Pdf Ecu Pinout Zd30 Ecu Wiring Diagram The ecl wire should be a green wire at pin no. Code p0149 indicates a fuel timing error, which is typically caused by a faulty fuel timing. It identifies over 30 pins and their functions, including pins for sensors that measure. The tacho wire should be a yellow with a black trace at pin no. The wiring diagrams are in. Ecu Pinout Zd30 Ecu Wiring Diagram.
From www.wiringdigital.com
Wiring Diagram Zd30 » Wiring Digital And Schematic Ecu Pinout Zd30 Ecu Wiring Diagram The ecl wire should be a green wire at pin no. It identifies over 30 pins and their functions, including pins for sensors that measure. Zd30 starts difficult one of our european members had a cold start issue,. Hi guys, i am chasing a ecm/ecu wire diagram to sort out my patrol gu. Zd30 ecu pinouts list of pinout numbers. Ecu Pinout Zd30 Ecu Wiring Diagram.
From www.artofit.org
Nissan ecu pinout diagram Artofit Ecu Pinout Zd30 Ecu Wiring Diagram Zd30 starts difficult one of our european members had a cold start issue,. Hi guys, i am chasing a ecm/ecu wire diagram to sort out my patrol gu. This is for nissan zd 30 eclectic manual.faults. Zd30 ecu pinouts list of pinout numbers and locations. Code p0149 indicates a fuel timing error, which is typically caused by a faulty fuel. Ecu Pinout Zd30 Ecu Wiring Diagram.
From qoeiaske55.blogspot.com
[23+] Zd30 Engine Zd30 Injector Pump Wiring Diagram, ZD30_learn.pdf Ecu Pinout Zd30 Ecu Wiring Diagram This document lists the pinouts for a nissan zd30 engine ecu. Zd30 ecu pinouts list of pinout numbers and locations. Code p0149 indicates a fuel timing error, which is typically caused by a faulty fuel timing. I'm trying to figure out the volour of the wire which goes to the tacho (which i think comes via the ecu from the. Ecu Pinout Zd30 Ecu Wiring Diagram.
From www.patrol4x4.com
Wiring colours/diagram ZD30 ECU (10/2001) Patrol 4x4 Nissan Patrol Ecu Pinout Zd30 Ecu Wiring Diagram This is for nissan zd 30 eclectic manual.faults. The tacho wire should be a yellow with a black trace at pin no. Hi guys, i am chasing a ecm/ecu wire diagram to sort out my patrol gu. Code p0149 indicates a fuel timing error, which is typically caused by a faulty fuel timing. I'm trying to figure out the volour. Ecu Pinout Zd30 Ecu Wiring Diagram.
From guidemerszebn.z14.web.core.windows.net
Ecu Pinout Diagram Pdf Ecu Pinout Zd30 Ecu Wiring Diagram The tacho wire should be a yellow with a black trace at pin no. The wiring diagrams are in the el.pdf files (ie: It identifies over 30 pins and their functions, including pins for sensors that measure. Zd30 ecu pinouts list of pinout numbers and locations. Need wire diagram for gu zd30 crd (2010) for ecm. The ecl wire should. Ecu Pinout Zd30 Ecu Wiring Diagram.
From www.patrol4x4.com
Wiring colours/diagram ZD30 ECU (10/2001) Patrol 4x4 Nissan Patrol Ecu Pinout Zd30 Ecu Wiring Diagram This document lists the pinouts for a nissan zd30 engine ecu. It identifies over 30 pins and their functions, including pins for sensors that measure. Need wire diagram for gu zd30 crd (2010) for ecm. Code p0149 indicates a fuel timing error, which is typically caused by a faulty fuel timing. 5 at the ecu connector. The tacho wire should. Ecu Pinout Zd30 Ecu Wiring Diagram.
From enginerileypompeyed.z14.web.core.windows.net
Nissan Zd30 Wiring Diagram Ecu Pinout Zd30 Ecu Wiring Diagram Zd30 ecu pinouts list of pinout numbers and locations. Code p0149 indicates a fuel timing error, which is typically caused by a faulty fuel timing. Hi guys, i am chasing a ecm/ecu wire diagram to sort out my patrol gu. This is for nissan zd 30 eclectic manual.faults. Zd30 starts difficult one of our european members had a cold start. Ecu Pinout Zd30 Ecu Wiring Diagram.
From baet.com.au
ZD30 D22 ECU Installation Border Automotive Engineering and Tuning Ecu Pinout Zd30 Ecu Wiring Diagram The tacho wire should be a yellow with a black trace at pin no. This is for nissan zd 30 eclectic manual.faults. The ecl wire should be a green wire at pin no. Hi guys, i am chasing a ecm/ecu wire diagram to sort out my patrol gu. It identifies over 30 pins and their functions, including pins for sensors. Ecu Pinout Zd30 Ecu Wiring Diagram.