Grand Marquis Ignition Switch Replacement . I removed the ignition switch and i found that the two components ( metal. I will also show you how to rekey. Remove the two screws mounting the ignition switch. — how to replace ignition switch in your car diy with scotty kilmer. Remove lower steering column shroud. Get a free detailed estimate. Rotate ignition swtich lock cylinder to the run position. — i will show you how to remove then ignition lock cylinder with or without a key !! Disengage the ignition switch from the actuator. — after several tries, i started the engine. Disconnect the ignition switch electrical connector. turn to autozone and find the ignition switch for mercury grand marquis to restore your confidence today. to replace the electrical ignition switch box. a mercury grand marquis ignition switch replacement costs between $149 and $203 on average.
from www.fixya.com
Get a free detailed estimate. turn to autozone and find the ignition switch for mercury grand marquis to restore your confidence today. a mercury grand marquis ignition switch replacement costs between $149 and $203 on average. Remove the two screws mounting the ignition switch. to replace the electrical ignition switch box. I removed the ignition switch and i found that the two components ( metal. Rotate ignition swtich lock cylinder to the run position. Disconnect the ignition switch electrical connector. — after several tries, i started the engine. Disengage the ignition switch from the actuator.
Ignition coils 2002 grand marquis Fixya
Grand Marquis Ignition Switch Replacement I will also show you how to rekey. Disconnect the ignition switch electrical connector. — after several tries, i started the engine. — i will show you how to remove then ignition lock cylinder with or without a key !! — how to replace ignition switch in your car diy with scotty kilmer. to replace the electrical ignition switch box. I removed the ignition switch and i found that the two components ( metal. Disengage the ignition switch from the actuator. I will also show you how to rekey. Remove lower steering column shroud. turn to autozone and find the ignition switch for mercury grand marquis to restore your confidence today. Get a free detailed estimate. Remove the two screws mounting the ignition switch. Rotate ignition swtich lock cylinder to the run position. a mercury grand marquis ignition switch replacement costs between $149 and $203 on average.
From www.youtube.com
How to Replace Combination Switch 20032011 Mercury Grand Marquis YouTube Grand Marquis Ignition Switch Replacement to replace the electrical ignition switch box. — how to replace ignition switch in your car diy with scotty kilmer. turn to autozone and find the ignition switch for mercury grand marquis to restore your confidence today. Remove lower steering column shroud. — after several tries, i started the engine. Disengage the ignition switch from the. Grand Marquis Ignition Switch Replacement.
From www.walmart.com
OE Replacement for 19791989 Mercury Grand Marquis Ignition Switch Grand Marquis Ignition Switch Replacement — after several tries, i started the engine. I removed the ignition switch and i found that the two components ( metal. — i will show you how to remove then ignition lock cylinder with or without a key !! Get a free detailed estimate. Rotate ignition swtich lock cylinder to the run position. Disengage the ignition switch. Grand Marquis Ignition Switch Replacement.
From www.autopartskart.com
2006 Mercury Grand Marquis Ignition Switch Connector Grand Marquis Ignition Switch Replacement I removed the ignition switch and i found that the two components ( metal. Get a free detailed estimate. Remove the two screws mounting the ignition switch. to replace the electrical ignition switch box. I will also show you how to rekey. Remove lower steering column shroud. — i will show you how to remove then ignition lock. Grand Marquis Ignition Switch Replacement.
From www.midtenntruckparts.com
1995 Mercury Grand Marquis Ignition Immobilizer Module 3W1Z15607AA Grand Marquis Ignition Switch Replacement — after several tries, i started the engine. Remove lower steering column shroud. turn to autozone and find the ignition switch for mercury grand marquis to restore your confidence today. Rotate ignition swtich lock cylinder to the run position. Get a free detailed estimate. I will also show you how to rekey. — how to replace ignition. Grand Marquis Ignition Switch Replacement.
From www.walmart.com
OE Replacement for 19972002 Mercury Grand Marquis Ignition Lock Grand Marquis Ignition Switch Replacement turn to autozone and find the ignition switch for mercury grand marquis to restore your confidence today. — how to replace ignition switch in your car diy with scotty kilmer. — after several tries, i started the engine. I will also show you how to rekey. a mercury grand marquis ignition switch replacement costs between $149. Grand Marquis Ignition Switch Replacement.
From parts.havreford.net
Mercury Grand Marquis Combination Switch. Combo switch. MULTIFUNCTION Grand Marquis Ignition Switch Replacement — i will show you how to remove then ignition lock cylinder with or without a key !! I will also show you how to rekey. to replace the electrical ignition switch box. a mercury grand marquis ignition switch replacement costs between $149 and $203 on average. I removed the ignition switch and i found that the. Grand Marquis Ignition Switch Replacement.
From www.justanswer.com
Where is the Ignition Control Module on a 1999 Mercury Grand Marquis? Grand Marquis Ignition Switch Replacement Remove lower steering column shroud. a mercury grand marquis ignition switch replacement costs between $149 and $203 on average. Disengage the ignition switch from the actuator. Rotate ignition swtich lock cylinder to the run position. I will also show you how to rekey. to replace the electrical ignition switch box. turn to autozone and find the ignition. Grand Marquis Ignition Switch Replacement.
From www.ecrater.co.uk
IGNITION SWITCH MERCURY MARQUIS 1973 1974 1975 1976 MERCURY MONTEREY Grand Marquis Ignition Switch Replacement a mercury grand marquis ignition switch replacement costs between $149 and $203 on average. Disconnect the ignition switch electrical connector. — after several tries, i started the engine. — how to replace ignition switch in your car diy with scotty kilmer. Disengage the ignition switch from the actuator. I removed the ignition switch and i found that. Grand Marquis Ignition Switch Replacement.
From www.2carpros.com
Ignition Switch Replacement? the Car Starts but Wont Turn Off Grand Marquis Ignition Switch Replacement Get a free detailed estimate. I removed the ignition switch and i found that the two components ( metal. Remove lower steering column shroud. I will also show you how to rekey. Disengage the ignition switch from the actuator. — after several tries, i started the engine. a mercury grand marquis ignition switch replacement costs between $149 and. Grand Marquis Ignition Switch Replacement.
From www.walmart.com
For 19791989 Mercury Grand Marquis Ignition Switch SMP 48295GD 1988 Grand Marquis Ignition Switch Replacement turn to autozone and find the ignition switch for mercury grand marquis to restore your confidence today. Disconnect the ignition switch electrical connector. Remove the two screws mounting the ignition switch. Rotate ignition swtich lock cylinder to the run position. a mercury grand marquis ignition switch replacement costs between $149 and $203 on average. — i will. Grand Marquis Ignition Switch Replacement.
From www.justanswer.com
HOW DO YOU REPLACE THE IGNITION SWITCH ON A 1993 MERCURY GRAND MARQUIS Grand Marquis Ignition Switch Replacement Rotate ignition swtich lock cylinder to the run position. — how to replace ignition switch in your car diy with scotty kilmer. turn to autozone and find the ignition switch for mercury grand marquis to restore your confidence today. — i will show you how to remove then ignition lock cylinder with or without a key !!. Grand Marquis Ignition Switch Replacement.
From www.walmart.com
Mercury Marquis/Grand Marquis 9092 10Cuts Coded Ignition Switch Grand Marquis Ignition Switch Replacement Remove lower steering column shroud. turn to autozone and find the ignition switch for mercury grand marquis to restore your confidence today. I removed the ignition switch and i found that the two components ( metal. I will also show you how to rekey. — after several tries, i started the engine. — i will show you. Grand Marquis Ignition Switch Replacement.
From www.walmart.com
Ignition Switch Compatible with 1979 1982 Mercury Marquis 1980 1981 Grand Marquis Ignition Switch Replacement I will also show you how to rekey. Disengage the ignition switch from the actuator. Remove lower steering column shroud. Remove the two screws mounting the ignition switch. to replace the electrical ignition switch box. Rotate ignition swtich lock cylinder to the run position. — i will show you how to remove then ignition lock cylinder with or. Grand Marquis Ignition Switch Replacement.
From www.partshotlines.com
Mercury Grand Marquis Ignition Switch Used Car Parts Grand Marquis Ignition Switch Replacement — how to replace ignition switch in your car diy with scotty kilmer. turn to autozone and find the ignition switch for mercury grand marquis to restore your confidence today. Disengage the ignition switch from the actuator. Get a free detailed estimate. to replace the electrical ignition switch box. Remove the two screws mounting the ignition switch.. Grand Marquis Ignition Switch Replacement.
From www.partshotlines.com
Mercury Grand Marquis Ignition Switch Used Car Parts Grand Marquis Ignition Switch Replacement Disengage the ignition switch from the actuator. turn to autozone and find the ignition switch for mercury grand marquis to restore your confidence today. Remove the two screws mounting the ignition switch. a mercury grand marquis ignition switch replacement costs between $149 and $203 on average. I will also show you how to rekey. Rotate ignition swtich lock. Grand Marquis Ignition Switch Replacement.
From www.justanswer.com
Q&A How to Start Grand Marquis Without Key 99 Grand Marquis Ignition Grand Marquis Ignition Switch Replacement I removed the ignition switch and i found that the two components ( metal. a mercury grand marquis ignition switch replacement costs between $149 and $203 on average. Rotate ignition swtich lock cylinder to the run position. to replace the electrical ignition switch box. turn to autozone and find the ignition switch for mercury grand marquis to. Grand Marquis Ignition Switch Replacement.
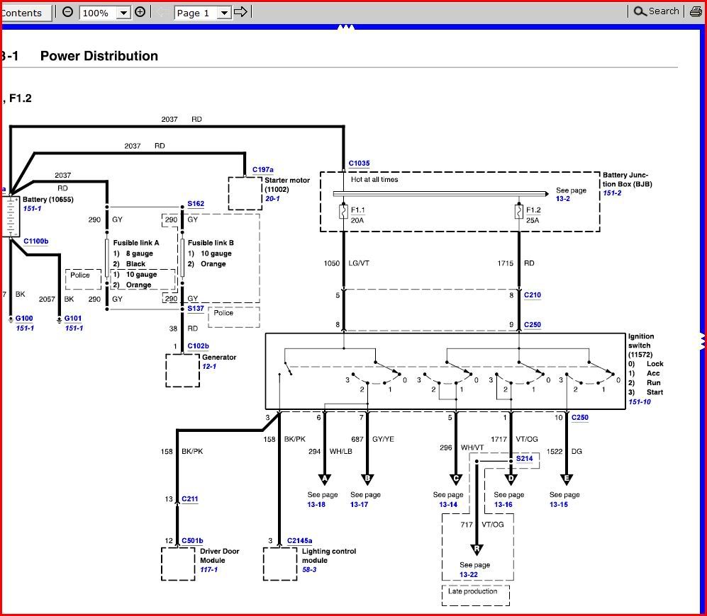
From wiringschema.com
[DIAGRAM] Grand Marquis Ignition Diagram Grand Marquis Ignition Switch Replacement Remove the two screws mounting the ignition switch. Disconnect the ignition switch electrical connector. I will also show you how to rekey. a mercury grand marquis ignition switch replacement costs between $149 and $203 on average. Remove lower steering column shroud. — i will show you how to remove then ignition lock cylinder with or without a key. Grand Marquis Ignition Switch Replacement.
From www.ebay.com
Ignition Starter Switch fits 19671978 Mercury Grand Marquis,Marquis Grand Marquis Ignition Switch Replacement Remove the two screws mounting the ignition switch. Disengage the ignition switch from the actuator. Remove lower steering column shroud. Get a free detailed estimate. a mercury grand marquis ignition switch replacement costs between $149 and $203 on average. to replace the electrical ignition switch box. turn to autozone and find the ignition switch for mercury grand. Grand Marquis Ignition Switch Replacement.
From wiringschema.com
[DIAGRAM] Grand Marquis Ignition Diagram Grand Marquis Ignition Switch Replacement — i will show you how to remove then ignition lock cylinder with or without a key !! Remove lower steering column shroud. — how to replace ignition switch in your car diy with scotty kilmer. Rotate ignition swtich lock cylinder to the run position. — after several tries, i started the engine. Remove the two screws. Grand Marquis Ignition Switch Replacement.
From www.2040-parts.com
Sell 1997 Mercury Grand Marquis Ignition Starter Lock Cylinder OEM w Grand Marquis Ignition Switch Replacement to replace the electrical ignition switch box. I will also show you how to rekey. Disconnect the ignition switch electrical connector. — after several tries, i started the engine. Remove the two screws mounting the ignition switch. — how to replace ignition switch in your car diy with scotty kilmer. turn to autozone and find the. Grand Marquis Ignition Switch Replacement.
From eclassics.com
eClassics 19681969 Mercury Marquis Ignition Switch Grand Marquis Ignition Switch Replacement Remove lower steering column shroud. Disengage the ignition switch from the actuator. Disconnect the ignition switch electrical connector. — after several tries, i started the engine. — how to replace ignition switch in your car diy with scotty kilmer. turn to autozone and find the ignition switch for mercury grand marquis to restore your confidence today. Remove. Grand Marquis Ignition Switch Replacement.
From wiredatafotografix2.z21.web.core.windows.net
2005 Mercury Grand Marquis Wiring Diagrams Grand Marquis Ignition Switch Replacement I removed the ignition switch and i found that the two components ( metal. Disengage the ignition switch from the actuator. I will also show you how to rekey. to replace the electrical ignition switch box. a mercury grand marquis ignition switch replacement costs between $149 and $203 on average. Get a free detailed estimate. Disconnect the ignition. Grand Marquis Ignition Switch Replacement.
From www.partsgeek.com
19902004 Mercury Grand Marquis Ignition Switch Connector Standard Grand Marquis Ignition Switch Replacement Remove lower steering column shroud. a mercury grand marquis ignition switch replacement costs between $149 and $203 on average. — i will show you how to remove then ignition lock cylinder with or without a key !! Disengage the ignition switch from the actuator. Disconnect the ignition switch electrical connector. I will also show you how to rekey.. Grand Marquis Ignition Switch Replacement.
From eclassics.com
eClassics 19791989 Mercury Grand Marquis Ignition Lock Cylinder Chrome Grand Marquis Ignition Switch Replacement Rotate ignition swtich lock cylinder to the run position. — after several tries, i started the engine. — how to replace ignition switch in your car diy with scotty kilmer. Disconnect the ignition switch electrical connector. Remove the two screws mounting the ignition switch. turn to autozone and find the ignition switch for mercury grand marquis to. Grand Marquis Ignition Switch Replacement.
From www.stockwiseauto.com
1981 Mercury Grand Marquis Ignition Control Module Grand Marquis Ignition Switch Replacement — how to replace ignition switch in your car diy with scotty kilmer. Rotate ignition swtich lock cylinder to the run position. Remove the two screws mounting the ignition switch. I will also show you how to rekey. — after several tries, i started the engine. Disengage the ignition switch from the actuator. Remove lower steering column shroud.. Grand Marquis Ignition Switch Replacement.
From www.autopartskart.com
1998 Mercury Grand Marquis Ignition Control Module Connector Grand Marquis Ignition Switch Replacement a mercury grand marquis ignition switch replacement costs between $149 and $203 on average. Remove the two screws mounting the ignition switch. — how to replace ignition switch in your car diy with scotty kilmer. I removed the ignition switch and i found that the two components ( metal. to replace the electrical ignition switch box. Remove. Grand Marquis Ignition Switch Replacement.
From eclassics.com
eClassics 19791989 Mercury Grand Marquis Ignition Lock Cylinder Chrome Grand Marquis Ignition Switch Replacement — i will show you how to remove then ignition lock cylinder with or without a key !! I will also show you how to rekey. — after several tries, i started the engine. a mercury grand marquis ignition switch replacement costs between $149 and $203 on average. Remove lower steering column shroud. turn to autozone. Grand Marquis Ignition Switch Replacement.
From troubleshootmyvehicle.com
Ignition System Circuit Wiring Diagram (1996, 1997 4.6L Crown Victoria Grand Marquis Ignition Switch Replacement I will also show you how to rekey. Rotate ignition swtich lock cylinder to the run position. a mercury grand marquis ignition switch replacement costs between $149 and $203 on average. Remove lower steering column shroud. — how to replace ignition switch in your car diy with scotty kilmer. — after several tries, i started the engine.. Grand Marquis Ignition Switch Replacement.
From www.walmart.com
Mercury Marquis/Grand Marquis 9396 10Cuts Coded Ignition Switch Grand Marquis Ignition Switch Replacement Rotate ignition swtich lock cylinder to the run position. to replace the electrical ignition switch box. Remove lower steering column shroud. Get a free detailed estimate. — after several tries, i started the engine. — how to replace ignition switch in your car diy with scotty kilmer. turn to autozone and find the ignition switch for. Grand Marquis Ignition Switch Replacement.
From www.autopartskart.com
2005 Mercury Grand Marquis Ignition Lock Cylinder Grand Marquis Ignition Switch Replacement I will also show you how to rekey. Disconnect the ignition switch electrical connector. a mercury grand marquis ignition switch replacement costs between $149 and $203 on average. Remove lower steering column shroud. I removed the ignition switch and i found that the two components ( metal. — after several tries, i started the engine. to replace. Grand Marquis Ignition Switch Replacement.
From www.ebay.com
1PC BLUETEC IGNITION COIL UFD267B for MERCURY GRAND MARQUIS 4.6L V8 Grand Marquis Ignition Switch Replacement Disconnect the ignition switch electrical connector. Get a free detailed estimate. Remove the two screws mounting the ignition switch. — i will show you how to remove then ignition lock cylinder with or without a key !! to replace the electrical ignition switch box. — after several tries, i started the engine. I will also show you. Grand Marquis Ignition Switch Replacement.
From www.ecrater.co.uk
IGNITION SWITCH MERCURY MARQUIS 1973 1974 1975 1976 MERCURY MONTEREY Grand Marquis Ignition Switch Replacement Get a free detailed estimate. to replace the electrical ignition switch box. a mercury grand marquis ignition switch replacement costs between $149 and $203 on average. — after several tries, i started the engine. turn to autozone and find the ignition switch for mercury grand marquis to restore your confidence today. Remove the two screws mounting. Grand Marquis Ignition Switch Replacement.
From picclick.ca
FOR 19912004 FORD Grand Marquis Dorman Ignition Switch Actuator 1992 Grand Marquis Ignition Switch Replacement Rotate ignition swtich lock cylinder to the run position. I removed the ignition switch and i found that the two components ( metal. Get a free detailed estimate. I will also show you how to rekey. — i will show you how to remove then ignition lock cylinder with or without a key !! a mercury grand marquis. Grand Marquis Ignition Switch Replacement.
From www.fixya.com
Ignition coils 2002 grand marquis Fixya Grand Marquis Ignition Switch Replacement I removed the ignition switch and i found that the two components ( metal. to replace the electrical ignition switch box. Get a free detailed estimate. turn to autozone and find the ignition switch for mercury grand marquis to restore your confidence today. I will also show you how to rekey. Disconnect the ignition switch electrical connector. . Grand Marquis Ignition Switch Replacement.
From www.youtube.com
How to Replace Ignition Coil 20032011 Mercury Grand Marquis YouTube Grand Marquis Ignition Switch Replacement I removed the ignition switch and i found that the two components ( metal. Disconnect the ignition switch electrical connector. Remove the two screws mounting the ignition switch. to replace the electrical ignition switch box. a mercury grand marquis ignition switch replacement costs between $149 and $203 on average. — after several tries, i started the engine.. Grand Marquis Ignition Switch Replacement.