Keyboard Amp Circuit . a keyboard amp schematic diagram is a visual representation of the electrical circuitry and components that make up a keyboard amplifier. check out the keyboard amplifier quickstart guide page at sweetwater — the world's leading music technology and instrument retailer! a keyboard amp schematic diagram is a visual representation of the electrical circuit of a keyboard amplifier. in many respects a keyboard amp is pretty easy, it's just a linear high quality amp, a pa is ideal for it. a keyboard amp schematic diagram is a visual representation of the electrical circuit of a keyboard amplifier. if you want stellar control over your keyboard’s sound, then a keyboard amp is an absolute essential.
from www.176iot.com
a keyboard amp schematic diagram is a visual representation of the electrical circuit of a keyboard amplifier. a keyboard amp schematic diagram is a visual representation of the electrical circuit of a keyboard amplifier. check out the keyboard amplifier quickstart guide page at sweetwater — the world's leading music technology and instrument retailer! a keyboard amp schematic diagram is a visual representation of the electrical circuitry and components that make up a keyboard amplifier. in many respects a keyboard amp is pretty easy, it's just a linear high quality amp, a pa is ideal for it. if you want stellar control over your keyboard’s sound, then a keyboard amp is an absolute essential.
Pc Keyboard Circuit Diagram IOT Wiring Diagram
Keyboard Amp Circuit a keyboard amp schematic diagram is a visual representation of the electrical circuitry and components that make up a keyboard amplifier. if you want stellar control over your keyboard’s sound, then a keyboard amp is an absolute essential. in many respects a keyboard amp is pretty easy, it's just a linear high quality amp, a pa is ideal for it. a keyboard amp schematic diagram is a visual representation of the electrical circuitry and components that make up a keyboard amplifier. check out the keyboard amplifier quickstart guide page at sweetwater — the world's leading music technology and instrument retailer! a keyboard amp schematic diagram is a visual representation of the electrical circuit of a keyboard amplifier. a keyboard amp schematic diagram is a visual representation of the electrical circuit of a keyboard amplifier.
From www.eleccircuit.com
Simple Music Keyboard circuit Electronic Circuit, Projects & Learning Keyboard Amp Circuit in many respects a keyboard amp is pretty easy, it's just a linear high quality amp, a pa is ideal for it. a keyboard amp schematic diagram is a visual representation of the electrical circuitry and components that make up a keyboard amplifier. check out the keyboard amplifier quickstart guide page at sweetwater — the world's leading. Keyboard Amp Circuit.
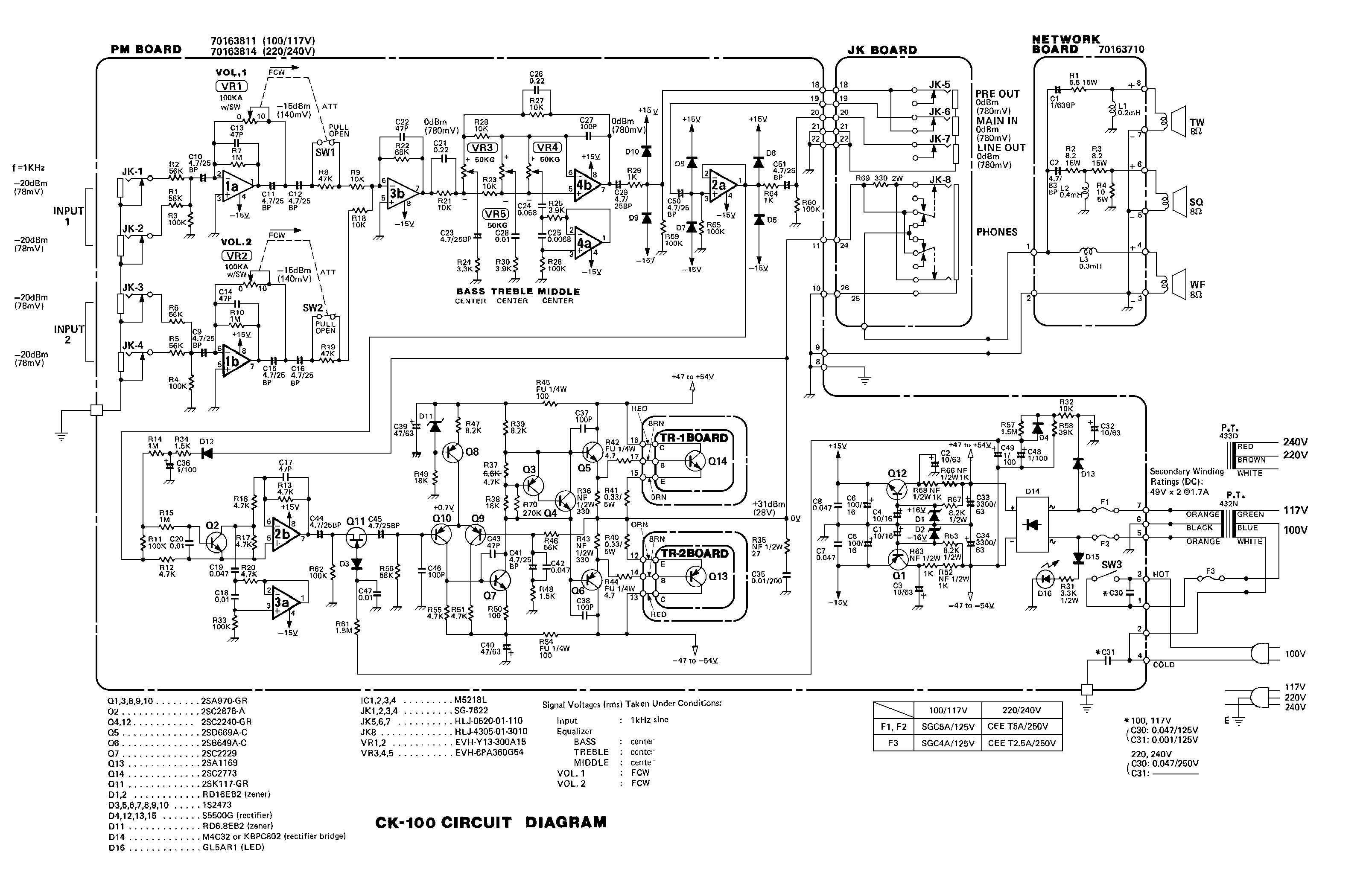
From schematiclibfurst.z13.web.core.windows.net
Usb Keyboard Circuit Diagram Keyboard Amp Circuit a keyboard amp schematic diagram is a visual representation of the electrical circuit of a keyboard amplifier. a keyboard amp schematic diagram is a visual representation of the electrical circuit of a keyboard amplifier. if you want stellar control over your keyboard’s sound, then a keyboard amp is an absolute essential. in many respects a keyboard. Keyboard Amp Circuit.
From www.bax-shop.co.uk
How to Connect Your Keyboard to an Amplifier or Mixer Keyboard Amp Circuit in many respects a keyboard amp is pretty easy, it's just a linear high quality amp, a pa is ideal for it. a keyboard amp schematic diagram is a visual representation of the electrical circuit of a keyboard amplifier. check out the keyboard amplifier quickstart guide page at sweetwater — the world's leading music technology and instrument. Keyboard Amp Circuit.
From evolutionmusicstore.com
Roland KC500 Keyboard Amplifier Evolution Music Keyboard Amp Circuit if you want stellar control over your keyboard’s sound, then a keyboard amp is an absolute essential. a keyboard amp schematic diagram is a visual representation of the electrical circuitry and components that make up a keyboard amplifier. a keyboard amp schematic diagram is a visual representation of the electrical circuit of a keyboard amplifier. in. Keyboard Amp Circuit.
From www.gear4music.ie
Roland KC400 Keyboard Amplifier at Gear4music Keyboard Amp Circuit a keyboard amp schematic diagram is a visual representation of the electrical circuit of a keyboard amplifier. a keyboard amp schematic diagram is a visual representation of the electrical circuit of a keyboard amplifier. check out the keyboard amplifier quickstart guide page at sweetwater — the world's leading music technology and instrument retailer! if you want. Keyboard Amp Circuit.
From www.pinterest.fr
Pin on Electrical Keyboard Amp Circuit a keyboard amp schematic diagram is a visual representation of the electrical circuit of a keyboard amplifier. in many respects a keyboard amp is pretty easy, it's just a linear high quality amp, a pa is ideal for it. a keyboard amp schematic diagram is a visual representation of the electrical circuit of a keyboard amplifier. . Keyboard Amp Circuit.
From www.176iot.com
Pc Keyboard Circuit Diagram IOT Wiring Diagram Keyboard Amp Circuit in many respects a keyboard amp is pretty easy, it's just a linear high quality amp, a pa is ideal for it. a keyboard amp schematic diagram is a visual representation of the electrical circuit of a keyboard amplifier. a keyboard amp schematic diagram is a visual representation of the electrical circuit of a keyboard amplifier. . Keyboard Amp Circuit.
From primesound.org
5 Best Keyboard Amps/Speakers Reviewed In Detail [Aug. 2024] Keyboard Amp Circuit a keyboard amp schematic diagram is a visual representation of the electrical circuit of a keyboard amplifier. a keyboard amp schematic diagram is a visual representation of the electrical circuitry and components that make up a keyboard amplifier. in many respects a keyboard amp is pretty easy, it's just a linear high quality amp, a pa is. Keyboard Amp Circuit.
From skemaamplifier11.blogspot.com
Skema Amplifier Keyboard Keyboard Amp Circuit a keyboard amp schematic diagram is a visual representation of the electrical circuit of a keyboard amplifier. a keyboard amp schematic diagram is a visual representation of the electrical circuitry and components that make up a keyboard amplifier. in many respects a keyboard amp is pretty easy, it's just a linear high quality amp, a pa is. Keyboard Amp Circuit.
From www.gawvi.com
Powered Speaker for Keyboard Questions and Tips Gawvi Keyboard Amp Circuit a keyboard amp schematic diagram is a visual representation of the electrical circuitry and components that make up a keyboard amplifier. a keyboard amp schematic diagram is a visual representation of the electrical circuit of a keyboard amplifier. if you want stellar control over your keyboard’s sound, then a keyboard amp is an absolute essential. check. Keyboard Amp Circuit.
From amplifiercircuit.net
audio amplifier with bass and treble control Archives Amplifier Keyboard Amp Circuit check out the keyboard amplifier quickstart guide page at sweetwater — the world's leading music technology and instrument retailer! if you want stellar control over your keyboard’s sound, then a keyboard amp is an absolute essential. a keyboard amp schematic diagram is a visual representation of the electrical circuitry and components that make up a keyboard amplifier.. Keyboard Amp Circuit.
From electronicshelponline.blogspot.com
NAD C320BEE STEREO AMP SCHEMATIC [Circuit Diagram] Electro help Keyboard Amp Circuit a keyboard amp schematic diagram is a visual representation of the electrical circuit of a keyboard amplifier. if you want stellar control over your keyboard’s sound, then a keyboard amp is an absolute essential. check out the keyboard amplifier quickstart guide page at sweetwater — the world's leading music technology and instrument retailer! a keyboard amp. Keyboard Amp Circuit.
From www.bhphotovideo.com
Roland Announces Latest Keyboard Amplifiers and Drum Monitors B&H Explora Keyboard Amp Circuit a keyboard amp schematic diagram is a visual representation of the electrical circuit of a keyboard amplifier. a keyboard amp schematic diagram is a visual representation of the electrical circuitry and components that make up a keyboard amplifier. in many respects a keyboard amp is pretty easy, it's just a linear high quality amp, a pa is. Keyboard Amp Circuit.
From learnlearn.uk
How do keyboards work? IGCSE Computer Science Keyboard Amp Circuit a keyboard amp schematic diagram is a visual representation of the electrical circuit of a keyboard amplifier. check out the keyboard amplifier quickstart guide page at sweetwater — the world's leading music technology and instrument retailer! in many respects a keyboard amp is pretty easy, it's just a linear high quality amp, a pa is ideal for. Keyboard Amp Circuit.
From www.gear4music.com
Roland KC220 Battery Powered Keyboard Amplifier at Gear4music Keyboard Amp Circuit a keyboard amp schematic diagram is a visual representation of the electrical circuit of a keyboard amplifier. a keyboard amp schematic diagram is a visual representation of the electrical circuitry and components that make up a keyboard amplifier. in many respects a keyboard amp is pretty easy, it's just a linear high quality amp, a pa is. Keyboard Amp Circuit.
From evolutionmusicstore.com
Roland Cube 60 Keyboard Amplifier Evolution Music Keyboard Amp Circuit a keyboard amp schematic diagram is a visual representation of the electrical circuit of a keyboard amplifier. check out the keyboard amplifier quickstart guide page at sweetwater — the world's leading music technology and instrument retailer! a keyboard amp schematic diagram is a visual representation of the electrical circuit of a keyboard amplifier. in many respects. Keyboard Amp Circuit.
From electrotechnician.blogspot.com
Electrotechnician Casio CTK650 ELECTRONIC KEYBOARD circuit diagram Keyboard Amp Circuit in many respects a keyboard amp is pretty easy, it's just a linear high quality amp, a pa is ideal for it. if you want stellar control over your keyboard’s sound, then a keyboard amp is an absolute essential. check out the keyboard amplifier quickstart guide page at sweetwater — the world's leading music technology and instrument. Keyboard Amp Circuit.
From www.youtube.com
6 Best Keyboard Amplifiers 2017 YouTube Keyboard Amp Circuit in many respects a keyboard amp is pretty easy, it's just a linear high quality amp, a pa is ideal for it. check out the keyboard amplifier quickstart guide page at sweetwater — the world's leading music technology and instrument retailer! a keyboard amp schematic diagram is a visual representation of the electrical circuit of a keyboard. Keyboard Amp Circuit.
From www.next.gr
BBC Model B Keyboard Circuit under Repositorycircuits 43899 Next.gr Keyboard Amp Circuit if you want stellar control over your keyboard’s sound, then a keyboard amp is an absolute essential. in many respects a keyboard amp is pretty easy, it's just a linear high quality amp, a pa is ideal for it. a keyboard amp schematic diagram is a visual representation of the electrical circuitry and components that make up. Keyboard Amp Circuit.
From dxowufood.blob.core.windows.net
How To Use Amplifier With Keyboard at Dorthy Modica blog Keyboard Amp Circuit in many respects a keyboard amp is pretty easy, it's just a linear high quality amp, a pa is ideal for it. a keyboard amp schematic diagram is a visual representation of the electrical circuit of a keyboard amplifier. a keyboard amp schematic diagram is a visual representation of the electrical circuitry and components that make up. Keyboard Amp Circuit.
From wiring.hpricorpcom.com
Mechanical Keyboard Wiring Diagram Wiring Diagram and Schematic Keyboard Amp Circuit if you want stellar control over your keyboard’s sound, then a keyboard amp is an absolute essential. check out the keyboard amplifier quickstart guide page at sweetwater — the world's leading music technology and instrument retailer! a keyboard amp schematic diagram is a visual representation of the electrical circuit of a keyboard amplifier. in many respects. Keyboard Amp Circuit.
From el34world.com
Roland Schematics Tube amp Schematics Keyboard Amp Circuit in many respects a keyboard amp is pretty easy, it's just a linear high quality amp, a pa is ideal for it. a keyboard amp schematic diagram is a visual representation of the electrical circuit of a keyboard amplifier. a keyboard amp schematic diagram is a visual representation of the electrical circuitry and components that make up. Keyboard Amp Circuit.
From technofaq.org
A helpful guide to help you choose keyboard amplifiers Techno FAQ Keyboard Amp Circuit a keyboard amp schematic diagram is a visual representation of the electrical circuitry and components that make up a keyboard amplifier. a keyboard amp schematic diagram is a visual representation of the electrical circuit of a keyboard amplifier. a keyboard amp schematic diagram is a visual representation of the electrical circuit of a keyboard amplifier. in. Keyboard Amp Circuit.
From www.edaboard.com
Amplifier for a keyboard instrument Keyboard Amp Circuit a keyboard amp schematic diagram is a visual representation of the electrical circuit of a keyboard amplifier. in many respects a keyboard amp is pretty easy, it's just a linear high quality amp, a pa is ideal for it. if you want stellar control over your keyboard’s sound, then a keyboard amp is an absolute essential. . Keyboard Amp Circuit.
From www.reddit.com
Keyboard amplifier popping while in use and during power on and power Keyboard Amp Circuit if you want stellar control over your keyboard’s sound, then a keyboard amp is an absolute essential. in many respects a keyboard amp is pretty easy, it's just a linear high quality amp, a pa is ideal for it. a keyboard amp schematic diagram is a visual representation of the electrical circuitry and components that make up. Keyboard Amp Circuit.
From www.zpag.net
Electronic piano circuit BA546 Keyboard Amp Circuit a keyboard amp schematic diagram is a visual representation of the electrical circuit of a keyboard amplifier. if you want stellar control over your keyboard’s sound, then a keyboard amp is an absolute essential. a keyboard amp schematic diagram is a visual representation of the electrical circuitry and components that make up a keyboard amplifier. a. Keyboard Amp Circuit.
From www.etechnog.com
A simple Homemade Audio Amplifier Circuit Diagram (3040 Watt) ETechnoG Keyboard Amp Circuit check out the keyboard amplifier quickstart guide page at sweetwater — the world's leading music technology and instrument retailer! a keyboard amp schematic diagram is a visual representation of the electrical circuit of a keyboard amplifier. in many respects a keyboard amp is pretty easy, it's just a linear high quality amp, a pa is ideal for. Keyboard Amp Circuit.
From www.guitarcenter.com
Motion Sound KP10008 Simple Keyboard Amplifier Guitar Center Keyboard Amp Circuit in many respects a keyboard amp is pretty easy, it's just a linear high quality amp, a pa is ideal for it. a keyboard amp schematic diagram is a visual representation of the electrical circuitry and components that make up a keyboard amplifier. a keyboard amp schematic diagram is a visual representation of the electrical circuit of. Keyboard Amp Circuit.
From theguitarjunky.com
10 Best Keyboard Amplifiers in 2024 (Reviews) Keyboard Amp Circuit check out the keyboard amplifier quickstart guide page at sweetwater — the world's leading music technology and instrument retailer! a keyboard amp schematic diagram is a visual representation of the electrical circuit of a keyboard amplifier. a keyboard amp schematic diagram is a visual representation of the electrical circuit of a keyboard amplifier. a keyboard amp. Keyboard Amp Circuit.
From www.circuitdiagram.co
Computer Keyboard Circuit Diagram Circuit Diagram Keyboard Amp Circuit in many respects a keyboard amp is pretty easy, it's just a linear high quality amp, a pa is ideal for it. a keyboard amp schematic diagram is a visual representation of the electrical circuitry and components that make up a keyboard amplifier. check out the keyboard amplifier quickstart guide page at sweetwater — the world's leading. Keyboard Amp Circuit.
From www.coastalmusic.com.au
Laney Ah150 W Keyboard Amplifier Keyboard Amp Circuit a keyboard amp schematic diagram is a visual representation of the electrical circuit of a keyboard amplifier. a keyboard amp schematic diagram is a visual representation of the electrical circuitry and components that make up a keyboard amplifier. in many respects a keyboard amp is pretty easy, it's just a linear high quality amp, a pa is. Keyboard Amp Circuit.
From www.aliexpress.com
10PCS KA2206 DIP12 KA2206B DIP new and original IC Keyboard amp block Keyboard Amp Circuit a keyboard amp schematic diagram is a visual representation of the electrical circuit of a keyboard amplifier. check out the keyboard amplifier quickstart guide page at sweetwater — the world's leading music technology and instrument retailer! in many respects a keyboard amp is pretty easy, it's just a linear high quality amp, a pa is ideal for. Keyboard Amp Circuit.
From schematicpartclaudia.z19.web.core.windows.net
Audio Preamp Circuit Diagram Keyboard Amp Circuit if you want stellar control over your keyboard’s sound, then a keyboard amp is an absolute essential. a keyboard amp schematic diagram is a visual representation of the electrical circuit of a keyboard amplifier. check out the keyboard amplifier quickstart guide page at sweetwater — the world's leading music technology and instrument retailer! a keyboard amp. Keyboard Amp Circuit.
From wiring.hpricorpcom.com
Pc Keyboard Wiring Schematic Wiring Diagram and Schematic Keyboard Amp Circuit a keyboard amp schematic diagram is a visual representation of the electrical circuitry and components that make up a keyboard amplifier. check out the keyboard amplifier quickstart guide page at sweetwater — the world's leading music technology and instrument retailer! in many respects a keyboard amp is pretty easy, it's just a linear high quality amp, a. Keyboard Amp Circuit.
From www.seekic.com
Keyboard input circuit Amplifier_Circuit Circuit Diagram Keyboard Amp Circuit if you want stellar control over your keyboard’s sound, then a keyboard amp is an absolute essential. in many respects a keyboard amp is pretty easy, it's just a linear high quality amp, a pa is ideal for it. a keyboard amp schematic diagram is a visual representation of the electrical circuit of a keyboard amplifier. . Keyboard Amp Circuit.