How To Replace A Usb Connector . in this tutorial, i want to show how to repair broken usb cables. in this video i have explained the process of repairing usb cable connector. I know where the problem area is (if you don't know try wiggling the wires and see what happens). In particular, it is shown how to repair a micro usb cables including the data. with a multimeter, check that the pads are not in contact, either from overflowing solder or from loose wires. Cut off & cut open. fixing a broken usb port with basic tools. Often usb cable connector damaged and.
from www.youtube.com
Often usb cable connector damaged and. Cut off & cut open. In particular, it is shown how to repair a micro usb cables including the data. with a multimeter, check that the pads are not in contact, either from overflowing solder or from loose wires. fixing a broken usb port with basic tools. in this video i have explained the process of repairing usb cable connector. in this tutorial, i want to show how to repair broken usb cables. I know where the problem area is (if you don't know try wiggling the wires and see what happens).
How to Repair USB Cable YouTube
How To Replace A Usb Connector I know where the problem area is (if you don't know try wiggling the wires and see what happens). with a multimeter, check that the pads are not in contact, either from overflowing solder or from loose wires. In particular, it is shown how to repair a micro usb cables including the data. in this tutorial, i want to show how to repair broken usb cables. Cut off & cut open. fixing a broken usb port with basic tools. I know where the problem area is (if you don't know try wiggling the wires and see what happens). in this video i have explained the process of repairing usb cable connector. Often usb cable connector damaged and.
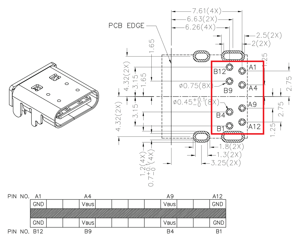
From pcbartists.com
How to replace microUSB with USBC , with examples How To Replace A Usb Connector In particular, it is shown how to repair a micro usb cables including the data. in this video i have explained the process of repairing usb cable connector. in this tutorial, i want to show how to repair broken usb cables. Cut off & cut open. I know where the problem area is (if you don't know try. How To Replace A Usb Connector.
From wiki.bambulab.com
Replace the USBC cable Bambu Lab Wiki How To Replace A Usb Connector in this tutorial, i want to show how to repair broken usb cables. Cut off & cut open. with a multimeter, check that the pads are not in contact, either from overflowing solder or from loose wires. In particular, it is shown how to repair a micro usb cables including the data. fixing a broken usb port. How To Replace A Usb Connector.
From fbicomplaints.blogspot.com
[11+] How To Connect Wires In A Circuit, Connect Usb Cable To Usb How To Replace A Usb Connector in this tutorial, i want to show how to repair broken usb cables. Cut off & cut open. In particular, it is shown how to repair a micro usb cables including the data. I know where the problem area is (if you don't know try wiggling the wires and see what happens). with a multimeter, check that the. How To Replace A Usb Connector.
From www.walmart.com
20PCS USB 3.0 Type A Male Socket Connector Jack Port, 9Pin 180 Degree How To Replace A Usb Connector with a multimeter, check that the pads are not in contact, either from overflowing solder or from loose wires. fixing a broken usb port with basic tools. in this video i have explained the process of repairing usb cable connector. I know where the problem area is (if you don't know try wiggling the wires and see. How To Replace A Usb Connector.
From www.walmart.com
30 PCS Micro USB Female Socket Connector Jack Port 5Pin DIP 180 Degree How To Replace A Usb Connector In particular, it is shown how to repair a micro usb cables including the data. in this tutorial, i want to show how to repair broken usb cables. Often usb cable connector damaged and. in this video i have explained the process of repairing usb cable connector. Cut off & cut open. I know where the problem area. How To Replace A Usb Connector.
From userlibrarywinkel.z19.web.core.windows.net
Wiring A Usb Connector How To Replace A Usb Connector with a multimeter, check that the pads are not in contact, either from overflowing solder or from loose wires. Cut off & cut open. Often usb cable connector damaged and. I know where the problem area is (if you don't know try wiggling the wires and see what happens). in this tutorial, i want to show how to. How To Replace A Usb Connector.
From saisa.eu
Fixing USB cable (when not replaceable) Guidance (archived) How To Replace A Usb Connector Cut off & cut open. fixing a broken usb port with basic tools. In particular, it is shown how to repair a micro usb cables including the data. in this tutorial, i want to show how to repair broken usb cables. I know where the problem area is (if you don't know try wiggling the wires and see. How To Replace A Usb Connector.
From 9to5answer.com
[Solved] Howto repair broken USBC Power Delivery cable? 9to5Answer How To Replace A Usb Connector Cut off & cut open. In particular, it is shown how to repair a micro usb cables including the data. with a multimeter, check that the pads are not in contact, either from overflowing solder or from loose wires. I know where the problem area is (if you don't know try wiggling the wires and see what happens). . How To Replace A Usb Connector.
From schematiclistkoenig.z19.web.core.windows.net
Usb Connector Wiring Schematic How To Replace A Usb Connector with a multimeter, check that the pads are not in contact, either from overflowing solder or from loose wires. I know where the problem area is (if you don't know try wiggling the wires and see what happens). In particular, it is shown how to repair a micro usb cables including the data. Cut off & cut open. Often. How To Replace A Usb Connector.
From pcbartists.com
How to replace microUSB with USBC PCB Artists How To Replace A Usb Connector Cut off & cut open. with a multimeter, check that the pads are not in contact, either from overflowing solder or from loose wires. In particular, it is shown how to repair a micro usb cables including the data. fixing a broken usb port with basic tools. in this tutorial, i want to show how to repair. How To Replace A Usb Connector.
From pcbartists.com
How to replace microUSB with USBC PCB Artists How To Replace A Usb Connector Cut off & cut open. in this tutorial, i want to show how to repair broken usb cables. Often usb cable connector damaged and. I know where the problem area is (if you don't know try wiggling the wires and see what happens). fixing a broken usb port with basic tools. In particular, it is shown how to. How To Replace A Usb Connector.
From brexlink.com
Micro USB to USB C Adapter, BrexLink USB Type C Adapter Convert How To Replace A Usb Connector In particular, it is shown how to repair a micro usb cables including the data. Cut off & cut open. in this tutorial, i want to show how to repair broken usb cables. Often usb cable connector damaged and. fixing a broken usb port with basic tools. with a multimeter, check that the pads are not in. How To Replace A Usb Connector.
From pcbartists.com
How to replace microUSB with USBC , with examples How To Replace A Usb Connector In particular, it is shown how to repair a micro usb cables including the data. in this tutorial, i want to show how to repair broken usb cables. in this video i have explained the process of repairing usb cable connector. I know where the problem area is (if you don't know try wiggling the wires and see. How To Replace A Usb Connector.
From www.alibaba.com
Usb 3.1 Plug Type C Male Connector 24pin Vertical Smt Usb C Receptacle How To Replace A Usb Connector in this video i have explained the process of repairing usb cable connector. with a multimeter, check that the pads are not in contact, either from overflowing solder or from loose wires. fixing a broken usb port with basic tools. In particular, it is shown how to repair a micro usb cables including the data. Often usb. How To Replace A Usb Connector.
From ifuturetech.org
USB 2.0 TYPE A MALE USB 4 PIN PLUG SOCKET CONNECTOR WITH COVER How To Replace A Usb Connector fixing a broken usb port with basic tools. Cut off & cut open. with a multimeter, check that the pads are not in contact, either from overflowing solder or from loose wires. I know where the problem area is (if you don't know try wiggling the wires and see what happens). Often usb cable connector damaged and. . How To Replace A Usb Connector.
From arstechnica.com
A brief history of USB, what it replaced, and what has failed to How To Replace A Usb Connector In particular, it is shown how to repair a micro usb cables including the data. Often usb cable connector damaged and. in this tutorial, i want to show how to repair broken usb cables. fixing a broken usb port with basic tools. Cut off & cut open. I know where the problem area is (if you don't know. How To Replace A Usb Connector.
From www.youtube.com
FIXIT USB CONNECTOR YouTube How To Replace A Usb Connector Often usb cable connector damaged and. fixing a broken usb port with basic tools. with a multimeter, check that the pads are not in contact, either from overflowing solder or from loose wires. Cut off & cut open. I know where the problem area is (if you don't know try wiggling the wires and see what happens). In. How To Replace A Usb Connector.
From www.aclassclub.co.uk
How to replace usb port Mercedes AClass Forum How To Replace A Usb Connector Often usb cable connector damaged and. in this video i have explained the process of repairing usb cable connector. in this tutorial, i want to show how to repair broken usb cables. with a multimeter, check that the pads are not in contact, either from overflowing solder or from loose wires. I know where the problem area. How To Replace A Usb Connector.
From ubicaciondepersonas.cdmx.gob.mx
Micro USB Male Port Connector, Conwork 10Pack Straight Jack Solder How To Replace A Usb Connector I know where the problem area is (if you don't know try wiggling the wires and see what happens). Cut off & cut open. In particular, it is shown how to repair a micro usb cables including the data. with a multimeter, check that the pads are not in contact, either from overflowing solder or from loose wires. . How To Replace A Usb Connector.
From www.youtube.com
How to Repair USB Cable YouTube How To Replace A Usb Connector with a multimeter, check that the pads are not in contact, either from overflowing solder or from loose wires. Cut off & cut open. in this video i have explained the process of repairing usb cable connector. fixing a broken usb port with basic tools. Often usb cable connector damaged and. I know where the problem area. How To Replace A Usb Connector.
From www.pinterest.com
Guide to replace USB charge connector Gadgetronicx Black And White How To Replace A Usb Connector with a multimeter, check that the pads are not in contact, either from overflowing solder or from loose wires. in this video i have explained the process of repairing usb cable connector. I know where the problem area is (if you don't know try wiggling the wires and see what happens). in this tutorial, i want to. How To Replace A Usb Connector.
From www.youtube.com
How to replace USB and Bind Connector on an Xbox One X motherboard How To Replace A Usb Connector I know where the problem area is (if you don't know try wiggling the wires and see what happens). Often usb cable connector damaged and. Cut off & cut open. in this video i have explained the process of repairing usb cable connector. In particular, it is shown how to repair a micro usb cables including the data. . How To Replace A Usb Connector.
From www.gadgetronicx.com
Guide to replace USB charge connector Gadgetronicx How To Replace A Usb Connector Cut off & cut open. I know where the problem area is (if you don't know try wiggling the wires and see what happens). in this tutorial, i want to show how to repair broken usb cables. Often usb cable connector damaged and. fixing a broken usb port with basic tools. in this video i have explained. How To Replace A Usb Connector.
From hoken-bridge.jp
Home & Garden 10 Plug Port Connector Socket PCB Replacement For USB How To Replace A Usb Connector with a multimeter, check that the pads are not in contact, either from overflowing solder or from loose wires. I know where the problem area is (if you don't know try wiggling the wires and see what happens). In particular, it is shown how to repair a micro usb cables including the data. Cut off & cut open. . How To Replace A Usb Connector.
From www.walmart.ca
LINKUP USBC Type Panel Cable Mount Motherboard Header Extension How To Replace A Usb Connector in this tutorial, i want to show how to repair broken usb cables. with a multimeter, check that the pads are not in contact, either from overflowing solder or from loose wires. Often usb cable connector damaged and. fixing a broken usb port with basic tools. Cut off & cut open. I know where the problem area. How To Replace A Usb Connector.
From wiki.bambulab.com
Replace the USBC cable Bambu Lab Wiki How To Replace A Usb Connector with a multimeter, check that the pads are not in contact, either from overflowing solder or from loose wires. in this tutorial, i want to show how to repair broken usb cables. Often usb cable connector damaged and. Cut off & cut open. In particular, it is shown how to repair a micro usb cables including the data.. How To Replace A Usb Connector.
From www.walmart.com
20PCS Micro USB Female Socket Connector Port, 5Pin DIP 180 Degree How To Replace A Usb Connector Cut off & cut open. Often usb cable connector damaged and. In particular, it is shown how to repair a micro usb cables including the data. I know where the problem area is (if you don't know try wiggling the wires and see what happens). in this tutorial, i want to show how to repair broken usb cables. . How To Replace A Usb Connector.
From hoken-bridge.jp
Home & Garden 10 Plug Port Connector Socket PCB Replacement For USB How To Replace A Usb Connector in this video i have explained the process of repairing usb cable connector. in this tutorial, i want to show how to repair broken usb cables. fixing a broken usb port with basic tools. Often usb cable connector damaged and. I know where the problem area is (if you don't know try wiggling the wires and see. How To Replace A Usb Connector.
From www.aiophotoz.com
Micro Usb Cable Pinout Images and Photos finder How To Replace A Usb Connector Often usb cable connector damaged and. In particular, it is shown how to repair a micro usb cables including the data. Cut off & cut open. I know where the problem area is (if you don't know try wiggling the wires and see what happens). fixing a broken usb port with basic tools. in this tutorial, i want. How To Replace A Usb Connector.
From www.aliexpress.com
10pcs Replacement Micro Usb Jack Charging Port Micro Usb Connector How To Replace A Usb Connector Often usb cable connector damaged and. with a multimeter, check that the pads are not in contact, either from overflowing solder or from loose wires. in this tutorial, i want to show how to repair broken usb cables. Cut off & cut open. in this video i have explained the process of repairing usb cable connector. . How To Replace A Usb Connector.
From www.mschoeffler.de
[Tutorial] How to repair broken USB cables (Micro USB including data How To Replace A Usb Connector in this tutorial, i want to show how to repair broken usb cables. Often usb cable connector damaged and. in this video i have explained the process of repairing usb cable connector. Cut off & cut open. In particular, it is shown how to repair a micro usb cables including the data. I know where the problem area. How To Replace A Usb Connector.
From mschoeffler.com
[Tutorial] How to repair broken USB cables (Micro USB including data How To Replace A Usb Connector Cut off & cut open. I know where the problem area is (if you don't know try wiggling the wires and see what happens). in this tutorial, i want to show how to repair broken usb cables. fixing a broken usb port with basic tools. Often usb cable connector damaged and. with a multimeter, check that the. How To Replace A Usb Connector.
From www.desertcart.ae
USB 3.0 9Pin Male Port Connector, Conwork 10Pack Straight Jack Solder How To Replace A Usb Connector In particular, it is shown how to repair a micro usb cables including the data. in this tutorial, i want to show how to repair broken usb cables. Often usb cable connector damaged and. fixing a broken usb port with basic tools. in this video i have explained the process of repairing usb cable connector. I know. How To Replace A Usb Connector.
From www.facebook.com
How to replace usb connectorcharging jack replacement How to How To Replace A Usb Connector in this tutorial, i want to show how to repair broken usb cables. Cut off & cut open. In particular, it is shown how to repair a micro usb cables including the data. Often usb cable connector damaged and. with a multimeter, check that the pads are not in contact, either from overflowing solder or from loose wires.. How To Replace A Usb Connector.
From picclick.com
NEW REPLACEMENT USB 3.0 Port Jack Socket Connector for HP Envy 15AE How To Replace A Usb Connector with a multimeter, check that the pads are not in contact, either from overflowing solder or from loose wires. Cut off & cut open. in this video i have explained the process of repairing usb cable connector. I know where the problem area is (if you don't know try wiggling the wires and see what happens). fixing. How To Replace A Usb Connector.