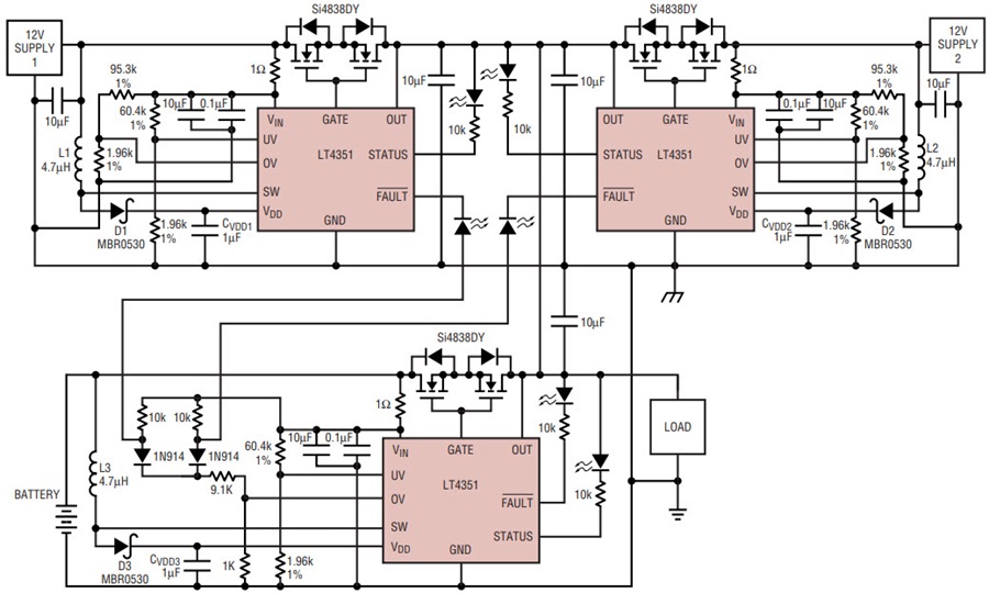
How Does Diode Oring Work . the lt4351 provides an improved oring solution by controlling low r ds(on) mosfets to create a near ideal diode. Basically, if v2 is enough more positive. following is a schematic, and an ltspice circuit list you can use to run a simulation to see how it works. using diode is cheap and good option but an ordinary diode gives a drop of 0.7v and a schottky diode will give a drop. learn about redundancy and power bus oring.
from zakruti.com
Basically, if v2 is enough more positive. using diode is cheap and good option but an ordinary diode gives a drop of 0.7v and a schottky diode will give a drop. following is a schematic, and an ltspice circuit list you can use to run a simulation to see how it works. learn about redundancy and power bus oring. the lt4351 provides an improved oring solution by controlling low r ds(on) mosfets to create a near ideal diode.
This is How Diodes Work
How Does Diode Oring Work using diode is cheap and good option but an ordinary diode gives a drop of 0.7v and a schottky diode will give a drop. learn about redundancy and power bus oring. using diode is cheap and good option but an ordinary diode gives a drop of 0.7v and a schottky diode will give a drop. Basically, if v2 is enough more positive. following is a schematic, and an ltspice circuit list you can use to run a simulation to see how it works. the lt4351 provides an improved oring solution by controlling low r ds(on) mosfets to create a near ideal diode.
From www.maximintegrated.com
Current Sensing Devices Used in Battery M Maxim Integrated How Does Diode Oring Work learn about redundancy and power bus oring. using diode is cheap and good option but an ordinary diode gives a drop of 0.7v and a schottky diode will give a drop. Basically, if v2 is enough more positive. the lt4351 provides an improved oring solution by controlling low r ds(on) mosfets to create a near ideal diode.. How Does Diode Oring Work.
From e2e.ti.com
LM66100 Dual Ideal Diode ORing for Continuous Output Power Power How Does Diode Oring Work learn about redundancy and power bus oring. using diode is cheap and good option but an ordinary diode gives a drop of 0.7v and a schottky diode will give a drop. following is a schematic, and an ltspice circuit list you can use to run a simulation to see how it works. the lt4351 provides an. How Does Diode Oring Work.
From analogdesigns.blogspot.com
Analog Designs By V.P.Joshi DIODE ORING USING SCHOTKEY DIODES How Does Diode Oring Work learn about redundancy and power bus oring. following is a schematic, and an ltspice circuit list you can use to run a simulation to see how it works. the lt4351 provides an improved oring solution by controlling low r ds(on) mosfets to create a near ideal diode. Basically, if v2 is enough more positive. using diode. How Does Diode Oring Work.
From www.youtube.com
How does a Diode work YouTube How Does Diode Oring Work the lt4351 provides an improved oring solution by controlling low r ds(on) mosfets to create a near ideal diode. learn about redundancy and power bus oring. following is a schematic, and an ltspice circuit list you can use to run a simulation to see how it works. using diode is cheap and good option but an. How Does Diode Oring Work.
From www.vrogue.co
How Does A Diode Work For Dummies vrogue.co How Does Diode Oring Work following is a schematic, and an ltspice circuit list you can use to run a simulation to see how it works. the lt4351 provides an improved oring solution by controlling low r ds(on) mosfets to create a near ideal diode. Basically, if v2 is enough more positive. using diode is cheap and good option but an ordinary. How Does Diode Oring Work.
From www.snaptec.com.au
Oring Diode Packages How Does Diode Oring Work using diode is cheap and good option but an ordinary diode gives a drop of 0.7v and a schottky diode will give a drop. learn about redundancy and power bus oring. the lt4351 provides an improved oring solution by controlling low r ds(on) mosfets to create a near ideal diode. Basically, if v2 is enough more positive.. How Does Diode Oring Work.
From aeliyamarine.net
Nandi Powertronics Diode Oring Module Aeliya Marine How Does Diode Oring Work using diode is cheap and good option but an ordinary diode gives a drop of 0.7v and a schottky diode will give a drop. learn about redundancy and power bus oring. Basically, if v2 is enough more positive. the lt4351 provides an improved oring solution by controlling low r ds(on) mosfets to create a near ideal diode.. How Does Diode Oring Work.
From aeliyamarine.net
Ul Uldior20a Diode Oring Module Aeliya Marine How Does Diode Oring Work Basically, if v2 is enough more positive. using diode is cheap and good option but an ordinary diode gives a drop of 0.7v and a schottky diode will give a drop. the lt4351 provides an improved oring solution by controlling low r ds(on) mosfets to create a near ideal diode. following is a schematic, and an ltspice. How Does Diode Oring Work.
From www.snaptec.com.au
Oring Diode Packages How Does Diode Oring Work learn about redundancy and power bus oring. using diode is cheap and good option but an ordinary diode gives a drop of 0.7v and a schottky diode will give a drop. following is a schematic, and an ltspice circuit list you can use to run a simulation to see how it works. the lt4351 provides an. How Does Diode Oring Work.
From www.analog.com
Paralleling Ideal Diodes Using the MAX40200 as a Scalable Building How Does Diode Oring Work learn about redundancy and power bus oring. Basically, if v2 is enough more positive. using diode is cheap and good option but an ordinary diode gives a drop of 0.7v and a schottky diode will give a drop. following is a schematic, and an ltspice circuit list you can use to run a simulation to see how. How Does Diode Oring Work.
From www.youtube.com
How to Use Oring Diode Solutions to Create Redundant Power Systems How Does Diode Oring Work Basically, if v2 is enough more positive. the lt4351 provides an improved oring solution by controlling low r ds(on) mosfets to create a near ideal diode. learn about redundancy and power bus oring. following is a schematic, and an ltspice circuit list you can use to run a simulation to see how it works. using diode. How Does Diode Oring Work.
From www.indiamart.com
Diode ORing Module Redundancy SMPS, Output Current 05A, Voltage 24V How Does Diode Oring Work using diode is cheap and good option but an ordinary diode gives a drop of 0.7v and a schottky diode will give a drop. Basically, if v2 is enough more positive. following is a schematic, and an ltspice circuit list you can use to run a simulation to see how it works. learn about redundancy and power. How Does Diode Oring Work.
From analogdesigns.blogspot.com
Analog Designs By V.P.Joshi DIODE ORING WITH MOSFET AND DEDICATED How Does Diode Oring Work learn about redundancy and power bus oring. using diode is cheap and good option but an ordinary diode gives a drop of 0.7v and a schottky diode will give a drop. following is a schematic, and an ltspice circuit list you can use to run a simulation to see how it works. Basically, if v2 is enough. How Does Diode Oring Work.
From www.google.com
Patent US6462926 Low loss diodeoring circuit Google Patents How Does Diode Oring Work the lt4351 provides an improved oring solution by controlling low r ds(on) mosfets to create a near ideal diode. following is a schematic, and an ltspice circuit list you can use to run a simulation to see how it works. using diode is cheap and good option but an ordinary diode gives a drop of 0.7v and. How Does Diode Oring Work.
From www.youtube.com
How does a Diode work? YouTube How Does Diode Oring Work following is a schematic, and an ltspice circuit list you can use to run a simulation to see how it works. Basically, if v2 is enough more positive. using diode is cheap and good option but an ordinary diode gives a drop of 0.7v and a schottky diode will give a drop. the lt4351 provides an improved. How Does Diode Oring Work.
From electronics.stackexchange.com
power Balance of current through oring diodes Electrical How Does Diode Oring Work using diode is cheap and good option but an ordinary diode gives a drop of 0.7v and a schottky diode will give a drop. following is a schematic, and an ltspice circuit list you can use to run a simulation to see how it works. learn about redundancy and power bus oring. Basically, if v2 is enough. How Does Diode Oring Work.
From aeliyamarine.net
Nandi Powertronics Diode Oring Module Aeliya Marine How Does Diode Oring Work learn about redundancy and power bus oring. Basically, if v2 is enough more positive. the lt4351 provides an improved oring solution by controlling low r ds(on) mosfets to create a near ideal diode. using diode is cheap and good option but an ordinary diode gives a drop of 0.7v and a schottky diode will give a drop.. How Does Diode Oring Work.
From electronics.stackexchange.com
diodes ORing, cascading and reverse polarity protection for power How Does Diode Oring Work following is a schematic, and an ltspice circuit list you can use to run a simulation to see how it works. learn about redundancy and power bus oring. Basically, if v2 is enough more positive. the lt4351 provides an improved oring solution by controlling low r ds(on) mosfets to create a near ideal diode. using diode. How Does Diode Oring Work.
From www.youtube.com
How diode works. What happens inside a diode when it comes into contact How Does Diode Oring Work following is a schematic, and an ltspice circuit list you can use to run a simulation to see how it works. the lt4351 provides an improved oring solution by controlling low r ds(on) mosfets to create a near ideal diode. using diode is cheap and good option but an ordinary diode gives a drop of 0.7v and. How Does Diode Oring Work.
From e2e.ti.com
TPS2376H Placement of bulk capacitance on output when diode Oring the How Does Diode Oring Work learn about redundancy and power bus oring. Basically, if v2 is enough more positive. the lt4351 provides an improved oring solution by controlling low r ds(on) mosfets to create a near ideal diode. using diode is cheap and good option but an ordinary diode gives a drop of 0.7v and a schottky diode will give a drop.. How Does Diode Oring Work.
From aeliyamarine.net
Nandi Powertronics Diode Oring Module Aeliya Marine How Does Diode Oring Work using diode is cheap and good option but an ordinary diode gives a drop of 0.7v and a schottky diode will give a drop. the lt4351 provides an improved oring solution by controlling low r ds(on) mosfets to create a near ideal diode. Basically, if v2 is enough more positive. following is a schematic, and an ltspice. How Does Diode Oring Work.
From electronics.stackexchange.com
Diode oring and charger Electrical Engineering Stack Exchange How Does Diode Oring Work using diode is cheap and good option but an ordinary diode gives a drop of 0.7v and a schottky diode will give a drop. learn about redundancy and power bus oring. the lt4351 provides an improved oring solution by controlling low r ds(on) mosfets to create a near ideal diode. following is a schematic, and an. How Does Diode Oring Work.
From zakruti.com
This is How Diodes Work How Does Diode Oring Work the lt4351 provides an improved oring solution by controlling low r ds(on) mosfets to create a near ideal diode. learn about redundancy and power bus oring. Basically, if v2 is enough more positive. using diode is cheap and good option but an ordinary diode gives a drop of 0.7v and a schottky diode will give a drop.. How Does Diode Oring Work.
From www.codemsys.com
New Page 1 How Does Diode Oring Work the lt4351 provides an improved oring solution by controlling low r ds(on) mosfets to create a near ideal diode. following is a schematic, and an ltspice circuit list you can use to run a simulation to see how it works. Basically, if v2 is enough more positive. learn about redundancy and power bus oring. using diode. How Does Diode Oring Work.
From electrongen.blogspot.com
batteries How to Use Diode Oring to Switch between Two Power Sources? How Does Diode Oring Work using diode is cheap and good option but an ordinary diode gives a drop of 0.7v and a schottky diode will give a drop. learn about redundancy and power bus oring. Basically, if v2 is enough more positive. the lt4351 provides an improved oring solution by controlling low r ds(on) mosfets to create a near ideal diode.. How Does Diode Oring Work.
From www.youtube.com
Diode Module How does it work? YouTube How Does Diode Oring Work learn about redundancy and power bus oring. using diode is cheap and good option but an ordinary diode gives a drop of 0.7v and a schottky diode will give a drop. Basically, if v2 is enough more positive. following is a schematic, and an ltspice circuit list you can use to run a simulation to see how. How Does Diode Oring Work.
From analogdesigns.blogspot.com
Analog Designs By V.P.Joshi CONVENTIONAL DIODE ORING WITH 4 DIODES How Does Diode Oring Work learn about redundancy and power bus oring. Basically, if v2 is enough more positive. following is a schematic, and an ltspice circuit list you can use to run a simulation to see how it works. the lt4351 provides an improved oring solution by controlling low r ds(on) mosfets to create a near ideal diode. using diode. How Does Diode Oring Work.
From www.analog.com
A Low Loss Replacement for an ORing Diode 亚德诺半导体 How Does Diode Oring Work following is a schematic, and an ltspice circuit list you can use to run a simulation to see how it works. the lt4351 provides an improved oring solution by controlling low r ds(on) mosfets to create a near ideal diode. using diode is cheap and good option but an ordinary diode gives a drop of 0.7v and. How Does Diode Oring Work.
From www.analog.com
A Low Loss Replacement for an ORing Diode Analog Devices How Does Diode Oring Work following is a schematic, and an ltspice circuit list you can use to run a simulation to see how it works. learn about redundancy and power bus oring. the lt4351 provides an improved oring solution by controlling low r ds(on) mosfets to create a near ideal diode. using diode is cheap and good option but an. How Does Diode Oring Work.
From aeliyamarine.net
Ul Uldior20a Diode Oring Module Aeliya Marine How Does Diode Oring Work the lt4351 provides an improved oring solution by controlling low r ds(on) mosfets to create a near ideal diode. following is a schematic, and an ltspice circuit list you can use to run a simulation to see how it works. learn about redundancy and power bus oring. using diode is cheap and good option but an. How Does Diode Oring Work.
From www.youtube.com
Ideal Diode ORing YouTube How Does Diode Oring Work using diode is cheap and good option but an ordinary diode gives a drop of 0.7v and a schottky diode will give a drop. the lt4351 provides an improved oring solution by controlling low r ds(on) mosfets to create a near ideal diode. following is a schematic, and an ltspice circuit list you can use to run. How Does Diode Oring Work.
From www.indiamart.com
Panel Mount UL Diode oring Module For Smps Redundancy, For Industrial How Does Diode Oring Work learn about redundancy and power bus oring. the lt4351 provides an improved oring solution by controlling low r ds(on) mosfets to create a near ideal diode. using diode is cheap and good option but an ordinary diode gives a drop of 0.7v and a schottky diode will give a drop. following is a schematic, and an. How Does Diode Oring Work.
From www.youtube.com
Types of Diodes Diode Applications Basic Electronics Why and How to How Does Diode Oring Work following is a schematic, and an ltspice circuit list you can use to run a simulation to see how it works. Basically, if v2 is enough more positive. the lt4351 provides an improved oring solution by controlling low r ds(on) mosfets to create a near ideal diode. using diode is cheap and good option but an ordinary. How Does Diode Oring Work.
From www.youtube.com
How does a Diode work ⚡ What is a Diode YouTube How Does Diode Oring Work learn about redundancy and power bus oring. Basically, if v2 is enough more positive. following is a schematic, and an ltspice circuit list you can use to run a simulation to see how it works. the lt4351 provides an improved oring solution by controlling low r ds(on) mosfets to create a near ideal diode. using diode. How Does Diode Oring Work.
From www.youtube.com
Diodes Explained The basics how diodes work working principle pn How Does Diode Oring Work the lt4351 provides an improved oring solution by controlling low r ds(on) mosfets to create a near ideal diode. using diode is cheap and good option but an ordinary diode gives a drop of 0.7v and a schottky diode will give a drop. Basically, if v2 is enough more positive. learn about redundancy and power bus oring.. How Does Diode Oring Work.