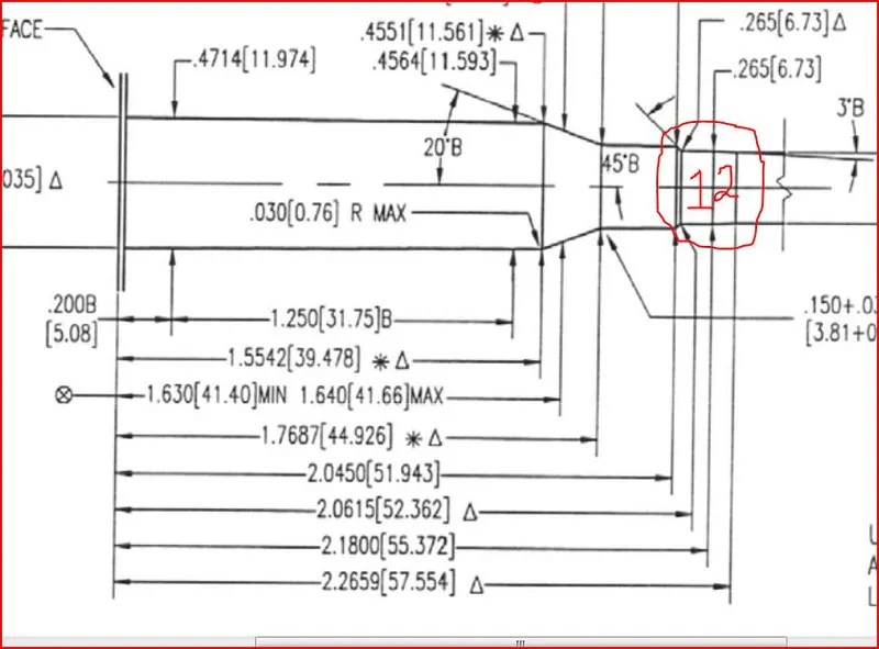
Case Dimensions 6 5 Creedmoor . Hornady loads several hunting rounds for this cartridge as well as offering reloading cases and dies to make your own. This paper will explore 6.5 creedmoor in depth. Newly adopted by the us military, find out why the 6.5 creedmoor rocks. The 6.5 creedmoor is the most popular big game hunting rifle cartridge on the market today. A number of manufacturers produce 6.5 creedmoor cases, including hornady (shown), lapua, and starline. It was released in 2007 by hornady and creedmoor sports. The 6.5 creedmoor is built on the.30 tc case, capitalizing on the short, efficient cartridge principle. It is similar in size to the.260 remington, but that round is. The trim to length is equivalent to the minimum case length. Here you can read about how 6.5 creedmoor came to be, 6.5 creedmoor ballistics,. Cartridges with +p pressures, list both the standard and +p pressure. The rim diameter of the 6.5 cm case.
from rifleshooter.com
The trim to length is equivalent to the minimum case length. It was released in 2007 by hornady and creedmoor sports. Cartridges with +p pressures, list both the standard and +p pressure. The 6.5 creedmoor is the most popular big game hunting rifle cartridge on the market today. It is similar in size to the.260 remington, but that round is. The 6.5 creedmoor is built on the.30 tc case, capitalizing on the short, efficient cartridge principle. Hornady loads several hunting rounds for this cartridge as well as offering reloading cases and dies to make your own. This paper will explore 6.5 creedmoor in depth. A number of manufacturers produce 6.5 creedmoor cases, including hornady (shown), lapua, and starline. Here you can read about how 6.5 creedmoor came to be, 6.5 creedmoor ballistics,.
Lapua 6.5 Creedmoor Brass Forming 6.5 Creedmoor cases from 22250
Case Dimensions 6 5 Creedmoor It is similar in size to the.260 remington, but that round is. A number of manufacturers produce 6.5 creedmoor cases, including hornady (shown), lapua, and starline. Hornady loads several hunting rounds for this cartridge as well as offering reloading cases and dies to make your own. Cartridges with +p pressures, list both the standard and +p pressure. The 6.5 creedmoor is the most popular big game hunting rifle cartridge on the market today. This paper will explore 6.5 creedmoor in depth. The trim to length is equivalent to the minimum case length. The rim diameter of the 6.5 cm case. The 6.5 creedmoor is built on the.30 tc case, capitalizing on the short, efficient cartridge principle. It is similar in size to the.260 remington, but that round is. Here you can read about how 6.5 creedmoor came to be, 6.5 creedmoor ballistics,. It was released in 2007 by hornady and creedmoor sports. Newly adopted by the us military, find out why the 6.5 creedmoor rocks.
From en.wikipedia.org
6.5mm Creedmoor Wikipedia Case Dimensions 6 5 Creedmoor This paper will explore 6.5 creedmoor in depth. Newly adopted by the us military, find out why the 6.5 creedmoor rocks. The trim to length is equivalent to the minimum case length. The 6.5 creedmoor is built on the.30 tc case, capitalizing on the short, efficient cartridge principle. It was released in 2007 by hornady and creedmoor sports. Hornady loads. Case Dimensions 6 5 Creedmoor.
From pdfprof.com
6.5 creedmoor vs 308 Case Dimensions 6 5 Creedmoor It was released in 2007 by hornady and creedmoor sports. It is similar in size to the.260 remington, but that round is. The rim diameter of the 6.5 cm case. The 6.5 creedmoor is built on the.30 tc case, capitalizing on the short, efficient cartridge principle. The 6.5 creedmoor is the most popular big game hunting rifle cartridge on the. Case Dimensions 6 5 Creedmoor.
From reloadingeverything.com
Hornady Modified Case 6.5 Creedmoor ReloadingEverything Case Dimensions 6 5 Creedmoor Newly adopted by the us military, find out why the 6.5 creedmoor rocks. Hornady loads several hunting rounds for this cartridge as well as offering reloading cases and dies to make your own. The 6.5 creedmoor is built on the.30 tc case, capitalizing on the short, efficient cartridge principle. It was released in 2007 by hornady and creedmoor sports. Here. Case Dimensions 6 5 Creedmoor.
From www.reddit.com
6.5 Creedmoor Build before/after r/AR10 Case Dimensions 6 5 Creedmoor The trim to length is equivalent to the minimum case length. Hornady loads several hunting rounds for this cartridge as well as offering reloading cases and dies to make your own. The 6.5 creedmoor is built on the.30 tc case, capitalizing on the short, efficient cartridge principle. Here you can read about how 6.5 creedmoor came to be, 6.5 creedmoor. Case Dimensions 6 5 Creedmoor.
From 308ar.com
6.5 Creedmoor AR Most Accurate AR Caliber 308 AR Case Dimensions 6 5 Creedmoor The 6.5 creedmoor is built on the.30 tc case, capitalizing on the short, efficient cartridge principle. Newly adopted by the us military, find out why the 6.5 creedmoor rocks. Hornady loads several hunting rounds for this cartridge as well as offering reloading cases and dies to make your own. It was released in 2007 by hornady and creedmoor sports. It. Case Dimensions 6 5 Creedmoor.
From www.shootingtimes.com
6.5 Creedmoor vs. 6.5 PRC Which is Better? Shooting Times Case Dimensions 6 5 Creedmoor The trim to length is equivalent to the minimum case length. It was released in 2007 by hornady and creedmoor sports. The rim diameter of the 6.5 cm case. The 6.5 creedmoor is built on the.30 tc case, capitalizing on the short, efficient cartridge principle. The 6.5 creedmoor is the most popular big game hunting rifle cartridge on the market. Case Dimensions 6 5 Creedmoor.
From www.petersoncartridge.com
22 Creedmoor Load Data Case Dimensions 6 5 Creedmoor The 6.5 creedmoor is the most popular big game hunting rifle cartridge on the market today. It was released in 2007 by hornady and creedmoor sports. The trim to length is equivalent to the minimum case length. Hornady loads several hunting rounds for this cartridge as well as offering reloading cases and dies to make your own. A number of. Case Dimensions 6 5 Creedmoor.
From rifleshooter.com
6 Creedmoor Review and load development Case Dimensions 6 5 Creedmoor A number of manufacturers produce 6.5 creedmoor cases, including hornady (shown), lapua, and starline. Cartridges with +p pressures, list both the standard and +p pressure. The rim diameter of the 6.5 cm case. The trim to length is equivalent to the minimum case length. Newly adopted by the us military, find out why the 6.5 creedmoor rocks. Here you can. Case Dimensions 6 5 Creedmoor.
From www.outdoorlife.com
The 6.5 Creedmoor Versus the .264 Winchester Magnum Outdoor Life Case Dimensions 6 5 Creedmoor The rim diameter of the 6.5 cm case. A number of manufacturers produce 6.5 creedmoor cases, including hornady (shown), lapua, and starline. This paper will explore 6.5 creedmoor in depth. The 6.5 creedmoor is built on the.30 tc case, capitalizing on the short, efficient cartridge principle. Newly adopted by the us military, find out why the 6.5 creedmoor rocks. The. Case Dimensions 6 5 Creedmoor.
From ultimatereloader.com
INSANE 6.5 Creedmoor PRS Rifle Build (Bat + Foundation + Hawkins Case Dimensions 6 5 Creedmoor It was released in 2007 by hornady and creedmoor sports. The 6.5 creedmoor is the most popular big game hunting rifle cartridge on the market today. Newly adopted by the us military, find out why the 6.5 creedmoor rocks. Cartridges with +p pressures, list both the standard and +p pressure. A number of manufacturers produce 6.5 creedmoor cases, including hornady. Case Dimensions 6 5 Creedmoor.
From www.bulkcheapammo.com
6.5 Creedmoor vs .308 Which is the Better Rifle Cartridge? Case Dimensions 6 5 Creedmoor A number of manufacturers produce 6.5 creedmoor cases, including hornady (shown), lapua, and starline. Here you can read about how 6.5 creedmoor came to be, 6.5 creedmoor ballistics,. This paper will explore 6.5 creedmoor in depth. Hornady loads several hunting rounds for this cartridge as well as offering reloading cases and dies to make your own. The rim diameter of. Case Dimensions 6 5 Creedmoor.
From ammo.com
243 vs 6.5 Creedmoor Deer Hunting Caliber Comparison Case Dimensions 6 5 Creedmoor It was released in 2007 by hornady and creedmoor sports. Here you can read about how 6.5 creedmoor came to be, 6.5 creedmoor ballistics,. The 6.5 creedmoor is built on the.30 tc case, capitalizing on the short, efficient cartridge principle. The 6.5 creedmoor is the most popular big game hunting rifle cartridge on the market today. Hornady loads several hunting. Case Dimensions 6 5 Creedmoor.
From www.wideners.com
6.5 Creedmoor VS 6.5 Grendel Wideners Shooting, Hunting & Gun Blog Case Dimensions 6 5 Creedmoor The rim diameter of the 6.5 cm case. Hornady loads several hunting rounds for this cartridge as well as offering reloading cases and dies to make your own. Here you can read about how 6.5 creedmoor came to be, 6.5 creedmoor ballistics,. The 6.5 creedmoor is built on the.30 tc case, capitalizing on the short, efficient cartridge principle. This paper. Case Dimensions 6 5 Creedmoor.
From rifleshooter.com
Lapua 6.5 Creedmoor Brass Forming 6.5 Creedmoor cases from 22250 Case Dimensions 6 5 Creedmoor It was released in 2007 by hornady and creedmoor sports. A number of manufacturers produce 6.5 creedmoor cases, including hornady (shown), lapua, and starline. The 6.5 creedmoor is built on the.30 tc case, capitalizing on the short, efficient cartridge principle. The 6.5 creedmoor is the most popular big game hunting rifle cartridge on the market today. It is similar in. Case Dimensions 6 5 Creedmoor.
From www.gaiaonline.com
6.5mm Creedmoor Page 1 Hangar 1 Infantry Weapons/ Armor And Case Dimensions 6 5 Creedmoor The trim to length is equivalent to the minimum case length. The rim diameter of the 6.5 cm case. Here you can read about how 6.5 creedmoor came to be, 6.5 creedmoor ballistics,. It is similar in size to the.260 remington, but that round is. The 6.5 creedmoor is built on the.30 tc case, capitalizing on the short, efficient cartridge. Case Dimensions 6 5 Creedmoor.
From www.myxxgirl.com
6 5 Creedmoor Saami Specs My XXX Hot Girl Case Dimensions 6 5 Creedmoor A number of manufacturers produce 6.5 creedmoor cases, including hornady (shown), lapua, and starline. The 6.5 creedmoor is the most popular big game hunting rifle cartridge on the market today. Newly adopted by the us military, find out why the 6.5 creedmoor rocks. It was released in 2007 by hornady and creedmoor sports. The trim to length is equivalent to. Case Dimensions 6 5 Creedmoor.
From ammo.com
6.5x55 vs 6.5 Creedmoor Centerfire Rifle Cartridge Comparison Case Dimensions 6 5 Creedmoor A number of manufacturers produce 6.5 creedmoor cases, including hornady (shown), lapua, and starline. Here you can read about how 6.5 creedmoor came to be, 6.5 creedmoor ballistics,. The trim to length is equivalent to the minimum case length. Hornady loads several hunting rounds for this cartridge as well as offering reloading cases and dies to make your own. The. Case Dimensions 6 5 Creedmoor.
From www.therealgrit.com
Premium Brass 6.5mm Creedmoor Unprimed Reloading Cases 100 Round Box Case Dimensions 6 5 Creedmoor Hornady loads several hunting rounds for this cartridge as well as offering reloading cases and dies to make your own. The rim diameter of the 6.5 cm case. It was released in 2007 by hornady and creedmoor sports. This paper will explore 6.5 creedmoor in depth. Here you can read about how 6.5 creedmoor came to be, 6.5 creedmoor ballistics,.. Case Dimensions 6 5 Creedmoor.
From cityguns.co.za
LAPUA CASES 6.5 CREEDMOOR LRP (100) CITY GUNS Case Dimensions 6 5 Creedmoor It is similar in size to the.260 remington, but that round is. The 6.5 creedmoor is built on the.30 tc case, capitalizing on the short, efficient cartridge principle. It was released in 2007 by hornady and creedmoor sports. Newly adopted by the us military, find out why the 6.5 creedmoor rocks. Hornady loads several hunting rounds for this cartridge as. Case Dimensions 6 5 Creedmoor.
From www.xxl-reloading.com
Loads for 6.5 Creedmoor with .264 140gr Berger VLD Hy Tgt bullet Case Dimensions 6 5 Creedmoor Newly adopted by the us military, find out why the 6.5 creedmoor rocks. The trim to length is equivalent to the minimum case length. Cartridges with +p pressures, list both the standard and +p pressure. A number of manufacturers produce 6.5 creedmoor cases, including hornady (shown), lapua, and starline. The 6.5 creedmoor is built on the.30 tc case, capitalizing on. Case Dimensions 6 5 Creedmoor.
From rifleshooter.com
Lapua 6.5 Creedmoor Brass Forming 6.5 Creedmoor cases from 22250 Case Dimensions 6 5 Creedmoor It is similar in size to the.260 remington, but that round is. The 6.5 creedmoor is the most popular big game hunting rifle cartridge on the market today. Newly adopted by the us military, find out why the 6.5 creedmoor rocks. Hornady loads several hunting rounds for this cartridge as well as offering reloading cases and dies to make your. Case Dimensions 6 5 Creedmoor.
From www.montanasportingjournal.com
The 6.5 Creedmoor — Montana Sporting Journal Case Dimensions 6 5 Creedmoor The 6.5 creedmoor is the most popular big game hunting rifle cartridge on the market today. The rim diameter of the 6.5 cm case. Newly adopted by the us military, find out why the 6.5 creedmoor rocks. A number of manufacturers produce 6.5 creedmoor cases, including hornady (shown), lapua, and starline. It is similar in size to the.260 remington, but. Case Dimensions 6 5 Creedmoor.
From rifleshooter.com
Lapua 6.5 Creedmoor Brass Forming 6.5 Creedmoor cases from 22250 Case Dimensions 6 5 Creedmoor Hornady loads several hunting rounds for this cartridge as well as offering reloading cases and dies to make your own. It is similar in size to the.260 remington, but that round is. A number of manufacturers produce 6.5 creedmoor cases, including hornady (shown), lapua, and starline. Here you can read about how 6.5 creedmoor came to be, 6.5 creedmoor ballistics,.. Case Dimensions 6 5 Creedmoor.
From www.thearmorylife.com
6mm Creedmoor Competition Born and Bred The Armory Life Case Dimensions 6 5 Creedmoor The rim diameter of the 6.5 cm case. The 6.5 creedmoor is built on the.30 tc case, capitalizing on the short, efficient cartridge principle. The trim to length is equivalent to the minimum case length. Newly adopted by the us military, find out why the 6.5 creedmoor rocks. It was released in 2007 by hornady and creedmoor sports. The 6.5. Case Dimensions 6 5 Creedmoor.
From loetatxhe.blob.core.windows.net
Rifle Cartridge Size Chart 6.5 Creedmoor at William Hernandez blog Case Dimensions 6 5 Creedmoor Hornady loads several hunting rounds for this cartridge as well as offering reloading cases and dies to make your own. The 6.5 creedmoor is built on the.30 tc case, capitalizing on the short, efficient cartridge principle. The 6.5 creedmoor is the most popular big game hunting rifle cartridge on the market today. Newly adopted by the us military, find out. Case Dimensions 6 5 Creedmoor.
From postimg.cc
6 5 Creedmoor — Postimages Case Dimensions 6 5 Creedmoor This paper will explore 6.5 creedmoor in depth. Here you can read about how 6.5 creedmoor came to be, 6.5 creedmoor ballistics,. Hornady loads several hunting rounds for this cartridge as well as offering reloading cases and dies to make your own. The rim diameter of the 6.5 cm case. The 6.5 creedmoor is built on the.30 tc case, capitalizing. Case Dimensions 6 5 Creedmoor.
From www.shootinguk.co.uk
The 6.5mm Creedmoor round why stalkers are talking about it Case Dimensions 6 5 Creedmoor The rim diameter of the 6.5 cm case. The 6.5 creedmoor is built on the.30 tc case, capitalizing on the short, efficient cartridge principle. A number of manufacturers produce 6.5 creedmoor cases, including hornady (shown), lapua, and starline. Newly adopted by the us military, find out why the 6.5 creedmoor rocks. Hornady loads several hunting rounds for this cartridge as. Case Dimensions 6 5 Creedmoor.
From www.snipershide.com
6.5 creedmoor reload issue Sniper's Hide Forum Case Dimensions 6 5 Creedmoor It was released in 2007 by hornady and creedmoor sports. It is similar in size to the.260 remington, but that round is. Here you can read about how 6.5 creedmoor came to be, 6.5 creedmoor ballistics,. This paper will explore 6.5 creedmoor in depth. Newly adopted by the us military, find out why the 6.5 creedmoor rocks. The rim diameter. Case Dimensions 6 5 Creedmoor.
From 308ar.com
6.5 Creedmoor AR Most Accurate AR Caliber 308 AR Case Dimensions 6 5 Creedmoor This paper will explore 6.5 creedmoor in depth. It is similar in size to the.260 remington, but that round is. Hornady loads several hunting rounds for this cartridge as well as offering reloading cases and dies to make your own. Here you can read about how 6.5 creedmoor came to be, 6.5 creedmoor ballistics,. Newly adopted by the us military,. Case Dimensions 6 5 Creedmoor.
From www.huntinggearguy.com
6.5 Swedish vs 6.5 Creedmoor The Hunting Gear Guy Case Dimensions 6 5 Creedmoor It is similar in size to the.260 remington, but that round is. It was released in 2007 by hornady and creedmoor sports. The trim to length is equivalent to the minimum case length. Hornady loads several hunting rounds for this cartridge as well as offering reloading cases and dies to make your own. This paper will explore 6.5 creedmoor in. Case Dimensions 6 5 Creedmoor.
From www.nosler.com
6.5 Creedmoor Load Data — Nosler Bullets, Brass, Ammunition & Rifles Case Dimensions 6 5 Creedmoor It is similar in size to the.260 remington, but that round is. A number of manufacturers produce 6.5 creedmoor cases, including hornady (shown), lapua, and starline. Hornady loads several hunting rounds for this cartridge as well as offering reloading cases and dies to make your own. It was released in 2007 by hornady and creedmoor sports. The 6.5 creedmoor is. Case Dimensions 6 5 Creedmoor.
From www.academy.com
Hornady 6.5mm Creedmoor Unprimed Cases Free Shipping at Academy Case Dimensions 6 5 Creedmoor It was released in 2007 by hornady and creedmoor sports. The rim diameter of the 6.5 cm case. Newly adopted by the us military, find out why the 6.5 creedmoor rocks. It is similar in size to the.260 remington, but that round is. Hornady loads several hunting rounds for this cartridge as well as offering reloading cases and dies to. Case Dimensions 6 5 Creedmoor.
From www.youtube.com
Free Complete 6.5 Creedmoor Cartridge Guide from Starline YouTube Case Dimensions 6 5 Creedmoor The rim diameter of the 6.5 cm case. The 6.5 creedmoor is built on the.30 tc case, capitalizing on the short, efficient cartridge principle. A number of manufacturers produce 6.5 creedmoor cases, including hornady (shown), lapua, and starline. Cartridges with +p pressures, list both the standard and +p pressure. Newly adopted by the us military, find out why the 6.5. Case Dimensions 6 5 Creedmoor.
From leahbarton.z13.web.core.windows.net
6.5 Creedmoor Range Chart Case Dimensions 6 5 Creedmoor Hornady loads several hunting rounds for this cartridge as well as offering reloading cases and dies to make your own. The rim diameter of the 6.5 cm case. The 6.5 creedmoor is the most popular big game hunting rifle cartridge on the market today. Newly adopted by the us military, find out why the 6.5 creedmoor rocks. This paper will. Case Dimensions 6 5 Creedmoor.
From www.pinterest.com
6.5 creedmoor 6.5 creedmoor Pinterest Discover best ideas about Guns Case Dimensions 6 5 Creedmoor It is similar in size to the.260 remington, but that round is. Hornady loads several hunting rounds for this cartridge as well as offering reloading cases and dies to make your own. Cartridges with +p pressures, list both the standard and +p pressure. The 6.5 creedmoor is built on the.30 tc case, capitalizing on the short, efficient cartridge principle. The. Case Dimensions 6 5 Creedmoor.