High Current Motor Controller . This guide covers the key features of the bts7960 motor driver, its. this article will discuss using the current regulation function integrated into many motor driver ics, while using examples from monolithic power. This ic takes high/low signals from the arduino. in this project, i have explained how to control motor speed using arduino pwm circuit, and how to implement reverse forward or direction.
from www.homemade-circuits.com
This guide covers the key features of the bts7960 motor driver, its. This ic takes high/low signals from the arduino. in this project, i have explained how to control motor speed using arduino pwm circuit, and how to implement reverse forward or direction. this article will discuss using the current regulation function integrated into many motor driver ics, while using examples from monolithic power.
High Current Sensorless BLDC Motor Controller using Back EMF
High Current Motor Controller this article will discuss using the current regulation function integrated into many motor driver ics, while using examples from monolithic power. This guide covers the key features of the bts7960 motor driver, its. this article will discuss using the current regulation function integrated into many motor driver ics, while using examples from monolithic power. This ic takes high/low signals from the arduino. in this project, i have explained how to control motor speed using arduino pwm circuit, and how to implement reverse forward or direction.
From trevorkshultz.com
Digital Display PWM DC Motor Controller Variable Speed Regulator High Current Motor Controller in this project, i have explained how to control motor speed using arduino pwm circuit, and how to implement reverse forward or direction. this article will discuss using the current regulation function integrated into many motor driver ics, while using examples from monolithic power. This ic takes high/low signals from the arduino. This guide covers the key features. High Current Motor Controller.
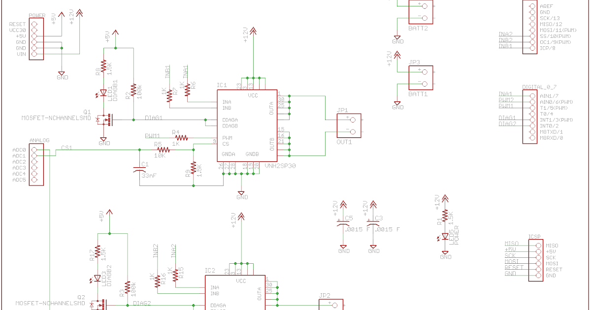
From ilektron-x.blogspot.com
Ilektronx Heavy Duty Arduino Motor Controller High Current Motor Controller in this project, i have explained how to control motor speed using arduino pwm circuit, and how to implement reverse forward or direction. This ic takes high/low signals from the arduino. This guide covers the key features of the bts7960 motor driver, its. this article will discuss using the current regulation function integrated into many motor driver ics,. High Current Motor Controller.
From www.mindsensors.com
SmartDrive High Current Motor Controller High Current Motor Controller This ic takes high/low signals from the arduino. this article will discuss using the current regulation function integrated into many motor driver ics, while using examples from monolithic power. in this project, i have explained how to control motor speed using arduino pwm circuit, and how to implement reverse forward or direction. This guide covers the key features. High Current Motor Controller.
From www.youtube.com
High Current Motor Controller For Robo War Mechanical Hbridge High Current Motor Controller in this project, i have explained how to control motor speed using arduino pwm circuit, and how to implement reverse forward or direction. This guide covers the key features of the bts7960 motor driver, its. This ic takes high/low signals from the arduino. this article will discuss using the current regulation function integrated into many motor driver ics,. High Current Motor Controller.
From ilektron-x.blogspot.com
Ilektronx High Current Motor Controller Shield Schematic High Current Motor Controller This ic takes high/low signals from the arduino. this article will discuss using the current regulation function integrated into many motor driver ics, while using examples from monolithic power. in this project, i have explained how to control motor speed using arduino pwm circuit, and how to implement reverse forward or direction. This guide covers the key features. High Current Motor Controller.
From datasheetspdf.com
SLA7044M Datasheet HIGHCURRENT MOTOR CONTROLLER/DRIVER High Current Motor Controller this article will discuss using the current regulation function integrated into many motor driver ics, while using examples from monolithic power. This ic takes high/low signals from the arduino. in this project, i have explained how to control motor speed using arduino pwm circuit, and how to implement reverse forward or direction. This guide covers the key features. High Current Motor Controller.
From www.desertcart.com.kw
Buy Motor Driver Controller, 3 Phase BLDC Motor Controller Brushless DC High Current Motor Controller this article will discuss using the current regulation function integrated into many motor driver ics, while using examples from monolithic power. This guide covers the key features of the bts7960 motor driver, its. in this project, i have explained how to control motor speed using arduino pwm circuit, and how to implement reverse forward or direction. This ic. High Current Motor Controller.
From www.aliexpress.com
DC12V 500A AMP High Current 4Pin Relay Contactor Power Motor Control On High Current Motor Controller This guide covers the key features of the bts7960 motor driver, its. this article will discuss using the current regulation function integrated into many motor driver ics, while using examples from monolithic power. This ic takes high/low signals from the arduino. in this project, i have explained how to control motor speed using arduino pwm circuit, and how. High Current Motor Controller.
From www.directindustry.com
Direct current motor controller 716PCDPTH0030 Shenzhen Power Motor High Current Motor Controller This guide covers the key features of the bts7960 motor driver, its. this article will discuss using the current regulation function integrated into many motor driver ics, while using examples from monolithic power. This ic takes high/low signals from the arduino. in this project, i have explained how to control motor speed using arduino pwm circuit, and how. High Current Motor Controller.
From www.amazon.com
Motor Controller, Large Current 50A HBridge HighPower SingleChannel High Current Motor Controller this article will discuss using the current regulation function integrated into many motor driver ics, while using examples from monolithic power. This ic takes high/low signals from the arduino. This guide covers the key features of the bts7960 motor driver, its. in this project, i have explained how to control motor speed using arduino pwm circuit, and how. High Current Motor Controller.
From www.aliexpress.com
Page Not Found High Current Motor Controller This guide covers the key features of the bts7960 motor driver, its. This ic takes high/low signals from the arduino. in this project, i have explained how to control motor speed using arduino pwm circuit, and how to implement reverse forward or direction. this article will discuss using the current regulation function integrated into many motor driver ics,. High Current Motor Controller.
From courses.ece.cornell.edu
HighCurrent Motor Control System High Current Motor Controller this article will discuss using the current regulation function integrated into many motor driver ics, while using examples from monolithic power. This guide covers the key features of the bts7960 motor driver, its. This ic takes high/low signals from the arduino. in this project, i have explained how to control motor speed using arduino pwm circuit, and how. High Current Motor Controller.
From www.homemade-circuits.com
High Current Sensorless BLDC Motor Controller using Back EMF High Current Motor Controller This ic takes high/low signals from the arduino. This guide covers the key features of the bts7960 motor driver, its. this article will discuss using the current regulation function integrated into many motor driver ics, while using examples from monolithic power. in this project, i have explained how to control motor speed using arduino pwm circuit, and how. High Current Motor Controller.
From www.homemade-circuits.com
High Current Motor Control Circuit using Arduino Homemade Circuit High Current Motor Controller This ic takes high/low signals from the arduino. This guide covers the key features of the bts7960 motor driver, its. in this project, i have explained how to control motor speed using arduino pwm circuit, and how to implement reverse forward or direction. this article will discuss using the current regulation function integrated into many motor driver ics,. High Current Motor Controller.
From www.homemade-circuits.com
High Wattage Brushless Motor Controller Circuit High Current Motor Controller this article will discuss using the current regulation function integrated into many motor driver ics, while using examples from monolithic power. This ic takes high/low signals from the arduino. in this project, i have explained how to control motor speed using arduino pwm circuit, and how to implement reverse forward or direction. This guide covers the key features. High Current Motor Controller.
From www.eleccircuit.com
555 PWM DC motor controller circuit High Current Motor Controller this article will discuss using the current regulation function integrated into many motor driver ics, while using examples from monolithic power. This guide covers the key features of the bts7960 motor driver, its. in this project, i have explained how to control motor speed using arduino pwm circuit, and how to implement reverse forward or direction. This ic. High Current Motor Controller.
From www.xsimulator.net
Need help with high current motor controller High Current Motor Controller This guide covers the key features of the bts7960 motor driver, its. This ic takes high/low signals from the arduino. in this project, i have explained how to control motor speed using arduino pwm circuit, and how to implement reverse forward or direction. this article will discuss using the current regulation function integrated into many motor driver ics,. High Current Motor Controller.
From forum.upverter.com
Motor controller drive very high currents of 50A continuous up to 100A High Current Motor Controller This ic takes high/low signals from the arduino. this article will discuss using the current regulation function integrated into many motor driver ics, while using examples from monolithic power. in this project, i have explained how to control motor speed using arduino pwm circuit, and how to implement reverse forward or direction. This guide covers the key features. High Current Motor Controller.
From www.instructables.com
HIGH CURRENT MOTOR DRIVER ( V 1.0 ) Instructables High Current Motor Controller this article will discuss using the current regulation function integrated into many motor driver ics, while using examples from monolithic power. This ic takes high/low signals from the arduino. This guide covers the key features of the bts7960 motor driver, its. in this project, i have explained how to control motor speed using arduino pwm circuit, and how. High Current Motor Controller.
From www.homemade-circuits.com
High Current Motor Control Circuit using Arduino Homemade Circuit High Current Motor Controller This ic takes high/low signals from the arduino. in this project, i have explained how to control motor speed using arduino pwm circuit, and how to implement reverse forward or direction. This guide covers the key features of the bts7960 motor driver, its. this article will discuss using the current regulation function integrated into many motor driver ics,. High Current Motor Controller.
From openhardware.pe
L298N Dual H Bridge DC Stepper Motor Controller for Arduino High Current Motor Controller in this project, i have explained how to control motor speed using arduino pwm circuit, and how to implement reverse forward or direction. this article will discuss using the current regulation function integrated into many motor driver ics, while using examples from monolithic power. This ic takes high/low signals from the arduino. This guide covers the key features. High Current Motor Controller.
From courses.ece.cornell.edu
HighCurrent Motor Control System High Current Motor Controller This guide covers the key features of the bts7960 motor driver, its. in this project, i have explained how to control motor speed using arduino pwm circuit, and how to implement reverse forward or direction. this article will discuss using the current regulation function integrated into many motor driver ics, while using examples from monolithic power. This ic. High Current Motor Controller.
From evointee.blogspot.com
12V24V HighCurrent Motor Speed Controller Evointee High Current Motor Controller this article will discuss using the current regulation function integrated into many motor driver ics, while using examples from monolithic power. This guide covers the key features of the bts7960 motor driver, its. This ic takes high/low signals from the arduino. in this project, i have explained how to control motor speed using arduino pwm circuit, and how. High Current Motor Controller.
From wiringdiagramsankt.z19.web.core.windows.net
180v Dc Motor Speed Controller Circuit Diagram High Current Motor Controller this article will discuss using the current regulation function integrated into many motor driver ics, while using examples from monolithic power. This ic takes high/low signals from the arduino. This guide covers the key features of the bts7960 motor driver, its. in this project, i have explained how to control motor speed using arduino pwm circuit, and how. High Current Motor Controller.
From circuits-diy.com
PWM DC Motor Controller using NE555 Timer IC Electronics Project High Current Motor Controller This guide covers the key features of the bts7960 motor driver, its. this article will discuss using the current regulation function integrated into many motor driver ics, while using examples from monolithic power. This ic takes high/low signals from the arduino. in this project, i have explained how to control motor speed using arduino pwm circuit, and how. High Current Motor Controller.
From www.nxp.com.cn
面向BLDC/PMSM的MCSXSR1CS12ZVM_NXP 半导体 High Current Motor Controller in this project, i have explained how to control motor speed using arduino pwm circuit, and how to implement reverse forward or direction. this article will discuss using the current regulation function integrated into many motor driver ics, while using examples from monolithic power. This ic takes high/low signals from the arduino. This guide covers the key features. High Current Motor Controller.
From electronicseverywhere.blogspot.com
Electronics EveryWhere 12V24V HighCurrent Motor Speed Controller Part3 High Current Motor Controller This guide covers the key features of the bts7960 motor driver, its. this article will discuss using the current regulation function integrated into many motor driver ics, while using examples from monolithic power. in this project, i have explained how to control motor speed using arduino pwm circuit, and how to implement reverse forward or direction. This ic. High Current Motor Controller.
From reliablestore.co.za
DC 660V 30A Speed PWM Controller Adjustable Motor Controller with Dig High Current Motor Controller in this project, i have explained how to control motor speed using arduino pwm circuit, and how to implement reverse forward or direction. This guide covers the key features of the bts7960 motor driver, its. This ic takes high/low signals from the arduino. this article will discuss using the current regulation function integrated into many motor driver ics,. High Current Motor Controller.
From makingcircuits.com
High Current Motor Speed Controller Driver Circuit High Current Motor Controller in this project, i have explained how to control motor speed using arduino pwm circuit, and how to implement reverse forward or direction. This ic takes high/low signals from the arduino. This guide covers the key features of the bts7960 motor driver, its. this article will discuss using the current regulation function integrated into many motor driver ics,. High Current Motor Controller.
From courses.ece.cornell.edu
HighCurrent Motor Control System High Current Motor Controller this article will discuss using the current regulation function integrated into many motor driver ics, while using examples from monolithic power. in this project, i have explained how to control motor speed using arduino pwm circuit, and how to implement reverse forward or direction. This ic takes high/low signals from the arduino. This guide covers the key features. High Current Motor Controller.
From ilektron-x.blogspot.com
Ilektronx High Current Motor Controller Shield for the Arduino High Current Motor Controller this article will discuss using the current regulation function integrated into many motor driver ics, while using examples from monolithic power. in this project, i have explained how to control motor speed using arduino pwm circuit, and how to implement reverse forward or direction. This ic takes high/low signals from the arduino. This guide covers the key features. High Current Motor Controller.
From courses.ece.cornell.edu
HighCurrent Motor Control System High Current Motor Controller This ic takes high/low signals from the arduino. this article will discuss using the current regulation function integrated into many motor driver ics, while using examples from monolithic power. This guide covers the key features of the bts7960 motor driver, its. in this project, i have explained how to control motor speed using arduino pwm circuit, and how. High Current Motor Controller.
From www.masinaelectrica.com
DC Motor Speed Controller PWM 0100 Overcurrent protection (second High Current Motor Controller this article will discuss using the current regulation function integrated into many motor driver ics, while using examples from monolithic power. This ic takes high/low signals from the arduino. in this project, i have explained how to control motor speed using arduino pwm circuit, and how to implement reverse forward or direction. This guide covers the key features. High Current Motor Controller.
From www.homemade-circuits.com
High Current Motor Control Circuit using Arduino Homemade Circuit High Current Motor Controller in this project, i have explained how to control motor speed using arduino pwm circuit, and how to implement reverse forward or direction. this article will discuss using the current regulation function integrated into many motor driver ics, while using examples from monolithic power. This guide covers the key features of the bts7960 motor driver, its. This ic. High Current Motor Controller.
From www.slideserve.com
PPT Chapter 6 PowerPoint Presentation, free download ID712736 High Current Motor Controller this article will discuss using the current regulation function integrated into many motor driver ics, while using examples from monolithic power. This guide covers the key features of the bts7960 motor driver, its. in this project, i have explained how to control motor speed using arduino pwm circuit, and how to implement reverse forward or direction. This ic. High Current Motor Controller.