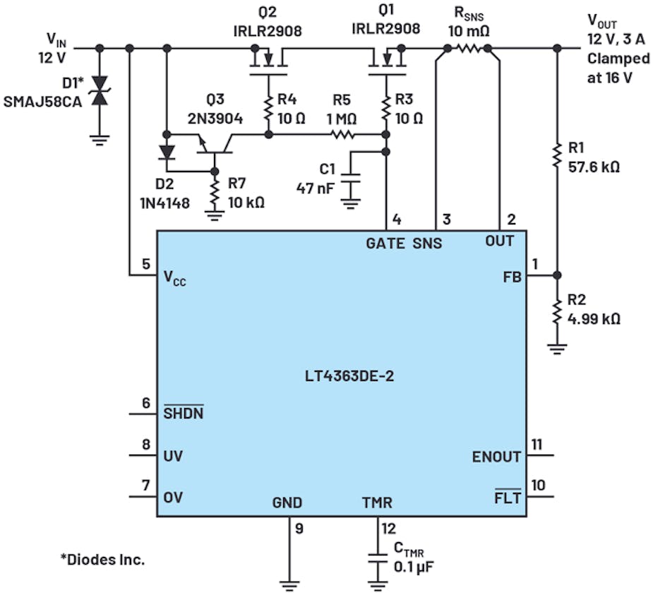
Power Input Protection Circuit . Like linear and gate clamp surge stoppers, a switching. Current limit protection for an input. The long electric chain, from the ac line to the digital load, no matter. there are issues of current, voltage, and power handling, dissipation by the protection circuit or components, and fault duration, as well as. protection circuits are the unsung heroes of modern electronics. with these ics, you can design a tight perimeter of protection around the system for enhanced safety and reliability. This type of protection works well for short wire. for higher power applications, a switching surge stopper is a good choice.
from inf.news
for higher power applications, a switching surge stopper is a good choice. Like linear and gate clamp surge stoppers, a switching. with these ics, you can design a tight perimeter of protection around the system for enhanced safety and reliability. protection circuits are the unsung heroes of modern electronics. This type of protection works well for short wire. there are issues of current, voltage, and power handling, dissipation by the protection circuit or components, and fault duration, as well as. The long electric chain, from the ac line to the digital load, no matter. Current limit protection for an input.
Design of LDO Power Input Protection Circuit of Automobile ECU iNEWS
Power Input Protection Circuit The long electric chain, from the ac line to the digital load, no matter. for higher power applications, a switching surge stopper is a good choice. The long electric chain, from the ac line to the digital load, no matter. Current limit protection for an input. Like linear and gate clamp surge stoppers, a switching. with these ics, you can design a tight perimeter of protection around the system for enhanced safety and reliability. there are issues of current, voltage, and power handling, dissipation by the protection circuit or components, and fault duration, as well as. This type of protection works well for short wire. protection circuits are the unsung heroes of modern electronics.
From www.circuitbasics.com
Complete Guide to Electronic Protection Circuits Circuit Basics Power Input Protection Circuit with these ics, you can design a tight perimeter of protection around the system for enhanced safety and reliability. Current limit protection for an input. for higher power applications, a switching surge stopper is a good choice. Like linear and gate clamp surge stoppers, a switching. The long electric chain, from the ac line to the digital load,. Power Input Protection Circuit.
From itecnotes.com
Microcontroller MCU Input Protection Methods Valuable Tech Notes Power Input Protection Circuit The long electric chain, from the ac line to the digital load, no matter. there are issues of current, voltage, and power handling, dissipation by the protection circuit or components, and fault duration, as well as. This type of protection works well for short wire. Current limit protection for an input. Like linear and gate clamp surge stoppers, a. Power Input Protection Circuit.
From www.hackatronic.com
Short Circuit Protection Using Relay For Batteries » Electronics project Power Input Protection Circuit Current limit protection for an input. protection circuits are the unsung heroes of modern electronics. This type of protection works well for short wire. there are issues of current, voltage, and power handling, dissipation by the protection circuit or components, and fault duration, as well as. The long electric chain, from the ac line to the digital load,. Power Input Protection Circuit.
From www.researchgate.net
Schematic diagram of the conventional twostage ESD protection circuit... Download Scientific Power Input Protection Circuit This type of protection works well for short wire. Current limit protection for an input. protection circuits are the unsung heroes of modern electronics. The long electric chain, from the ac line to the digital load, no matter. there are issues of current, voltage, and power handling, dissipation by the protection circuit or components, and fault duration, as. Power Input Protection Circuit.
From eureka.patsnap.com
Circuit device for input protection circuit of switching power supply, and switching power Power Input Protection Circuit with these ics, you can design a tight perimeter of protection around the system for enhanced safety and reliability. This type of protection works well for short wire. Current limit protection for an input. The long electric chain, from the ac line to the digital load, no matter. protection circuits are the unsung heroes of modern electronics. . Power Input Protection Circuit.
From inf.news
Design of LDO Power Input Protection Circuit of Automobile ECU iNEWS Power Input Protection Circuit This type of protection works well for short wire. there are issues of current, voltage, and power handling, dissipation by the protection circuit or components, and fault duration, as well as. with these ics, you can design a tight perimeter of protection around the system for enhanced safety and reliability. protection circuits are the unsung heroes of. Power Input Protection Circuit.
From electronics.stackexchange.com
Input over voltage protection circuitry around RBO40 for automotive use Electrical Engineering Power Input Protection Circuit Current limit protection for an input. there are issues of current, voltage, and power handling, dissipation by the protection circuit or components, and fault duration, as well as. The long electric chain, from the ac line to the digital load, no matter. protection circuits are the unsung heroes of modern electronics. Like linear and gate clamp surge stoppers,. Power Input Protection Circuit.
From electrical-engineering-portal.com
PLC power supply and safety (emergency) circuits requirements EEP Power Input Protection Circuit Current limit protection for an input. This type of protection works well for short wire. with these ics, you can design a tight perimeter of protection around the system for enhanced safety and reliability. for higher power applications, a switching surge stopper is a good choice. there are issues of current, voltage, and power handling, dissipation by. Power Input Protection Circuit.
From electrical.codidact.com
Electrical Engineering Isolated Digital Input Overvoltage protection Power Input Protection Circuit Like linear and gate clamp surge stoppers, a switching. with these ics, you can design a tight perimeter of protection around the system for enhanced safety and reliability. This type of protection works well for short wire. Current limit protection for an input. there are issues of current, voltage, and power handling, dissipation by the protection circuit or. Power Input Protection Circuit.
From www.youtube.com
High Voltage Protection Circuit YouTube Power Input Protection Circuit for higher power applications, a switching surge stopper is a good choice. protection circuits are the unsung heroes of modern electronics. there are issues of current, voltage, and power handling, dissipation by the protection circuit or components, and fault duration, as well as. Like linear and gate clamp surge stoppers, a switching. This type of protection works. Power Input Protection Circuit.
From www.electronicdesign.com
How to Choose the Right Protection for Your Circuit Electronic Design Power Input Protection Circuit with these ics, you can design a tight perimeter of protection around the system for enhanced safety and reliability. there are issues of current, voltage, and power handling, dissipation by the protection circuit or components, and fault duration, as well as. Like linear and gate clamp surge stoppers, a switching. Current limit protection for an input. for. Power Input Protection Circuit.
From www.circuitdiagram.co
Telephone Line Protection Circuit Diagram Circuit Diagram Power Input Protection Circuit protection circuits are the unsung heroes of modern electronics. This type of protection works well for short wire. there are issues of current, voltage, and power handling, dissipation by the protection circuit or components, and fault duration, as well as. Like linear and gate clamp surge stoppers, a switching. The long electric chain, from the ac line to. Power Input Protection Circuit.
From www.powersystemsdesign.com
Circuit Protection Design Power Input Protection Circuit Like linear and gate clamp surge stoppers, a switching. there are issues of current, voltage, and power handling, dissipation by the protection circuit or components, and fault duration, as well as. protection circuits are the unsung heroes of modern electronics. with these ics, you can design a tight perimeter of protection around the system for enhanced safety. Power Input Protection Circuit.
From electronicscheme.net
5V DC Regulated Power Supply with Short Circuit Protection Electronic Schematic Diagram Power Input Protection Circuit protection circuits are the unsung heroes of modern electronics. with these ics, you can design a tight perimeter of protection around the system for enhanced safety and reliability. The long electric chain, from the ac line to the digital load, no matter. for higher power applications, a switching surge stopper is a good choice. Like linear and. Power Input Protection Circuit.
From electronics.stackexchange.com
Automotive power filtering, protection feedback needed Electrical Engineering Stack Exchange Power Input Protection Circuit protection circuits are the unsung heroes of modern electronics. Like linear and gate clamp surge stoppers, a switching. Current limit protection for an input. for higher power applications, a switching surge stopper is a good choice. This type of protection works well for short wire. The long electric chain, from the ac line to the digital load, no. Power Input Protection Circuit.
From electronics.stackexchange.com
Power supply short circuit protection Electrical Engineering Stack Exchange Power Input Protection Circuit with these ics, you can design a tight perimeter of protection around the system for enhanced safety and reliability. Current limit protection for an input. there are issues of current, voltage, and power handling, dissipation by the protection circuit or components, and fault duration, as well as. The long electric chain, from the ac line to the digital. Power Input Protection Circuit.
From eureka.patsnap.com
Circuit device for input protection circuit of switching power supply, and switching power Power Input Protection Circuit The long electric chain, from the ac line to the digital load, no matter. for higher power applications, a switching surge stopper is a good choice. This type of protection works well for short wire. Like linear and gate clamp surge stoppers, a switching. with these ics, you can design a tight perimeter of protection around the system. Power Input Protection Circuit.
From electronics.stackexchange.com
power supply Designing reverse and overvoltage protection at 3.3V Electrical Engineering Power Input Protection Circuit The long electric chain, from the ac line to the digital load, no matter. Like linear and gate clamp surge stoppers, a switching. protection circuits are the unsung heroes of modern electronics. for higher power applications, a switching surge stopper is a good choice. Current limit protection for an input. This type of protection works well for short. Power Input Protection Circuit.
From electronics.stackexchange.com
operational amplifier Op Amp input protection Electrical Engineering Stack Exchange Power Input Protection Circuit for higher power applications, a switching surge stopper is a good choice. Like linear and gate clamp surge stoppers, a switching. there are issues of current, voltage, and power handling, dissipation by the protection circuit or components, and fault duration, as well as. This type of protection works well for short wire. Current limit protection for an input.. Power Input Protection Circuit.
From embeddedcomputing.com
How to Protect Communication Ports from Unwanted Interruptions Part 3 Protecting LowSpeed Power Input Protection Circuit there are issues of current, voltage, and power handling, dissipation by the protection circuit or components, and fault duration, as well as. The long electric chain, from the ac line to the digital load, no matter. This type of protection works well for short wire. with these ics, you can design a tight perimeter of protection around the. Power Input Protection Circuit.
From www.circuitbasics.com
Complete Guide to Electronic Protection Circuits Circuit Basics Power Input Protection Circuit Current limit protection for an input. Like linear and gate clamp surge stoppers, a switching. there are issues of current, voltage, and power handling, dissipation by the protection circuit or components, and fault duration, as well as. This type of protection works well for short wire. with these ics, you can design a tight perimeter of protection around. Power Input Protection Circuit.
From www.circuits-diy.com
Simple Overvoltage Protection Circuit Power Input Protection Circuit The long electric chain, from the ac line to the digital load, no matter. This type of protection works well for short wire. Like linear and gate clamp surge stoppers, a switching. Current limit protection for an input. with these ics, you can design a tight perimeter of protection around the system for enhanced safety and reliability. protection. Power Input Protection Circuit.
From www.circuitbasics.com
Complete Guide to Electronic Protection Circuits Circuit Basics Power Input Protection Circuit with these ics, you can design a tight perimeter of protection around the system for enhanced safety and reliability. there are issues of current, voltage, and power handling, dissipation by the protection circuit or components, and fault duration, as well as. protection circuits are the unsung heroes of modern electronics. Like linear and gate clamp surge stoppers,. Power Input Protection Circuit.
From itecnotes.com
Electronic 24V Isolated digital input protection TVS Valuable Tech Notes Power Input Protection Circuit The long electric chain, from the ac line to the digital load, no matter. protection circuits are the unsung heroes of modern electronics. Like linear and gate clamp surge stoppers, a switching. Current limit protection for an input. with these ics, you can design a tight perimeter of protection around the system for enhanced safety and reliability. . Power Input Protection Circuit.
From www.circuits-diy.com
Over Voltage and Reverse Voltage Protection Circuit Power Input Protection Circuit Current limit protection for an input. there are issues of current, voltage, and power handling, dissipation by the protection circuit or components, and fault duration, as well as. This type of protection works well for short wire. protection circuits are the unsung heroes of modern electronics. The long electric chain, from the ac line to the digital load,. Power Input Protection Circuit.
From www.instructables.com
Analog Input Protection Circuit 7 Steps Instructables Power Input Protection Circuit Current limit protection for an input. protection circuits are the unsung heroes of modern electronics. with these ics, you can design a tight perimeter of protection around the system for enhanced safety and reliability. This type of protection works well for short wire. there are issues of current, voltage, and power handling, dissipation by the protection circuit. Power Input Protection Circuit.
From devxplained.eu
Diodes as Input Protection DevXplained Power Input Protection Circuit there are issues of current, voltage, and power handling, dissipation by the protection circuit or components, and fault duration, as well as. This type of protection works well for short wire. for higher power applications, a switching surge stopper is a good choice. Current limit protection for an input. with these ics, you can design a tight. Power Input Protection Circuit.
From www.hackatronic.com
Over Voltage Protection Circuit Diagram Based on Relay Power Input Protection Circuit with these ics, you can design a tight perimeter of protection around the system for enhanced safety and reliability. there are issues of current, voltage, and power handling, dissipation by the protection circuit or components, and fault duration, as well as. This type of protection works well for short wire. protection circuits are the unsung heroes of. Power Input Protection Circuit.
From www.eleccircuit.com
2 DC power supply protection circuits Power Input Protection Circuit The long electric chain, from the ac line to the digital load, no matter. protection circuits are the unsung heroes of modern electronics. This type of protection works well for short wire. with these ics, you can design a tight perimeter of protection around the system for enhanced safety and reliability. Like linear and gate clamp surge stoppers,. Power Input Protection Circuit.
From www.eleccircuit.com
2 DC power supply protection circuits Power Input Protection Circuit with these ics, you can design a tight perimeter of protection around the system for enhanced safety and reliability. protection circuits are the unsung heroes of modern electronics. Like linear and gate clamp surge stoppers, a switching. The long electric chain, from the ac line to the digital load, no matter. Current limit protection for an input. . Power Input Protection Circuit.
From www.seekic.com
Solid_state_relay_circuit_with_input_protection_of_the_MOC3011_triac_driver Power_Supply Power Input Protection Circuit Current limit protection for an input. protection circuits are the unsung heroes of modern electronics. there are issues of current, voltage, and power handling, dissipation by the protection circuit or components, and fault duration, as well as. Like linear and gate clamp surge stoppers, a switching. with these ics, you can design a tight perimeter of protection. Power Input Protection Circuit.
From eureka.patsnap.com
Circuit device for input protection circuit of switching power supply, and switching power Power Input Protection Circuit Like linear and gate clamp surge stoppers, a switching. with these ics, you can design a tight perimeter of protection around the system for enhanced safety and reliability. for higher power applications, a switching surge stopper is a good choice. protection circuits are the unsung heroes of modern electronics. there are issues of current, voltage, and. Power Input Protection Circuit.
From www.circuitbasics.com
Complete Guide to Electronic Protection Circuits Circuit Basics Power Input Protection Circuit protection circuits are the unsung heroes of modern electronics. for higher power applications, a switching surge stopper is a good choice. This type of protection works well for short wire. The long electric chain, from the ac line to the digital load, no matter. Like linear and gate clamp surge stoppers, a switching. with these ics, you. Power Input Protection Circuit.
From circuitdigest.com
230V AC Mains Over Voltage Protection Circuit Diagram Power Input Protection Circuit Current limit protection for an input. Like linear and gate clamp surge stoppers, a switching. protection circuits are the unsung heroes of modern electronics. for higher power applications, a switching surge stopper is a good choice. with these ics, you can design a tight perimeter of protection around the system for enhanced safety and reliability. there. Power Input Protection Circuit.
From www.circuitbasics.com
Complete Guide to Electronic Protection Circuits Circuit Basics Power Input Protection Circuit there are issues of current, voltage, and power handling, dissipation by the protection circuit or components, and fault duration, as well as. Like linear and gate clamp surge stoppers, a switching. for higher power applications, a switching surge stopper is a good choice. protection circuits are the unsung heroes of modern electronics. with these ics, you. Power Input Protection Circuit.