What Is The Difference Between A Shift-Right Register And A Shift-Left Register . In other words, registers which shift input data towards left, are called shift left registers. Generally, shift registers operate in one of four different modes with the basic movement of data through a shift register being: These are called as ‘shift registers’. A shift register, wherein input data is entered from the right side, whereas digits already present on the register leave out/ remove from the left side, are called shift left registers. A bidirectional shift register is capable of shifting in both the. In the shift right mode, the data is shifted from the leftmost bit to the rightmost bit. The stored information can be transferred within the registers; The rightmost bit receives the input data, while the leftmost bit is discarded. A unidirectional shift register is capable of shifting in only one direction. Universal shift registers are used as memory elements in computers. Shift registers are sequential logic circuits that can store and shift binary data. A universal shift register is a register which has both the right shift and left shift with parallel load capabilities. A shift register is a sequential circuit which stores the data and shifts it towards the output on every clock cycle. When a number of flip flops are connected in series, this arrangement is called a register.
        
        from www.youtube.com 
     
        
        A unidirectional shift register is capable of shifting in only one direction. A shift register, wherein input data is entered from the right side, whereas digits already present on the register leave out/ remove from the left side, are called shift left registers. Universal shift registers are used as memory elements in computers. A universal shift register is a register which has both the right shift and left shift with parallel load capabilities. When a number of flip flops are connected in series, this arrangement is called a register. The rightmost bit receives the input data, while the leftmost bit is discarded. Shift registers are sequential logic circuits that can store and shift binary data. The stored information can be transferred within the registers; A shift register is a sequential circuit which stores the data and shifts it towards the output on every clock cycle. In the shift right mode, the data is shifted from the leftmost bit to the rightmost bit.
    
    	
            
	
		 
         
    Left Shift and Right Shift Bitwise Operator in C Programming YouTube 
    What Is The Difference Between A Shift-Right Register And A Shift-Left Register  A shift register, wherein input data is entered from the right side, whereas digits already present on the register leave out/ remove from the left side, are called shift left registers. These are called as ‘shift registers’. A shift register, wherein input data is entered from the right side, whereas digits already present on the register leave out/ remove from the left side, are called shift left registers. Shift registers are sequential logic circuits that can store and shift binary data. When a number of flip flops are connected in series, this arrangement is called a register. A bidirectional shift register is capable of shifting in both the. A unidirectional shift register is capable of shifting in only one direction. In other words, registers which shift input data towards left, are called shift left registers. The rightmost bit receives the input data, while the leftmost bit is discarded. A shift register is a sequential circuit which stores the data and shifts it towards the output on every clock cycle. In the shift right mode, the data is shifted from the leftmost bit to the rightmost bit. Generally, shift registers operate in one of four different modes with the basic movement of data through a shift register being: The stored information can be transferred within the registers; Universal shift registers are used as memory elements in computers. A universal shift register is a register which has both the right shift and left shift with parallel load capabilities.
            
	
		 
         
 
    
        From www.slideserve.com 
                    PPT Shift Registers and Shift Register Counters PowerPoint What Is The Difference Between A Shift-Right Register And A Shift-Left Register  The stored information can be transferred within the registers; Generally, shift registers operate in one of four different modes with the basic movement of data through a shift register being: A shift register is a sequential circuit which stores the data and shifts it towards the output on every clock cycle. These are called as ‘shift registers’. A bidirectional shift. What Is The Difference Between A Shift-Right Register And A Shift-Left Register.
     
    
        From www.electroniclinic.com 
                    Shift Register Shift Right and Shift Left Registers with circuit diagram What Is The Difference Between A Shift-Right Register And A Shift-Left Register  The stored information can be transferred within the registers; Shift registers are sequential logic circuits that can store and shift binary data. Universal shift registers are used as memory elements in computers. A shift register, wherein input data is entered from the right side, whereas digits already present on the register leave out/ remove from the left side, are called. What Is The Difference Between A Shift-Right Register And A Shift-Left Register.
     
    
        From electricalfundablog.com 
                    Shift Registers Modes of Operation, Types, How it Works, Applications What Is The Difference Between A Shift-Right Register And A Shift-Left Register  Shift registers are sequential logic circuits that can store and shift binary data. A universal shift register is a register which has both the right shift and left shift with parallel load capabilities. Generally, shift registers operate in one of four different modes with the basic movement of data through a shift register being: In other words, registers which shift. What Is The Difference Between A Shift-Right Register And A Shift-Left Register.
     
    
        From www.youtube.com 
                    Left Shift and Right Shift Bitwise Operator in C Programming YouTube What Is The Difference Between A Shift-Right Register And A Shift-Left Register  A bidirectional shift register is capable of shifting in both the. In other words, registers which shift input data towards left, are called shift left registers. Generally, shift registers operate in one of four different modes with the basic movement of data through a shift register being: The stored information can be transferred within the registers; The rightmost bit receives. What Is The Difference Between A Shift-Right Register And A Shift-Left Register.
     
    
        From www.electricalelibrary.com 
                    Shift register Electrical What Is The Difference Between A Shift-Right Register And A Shift-Left Register  Shift registers are sequential logic circuits that can store and shift binary data. A bidirectional shift register is capable of shifting in both the. Generally, shift registers operate in one of four different modes with the basic movement of data through a shift register being: The rightmost bit receives the input data, while the leftmost bit is discarded. The stored. What Is The Difference Between A Shift-Right Register And A Shift-Left Register.
     
    
        From studytronics.weebly.com 
                    Shift Registers STUDYTRONICS What Is The Difference Between A Shift-Right Register And A Shift-Left Register  When a number of flip flops are connected in series, this arrangement is called a register. A shift register, wherein input data is entered from the right side, whereas digits already present on the register leave out/ remove from the left side, are called shift left registers. Universal shift registers are used as memory elements in computers. Shift registers are. What Is The Difference Between A Shift-Right Register And A Shift-Left Register.
     
    
        From www.slideserve.com 
                    PPT Chapter 4 PowerPoint Presentation, free download ID1445781 What Is The Difference Between A Shift-Right Register And A Shift-Left Register  In other words, registers which shift input data towards left, are called shift left registers. The stored information can be transferred within the registers; Universal shift registers are used as memory elements in computers. In the shift right mode, the data is shifted from the leftmost bit to the rightmost bit. These are called as ‘shift registers’. A shift register. What Is The Difference Between A Shift-Right Register And A Shift-Left Register.
     
    
        From www.electroniclinic.com 
                    Shift Register Shift Right and Shift Left Registers with circuit diagram What Is The Difference Between A Shift-Right Register And A Shift-Left Register  A universal shift register is a register which has both the right shift and left shift with parallel load capabilities. A shift register, wherein input data is entered from the right side, whereas digits already present on the register leave out/ remove from the left side, are called shift left registers. A shift register is a sequential circuit which stores. What Is The Difference Between A Shift-Right Register And A Shift-Left Register.
     
    
        From www.slideserve.com 
                    PPT Shift Registers and Shift Register Counters PowerPoint What Is The Difference Between A Shift-Right Register And A Shift-Left Register  Generally, shift registers operate in one of four different modes with the basic movement of data through a shift register being: A bidirectional shift register is capable of shifting in both the. The rightmost bit receives the input data, while the leftmost bit is discarded. A shift register, wherein input data is entered from the right side, whereas digits already. What Is The Difference Between A Shift-Right Register And A Shift-Left Register.
     
    
        From cs.nyu.edu 
                    Class Notes for Computer Architecture What Is The Difference Between A Shift-Right Register And A Shift-Left Register  A shift register is a sequential circuit which stores the data and shifts it towards the output on every clock cycle. A shift register, wherein input data is entered from the right side, whereas digits already present on the register leave out/ remove from the left side, are called shift left registers. Universal shift registers are used as memory elements. What Is The Difference Between A Shift-Right Register And A Shift-Left Register.
     
    
        From www.researchgate.net 
                    Shift Register operation principle. Figure shows the shift register What Is The Difference Between A Shift-Right Register And A Shift-Left Register  A shift register is a sequential circuit which stores the data and shifts it towards the output on every clock cycle. The stored information can be transferred within the registers; Generally, shift registers operate in one of four different modes with the basic movement of data through a shift register being: Shift registers are sequential logic circuits that can store. What Is The Difference Between A Shift-Right Register And A Shift-Left Register.
     
    
        From www.numerade.com 
                    SOLVED Design a 4bit shift left register with serial input and What Is The Difference Between A Shift-Right Register And A Shift-Left Register  A unidirectional shift register is capable of shifting in only one direction. A shift register, wherein input data is entered from the right side, whereas digits already present on the register leave out/ remove from the left side, are called shift left registers. Universal shift registers are used as memory elements in computers. In the shift right mode, the data. What Is The Difference Between A Shift-Right Register And A Shift-Left Register.
     
    
        From www.electroniclinic.com 
                    Shift Register Shift Right and Shift Left Registers with circuit diagram What Is The Difference Between A Shift-Right Register And A Shift-Left Register  The rightmost bit receives the input data, while the leftmost bit is discarded. A shift register is a sequential circuit which stores the data and shifts it towards the output on every clock cycle. A unidirectional shift register is capable of shifting in only one direction. Generally, shift registers operate in one of four different modes with the basic movement. What Is The Difference Between A Shift-Right Register And A Shift-Left Register.
     
    
        From schematicpartclaudia.z19.web.core.windows.net 
                    Shift Right Register Circuit Diagram What Is The Difference Between A Shift-Right Register And A Shift-Left Register  In other words, registers which shift input data towards left, are called shift left registers. A universal shift register is a register which has both the right shift and left shift with parallel load capabilities. When a number of flip flops are connected in series, this arrangement is called a register. Generally, shift registers operate in one of four different. What Is The Difference Between A Shift-Right Register And A Shift-Left Register.
     
    
        From www.electroniclinic.com 
                    Shift Register Shift Right and Shift Left Registers with circuit diagram What Is The Difference Between A Shift-Right Register And A Shift-Left Register  In other words, registers which shift input data towards left, are called shift left registers. These are called as ‘shift registers’. A shift register is a sequential circuit which stores the data and shifts it towards the output on every clock cycle. The rightmost bit receives the input data, while the leftmost bit is discarded. A shift register, wherein input. What Is The Difference Between A Shift-Right Register And A Shift-Left Register.
     
    
        From www.ahirlabs.com 
                    Arithmetic Shift and Logical Shift AHIRLABS What Is The Difference Between A Shift-Right Register And A Shift-Left Register  In the shift right mode, the data is shifted from the leftmost bit to the rightmost bit. A shift register is a sequential circuit which stores the data and shifts it towards the output on every clock cycle. Generally, shift registers operate in one of four different modes with the basic movement of data through a shift register being: Shift. What Is The Difference Between A Shift-Right Register And A Shift-Left Register.
     
    
        From electronicscoach.com 
                    What is a Shift Register? Definition, Operation and Applications of What Is The Difference Between A Shift-Right Register And A Shift-Left Register  In other words, registers which shift input data towards left, are called shift left registers. Generally, shift registers operate in one of four different modes with the basic movement of data through a shift register being: A bidirectional shift register is capable of shifting in both the. In the shift right mode, the data is shifted from the leftmost bit. What Is The Difference Between A Shift-Right Register And A Shift-Left Register.
     
    
        From enginedbmotherwell.z1.web.core.windows.net 
                    Shift Register Schematic Diagram What Is The Difference Between A Shift-Right Register And A Shift-Left Register  A shift register is a sequential circuit which stores the data and shifts it towards the output on every clock cycle. Generally, shift registers operate in one of four different modes with the basic movement of data through a shift register being: Shift registers are sequential logic circuits that can store and shift binary data. A shift register, wherein input. What Is The Difference Between A Shift-Right Register And A Shift-Left Register.
     
    
        From studytronics.weebly.com 
                    Shift Registers STUDYTRONICS What Is The Difference Between A Shift-Right Register And A Shift-Left Register  Generally, shift registers operate in one of four different modes with the basic movement of data through a shift register being: The rightmost bit receives the input data, while the leftmost bit is discarded. A bidirectional shift register is capable of shifting in both the. In other words, registers which shift input data towards left, are called shift left registers.. What Is The Difference Between A Shift-Right Register And A Shift-Left Register.
     
    
        From upscfever.com 
                    General Shift Register Gate CSE UPSCFEVER What Is The Difference Between A Shift-Right Register And A Shift-Left Register  The rightmost bit receives the input data, while the leftmost bit is discarded. A unidirectional shift register is capable of shifting in only one direction. The stored information can be transferred within the registers; Generally, shift registers operate in one of four different modes with the basic movement of data through a shift register being: Universal shift registers are used. What Is The Difference Between A Shift-Right Register And A Shift-Left Register.
     
    
        From www.electroniclinic.com 
                    Different Types of Shift Registers In Digital Electronics What Is The Difference Between A Shift-Right Register And A Shift-Left Register  When a number of flip flops are connected in series, this arrangement is called a register. A unidirectional shift register is capable of shifting in only one direction. A shift register, wherein input data is entered from the right side, whereas digits already present on the register leave out/ remove from the left side, are called shift left registers. Generally,. What Is The Difference Between A Shift-Right Register And A Shift-Left Register.
     
    
        From www.javatpoint.com 
                    Shift Registers in Digital Electronics Javatpoint What Is The Difference Between A Shift-Right Register And A Shift-Left Register  A universal shift register is a register which has both the right shift and left shift with parallel load capabilities. When a number of flip flops are connected in series, this arrangement is called a register. A bidirectional shift register is capable of shifting in both the. Universal shift registers are used as memory elements in computers. The rightmost bit. What Is The Difference Between A Shift-Right Register And A Shift-Left Register.
     
    
        From www.slideserve.com 
                    PPT Shift Register PowerPoint Presentation, free download ID2404646 What Is The Difference Between A Shift-Right Register And A Shift-Left Register  When a number of flip flops are connected in series, this arrangement is called a register. The rightmost bit receives the input data, while the leftmost bit is discarded. Universal shift registers are used as memory elements in computers. A shift register is a sequential circuit which stores the data and shifts it towards the output on every clock cycle.. What Is The Difference Between A Shift-Right Register And A Shift-Left Register.
     
    
        From www.youtube.com 
                    Introduction to Registers What is Shift Register? Types of Shift What Is The Difference Between A Shift-Right Register And A Shift-Left Register  Generally, shift registers operate in one of four different modes with the basic movement of data through a shift register being: A universal shift register is a register which has both the right shift and left shift with parallel load capabilities. Shift registers are sequential logic circuits that can store and shift binary data. When a number of flip flops. What Is The Difference Between A Shift-Right Register And A Shift-Left Register.
     
    
        From www.electroniclinic.com 
                    Shift Register Shift Right and Shift Left Registers with circuit diagram What Is The Difference Between A Shift-Right Register And A Shift-Left Register  In other words, registers which shift input data towards left, are called shift left registers. Generally, shift registers operate in one of four different modes with the basic movement of data through a shift register being: These are called as ‘shift registers’. A universal shift register is a register which has both the right shift and left shift with parallel. What Is The Difference Between A Shift-Right Register And A Shift-Left Register.
     
    
        From www.slideserve.com 
                    PPT Registers and Counters PowerPoint Presentation, free download What Is The Difference Between A Shift-Right Register And A Shift-Left Register  Universal shift registers are used as memory elements in computers. A unidirectional shift register is capable of shifting in only one direction. A shift register, wherein input data is entered from the right side, whereas digits already present on the register leave out/ remove from the left side, are called shift left registers. When a number of flip flops are. What Is The Difference Between A Shift-Right Register And A Shift-Left Register.
     
    
        From testsigma.com 
                    Shift Left vs Shift Right Top Key Differences What Is The Difference Between A Shift-Right Register And A Shift-Left Register  In the shift right mode, the data is shifted from the leftmost bit to the rightmost bit. A shift register, wherein input data is entered from the right side, whereas digits already present on the register leave out/ remove from the left side, are called shift left registers. The rightmost bit receives the input data, while the leftmost bit is. What Is The Difference Between A Shift-Right Register And A Shift-Left Register.
     
    
        From circuitpartehrlichmann.z19.web.core.windows.net 
                    Shift Right Register Circuit Diagram What Is The Difference Between A Shift-Right Register And A Shift-Left Register  In the shift right mode, the data is shifted from the leftmost bit to the rightmost bit. A unidirectional shift register is capable of shifting in only one direction. These are called as ‘shift registers’. The rightmost bit receives the input data, while the leftmost bit is discarded. A shift register, wherein input data is entered from the right side,. What Is The Difference Between A Shift-Right Register And A Shift-Left Register.
     
    
        From www.youtube.com 
                    Rotate Left Rotate Right Shift Registers Digital Circuits and Logic What Is The Difference Between A Shift-Right Register And A Shift-Left Register  In the shift right mode, the data is shifted from the leftmost bit to the rightmost bit. When a number of flip flops are connected in series, this arrangement is called a register. A unidirectional shift register is capable of shifting in only one direction. A shift register is a sequential circuit which stores the data and shifts it towards. What Is The Difference Between A Shift-Right Register And A Shift-Left Register.
     
    
        From www.slideserve.com 
                    PPT CHAPTER 4 SHIFT REGISTER PowerPoint Presentation, free download What Is The Difference Between A Shift-Right Register And A Shift-Left Register  In the shift right mode, the data is shifted from the leftmost bit to the rightmost bit. In other words, registers which shift input data towards left, are called shift left registers. A unidirectional shift register is capable of shifting in only one direction. When a number of flip flops are connected in series, this arrangement is called a register.. What Is The Difference Between A Shift-Right Register And A Shift-Left Register.
     
    
        From learn.adafruit.com 
                    The 74HC595 Shift Register Arduino Lesson 4. Eight LEDs and a Shift What Is The Difference Between A Shift-Right Register And A Shift-Left Register  A universal shift register is a register which has both the right shift and left shift with parallel load capabilities. Generally, shift registers operate in one of four different modes with the basic movement of data through a shift register being: Universal shift registers are used as memory elements in computers. A unidirectional shift register is capable of shifting in. What Is The Difference Between A Shift-Right Register And A Shift-Left Register.
     
    
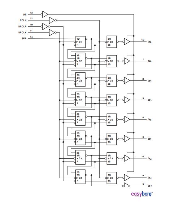
        From www.easybom.com 
                    An Introduction of the SN74HC595N Shift Register How Shift Register What Is The Difference Between A Shift-Right Register And A Shift-Left Register  In the shift right mode, the data is shifted from the leftmost bit to the rightmost bit. A shift register, wherein input data is entered from the right side, whereas digits already present on the register leave out/ remove from the left side, are called shift left registers. In other words, registers which shift input data towards left, are called. What Is The Difference Between A Shift-Right Register And A Shift-Left Register.
     
    
        From www.chegg.com 
                    Solved 12.12 Design a leftshift register similar to that of What Is The Difference Between A Shift-Right Register And A Shift-Left Register  In the shift right mode, the data is shifted from the leftmost bit to the rightmost bit. In other words, registers which shift input data towards left, are called shift left registers. A shift register, wherein input data is entered from the right side, whereas digits already present on the register leave out/ remove from the left side, are called. What Is The Difference Between A Shift-Right Register And A Shift-Left Register.
     
    
        From fixdatabarth.z19.web.core.windows.net 
                    Type Of Shift Register What Is The Difference Between A Shift-Right Register And A Shift-Left Register  These are called as ‘shift registers’. The stored information can be transferred within the registers; Universal shift registers are used as memory elements in computers. A unidirectional shift register is capable of shifting in only one direction. When a number of flip flops are connected in series, this arrangement is called a register. A universal shift register is a register. What Is The Difference Between A Shift-Right Register And A Shift-Left Register.
     
    
        From www.electroniclinic.com 
                    Shift Register Shift Right and Shift Left Registers with circuit diagram What Is The Difference Between A Shift-Right Register And A Shift-Left Register  A shift register is a sequential circuit which stores the data and shifts it towards the output on every clock cycle. A bidirectional shift register is capable of shifting in both the. When a number of flip flops are connected in series, this arrangement is called a register. Generally, shift registers operate in one of four different modes with the. What Is The Difference Between A Shift-Right Register And A Shift-Left Register.